main content of page
Parts Diagrams
OWNER CENTER |
Welcome, Kawasaki owners. Access the information and tools you need to get the most out of your vehicle.
OWNER CENTER |
Welcome, Kawasaki owners. Access the information and tools you need to get the most out of your vehicle.
Parts Diagrams |
11057
11057A
11061
11061A
11061B
11061B
14041
14041A
18004
18091
39178
49062
49106
49107
49107A
92004
92004
92004
92004
92004
92004
92004A
92022
92022
92022
92022
92022
92022
92022
92022
92022
92145
92145
92152
92152
92152A
92152B
92152B
92152B
92152B
92152B
92152B
92152B
92153
92153
92154
92154
92161
92161A
92161A
92161A
92161A
92161A
92161A
92161A
92161A
92161A
92161A
92161A
92161A
92161A
92161A
92161A
92161A
92161A
92161A
92161B
92161B
92161B
92161C
92161C
92161C
92200
92210
92210A
92210A
92210B
92210B
92210B
92210B
92210B
92210B
92210B
92210B
130
554
554
554
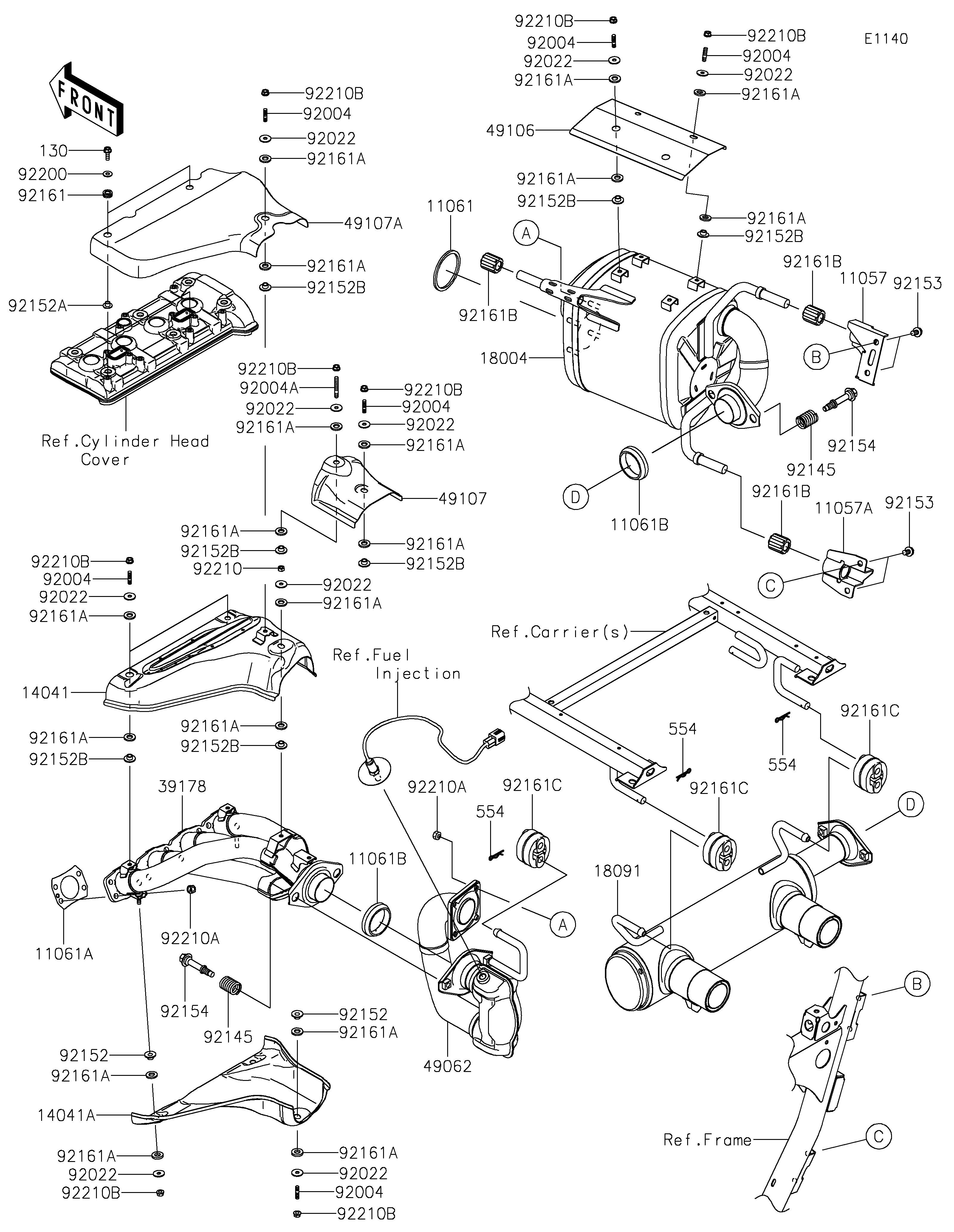
| ITEM NAME | REF # | PART NUMBER | QUANTITY | DESTINATION | REMARKS |
|---|---|---|---|---|---|
| BRACKET,FRM-MUFFLER/RR/UPP | 11057 | 11057-3722 | 1 | ||
| BRACKET,FRM-MUFFLER/RR/LWR | 11057A | 11057-3723 | 1 | ||
| GASKET,EXHAUST PIPE-MUFFLER | 11061 | 11061-1311 | 1 | ||
| GASKET,CYL.HEAD-EXHAUST PIPE | 11061A | 11061-1472 | 4 | ||
| GASKET,EXHAUST PIPE-MUFFLER | 11061B | 11061-1473 | 2 | ||
| COVER-COMP,EXHAUST PIPE,INNER | 14041 | 14041-0659 | 1 | ||
| COVER-COMP,EXHAUST PIPE,LWR | 14041A | 14041-0660 | 1 | ||
| CHAMBER-PREMUFFLER | 18004 | 18004-0129 | 1 | ||
| BODY-COMP-MUFFLER | 18091 | 18091-1330 | 1 | ||
| MANIFOLD-COMP-EXHAUST | 39178 | 39178-0499 | 1 | ||
| PIPE-COMP-EXHAUST | 49062 | 49062-0752 | 1 | ||
| COVER-MUFFLER | 49106 | 49106-0895 | 1 | ||
| COVER-EXHAUST PIPE | 49107 | 49107-0888 | 1 | ||
| COVER-EXHAUST PIPE,OUTER | 49107A | 49107-0902 | 1 | ||
| STUD,6X18 | 92004 | 92004-0799 | 9 | ||
| STUD | 92004A | 92004-0819 | 1 | ||
| WASHER,6.5X20X1.5 | 92022 | 92022-3710 | 13 | ||
| SPRING | 92145 | 92145-2262 | 4 | ||
| COLLAR | 92152 | 92152-0181 | 3 | ||
| COLLAR,6.3X8.3X16 | 92152A | 92152-0286 | 2 | ||
| COLLAR | 92152B | 92152-0423 | 10 | ||
| BOLT,FLANGED,8X14 | 92153 | 92153-0931 | 4 | ||
| BOLT,MUFFLER | 92154 | 92154-4485 | 4 | ||
| DAMPER | 92161 | 92161-0308 | 2 | ||
| DAMPER | 92161A | 92161-0319 | 26 | ||
| DAMPER | 92161B | 92161-2274 | 3 | ||
| DAMPER | 92161C | 92161-2466 | 3 | ||
| WASHER,6.5X16X1.0 | 92200 | 92200-3712 | 2 | ||
| NUT,6MM | 92210 | 92210-1100 | 1 | ||
| NUT,8MM | 92210A | 92210-1242 | 14 | ||
| NUT,6MM | 92210B | 92210-1787 | 12 | ||
| BOLT-FLANGED,6X18 | 130 | 130BD0618 | 2 | ||
| PIN-SNAP,12MM | 554 | 554DA1200 | 3 |
| BRACKET,FRM-MUFFLER/RR/UPP | |
| REF # | 11057 |
|---|---|
| PART NUMBER | |
| QUANTITY | 1 |
| DESTINATION | |
| REMARKS | |
| BRACKET,FRM-MUFFLER/RR/LWR | |
| REF # | 11057A |
|---|---|
| PART NUMBER | |
| QUANTITY | 1 |
| DESTINATION | |
| REMARKS | |
| GASKET,EXHAUST PIPE-MUFFLER | |
| REF # | 11061 |
|---|---|
| PART NUMBER | |
| QUANTITY | 1 |
| DESTINATION | |
| REMARKS | |
| GASKET,CYL.HEAD-EXHAUST PIPE | |
| REF # | 11061A |
|---|---|
| PART NUMBER | |
| QUANTITY | 4 |
| DESTINATION | |
| REMARKS | |
| GASKET,EXHAUST PIPE-MUFFLER | |
| REF # | 11061B |
|---|---|
| PART NUMBER | |
| QUANTITY | 2 |
| DESTINATION | |
| REMARKS | |
| COVER-COMP,EXHAUST PIPE,INNER | |
| REF # | 14041 |
|---|---|
| PART NUMBER | |
| QUANTITY | 1 |
| DESTINATION | |
| REMARKS | |
| COVER-COMP,EXHAUST PIPE,LWR | |
| REF # | 14041A |
|---|---|
| PART NUMBER | |
| QUANTITY | 1 |
| DESTINATION | |
| REMARKS | |
| CHAMBER-PREMUFFLER | |
| REF # | 18004 |
|---|---|
| PART NUMBER | |
| QUANTITY | 1 |
| DESTINATION | |
| REMARKS | |
| BODY-COMP-MUFFLER | |
| REF # | 18091 |
|---|---|
| PART NUMBER | |
| QUANTITY | 1 |
| DESTINATION | |
| REMARKS | |
| MANIFOLD-COMP-EXHAUST | |
| REF # | 39178 |
|---|---|
| PART NUMBER | |
| QUANTITY | 1 |
| DESTINATION | |
| REMARKS | |
| PIPE-COMP-EXHAUST | |
| REF # | 49062 |
|---|---|
| PART NUMBER | |
| QUANTITY | 1 |
| DESTINATION | |
| REMARKS | |
| COVER-MUFFLER | |
| REF # | 49106 |
|---|---|
| PART NUMBER | |
| QUANTITY | 1 |
| DESTINATION | |
| REMARKS | |
| COVER-EXHAUST PIPE | |
| REF # | 49107 |
|---|---|
| PART NUMBER | |
| QUANTITY | 1 |
| DESTINATION | |
| REMARKS | |
| COVER-EXHAUST PIPE,OUTER | |
| REF # | 49107A |
|---|---|
| PART NUMBER | |
| QUANTITY | 1 |
| DESTINATION | |
| REMARKS | |
| STUD,6X18 | |
| REF # | 92004 |
|---|---|
| PART NUMBER | |
| QUANTITY | 9 |
| DESTINATION | |
| REMARKS | |
| STUD | |
| REF # | 92004A |
|---|---|
| PART NUMBER | |
| QUANTITY | 1 |
| DESTINATION | |
| REMARKS | |
| WASHER,6.5X20X1.5 | |
| REF # | 92022 |
|---|---|
| PART NUMBER | |
| QUANTITY | 13 |
| DESTINATION | |
| REMARKS | |
| SPRING | |
| REF # | 92145 |
|---|---|
| PART NUMBER | |
| QUANTITY | 4 |
| DESTINATION | |
| REMARKS | |
| COLLAR | |
| REF # | 92152 |
|---|---|
| PART NUMBER | |
| QUANTITY | 3 |
| DESTINATION | |
| REMARKS | |
| COLLAR,6.3X8.3X16 | |
| REF # | 92152A |
|---|---|
| PART NUMBER | |
| QUANTITY | 2 |
| DESTINATION | |
| REMARKS | |
| COLLAR | |
| REF # | 92152B |
|---|---|
| PART NUMBER | |
| QUANTITY | 10 |
| DESTINATION | |
| REMARKS | |
| BOLT,FLANGED,8X14 | |
| REF # | 92153 |
|---|---|
| PART NUMBER | |
| QUANTITY | 4 |
| DESTINATION | |
| REMARKS | |
| BOLT,MUFFLER | |
| REF # | 92154 |
|---|---|
| PART NUMBER | |
| QUANTITY | 4 |
| DESTINATION | |
| REMARKS | |
| DAMPER | |
| REF # | 92161 |
|---|---|
| PART NUMBER | |
| QUANTITY | 2 |
| DESTINATION | |
| REMARKS | |
| DAMPER | |
| REF # | 92161A |
|---|---|
| PART NUMBER | |
| QUANTITY | 26 |
| DESTINATION | |
| REMARKS | |
| DAMPER | |
| REF # | 92161B |
|---|---|
| PART NUMBER | |
| QUANTITY | 3 |
| DESTINATION | |
| REMARKS | |
| DAMPER | |
| REF # | 92161C |
|---|---|
| PART NUMBER | |
| QUANTITY | 3 |
| DESTINATION | |
| REMARKS | |
| WASHER,6.5X16X1.0 | |
| REF # | 92200 |
|---|---|
| PART NUMBER | |
| QUANTITY | 2 |
| DESTINATION | |
| REMARKS | |
| NUT,6MM | |
| REF # | 92210 |
|---|---|
| PART NUMBER | |
| QUANTITY | 1 |
| DESTINATION | |
| REMARKS | |
| NUT,8MM | |
| REF # | 92210A |
|---|---|
| PART NUMBER | |
| QUANTITY | 14 |
| DESTINATION | |
| REMARKS | |
| NUT,6MM | |
| REF # | 92210B |
|---|---|
| PART NUMBER | |
| QUANTITY | 12 |
| DESTINATION | |
| REMARKS | |
| BOLT-FLANGED,6X18 | |
| REF # | 130 |
|---|---|
| PART NUMBER | |
| QUANTITY | 2 |
| DESTINATION | |
| REMARKS | |
| PIN-SNAP,12MM | |
| REF # | 554 |
|---|---|
| PART NUMBER | |
| QUANTITY | 3 |
| DESTINATION | |
| REMARKS | |