main content of page
Parts Diagrams
OWNER CENTER |
Welcome, Kawasaki owners. Access the information and tools you need to get the most out of your vehicle.
OWNER CENTER |
Welcome, Kawasaki owners. Access the information and tools you need to get the most out of your vehicle.
Parts Diagrams |
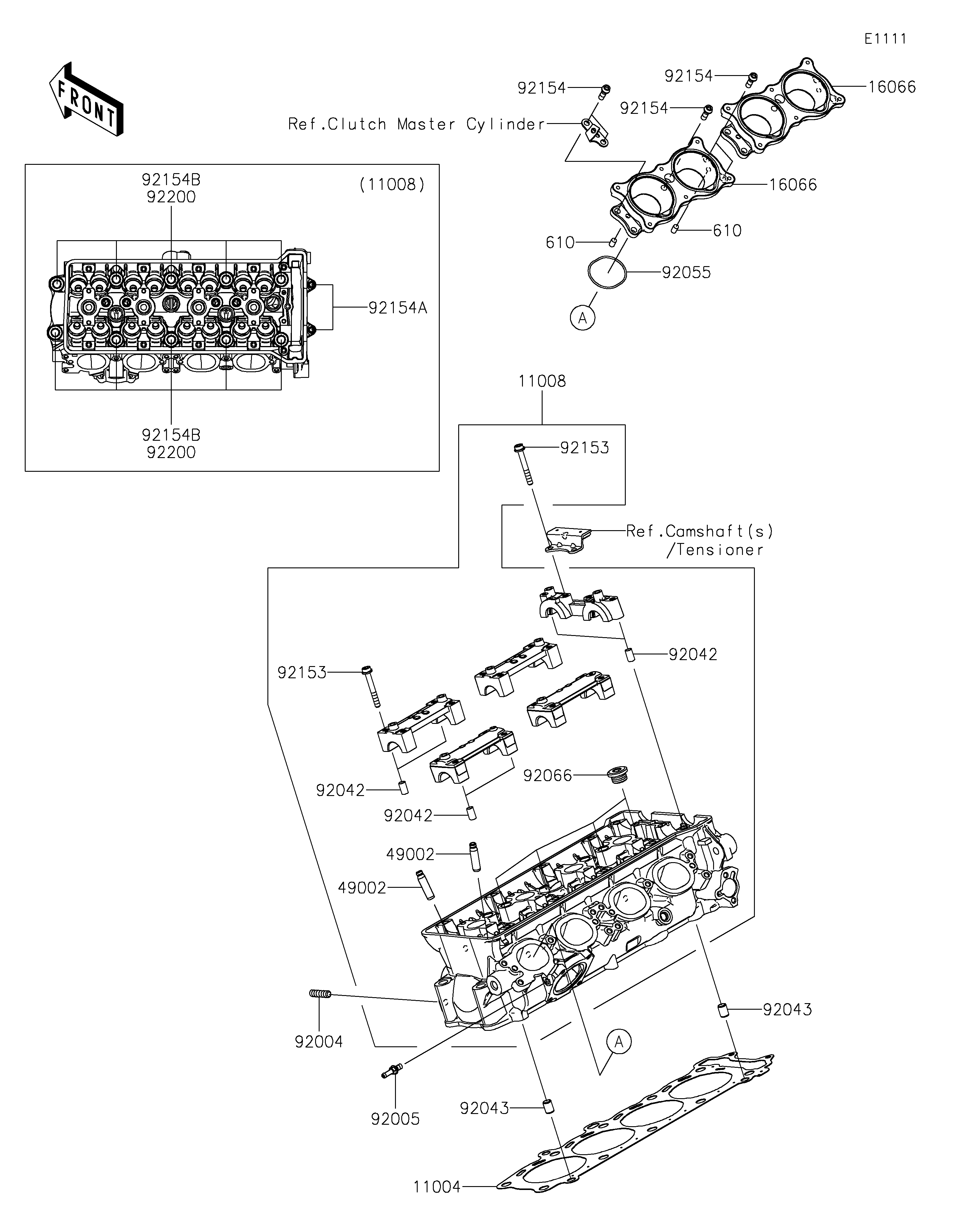
2026 NINJA H2® CARBON ABS - Cylinder Head
11004
11008
16066
16066
49002
49002
92004
92005
92042
92042
92042
92043
92043
92055
92066
92153
92153
92154
92154
92154
92154A
92154B
92154B
92200
92200
610
610
| ITEM NAME | REF # | PART NUMBER | QUANTITY | DESTINATION | REMARKS |
|---|---|---|---|---|---|
| GASKET-HEAD | 11004 | 11004-0754 | 1 | ||
| HEAD-COMP-CYLINDER | 11008 | 11008-0960 | 1 | ||
| HOLDER-THROTTLE BODY | 16066 | 16066-0003 | 2 | ||
| GUIDE-VALVE | 49002 | 49002-0009 | 16 | ||
| STUD,8X18 | 92004 | 92004-0049 | 8 | ||
| FITTING | 92005 | 92005-0826 | 1 | ||
| PIN,DOWEL,6.3X8X14 | 92042 | 92042-007 | 10 | ||
| PIN,8.2X10X14 | 92043 | 92043-1264 | 2 | ||
| RING-O,43.7X1.9 | 92055 | 92055-1401 | 4 | ||
| PLUG,18X10 | 92066 | 92066-0832 | 4 | ||
| BOLT,SOCKET,6X45 | 92153 | 92153-0656 | 20 | ||
| BOLT,SOCKET,6X18 | 92154 | 92154-1455 | 10 | ||
| BOLT,SOCKET,6X25 | 92154A | 92154-1457 | 2 | ||
| BOLT,11X103 | 92154B | 92154-1819 | 10 | ||
| WASHER,11.2X18.2X1.8 | 92200 | 92200-0940 | 10 | ||
| ROLLER,6X10 | 610 | 610A0610 | 4 |
| GASKET-HEAD | |
| REF # | 11004 |
|---|---|
| PART NUMBER | |
| QUANTITY | 1 |
| DESTINATION | |
| REMARKS | |
| HEAD-COMP-CYLINDER | |
| REF # | 11008 |
|---|---|
| PART NUMBER | |
| QUANTITY | 1 |
| DESTINATION | |
| REMARKS | |
| HOLDER-THROTTLE BODY | |
| REF # | 16066 |
|---|---|
| PART NUMBER | |
| QUANTITY | 2 |
| DESTINATION | |
| REMARKS | |
| GUIDE-VALVE | |
| REF # | 49002 |
|---|---|
| PART NUMBER | |
| QUANTITY | 16 |
| DESTINATION | |
| REMARKS | |
| STUD,8X18 | |
| REF # | 92004 |
|---|---|
| PART NUMBER | |
| QUANTITY | 8 |
| DESTINATION | |
| REMARKS | |
| FITTING | |
| REF # | 92005 |
|---|---|
| PART NUMBER | |
| QUANTITY | 1 |
| DESTINATION | |
| REMARKS | |
| PIN,DOWEL,6.3X8X14 | |
| REF # | 92042 |
|---|---|
| PART NUMBER | |
| QUANTITY | 10 |
| DESTINATION | |
| REMARKS | |
| PIN,8.2X10X14 | |
| REF # | 92043 |
|---|---|
| PART NUMBER | |
| QUANTITY | 2 |
| DESTINATION | |
| REMARKS | |
| RING-O,43.7X1.9 | |
| REF # | 92055 |
|---|---|
| PART NUMBER | |
| QUANTITY | 4 |
| DESTINATION | |
| REMARKS | |
| PLUG,18X10 | |
| REF # | 92066 |
|---|---|
| PART NUMBER | |
| QUANTITY | 4 |
| DESTINATION | |
| REMARKS | |
| BOLT,SOCKET,6X45 | |
| REF # | 92153 |
|---|---|
| PART NUMBER | |
| QUANTITY | 20 |
| DESTINATION | |
| REMARKS | |
| BOLT,SOCKET,6X18 | |
| REF # | 92154 |
|---|---|
| PART NUMBER | |
| QUANTITY | 10 |
| DESTINATION | |
| REMARKS | |
| BOLT,SOCKET,6X25 | |
| REF # | 92154A |
|---|---|
| PART NUMBER | |
| QUANTITY | 2 |
| DESTINATION | |
| REMARKS | |
| BOLT,11X103 | |
| REF # | 92154B |
|---|---|
| PART NUMBER | |
| QUANTITY | 10 |
| DESTINATION | |
| REMARKS | |
| WASHER,11.2X18.2X1.8 | |
| REF # | 92200 |
|---|---|
| PART NUMBER | |
| QUANTITY | 10 |
| DESTINATION | |
| REMARKS | |
| ROLLER,6X10 | |
| REF # | 610 |
|---|---|
| PART NUMBER | |
| QUANTITY | 4 |
| DESTINATION | |
| REMARKS | |