Skip to main content

Parts Diagrams

customer service agent speaking with a customer

Welcome, Kawasaki owners. Access the information and tools you need to get the most out of your vehicle.

Welcome, Kawasaki owners. Access the information and tools you need to get the most out of your vehicle.

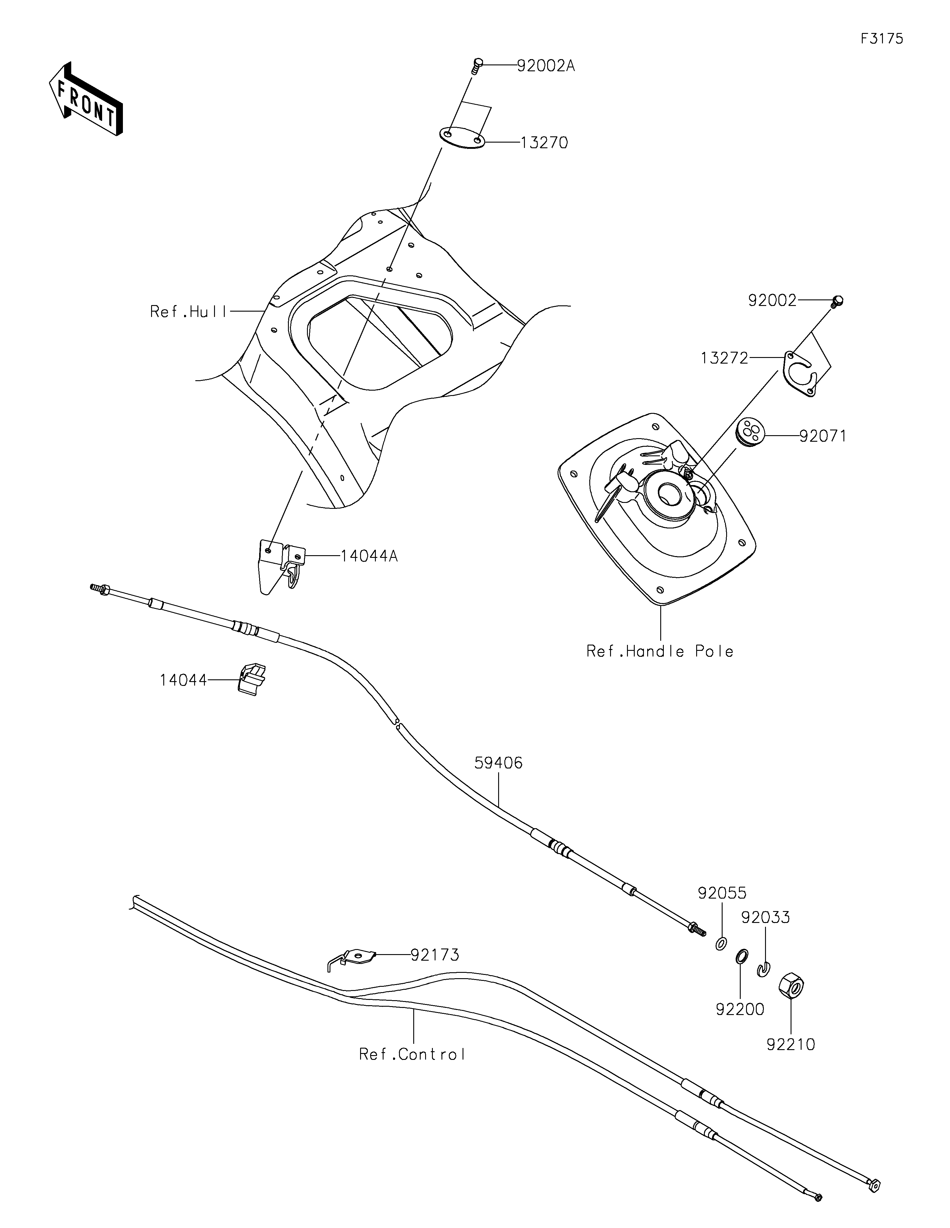
13270
13272
14044
14044A
59406
92002
92002A
92033
92055
92071
92173
92200
92210
Part Item Information
ITEM NAME REF # PART NUMBER QUANTITY DESTINATION REMARKS
PLATE 13270 13270-3860 1
PLATE 13272 13272-3729 1
HOLDER-CABLE 14044 14044-3765 1
HOLDER-CABLE,STEERING 14044A 14044-3769 1
CABLE-STRG 59406 59406-0003 1
BOLT,6X16 92002 92002-3728 2
BOLT,6X20 92002A 92002-3755 2
RING-SNAP 92033 92033-3735 1
RING-O 92055 92055-3778 1
GROMMET,HARNESS 92071 92071-3790 1
CLAMP 92173 92173-3704 1
WASHER,14.5X20X1.5 92200 92200-3793 1
NUT,22MM 92210 92210-3772 1