main content of page
Parts Diagrams
OWNER CENTER |
Welcome, Kawasaki owners. Access the information and tools you need to get the most out of your vehicle.
OWNER CENTER |
Welcome, Kawasaki owners. Access the information and tools you need to get the most out of your vehicle.
Parts Diagrams |
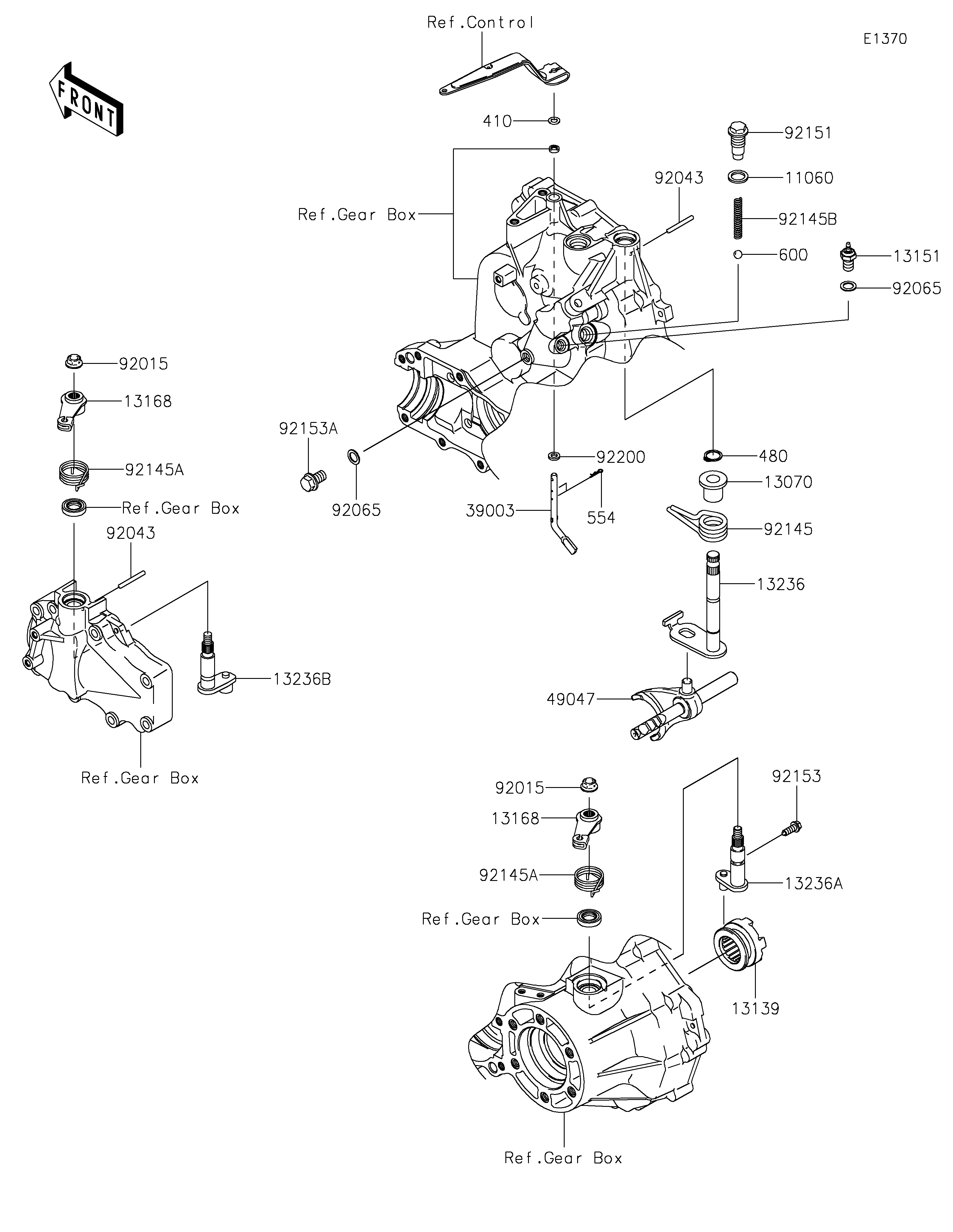
11060
13070
13139
13151
13168
13168
13236
13236A
13236B
39003
49047
92015
92015
92043
92043
92065
92065
92145
92145A
92145A
92145B
92151
92153
92153A
92200
410
480
554
600
| ITEM NAME | REF # | PART NUMBER | QUANTITY | DESTINATION | REMARKS |
|---|---|---|---|---|---|
| GASKET,14X20X2 | 11060 | 11060-1287 | 1 | ||
| GUIDE | 13070 | 13070-0030 | 1 | ||
| SHIFTER,DIFF LOCK | 13139 | 13139-0008 | 1 | ||
| SWITCH-COMP,NEUTRAL | 13151 | 13151-1080 | 1 | ||
| LEVER,DIFF LOCK | 13168 | 13168-1523 | 2 | ||
| LEVER-COMP,FR/RR | 13236 | 13236-0036 | 1 | ||
| LEVER-COMP,DIFF LOCK | 13236A | 13236-0037 | 1 | ||
| LEVER-COMP,2WD/4WD | 13236B | 13236-0168 | 1 | ||
| ARM-PIVOT,GOVERNOR | 39003 | 39003-1053 | 1 | ||
| ROD-SHIFT,FR/RR | 49047 | 49047-0013 | 1 | ||
| NUT,FLANGED,8MM | 92015 | 92015-1406 | 2 | ||
| PIN,4X34.8 | 92043 | 92043-1579 | 2 | ||
| GASKET,10.5X16X1 | 92065 | 92065-058 | 2 | ||
| SPRING | 92145 | 92145-0146 | 1 | ||
| SPRING | 92145A | 92145-0226 | 2 | ||
| SPRING,CHANGE POSITION | 92145B | 92145-1297 | 1 | ||
| BOLT,CHANGE POSITION | 92151 | 92151-1687 | 1 | ||
| BOLT,6X16.6 | 92153 | 92153-0591 | 1 | ||
| BOLT,10X16 | 92153A | 92153-0621 | 1 | ||
| WASHER,6.5X11.5X2.0 | 92200 | 92200-2029 | 1 | ||
| WASHER-PLAIN-SMALL | 410 | 410AA0600 | 1 | ||
| CIRCLIP-TYPE-C,13MM | 480 | 480J1300 | 1 | ||
| PIN-SNAP,1.2X21.2 | 554 | 554DA0600 | 2 | ||
| BALL-STEEL,5/16 | 600 | 600A1000 | 1 |
| GASKET,14X20X2 | |
| REF # | 11060 |
|---|---|
| PART NUMBER | |
| QUANTITY | 1 |
| DESTINATION | |
| REMARKS | |
| GUIDE | |
| REF # | 13070 |
|---|---|
| PART NUMBER | |
| QUANTITY | 1 |
| DESTINATION | |
| REMARKS | |
| SHIFTER,DIFF LOCK | |
| REF # | 13139 |
|---|---|
| PART NUMBER | |
| QUANTITY | 1 |
| DESTINATION | |
| REMARKS | |
| SWITCH-COMP,NEUTRAL | |
| REF # | 13151 |
|---|---|
| PART NUMBER | |
| QUANTITY | 1 |
| DESTINATION | |
| REMARKS | |
| LEVER,DIFF LOCK | |
| REF # | 13168 |
|---|---|
| PART NUMBER | |
| QUANTITY | 2 |
| DESTINATION | |
| REMARKS | |
| LEVER-COMP,FR/RR | |
| REF # | 13236 |
|---|---|
| PART NUMBER | |
| QUANTITY | 1 |
| DESTINATION | |
| REMARKS | |
| LEVER-COMP,DIFF LOCK | |
| REF # | 13236A |
|---|---|
| PART NUMBER | |
| QUANTITY | 1 |
| DESTINATION | |
| REMARKS | |
| LEVER-COMP,2WD/4WD | |
| REF # | 13236B |
|---|---|
| PART NUMBER | |
| QUANTITY | 1 |
| DESTINATION | |
| REMARKS | |
| ARM-PIVOT,GOVERNOR | |
| REF # | 39003 |
|---|---|
| PART NUMBER | |
| QUANTITY | 1 |
| DESTINATION | |
| REMARKS | |
| ROD-SHIFT,FR/RR | |
| REF # | 49047 |
|---|---|
| PART NUMBER | |
| QUANTITY | 1 |
| DESTINATION | |
| REMARKS | |
| NUT,FLANGED,8MM | |
| REF # | 92015 |
|---|---|
| PART NUMBER | |
| QUANTITY | 2 |
| DESTINATION | |
| REMARKS | |
| PIN,4X34.8 | |
| REF # | 92043 |
|---|---|
| PART NUMBER | |
| QUANTITY | 2 |
| DESTINATION | |
| REMARKS | |
| GASKET,10.5X16X1 | |
| REF # | 92065 |
|---|---|
| PART NUMBER | |
| QUANTITY | 2 |
| DESTINATION | |
| REMARKS | |
| SPRING | |
| REF # | 92145 |
|---|---|
| PART NUMBER | |
| QUANTITY | 1 |
| DESTINATION | |
| REMARKS | |
| SPRING | |
| REF # | 92145A |
|---|---|
| PART NUMBER | |
| QUANTITY | 2 |
| DESTINATION | |
| REMARKS | |
| SPRING,CHANGE POSITION | |
| REF # | 92145B |
|---|---|
| PART NUMBER | |
| QUANTITY | 1 |
| DESTINATION | |
| REMARKS | |
| BOLT,CHANGE POSITION | |
| REF # | 92151 |
|---|---|
| PART NUMBER | |
| QUANTITY | 1 |
| DESTINATION | |
| REMARKS | |
| BOLT,6X16.6 | |
| REF # | 92153 |
|---|---|
| PART NUMBER | |
| QUANTITY | 1 |
| DESTINATION | |
| REMARKS | |
| BOLT,10X16 | |
| REF # | 92153A |
|---|---|
| PART NUMBER | |
| QUANTITY | 1 |
| DESTINATION | |
| REMARKS | |
| WASHER,6.5X11.5X2.0 | |
| REF # | 92200 |
|---|---|
| PART NUMBER | |
| QUANTITY | 1 |
| DESTINATION | |
| REMARKS | |
| WASHER-PLAIN-SMALL | |
| REF # | 410 |
|---|---|
| PART NUMBER | |
| QUANTITY | 1 |
| DESTINATION | |
| REMARKS | |
| CIRCLIP-TYPE-C,13MM | |
| REF # | 480 |
|---|---|
| PART NUMBER | |
| QUANTITY | 1 |
| DESTINATION | |
| REMARKS | |
| PIN-SNAP,1.2X21.2 | |
| REF # | 554 |
|---|---|
| PART NUMBER | |
| QUANTITY | 2 |
| DESTINATION | |
| REMARKS | |
| BALL-STEEL,5/16 | |
| REF # | 600 |
|---|---|
| PART NUMBER | |
| QUANTITY | 1 |
| DESTINATION | |
| REMARKS | |