Skip to main content

Parts Diagrams

customer service agent speaking with a customer

Welcome, Kawasaki owners. Access the information and tools you need to get the most out of your vehicle.

Welcome, Kawasaki owners. Access the information and tools you need to get the most out of your vehicle.

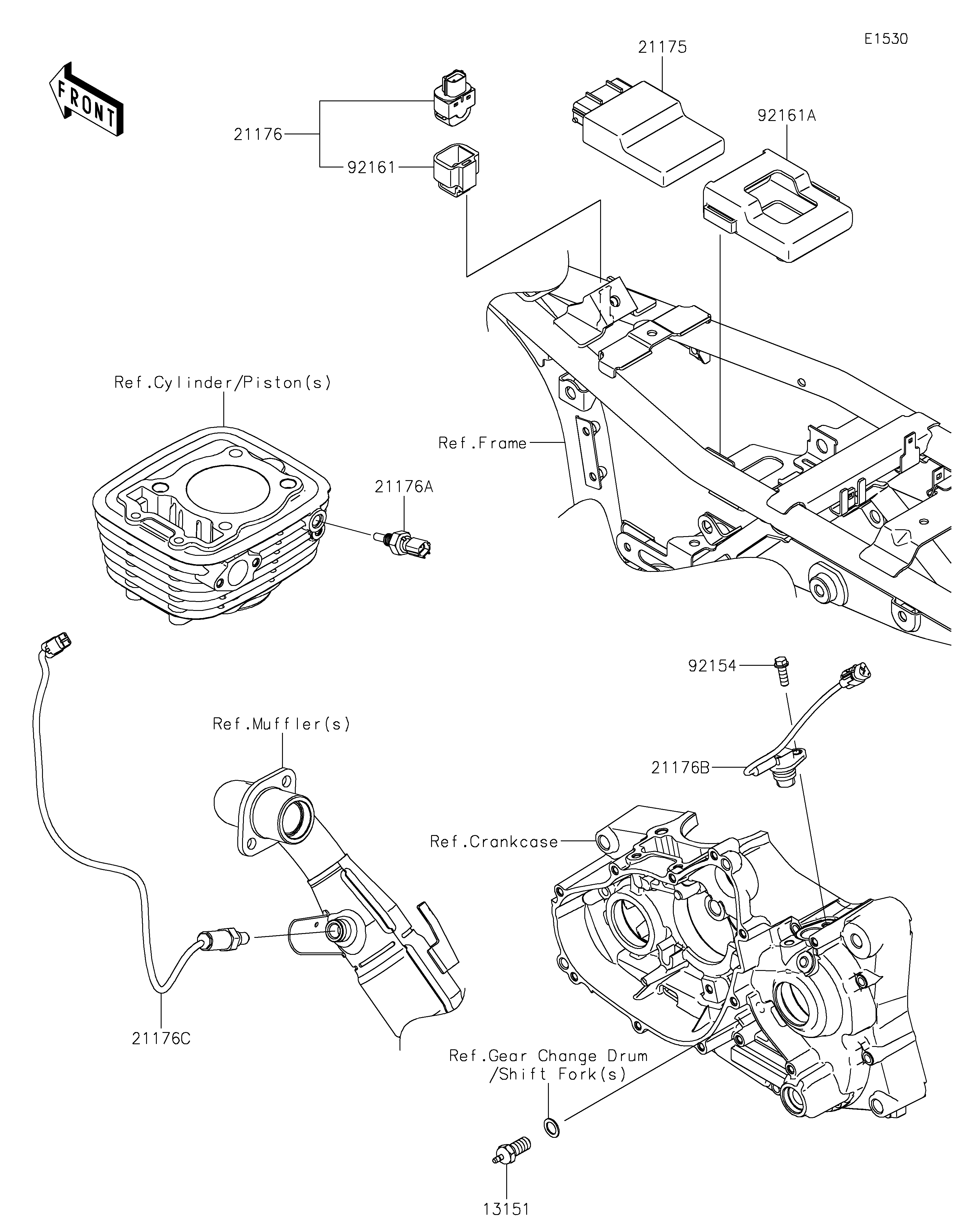
13151
21175
21176
21176A
21176B
21176C
92154
92161
92161A
Part Item Information
ITEM NAME REF # PART NUMBER QUANTITY DESTINATION REMARKS
SWITCH-COMP,NEUTRAL 13151 13151-1099 1
CONTROL UNIT-ELECTRONIC 21175 21175-2261 1
SENSOR,VEHICLE-DOWN 21176 21176-0704 1
SENSOR,ENGINE TEMP 21176A 21176-0963 1
SENSOR,SPEED 21176B 21176-0964 1
SENSOR,OXYGEN 21176C 21176-0969 1
BOLT,FLANGED,6X18 92154 92154-4208 1
DAMPER 92161 92161-0951 1
DAMPER,ECU 92161A 92161-2101 1