main content of page
Parts Diagrams
OWNER CENTER |
Welcome, Kawasaki owners. Access the information and tools you need to get the most out of your vehicle.
OWNER CENTER |
Welcome, Kawasaki owners. Access the information and tools you need to get the most out of your vehicle.
Parts Diagrams |
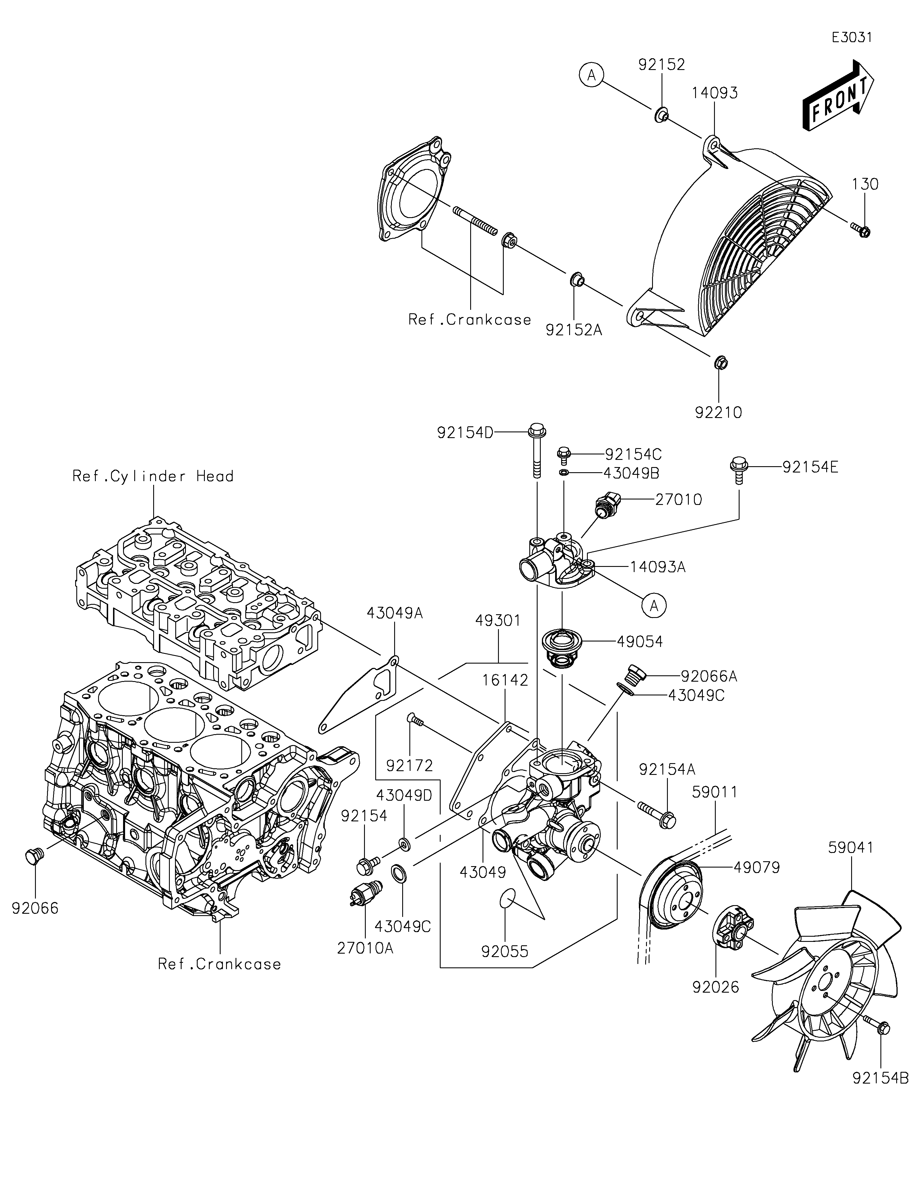
14093
14093A
16142
27010
27010A
43049
43049A
43049B
43049C
43049C
43049D
49054
49079
49301
59011
59041
92026
92055
92066
92066A
92152
92152A
92154
92154A
92154B
92154C
92154D
92154E
92172
92210
130
| ITEM NAME | REF # | PART NUMBER | QUANTITY | DESTINATION | REMARKS |
|---|---|---|---|---|---|
| COVER,FAN | 14093 | 14093-0297 | 1 | ||
| COVER,THERMOSTAT | 14093A | 14093-0446 | 1 | ||
| COVER-PUMP | 16142 | 16142-0736 | 1 | ||
| SWITCH,THERMOSTAT | 27010 | 27010-0839 | 1 | ||
| SWITCH,THERMO | 27010A | 27010-0840 | 1 | ||
| PACKING,WATER PUMP | 43049 | 43049-0040 | 1 | ||
| PACKING,WATER PUMP | 43049A | 43049-0041 | 1 | ||
| PACKING,6X1 | 43049B | 43049-0042 | 1 | ||
| PACKING | 43049C | 43049-0043 | 2 | ||
| PACKING,8X1 | 43049D | 43049-0047 | 1 | ||
| THERMOSTAT | 49054 | 49054-0008 | 1 | ||
| PULLEY-BELT | 49079 | 49079-0027 | 1 | ||
| PUMP-ASSY-WATER | 49301 | 49301-0003 | 1 | ||
| BELT,A35 | 59011 | 59011-0045 | 1 | ||
| FAN,COOLING | 59041 | 59041-0015 | 1 | ||
| SPACER | 92026 | 92026-0820 | 1 | ||
| RING-O | 92055 | 92055-0858 | 1 | ||
| PLUG,DRAIN | 92066 | 92066-0853 | 1 | ||
| PLUG | 92066A | 92066-0854 | 1 | ||
| COLLAR | 92152 | 92152-0181 | 1 | ||
| COLLAR | 92152A | 92152-0613 | 1 | ||
| BOLT,FLANGED,8X12 | 92154 | 92154-1999 | 1 | ||
| BOLT,FLANGED,8X45 | 92154A | 92154-2000 | 3 | ||
| BOLT,FLANGED,6X30 | 92154B | 92154-2067 | 4 | ||
| BOLT,FLANGED,6X10 | 92154C | 92154-2068 | 1 | ||
| BOLT,FLANGED,8X65 | 92154D | 92154-2070 | 1 | ||
| BOLT,FLANGED,8X28 | 92154E | 92154-2110 | 1 | ||
| SCREW,6X12 | 92172 | 92172-0987 | 5 | ||
| NUT,FLANGED,8MM | 92210 | 92210-0555 | 1 | ||
| BOLT-FLANGED,6X20 | 130 | 130BA0620 | 1 |
| COVER,FAN | |
| REF # | 14093 |
|---|---|
| PART NUMBER | |
| QUANTITY | 1 |
| DESTINATION | |
| REMARKS | |
| COVER,THERMOSTAT | |
| REF # | 14093A |
|---|---|
| PART NUMBER | |
| QUANTITY | 1 |
| DESTINATION | |
| REMARKS | |
| COVER-PUMP | |
| REF # | 16142 |
|---|---|
| PART NUMBER | |
| QUANTITY | 1 |
| DESTINATION | |
| REMARKS | |
| SWITCH,THERMOSTAT | |
| REF # | 27010 |
|---|---|
| PART NUMBER | |
| QUANTITY | 1 |
| DESTINATION | |
| REMARKS | |
| SWITCH,THERMO | |
| REF # | 27010A |
|---|---|
| PART NUMBER | |
| QUANTITY | 1 |
| DESTINATION | |
| REMARKS | |
| PACKING,WATER PUMP | |
| REF # | 43049 |
|---|---|
| PART NUMBER | |
| QUANTITY | 1 |
| DESTINATION | |
| REMARKS | |
| PACKING,WATER PUMP | |
| REF # | 43049A |
|---|---|
| PART NUMBER | |
| QUANTITY | 1 |
| DESTINATION | |
| REMARKS | |
| PACKING,6X1 | |
| REF # | 43049B |
|---|---|
| PART NUMBER | |
| QUANTITY | 1 |
| DESTINATION | |
| REMARKS | |
| PACKING | |
| REF # | 43049C |
|---|---|
| PART NUMBER | |
| QUANTITY | 2 |
| DESTINATION | |
| REMARKS | |
| PACKING,8X1 | |
| REF # | 43049D |
|---|---|
| PART NUMBER | |
| QUANTITY | 1 |
| DESTINATION | |
| REMARKS | |
| THERMOSTAT | |
| REF # | 49054 |
|---|---|
| PART NUMBER | |
| QUANTITY | 1 |
| DESTINATION | |
| REMARKS | |
| PULLEY-BELT | |
| REF # | 49079 |
|---|---|
| PART NUMBER | |
| QUANTITY | 1 |
| DESTINATION | |
| REMARKS | |
| PUMP-ASSY-WATER | |
| REF # | 49301 |
|---|---|
| PART NUMBER | |
| QUANTITY | 1 |
| DESTINATION | |
| REMARKS | |
| BELT,A35 | |
| REF # | 59011 |
|---|---|
| PART NUMBER | |
| QUANTITY | 1 |
| DESTINATION | |
| REMARKS | |
| FAN,COOLING | |
| REF # | 59041 |
|---|---|
| PART NUMBER | |
| QUANTITY | 1 |
| DESTINATION | |
| REMARKS | |
| SPACER | |
| REF # | 92026 |
|---|---|
| PART NUMBER | |
| QUANTITY | 1 |
| DESTINATION | |
| REMARKS | |
| RING-O | |
| REF # | 92055 |
|---|---|
| PART NUMBER | |
| QUANTITY | 1 |
| DESTINATION | |
| REMARKS | |
| PLUG,DRAIN | |
| REF # | 92066 |
|---|---|
| PART NUMBER | |
| QUANTITY | 1 |
| DESTINATION | |
| REMARKS | |
| PLUG | |
| REF # | 92066A |
|---|---|
| PART NUMBER | |
| QUANTITY | 1 |
| DESTINATION | |
| REMARKS | |
| COLLAR | |
| REF # | 92152 |
|---|---|
| PART NUMBER | |
| QUANTITY | 1 |
| DESTINATION | |
| REMARKS | |
| COLLAR | |
| REF # | 92152A |
|---|---|
| PART NUMBER | |
| QUANTITY | 1 |
| DESTINATION | |
| REMARKS | |
| BOLT,FLANGED,8X12 | |
| REF # | 92154 |
|---|---|
| PART NUMBER | |
| QUANTITY | 1 |
| DESTINATION | |
| REMARKS | |
| BOLT,FLANGED,8X45 | |
| REF # | 92154A |
|---|---|
| PART NUMBER | |
| QUANTITY | 3 |
| DESTINATION | |
| REMARKS | |
| BOLT,FLANGED,6X30 | |
| REF # | 92154B |
|---|---|
| PART NUMBER | |
| QUANTITY | 4 |
| DESTINATION | |
| REMARKS | |
| BOLT,FLANGED,6X10 | |
| REF # | 92154C |
|---|---|
| PART NUMBER | |
| QUANTITY | 1 |
| DESTINATION | |
| REMARKS | |
| BOLT,FLANGED,8X65 | |
| REF # | 92154D |
|---|---|
| PART NUMBER | |
| QUANTITY | 1 |
| DESTINATION | |
| REMARKS | |
| BOLT,FLANGED,8X28 | |
| REF # | 92154E |
|---|---|
| PART NUMBER | |
| QUANTITY | 1 |
| DESTINATION | |
| REMARKS | |
| SCREW,6X12 | |
| REF # | 92172 |
|---|---|
| PART NUMBER | |
| QUANTITY | 5 |
| DESTINATION | |
| REMARKS | |
| NUT,FLANGED,8MM | |
| REF # | 92210 |
|---|---|
| PART NUMBER | |
| QUANTITY | 1 |
| DESTINATION | |
| REMARKS | |
| BOLT-FLANGED,6X20 | |
| REF # | 130 |
|---|---|
| PART NUMBER | |
| QUANTITY | 1 |
| DESTINATION | |
| REMARKS | |