Skip to main content

Parts Diagrams

customer service agent speaking with a customer

Welcome, Kawasaki owners. Access the information and tools you need to get the most out of your vehicle.

Welcome, Kawasaki owners. Access the information and tools you need to get the most out of your vehicle.

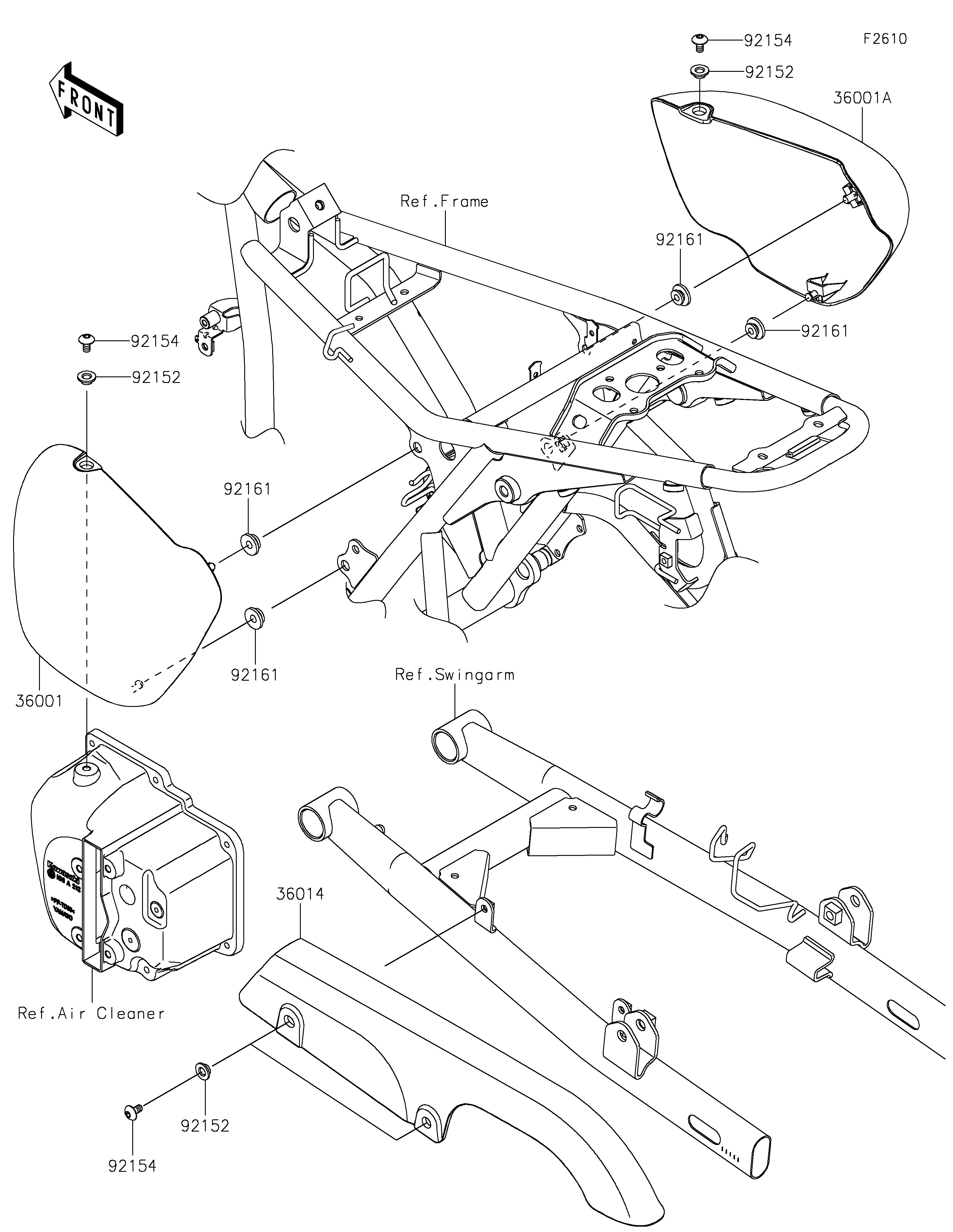
36001
36001A
36014
92152
92152
92152
92154
92154
92154
92161
92161
92161
92161
Part Item Information
ITEM NAME REF # PART NUMBER QUANTITY DESTINATION REMARKS
COVER-SIDE,LH,EBONY 36001 36001-0776-H8 1
COVER-SIDE,RH,EBONY 36001A 36001-0777-H8 1
CASE-CHAIN 36014 36014-0579 1
COLLAR 92152 92152-3921 4
BOLT,SOCKET,6X12 92154 92154-1484 4
DAMPER 92161 92161-1810 4