main content of page
Parts Diagrams
OWNER CENTER |
Welcome, Kawasaki owners. Access the information and tools you need to get the most out of your vehicle.
OWNER CENTER |
Welcome, Kawasaki owners. Access the information and tools you need to get the most out of your vehicle.
Parts Diagrams |
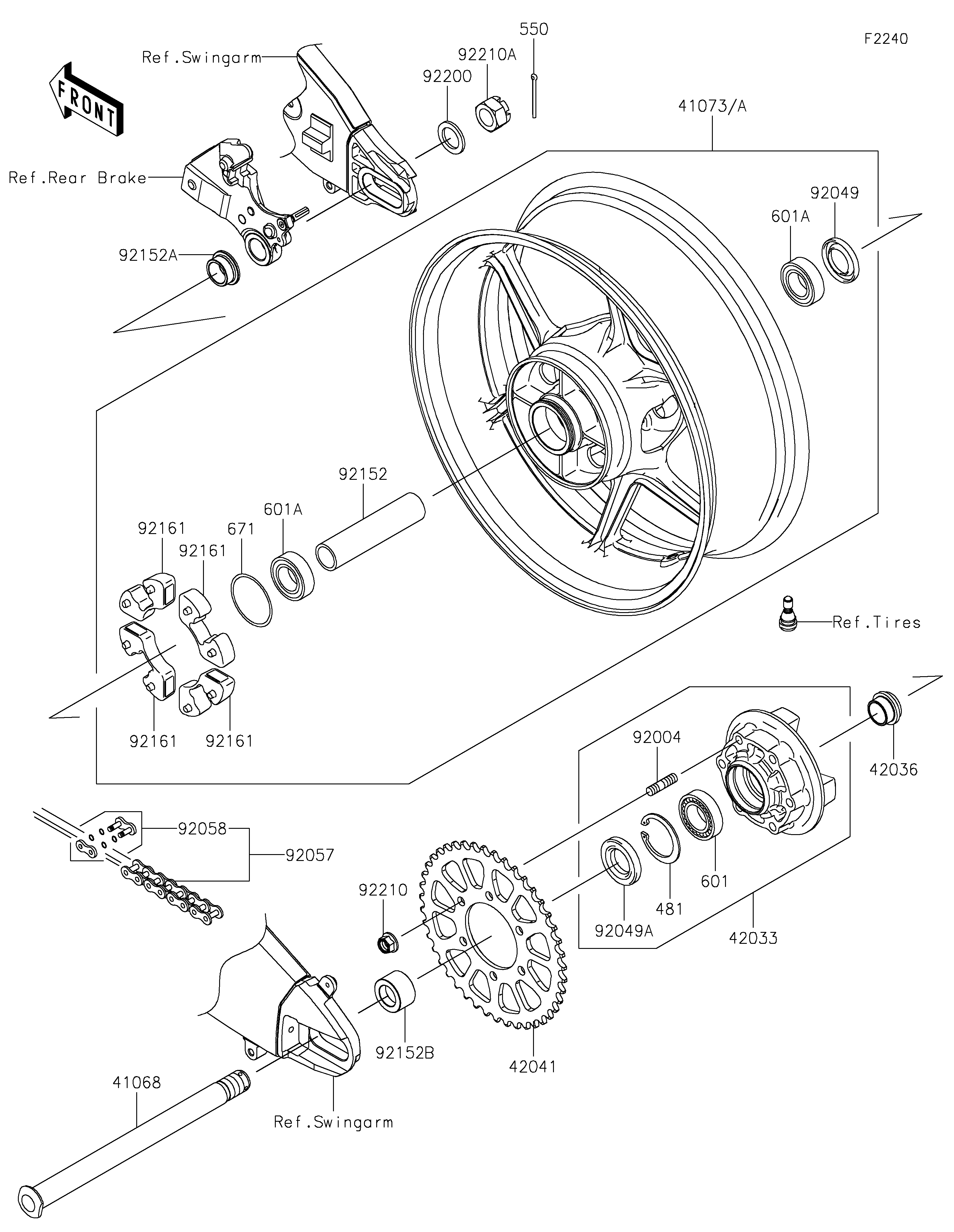
2026 NINJA® ZX™-6R ABS - Rear Wheel/Chain
41068
41073
41073A
42033
42036
42041
92004
92049
92049A
92057
92058
92152
92152A
92152B
92161
92161
92161
92161
92200
92210
92210A
481
550
601
601A
601A
671
| ITEM NAME | REF # | PART NUMBER | QUANTITY | DESTINATION | REMARKS |
|---|---|---|---|---|---|
| AXLE,RR,24X326 | 41068 | 41068-0613 | 1 | ||
| WHEEL-ASSY,RR,G.BLACK | 41073 | 41073-0729-18F | 1 | ||
| WHEEL-ASSY,RR,M.C.BULE | 41073A | 41073-0729-76Y | 1 | CA,US | |
| COUPLING-ASSY,RR HUB | 42033 | 42033-0026 | 1 | ||
| SLEEVE,RR HUB,L=22 | 42036 | 42036-1279 | 1 | ||
| SPROCKET-HUB,43T | 42041 | 42041-0192 | 1 | ||
| STUD,10X19 | 92004 | 92004-0028 | 6 | ||
| SEAL-OIL,31X52X5 | 92049 | 92049-0722 | 1 | ||
| SEAL-OIL,PJN 40 55 8 | 92049A | 92049-1376 | 1 | ||
| CHAIN,DRIVE,DID520HV2X112L | 92057 | 92057-0775 | 1 | ||
| JOINT-CHAIN | 92058 | 92058-0064 | 1 | ||
| COLLAR,RR HUB,L=137 | 92152 | 92152-0214 | 1 | ||
| COLLAR,RR AXLE,RH,L=16 | 92152A | 92152-1246 | 1 | ||
| COLLAR,RR AXLE,LH,L=23.5 | 92152B | 92152-1254 | 1 | ||
| DAMPER,SHOCK,RR HUB | 92161 | 92161-0342 | 4 | ||
| WASHER,25.5X38X3.2 | 92200 | 92200-0278 | 1 | ||
| NUT,LOCK,FLANGED,10MM | 92210 | 92210-0276 | 6 | ||
| NUT,CASTLE,24MM | 92210A | 92210-0280 | 1 | ||
| CIRCLIP | 481 | 481J5500 | 1 | ||
| PIN-COTTER,4.0X45 | 550 | 550AA4045 | 1 | ||
| BEARING-BALL,#6006G | 601 | 601B6006G | 1 | ||
| BEARING-BALL | 601A | 601B6205UU | 2 | ||
| O RING,60MM | 671 | 671B2560 | 1 |
| AXLE,RR,24X326 | |
| REF # | 41068 |
|---|---|
| PART NUMBER | |
| QUANTITY | 1 |
| DESTINATION | |
| REMARKS | |
| WHEEL-ASSY,RR,G.BLACK | |
| REF # | 41073 |
|---|---|
| PART NUMBER | |
| QUANTITY | 1 |
| DESTINATION | |
| REMARKS | |
| WHEEL-ASSY,RR,M.C.BULE | |
| REF # | 41073A |
|---|---|
| PART NUMBER | |
| QUANTITY | 1 |
| DESTINATION | CA,US |
| REMARKS | |
| COUPLING-ASSY,RR HUB | |
| REF # | 42033 |
|---|---|
| PART NUMBER | |
| QUANTITY | 1 |
| DESTINATION | |
| REMARKS | |
| SLEEVE,RR HUB,L=22 | |
| REF # | 42036 |
|---|---|
| PART NUMBER | |
| QUANTITY | 1 |
| DESTINATION | |
| REMARKS | |
| SPROCKET-HUB,43T | |
| REF # | 42041 |
|---|---|
| PART NUMBER | |
| QUANTITY | 1 |
| DESTINATION | |
| REMARKS | |
| STUD,10X19 | |
| REF # | 92004 |
|---|---|
| PART NUMBER | |
| QUANTITY | 6 |
| DESTINATION | |
| REMARKS | |
| SEAL-OIL,31X52X5 | |
| REF # | 92049 |
|---|---|
| PART NUMBER | |
| QUANTITY | 1 |
| DESTINATION | |
| REMARKS | |
| SEAL-OIL,PJN 40 55 8 | |
| REF # | 92049A |
|---|---|
| PART NUMBER | |
| QUANTITY | 1 |
| DESTINATION | |
| REMARKS | |
| CHAIN,DRIVE,DID520HV2X112L | |
| REF # | 92057 |
|---|---|
| PART NUMBER | |
| QUANTITY | 1 |
| DESTINATION | |
| REMARKS | |
| JOINT-CHAIN | |
| REF # | 92058 |
|---|---|
| PART NUMBER | |
| QUANTITY | 1 |
| DESTINATION | |
| REMARKS | |
| COLLAR,RR HUB,L=137 | |
| REF # | 92152 |
|---|---|
| PART NUMBER | |
| QUANTITY | 1 |
| DESTINATION | |
| REMARKS | |
| COLLAR,RR AXLE,RH,L=16 | |
| REF # | 92152A |
|---|---|
| PART NUMBER | |
| QUANTITY | 1 |
| DESTINATION | |
| REMARKS | |
| COLLAR,RR AXLE,LH,L=23.5 | |
| REF # | 92152B |
|---|---|
| PART NUMBER | |
| QUANTITY | 1 |
| DESTINATION | |
| REMARKS | |
| DAMPER,SHOCK,RR HUB | |
| REF # | 92161 |
|---|---|
| PART NUMBER | |
| QUANTITY | 4 |
| DESTINATION | |
| REMARKS | |
| WASHER,25.5X38X3.2 | |
| REF # | 92200 |
|---|---|
| PART NUMBER | |
| QUANTITY | 1 |
| DESTINATION | |
| REMARKS | |
| NUT,LOCK,FLANGED,10MM | |
| REF # | 92210 |
|---|---|
| PART NUMBER | |
| QUANTITY | 6 |
| DESTINATION | |
| REMARKS | |
| NUT,CASTLE,24MM | |
| REF # | 92210A |
|---|---|
| PART NUMBER | |
| QUANTITY | 1 |
| DESTINATION | |
| REMARKS | |
| CIRCLIP | |
| REF # | 481 |
|---|---|
| PART NUMBER | |
| QUANTITY | 1 |
| DESTINATION | |
| REMARKS | |
| PIN-COTTER,4.0X45 | |
| REF # | 550 |
|---|---|
| PART NUMBER | |
| QUANTITY | 1 |
| DESTINATION | |
| REMARKS | |
| BEARING-BALL,#6006G | |
| REF # | 601 |
|---|---|
| PART NUMBER | |
| QUANTITY | 1 |
| DESTINATION | |
| REMARKS | |
| BEARING-BALL | |
| REF # | 601A |
|---|---|
| PART NUMBER | |
| QUANTITY | 2 |
| DESTINATION | |
| REMARKS | |
| O RING,60MM | |
| REF # | 671 |
|---|---|
| PART NUMBER | |
| QUANTITY | 1 |
| DESTINATION | |
| REMARKS | |