main content of page
Parts Diagrams
OWNER CENTER |
Welcome, Kawasaki owners. Access the information and tools you need to get the most out of your vehicle.
OWNER CENTER |
Welcome, Kawasaki owners. Access the information and tools you need to get the most out of your vehicle.
Parts Diagrams |
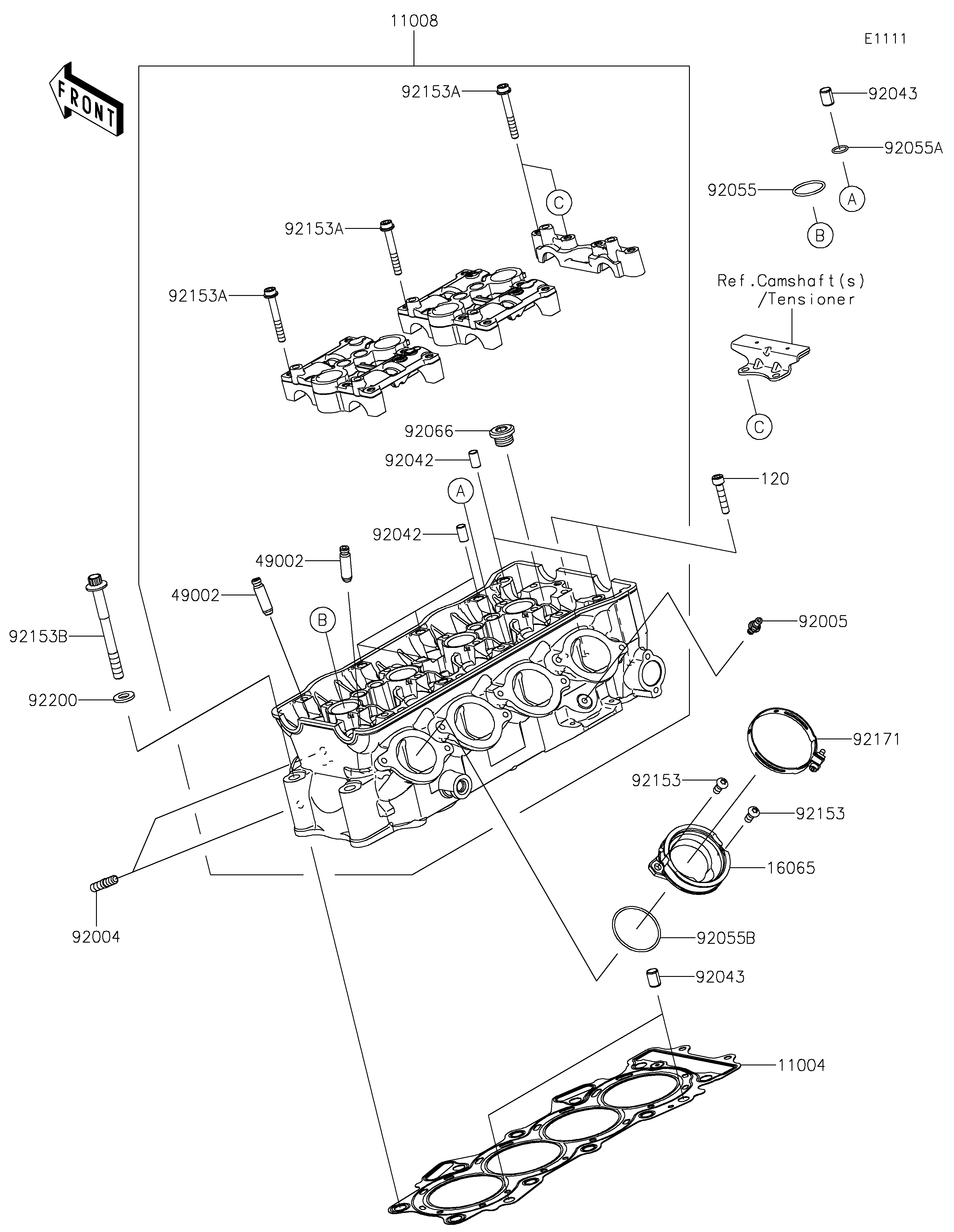
2026 NINJA® ZX™-6R ABS - Cylinder Head
11004
11008
16065
49002
49002
92004
92005
92042
92042
92043
92043
92055
92055A
92055B
92066
92153
92153
92153A
92153A
92153A
92153B
92171
92200
120
| ITEM NAME | REF # | PART NUMBER | QUANTITY | DESTINATION | REMARKS |
|---|---|---|---|---|---|
| GASKET-HEAD | 11004 | 11004-0736 | 1 | ||
| HEAD-COMP-CYLINDER | 11008 | 11008-1522 | 1 | ||
| HOLDER-CARBURETOR | 16065 | 16065-0067 | 4 | ||
| GUIDE-VALVE | 49002 | 49002-1152 | 16 | ||
| STUD | 92004 | 92004-0050 | 8 | ||
| FITTING | 92005 | 92005-1273 | 1 | ||
| PIN,DOWEL,6.3X8X14 | 92042 | 92042-007 | 6 | ||
| PIN,8.2X10X14 | 92043 | 92043-1264 | 6 | ||
| RING-O,25.5X2 | 92055 | 92055-0074 | 4 | ||
| RING-O,11.5X1.5 | 92055A | 92055-0133 | 4 | ||
| RING-O,42X1.9 | 92055B | 92055-1536 | 4 | ||
| PLUG,16X10 | 92066 | 92066-0129 | 4 | ||
| BOLT,TORX,6X14 | 92153 | 92153-0406 | 8 | ||
| BOLT,SOCKET,6X45 | 92153A | 92153-0656 | 20 | ||
| BOLT,FLANGED,9X90 | 92153B | 92153-1610 | 10 | ||
| CLAMP,60MM | 92171 | 92171-0729 | 4 | ||
| WASHER,9.2X19X2.3 | 92200 | 92200-0193 | 10 | ||
| BOLT-SOCKET,6X30 | 120 | 120CD0630 | 2 |
| GASKET-HEAD | |
| REF # | 11004 |
|---|---|
| PART NUMBER | |
| QUANTITY | 1 |
| DESTINATION | |
| REMARKS | |
| HEAD-COMP-CYLINDER | |
| REF # | 11008 |
|---|---|
| PART NUMBER | |
| QUANTITY | 1 |
| DESTINATION | |
| REMARKS | |
| HOLDER-CARBURETOR | |
| REF # | 16065 |
|---|---|
| PART NUMBER | |
| QUANTITY | 4 |
| DESTINATION | |
| REMARKS | |
| GUIDE-VALVE | |
| REF # | 49002 |
|---|---|
| PART NUMBER | |
| QUANTITY | 16 |
| DESTINATION | |
| REMARKS | |
| STUD | |
| REF # | 92004 |
|---|---|
| PART NUMBER | |
| QUANTITY | 8 |
| DESTINATION | |
| REMARKS | |
| FITTING | |
| REF # | 92005 |
|---|---|
| PART NUMBER | |
| QUANTITY | 1 |
| DESTINATION | |
| REMARKS | |
| PIN,DOWEL,6.3X8X14 | |
| REF # | 92042 |
|---|---|
| PART NUMBER | |
| QUANTITY | 6 |
| DESTINATION | |
| REMARKS | |
| PIN,8.2X10X14 | |
| REF # | 92043 |
|---|---|
| PART NUMBER | |
| QUANTITY | 6 |
| DESTINATION | |
| REMARKS | |
| RING-O,25.5X2 | |
| REF # | 92055 |
|---|---|
| PART NUMBER | |
| QUANTITY | 4 |
| DESTINATION | |
| REMARKS | |
| RING-O,11.5X1.5 | |
| REF # | 92055A |
|---|---|
| PART NUMBER | |
| QUANTITY | 4 |
| DESTINATION | |
| REMARKS | |
| RING-O,42X1.9 | |
| REF # | 92055B |
|---|---|
| PART NUMBER | |
| QUANTITY | 4 |
| DESTINATION | |
| REMARKS | |
| PLUG,16X10 | |
| REF # | 92066 |
|---|---|
| PART NUMBER | |
| QUANTITY | 4 |
| DESTINATION | |
| REMARKS | |
| BOLT,TORX,6X14 | |
| REF # | 92153 |
|---|---|
| PART NUMBER | |
| QUANTITY | 8 |
| DESTINATION | |
| REMARKS | |
| BOLT,SOCKET,6X45 | |
| REF # | 92153A |
|---|---|
| PART NUMBER | |
| QUANTITY | 20 |
| DESTINATION | |
| REMARKS | |
| BOLT,FLANGED,9X90 | |
| REF # | 92153B |
|---|---|
| PART NUMBER | |
| QUANTITY | 10 |
| DESTINATION | |
| REMARKS | |
| CLAMP,60MM | |
| REF # | 92171 |
|---|---|
| PART NUMBER | |
| QUANTITY | 4 |
| DESTINATION | |
| REMARKS | |
| WASHER,9.2X19X2.3 | |
| REF # | 92200 |
|---|---|
| PART NUMBER | |
| QUANTITY | 10 |
| DESTINATION | |
| REMARKS | |
| BOLT-SOCKET,6X30 | |
| REF # | 120 |
|---|---|
| PART NUMBER | |
| QUANTITY | 2 |
| DESTINATION | |
| REMARKS | |