main content of page
Parts Diagrams
OWNER CENTER |

Welcome, Kawasaki owners. Access the information and tools you need to get the most out of your vehicle.
OWNER CENTER |
Welcome, Kawasaki owners. Access the information and tools you need to get the most out of your vehicle.
Parts Diagrams |
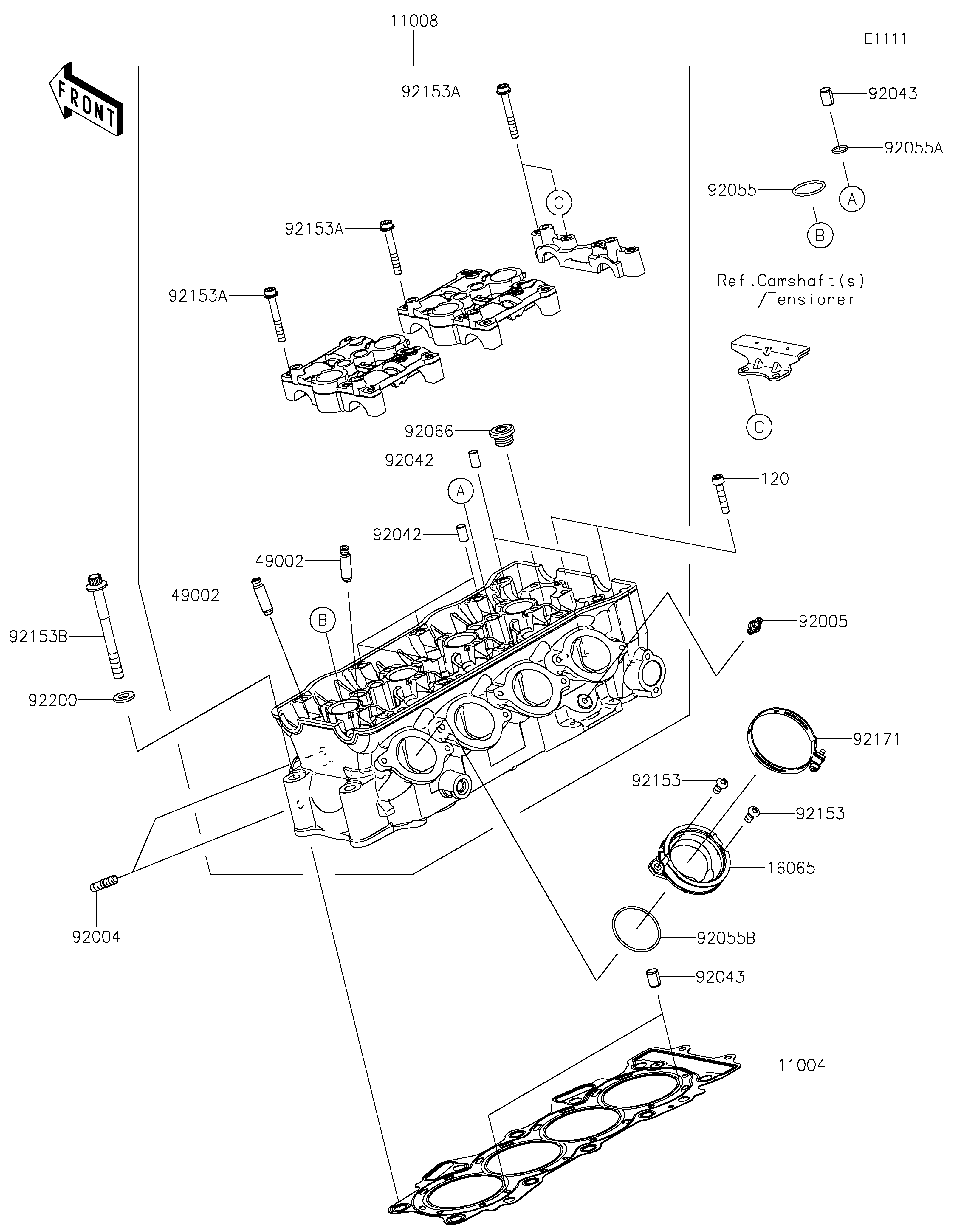
11004
11008
16065
49002
49002
92004
92005
92042
92042
92043
92043
92055
92055A
92055B
92066
92153
92153
92153A
92153A
92153A
92153B
92171
92200
120
ITEM NAME | REF # | PART NUMBER | QUANTITY | DESTINATION | REMARKS |
---|---|---|---|---|---|
GASKET-HEAD | 11004 | 11004-0736 | 1 | ||
HEAD-COMP-CYLINDER | 11008 | 11008-0762 | 1 | ||
HOLDER-CARBURETOR | 16065 | 16065-0067 | 4 | ||
GUIDE-VALVE | 49002 | 49002-1152 | 16 | ||
STUD | 92004 | 92004-0050 | 8 | ||
FITTING | 92005 | 92005-1273 | 1 | ||
PIN,DOWEL,6.3X8X14 | 92042 | 92042-007 | 6 | ||
PIN,8.2X10X14 | 92043 | 92043-1264 | 6 | ||
RING-O,25.5X2 | 92055 | 92055-0074 | 4 | ||
RING-O,11.5X1.5 | 92055A | 92055-0133 | 4 | ||
RING-O,42X1.9 | 92055B | 92055-1536 | 4 | ||
PLUG,16X10 | 92066 | 92066-0129 | 4 | ||
BOLT,TORX,6X14 | 92153 | 92153-0406 | 8 | ||
BOLT,SOCKET,6X45 | 92153A | 92153-0656 | 20 | ||
BOLT,FLANGED,9X90 | 92153B | 92153-1610 | 10 | ||
CLAMP,60MM | 92171 | 92171-0729 | 4 | ||
WASHER,9.2X19X2.3 | 92200 | 92200-0193 | 10 | ||
BOLT-SOCKET,6X30 | 120 | 120CD0630 | 2 |
GASKET-HEAD | |
REF # | 11004 |
---|---|
PART NUMBER | |
QUANTITY | 1 |
DESTINATION | |
REMARKS |
HEAD-COMP-CYLINDER | |
REF # | 11008 |
---|---|
PART NUMBER | |
QUANTITY | 1 |
DESTINATION | |
REMARKS |
HOLDER-CARBURETOR | |
REF # | 16065 |
---|---|
PART NUMBER | |
QUANTITY | 4 |
DESTINATION | |
REMARKS |
GUIDE-VALVE | |
REF # | 49002 |
---|---|
PART NUMBER | |
QUANTITY | 16 |
DESTINATION | |
REMARKS |
STUD | |
REF # | 92004 |
---|---|
PART NUMBER | |
QUANTITY | 8 |
DESTINATION | |
REMARKS |
FITTING | |
REF # | 92005 |
---|---|
PART NUMBER | |
QUANTITY | 1 |
DESTINATION | |
REMARKS |
PIN,DOWEL,6.3X8X14 | |
REF # | 92042 |
---|---|
PART NUMBER | |
QUANTITY | 6 |
DESTINATION | |
REMARKS |
PIN,8.2X10X14 | |
REF # | 92043 |
---|---|
PART NUMBER | |
QUANTITY | 6 |
DESTINATION | |
REMARKS |
RING-O,25.5X2 | |
REF # | 92055 |
---|---|
PART NUMBER | |
QUANTITY | 4 |
DESTINATION | |
REMARKS |
RING-O,11.5X1.5 | |
REF # | 92055A |
---|---|
PART NUMBER | |
QUANTITY | 4 |
DESTINATION | |
REMARKS |
RING-O,42X1.9 | |
REF # | 92055B |
---|---|
PART NUMBER | |
QUANTITY | 4 |
DESTINATION | |
REMARKS |
PLUG,16X10 | |
REF # | 92066 |
---|---|
PART NUMBER | |
QUANTITY | 4 |
DESTINATION | |
REMARKS |
BOLT,TORX,6X14 | |
REF # | 92153 |
---|---|
PART NUMBER | |
QUANTITY | 8 |
DESTINATION | |
REMARKS |
BOLT,SOCKET,6X45 | |
REF # | 92153A |
---|---|
PART NUMBER | |
QUANTITY | 20 |
DESTINATION | |
REMARKS |
BOLT,FLANGED,9X90 | |
REF # | 92153B |
---|---|
PART NUMBER | |
QUANTITY | 10 |
DESTINATION | |
REMARKS |
CLAMP,60MM | |
REF # | 92171 |
---|---|
PART NUMBER | |
QUANTITY | 4 |
DESTINATION | |
REMARKS |
WASHER,9.2X19X2.3 | |
REF # | 92200 |
---|---|
PART NUMBER | |
QUANTITY | 10 |
DESTINATION | |
REMARKS |
BOLT-SOCKET,6X30 | |
REF # | 120 |
---|---|
PART NUMBER | |
QUANTITY | 2 |
DESTINATION | |
REMARKS |