main content of page
Parts Diagrams
OWNER CENTER |
Welcome, Kawasaki owners. Access the information and tools you need to get the most out of your vehicle.
OWNER CENTER |
Welcome, Kawasaki owners. Access the information and tools you need to get the most out of your vehicle.
Parts Diagrams |
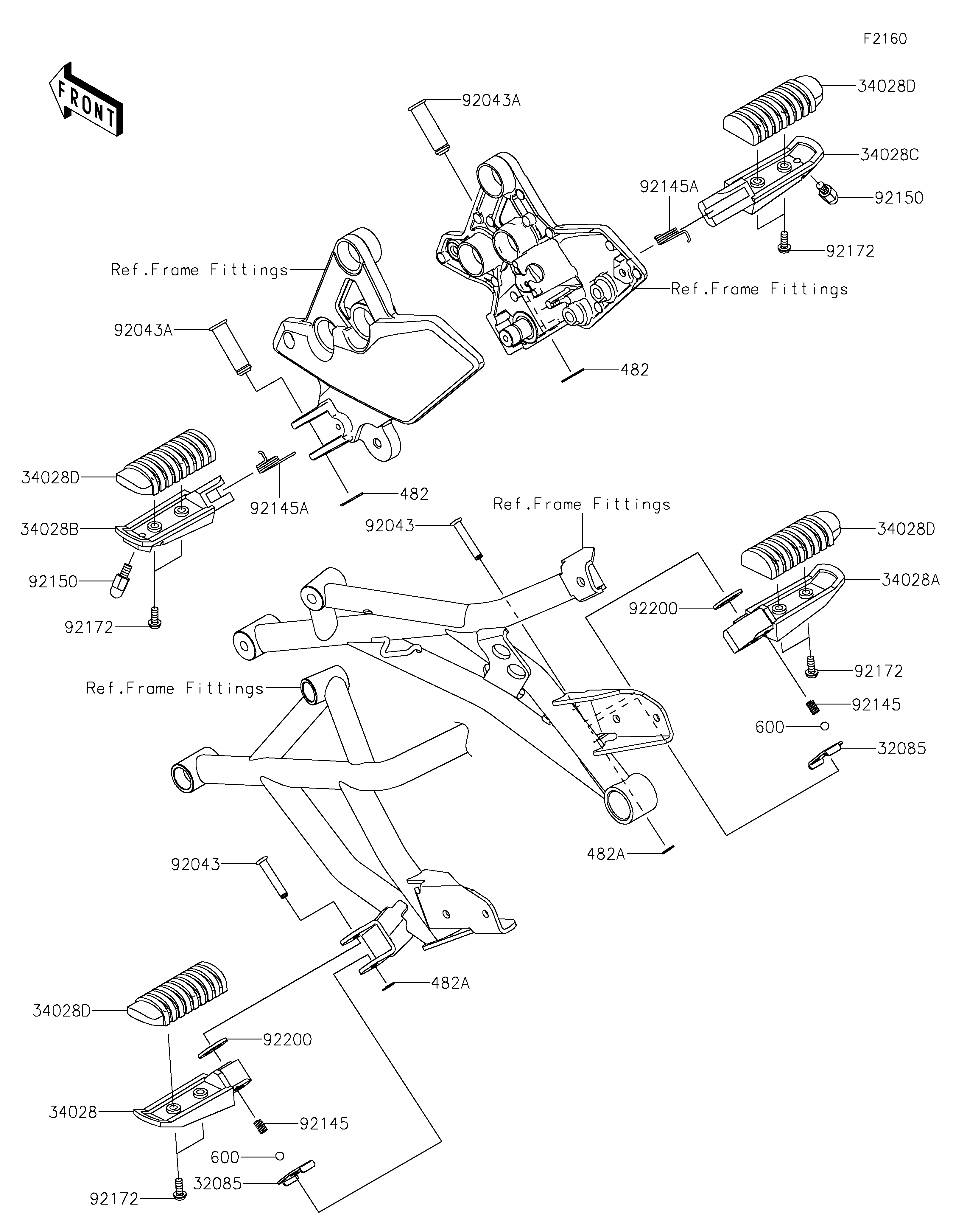
2026 Versys 1100 SE LT ABS - Footrests
32085
32085
34028
34028A
34028B
34028C
34028D
34028D
34028D
34028D
92043
92043
92043A
92043A
92145
92145
92145A
92145A
92150
92150
92172
92172
92172
92172
92200
92200
482
482
482A
482A
600
600
| ITEM NAME | REF # | PART NUMBER | QUANTITY | DESTINATION | REMARKS |
|---|---|---|---|---|---|
| STOPPER,REAR STEP | 32085 | 32085-0047 | 2 | ||
| STEP,RR,LH | 34028 | 34028-0314 | 1 | ||
| STEP,RR,RH | 34028A | 34028-0315 | 1 | ||
| STEP,FR,LH | 34028B | 34028-0352 | 1 | ||
| STEP,FR,RH | 34028C | 34028-0353 | 1 | ||
| STEP,RUBBER | 34028D | 34028-1430 | 4 | ||
| PIN,6X31.1 | 92043 | 92043-0742 | 2 | ||
| PIN,12X42.5 | 92043A | 92043-1594 | 2 | ||
| SPRING | 92145 | 92145-1319 | 2 | ||
| SPRING | 92145A | 92145-1828 | 2 | ||
| BOLT,BANK SENSOR | 92150 | 92150-1114 | 2 | ||
| SCREW,5X14 | 92172 | 92172-0976 | 8 | ||
| WASHER,16X26X2.3 | 92200 | 92200-0043 | 2 | ||
| CIRCLIP-TYPE-E,10MM | 482 | 482EA0100 | 2 | ||
| CIRCLIP-TYPE-E | 482A | 482EA5000 | 2 | ||
| BALL-STEEL,1/4 | 600 | 600A0800 | 2 |
| STOPPER,REAR STEP | |
| REF # | 32085 |
|---|---|
| PART NUMBER | |
| QUANTITY | 2 |
| DESTINATION | |
| REMARKS | |
| STEP,RR,LH | |
| REF # | 34028 |
|---|---|
| PART NUMBER | |
| QUANTITY | 1 |
| DESTINATION | |
| REMARKS | |
| STEP,RR,RH | |
| REF # | 34028A |
|---|---|
| PART NUMBER | |
| QUANTITY | 1 |
| DESTINATION | |
| REMARKS | |
| STEP,FR,LH | |
| REF # | 34028B |
|---|---|
| PART NUMBER | |
| QUANTITY | 1 |
| DESTINATION | |
| REMARKS | |
| STEP,FR,RH | |
| REF # | 34028C |
|---|---|
| PART NUMBER | |
| QUANTITY | 1 |
| DESTINATION | |
| REMARKS | |
| STEP,RUBBER | |
| REF # | 34028D |
|---|---|
| PART NUMBER | |
| QUANTITY | 4 |
| DESTINATION | |
| REMARKS | |
| PIN,6X31.1 | |
| REF # | 92043 |
|---|---|
| PART NUMBER | |
| QUANTITY | 2 |
| DESTINATION | |
| REMARKS | |
| PIN,12X42.5 | |
| REF # | 92043A |
|---|---|
| PART NUMBER | |
| QUANTITY | 2 |
| DESTINATION | |
| REMARKS | |
| SPRING | |
| REF # | 92145 |
|---|---|
| PART NUMBER | |
| QUANTITY | 2 |
| DESTINATION | |
| REMARKS | |
| SPRING | |
| REF # | 92145A |
|---|---|
| PART NUMBER | |
| QUANTITY | 2 |
| DESTINATION | |
| REMARKS | |
| BOLT,BANK SENSOR | |
| REF # | 92150 |
|---|---|
| PART NUMBER | |
| QUANTITY | 2 |
| DESTINATION | |
| REMARKS | |
| SCREW,5X14 | |
| REF # | 92172 |
|---|---|
| PART NUMBER | |
| QUANTITY | 8 |
| DESTINATION | |
| REMARKS | |
| WASHER,16X26X2.3 | |
| REF # | 92200 |
|---|---|
| PART NUMBER | |
| QUANTITY | 2 |
| DESTINATION | |
| REMARKS | |
| CIRCLIP-TYPE-E,10MM | |
| REF # | 482 |
|---|---|
| PART NUMBER | |
| QUANTITY | 2 |
| DESTINATION | |
| REMARKS | |
| CIRCLIP-TYPE-E | |
| REF # | 482A |
|---|---|
| PART NUMBER | |
| QUANTITY | 2 |
| DESTINATION | |
| REMARKS | |
| BALL-STEEL,1/4 | |
| REF # | 600 |
|---|---|
| PART NUMBER | |
| QUANTITY | 2 |
| DESTINATION | |
| REMARKS | |