main content of page
Parts Diagrams
OWNER CENTER |

Welcome, Kawasaki owners. Access the information and tools you need to get the most out of your vehicle.
OWNER CENTER |
Welcome, Kawasaki owners. Access the information and tools you need to get the most out of your vehicle.
Parts Diagrams |
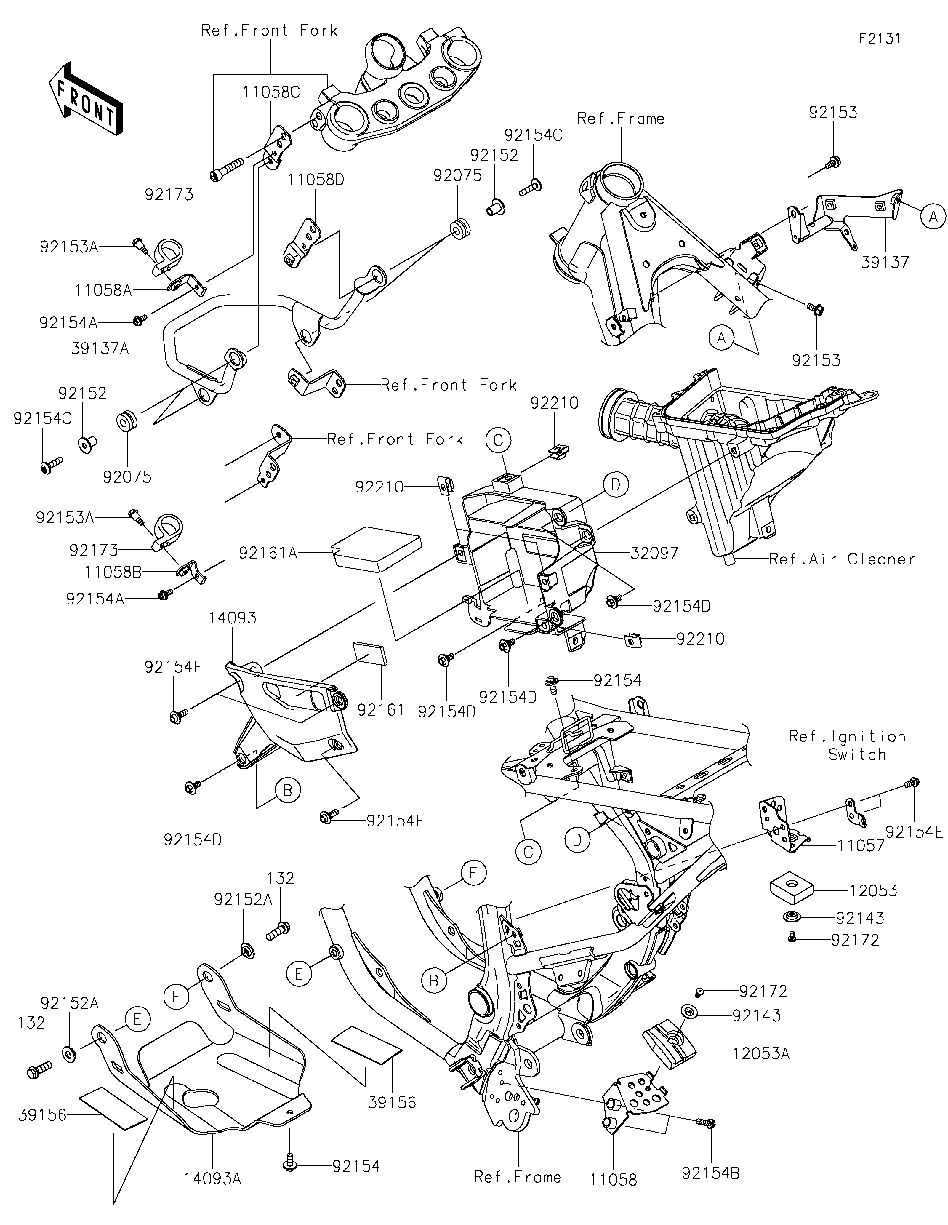
2026 KLX®230 SHERPA S ABS - Frame Fittings
11057
11058
11058A
11058B
11058C
11058D
12053
12053A
14093
14093A
32097
39137
39137A
39156
39156
92075
92075
92143
92143
92152
92152
92152A
92152A
92153
92153
92153A
92153A
92154
92154
92154A
92154A
92154B
92154C
92154C
92154D
92154D
92154D
92154D
92154E
92154F
92154F
92161
92161A
92172
92172
92173
92173
92210
92210
92210
132
132
ITEM NAME | REF # | PART NUMBER | QUANTITY | DESTINATION | REMARKS |
---|---|---|---|---|---|
BRACKET,UPP | 11057 | 11057-2067 | 1 | ||
BRACKET,LWR | 11058 | 11058-0854 | 1 | ||
BRACKET,UPP | 11058A | 11058-2292 | 1 | ||
BRACKET,LWR | 11058B | 11058-2293 | 1 | ||
BRACKET,UPP,LH | 11058C | 11058-4096 | 1 | ||
BRACKET,UPP,RH | 11058D | 11058-4097 | 1 | ||
GUIDE-CHAIN,UPP | 12053 | 12053-0270 | 1 | ||
GUIDE-CHAIN,LWR | 12053A | 12053-0271 | 1 | ||
COVER,BATTERY CASE | 14093 | 14093-1562 | 1 | ||
COVER,SKID PLATE | 14093A | 14093-1564 | 1 | ||
CASE-BATTERY | 32097 | 32097-0571 | 1 | ||
STAY-COMP,REGULATOR,F.W.SILVER | 39137 | 39137-0753-67Q | 1 | ||
STAY-COMP,HEAD LAMP,F.W.SILVER | 39137A | 39137-0781-67Q | 1 | ||
PAD,85X35X1 | 39156 | 39156-2976 | 2 | ||
DAMPER | 92075 | 92075-209 | 4 | ||
COLLAR | 92143 | 92143-1676 | 2 | ||
COLLAR | 92152 | 92152-0604 | 4 | ||
COLLAR | 92152A | 92152-3859 | 2 | ||
BOLT,FLANGED,6X12 | 92153 | 92153-1283 | 2 | ||
BOLT,FLANGED | 92153A | 92153-1397 | 2 | ||
BOLT,FLANGED-SMALL,6X16 | 92154 | 92154-1183 | 2 | ||
BOLT,FLANGED,5X12 | 92154A | 92154-1215 | 2 | ||
BOLT,FLANGED,6X20 | 92154B | 92154-2757 | 2 | ||
BOLT,SOCKET,6X25 | 92154C | 92154-4306 | 4 | ||
BOLT,FLANGED,6X13 | 92154D | 92154-4411 | 5 | ||
BOLT,FLANGED,6X12 | 92154E | 92154-7279 | 2 | ||
BOLT,FLANGED,6X14 | 92154F | 92154-7286 | 3 | ||
DAMPER,49X23X4 | 92161 | 92161-2536 | 1 | ||
DAMPER,BATTERY CASE | 92161A | 92161-2581 | 1 | ||
SCREW,5X8 | 92172 | 92172-1540 | 2 | ||
CLAMP | 92173 | 92173-2246 | 2 | ||
NUT,6MM | 92210 | 92210-0218 | 4 | ||
BOLT-FLANGED-SMALL,8X25 | 132 | 132BA0825 | 2 |
BRACKET,UPP | |
REF # | 11057 |
---|---|
PART NUMBER | |
QUANTITY | 1 |
DESTINATION | |
REMARKS |
BRACKET,LWR | |
REF # | 11058 |
---|---|
PART NUMBER | |
QUANTITY | 1 |
DESTINATION | |
REMARKS |
BRACKET,UPP | |
REF # | 11058A |
---|---|
PART NUMBER | |
QUANTITY | 1 |
DESTINATION | |
REMARKS |
BRACKET,LWR | |
REF # | 11058B |
---|---|
PART NUMBER | |
QUANTITY | 1 |
DESTINATION | |
REMARKS |
BRACKET,UPP,LH | |
REF # | 11058C |
---|---|
PART NUMBER | |
QUANTITY | 1 |
DESTINATION | |
REMARKS |
BRACKET,UPP,RH | |
REF # | 11058D |
---|---|
PART NUMBER | |
QUANTITY | 1 |
DESTINATION | |
REMARKS |
GUIDE-CHAIN,UPP | |
REF # | 12053 |
---|---|
PART NUMBER | |
QUANTITY | 1 |
DESTINATION | |
REMARKS |
GUIDE-CHAIN,LWR | |
REF # | 12053A |
---|---|
PART NUMBER | |
QUANTITY | 1 |
DESTINATION | |
REMARKS |
COVER,BATTERY CASE | |
REF # | 14093 |
---|---|
PART NUMBER | |
QUANTITY | 1 |
DESTINATION | |
REMARKS |
COVER,SKID PLATE | |
REF # | 14093A |
---|---|
PART NUMBER | |
QUANTITY | 1 |
DESTINATION | |
REMARKS |
CASE-BATTERY | |
REF # | 32097 |
---|---|
PART NUMBER | |
QUANTITY | 1 |
DESTINATION | |
REMARKS |
STAY-COMP,REGULATOR,F.W.SILVER | |
REF # | 39137 |
---|---|
PART NUMBER | |
QUANTITY | 1 |
DESTINATION | |
REMARKS |
STAY-COMP,HEAD LAMP,F.W.SILVER | |
REF # | 39137A |
---|---|
PART NUMBER | |
QUANTITY | 1 |
DESTINATION | |
REMARKS |
PAD,85X35X1 | |
REF # | 39156 |
---|---|
PART NUMBER | |
QUANTITY | 2 |
DESTINATION | |
REMARKS |
DAMPER | |
REF # | 92075 |
---|---|
PART NUMBER | |
QUANTITY | 4 |
DESTINATION | |
REMARKS |
COLLAR | |
REF # | 92143 |
---|---|
PART NUMBER | |
QUANTITY | 2 |
DESTINATION | |
REMARKS |
COLLAR | |
REF # | 92152 |
---|---|
PART NUMBER | |
QUANTITY | 4 |
DESTINATION | |
REMARKS |
COLLAR | |
REF # | 92152A |
---|---|
PART NUMBER | |
QUANTITY | 2 |
DESTINATION | |
REMARKS |
BOLT,FLANGED,6X12 | |
REF # | 92153 |
---|---|
PART NUMBER | |
QUANTITY | 2 |
DESTINATION | |
REMARKS |
BOLT,FLANGED | |
REF # | 92153A |
---|---|
PART NUMBER | |
QUANTITY | 2 |
DESTINATION | |
REMARKS |
BOLT,FLANGED-SMALL,6X16 | |
REF # | 92154 |
---|---|
PART NUMBER | |
QUANTITY | 2 |
DESTINATION | |
REMARKS |
BOLT,FLANGED,5X12 | |
REF # | 92154A |
---|---|
PART NUMBER | |
QUANTITY | 2 |
DESTINATION | |
REMARKS |
BOLT,FLANGED,6X20 | |
REF # | 92154B |
---|---|
PART NUMBER | |
QUANTITY | 2 |
DESTINATION | |
REMARKS |
BOLT,SOCKET,6X25 | |
REF # | 92154C |
---|---|
PART NUMBER | |
QUANTITY | 4 |
DESTINATION | |
REMARKS |
BOLT,FLANGED,6X13 | |
REF # | 92154D |
---|---|
PART NUMBER | |
QUANTITY | 5 |
DESTINATION | |
REMARKS |
BOLT,FLANGED,6X12 | |
REF # | 92154E |
---|---|
PART NUMBER | |
QUANTITY | 2 |
DESTINATION | |
REMARKS |
BOLT,FLANGED,6X14 | |
REF # | 92154F |
---|---|
PART NUMBER | |
QUANTITY | 3 |
DESTINATION | |
REMARKS |
DAMPER,49X23X4 | |
REF # | 92161 |
---|---|
PART NUMBER | |
QUANTITY | 1 |
DESTINATION | |
REMARKS |
DAMPER,BATTERY CASE | |
REF # | 92161A |
---|---|
PART NUMBER | |
QUANTITY | 1 |
DESTINATION | |
REMARKS |
SCREW,5X8 | |
REF # | 92172 |
---|---|
PART NUMBER | |
QUANTITY | 2 |
DESTINATION | |
REMARKS |
CLAMP | |
REF # | 92173 |
---|---|
PART NUMBER | |
QUANTITY | 2 |
DESTINATION | |
REMARKS |
NUT,6MM | |
REF # | 92210 |
---|---|
PART NUMBER | |
QUANTITY | 4 |
DESTINATION | |
REMARKS |
BOLT-FLANGED-SMALL,8X25 | |
REF # | 132 |
---|---|
PART NUMBER | |
QUANTITY | 2 |
DESTINATION | |
REMARKS |