main content of page
Parts Diagrams
OWNER CENTER |
Welcome, Kawasaki owners. Access the information and tools you need to get the most out of your vehicle.
OWNER CENTER |
Welcome, Kawasaki owners. Access the information and tools you need to get the most out of your vehicle.
Parts Diagrams |
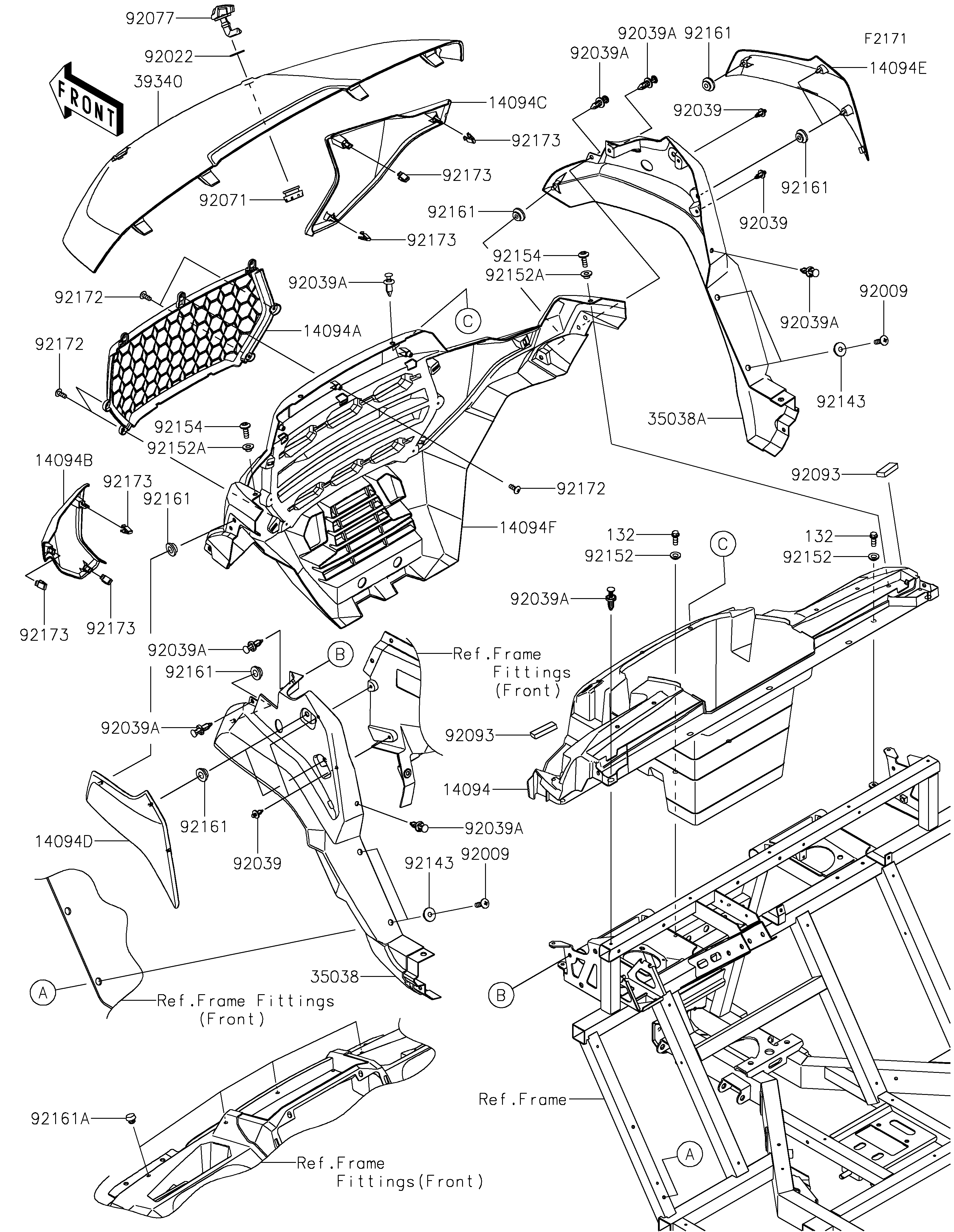
2025 NAV® 4e LIMITED - Front Fender(s)
14094
14094A
14094B
14094C
14094D
14094E
14094F
35038
35038A
39340
92009
92009
92022
92039
92039
92039
92039A
92039A
92039A
92039A
92039A
92039A
92039A
92039A
92071
92077
92093
92093
92143
92143
92152
92152
92152A
92152A
92154
92154
92161
92161
92161
92161
92161
92161
92161A
92172
92172
92172
92173
92173
92173
92173
92173
92173
132
132
| ITEM NAME | REF # | PART NUMBER | QUANTITY | DESTINATION | REMARKS |
|---|---|---|---|---|---|
| COVER,UNDER HOOD | 14094 | 14094-0044 | 1 | ||
| COVER,FR CENTER PANEL | 14094A | 14094-0067 | 1 | ||
| COVER,FR SIDE PANEL,LH,M.D.RED | 14094B | 14094-0104-75M | 1 | ||
| COVER,FR SIDE PANEL,RH,M.D.RED | 14094C | 14094-0105-75M | 1 | ||
| COVER,FR FLAP PANEL,LH,M.D.RED | 14094D | 14094-0106-75M | 1 | ||
| COVER,FR FLAP PANEL,RH,M.D.RED | 14094E | 14094-0107-75M | 1 | ||
| COVER,FR GUARD | 14094F | 14094-0214 | 1 | ||
| FENDER-FRONT,FLAP,LH | 35038 | 35038-0054 | 1 | ||
| FENDER-FRONT,FLAP,RH | 35038A | 35038-0055 | 1 | ||
| HOOD,FR,M.D.RED | 39340 | 39340-0004-75M | 1 | ||
| SCREW,6X20 | 92009 | 92009-3781 | 4 | ||
| WASHER,12.5X22X1.2 | 92022 | 92022-072 | 2 | ||
| RIVET | 92039 | 92039-0068 | 4 | ||
| RIVET | 92039A | 92039-0865 | 13 | ||
| GROMMET | 92071 | 92071-0746 | 2 | ||
| KNOB | 92077 | 92077-0033 | 2 | ||
| SEAL,56X20X10 | 92093 | 92093-0851 | 2 | ||
| COLLAR | 92143 | 92143-1962 | 4 | ||
| COLLAR,6.3X9.5X4.1 | 92152 | 92152-1571 | 4 | ||
| COLLAR | 92152A | 92152-3804 | 2 | ||
| BOLT,SOCKET,6X18 | 92154 | 92154-2438 | 2 | ||
| DAMPER | 92161 | 92161-1531 | 8 | ||
| DAMPER | 92161A | 92161-2524 | 4 | ||
| SCREW,TAPPING,5X14 | 92172 | 92172-0265 | 7 | ||
| CLAMP | 92173 | 92173-1423 | 6 | ||
| BOLT-FLANGED-SMALL,6X16 | 132 | 132BA0616 | 4 |
| COVER,UNDER HOOD | |
| REF # | 14094 |
|---|---|
| PART NUMBER | |
| QUANTITY | 1 |
| DESTINATION | |
| REMARKS | |
| COVER,FR CENTER PANEL | |
| REF # | 14094A |
|---|---|
| PART NUMBER | |
| QUANTITY | 1 |
| DESTINATION | |
| REMARKS | |
| COVER,FR SIDE PANEL,LH,M.D.RED | |
| REF # | 14094B |
|---|---|
| PART NUMBER | |
| QUANTITY | 1 |
| DESTINATION | |
| REMARKS | |
| COVER,FR SIDE PANEL,RH,M.D.RED | |
| REF # | 14094C |
|---|---|
| PART NUMBER | |
| QUANTITY | 1 |
| DESTINATION | |
| REMARKS | |
| COVER,FR FLAP PANEL,LH,M.D.RED | |
| REF # | 14094D |
|---|---|
| PART NUMBER | |
| QUANTITY | 1 |
| DESTINATION | |
| REMARKS | |
| COVER,FR FLAP PANEL,RH,M.D.RED | |
| REF # | 14094E |
|---|---|
| PART NUMBER | |
| QUANTITY | 1 |
| DESTINATION | |
| REMARKS | |
| COVER,FR GUARD | |
| REF # | 14094F |
|---|---|
| PART NUMBER | |
| QUANTITY | 1 |
| DESTINATION | |
| REMARKS | |
| FENDER-FRONT,FLAP,LH | |
| REF # | 35038 |
|---|---|
| PART NUMBER | |
| QUANTITY | 1 |
| DESTINATION | |
| REMARKS | |
| FENDER-FRONT,FLAP,RH | |
| REF # | 35038A |
|---|---|
| PART NUMBER | |
| QUANTITY | 1 |
| DESTINATION | |
| REMARKS | |
| HOOD,FR,M.D.RED | |
| REF # | 39340 |
|---|---|
| PART NUMBER | |
| QUANTITY | 1 |
| DESTINATION | |
| REMARKS | |
| SCREW,6X20 | |
| REF # | 92009 |
|---|---|
| PART NUMBER | |
| QUANTITY | 4 |
| DESTINATION | |
| REMARKS | |
| WASHER,12.5X22X1.2 | |
| REF # | 92022 |
|---|---|
| PART NUMBER | |
| QUANTITY | 2 |
| DESTINATION | |
| REMARKS | |
| RIVET | |
| REF # | 92039 |
|---|---|
| PART NUMBER | |
| QUANTITY | 4 |
| DESTINATION | |
| REMARKS | |
| RIVET | |
| REF # | 92039A |
|---|---|
| PART NUMBER | |
| QUANTITY | 13 |
| DESTINATION | |
| REMARKS | |
| GROMMET | |
| REF # | 92071 |
|---|---|
| PART NUMBER | |
| QUANTITY | 2 |
| DESTINATION | |
| REMARKS | |
| KNOB | |
| REF # | 92077 |
|---|---|
| PART NUMBER | |
| QUANTITY | 2 |
| DESTINATION | |
| REMARKS | |
| SEAL,56X20X10 | |
| REF # | 92093 |
|---|---|
| PART NUMBER | |
| QUANTITY | 2 |
| DESTINATION | |
| REMARKS | |
| COLLAR | |
| REF # | 92143 |
|---|---|
| PART NUMBER | |
| QUANTITY | 4 |
| DESTINATION | |
| REMARKS | |
| COLLAR,6.3X9.5X4.1 | |
| REF # | 92152 |
|---|---|
| PART NUMBER | |
| QUANTITY | 4 |
| DESTINATION | |
| REMARKS | |
| COLLAR | |
| REF # | 92152A |
|---|---|
| PART NUMBER | |
| QUANTITY | 2 |
| DESTINATION | |
| REMARKS | |
| BOLT,SOCKET,6X18 | |
| REF # | 92154 |
|---|---|
| PART NUMBER | |
| QUANTITY | 2 |
| DESTINATION | |
| REMARKS | |
| DAMPER | |
| REF # | 92161 |
|---|---|
| PART NUMBER | |
| QUANTITY | 8 |
| DESTINATION | |
| REMARKS | |
| DAMPER | |
| REF # | 92161A |
|---|---|
| PART NUMBER | |
| QUANTITY | 4 |
| DESTINATION | |
| REMARKS | |
| SCREW,TAPPING,5X14 | |
| REF # | 92172 |
|---|---|
| PART NUMBER | |
| QUANTITY | 7 |
| DESTINATION | |
| REMARKS | |
| CLAMP | |
| REF # | 92173 |
|---|---|
| PART NUMBER | |
| QUANTITY | 6 |
| DESTINATION | |
| REMARKS | |
| BOLT-FLANGED-SMALL,6X16 | |
| REF # | 132 |
|---|---|
| PART NUMBER | |
| QUANTITY | 4 |
| DESTINATION | |
| REMARKS | |