Skip to main content

Parts Diagrams

customer service agent speaking with a customer

Welcome, Kawasaki owners. Access the information and tools you need to get the most out of your vehicle.

Welcome, Kawasaki owners. Access the information and tools you need to get the most out of your vehicle.

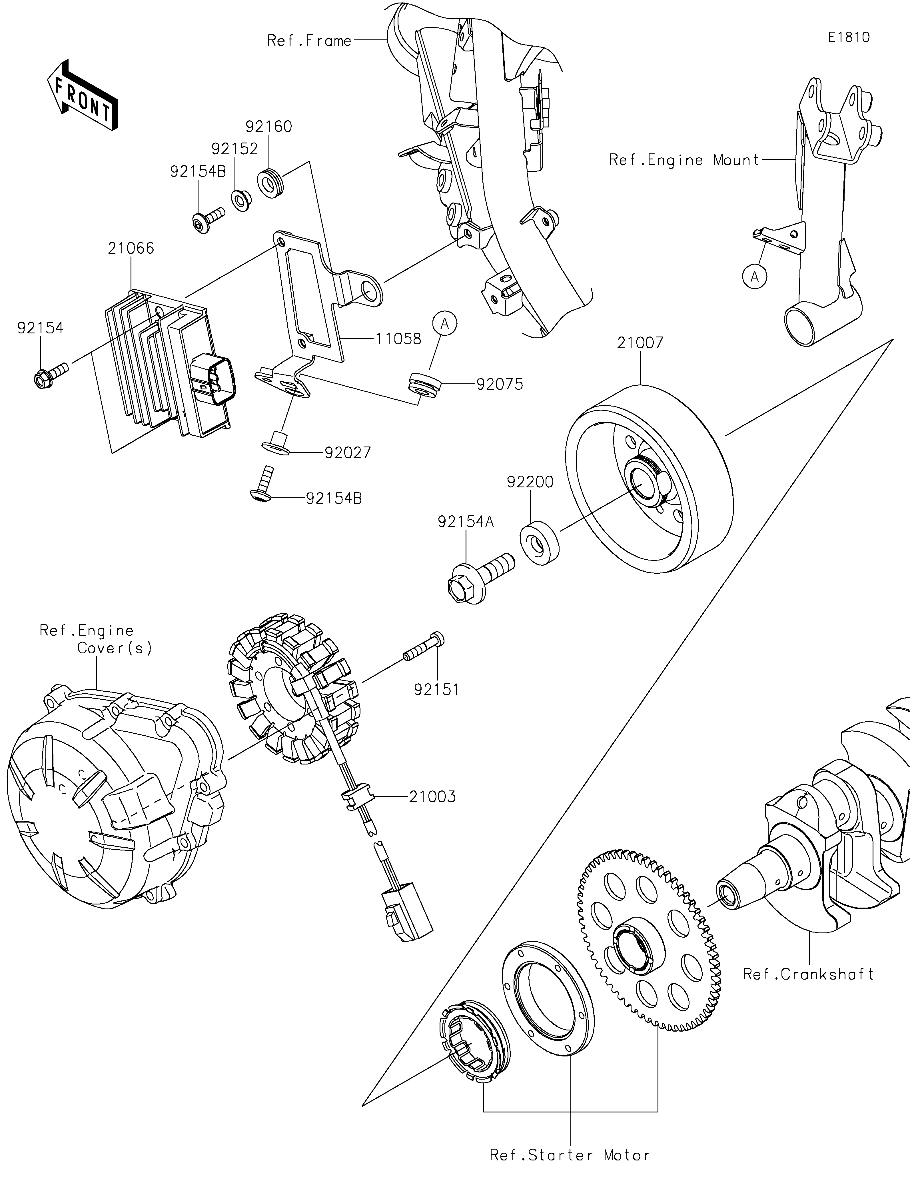
11058
21003
21007
21066
92027
92075
92151
92152
92154
92154A
92154B
92154B
92160
92200
Part Item Information
ITEM NAME REF # PART NUMBER QUANTITY DESTINATION REMARKS
BRACKET 11058 11058-1709 1
STATOR 21003 21003-0203 1
ROTOR 21007 21007-0691 1
REGULATOR-VOLTAGE 21066 21066-0753 1
COLLAR,FLANGED,L=12.1,BLACK 92027 92027-1651 1
DAMPER 92075 92075-277 1
BOLT,6X30 92151 92151-1626 4
COLLAR,6.5X16X7.3 92152 92152-2336 1
BOLT,FLANGED,6X20 92154 92154-0776 2
BOLT,FLANGED,12X40 92154A 92154-2650 1
BOLT,SOCKET,6X20 92154B 92154-4295 2
DAMPER 92160 92160-1278 1
WASHER,12X34X9 92200 92200-0369 1