main content of page
Parts Diagrams
OWNER CENTER |
Welcome, Kawasaki owners. Access the information and tools you need to get the most out of your vehicle.
OWNER CENTER |
Welcome, Kawasaki owners. Access the information and tools you need to get the most out of your vehicle.
Parts Diagrams |
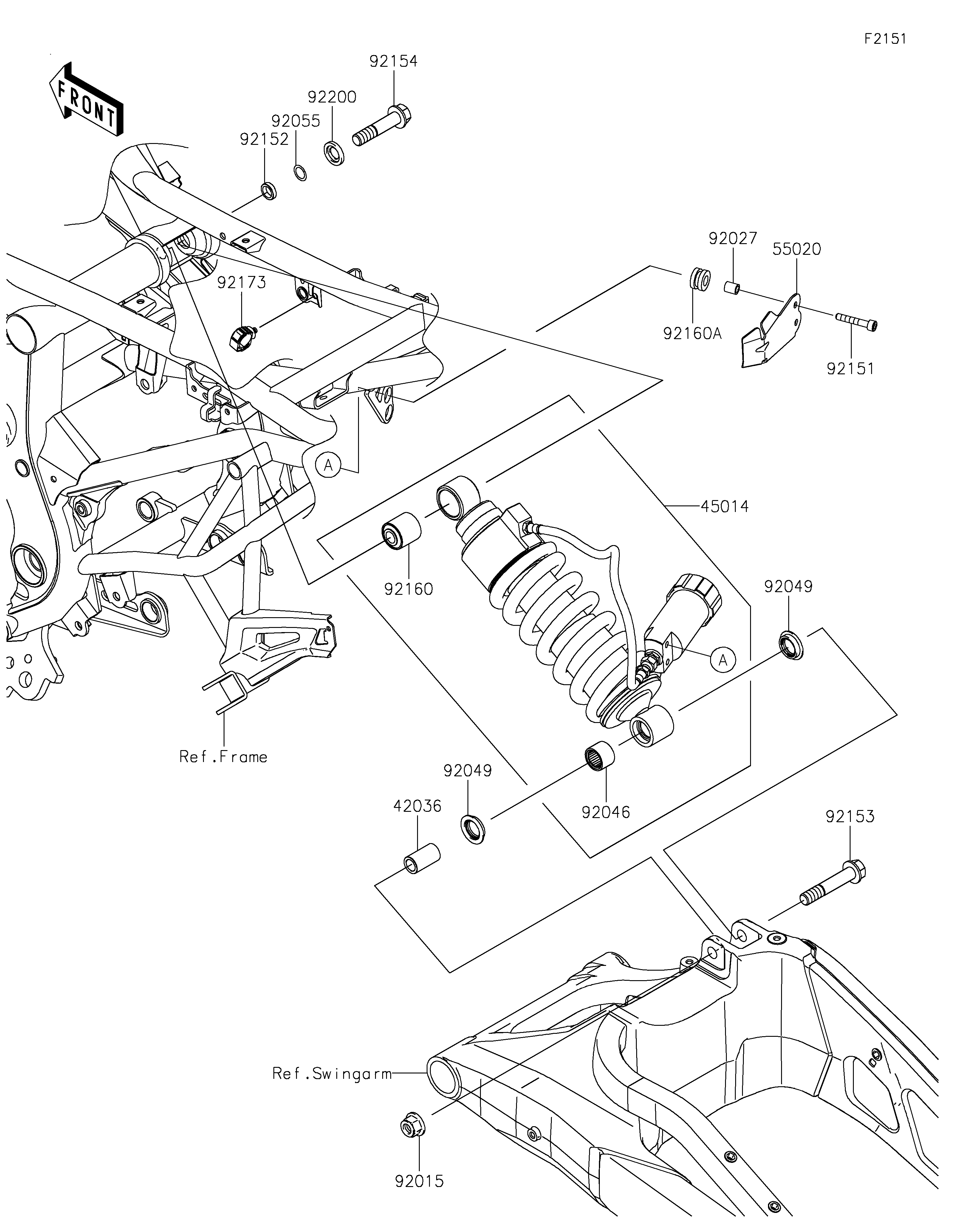
2026 Versys 650 - Suspension/Shock Absorber
42036
45014
55020
92015
92027
92046
92049
92049
92055
92151
92152
92153
92154
92160
92160A
92173
92200
| ITEM NAME | REF # | PART NUMBER | QUANTITY | DESTINATION | REMARKS |
|---|---|---|---|---|---|
| SLEEVE,12.1X18X32 | 42036 | 42036-0024 | 1 | ||
| SHOCKABSORBER,BLACK | 45014 | 45014-0722-10 | 1 | ||
| GUARD | 55020 | 55020-0977 | 1 | ||
| NUT,LOCK,FLANGED,12MM | 92015 | 92015-1433 | 1 | ||
| COLLAR,6.8X10X11.5 | 92027 | 92027-1210 | 2 | ||
| BEARING-NEEDLE,SFYZM182417 | 92046 | 92046-1272 | 1 | ||
| SEAL-OIL | 92049 | 92049-0133 | 2 | ||
| RING-O,11.8X2.4 | 92055 | 92055-0843 | 1 | ||
| BOLT,SOCKET,6X35 | 92151 | 92151-1390 | 2 | ||
| COLLAR,12.1X16.8X4.4 | 92152 | 92152-0811 | 1 | ||
| BOLT,FLANGED,12X65 | 92153 | 92153-1767 | 1 | ||
| BOLT,FLANGED,12X55 | 92154 | 92154-0289 | 1 | ||
| DAMPER,SHOCKABSORBER | 92160 | 92160-1161 | 1 | ||
| DAMPER,10X20X12 | 92160A | 92160-1167 | 2 | ||
| CLAMP,HOLDER CLIP | 92173 | 92173-0868 | 1 | ||
| WASHER,12.5X24X3.2 | 92200 | 92200-0519 | 1 |
| SLEEVE,12.1X18X32 | |
| REF # | 42036 |
|---|---|
| PART NUMBER | |
| QUANTITY | 1 |
| DESTINATION | |
| REMARKS | |
| SHOCKABSORBER,BLACK | |
| REF # | 45014 |
|---|---|
| PART NUMBER | |
| QUANTITY | 1 |
| DESTINATION | |
| REMARKS | |
| GUARD | |
| REF # | 55020 |
|---|---|
| PART NUMBER | |
| QUANTITY | 1 |
| DESTINATION | |
| REMARKS | |
| NUT,LOCK,FLANGED,12MM | |
| REF # | 92015 |
|---|---|
| PART NUMBER | |
| QUANTITY | 1 |
| DESTINATION | |
| REMARKS | |
| COLLAR,6.8X10X11.5 | |
| REF # | 92027 |
|---|---|
| PART NUMBER | |
| QUANTITY | 2 |
| DESTINATION | |
| REMARKS | |
| BEARING-NEEDLE,SFYZM182417 | |
| REF # | 92046 |
|---|---|
| PART NUMBER | |
| QUANTITY | 1 |
| DESTINATION | |
| REMARKS | |
| SEAL-OIL | |
| REF # | 92049 |
|---|---|
| PART NUMBER | |
| QUANTITY | 2 |
| DESTINATION | |
| REMARKS | |
| RING-O,11.8X2.4 | |
| REF # | 92055 |
|---|---|
| PART NUMBER | |
| QUANTITY | 1 |
| DESTINATION | |
| REMARKS | |
| BOLT,SOCKET,6X35 | |
| REF # | 92151 |
|---|---|
| PART NUMBER | |
| QUANTITY | 2 |
| DESTINATION | |
| REMARKS | |
| COLLAR,12.1X16.8X4.4 | |
| REF # | 92152 |
|---|---|
| PART NUMBER | |
| QUANTITY | 1 |
| DESTINATION | |
| REMARKS | |
| BOLT,FLANGED,12X65 | |
| REF # | 92153 |
|---|---|
| PART NUMBER | |
| QUANTITY | 1 |
| DESTINATION | |
| REMARKS | |
| BOLT,FLANGED,12X55 | |
| REF # | 92154 |
|---|---|
| PART NUMBER | |
| QUANTITY | 1 |
| DESTINATION | |
| REMARKS | |
| DAMPER,SHOCKABSORBER | |
| REF # | 92160 |
|---|---|
| PART NUMBER | |
| QUANTITY | 1 |
| DESTINATION | |
| REMARKS | |
| DAMPER,10X20X12 | |
| REF # | 92160A |
|---|---|
| PART NUMBER | |
| QUANTITY | 2 |
| DESTINATION | |
| REMARKS | |
| CLAMP,HOLDER CLIP | |
| REF # | 92173 |
|---|---|
| PART NUMBER | |
| QUANTITY | 1 |
| DESTINATION | |
| REMARKS | |
| WASHER,12.5X24X3.2 | |
| REF # | 92200 |
|---|---|
| PART NUMBER | |
| QUANTITY | 1 |
| DESTINATION | |
| REMARKS | |