main content of page
Parts Diagrams
OWNER CENTER |
Welcome, Kawasaki owners. Access the information and tools you need to get the most out of your vehicle.
OWNER CENTER |
Welcome, Kawasaki owners. Access the information and tools you need to get the most out of your vehicle.
Parts Diagrams |
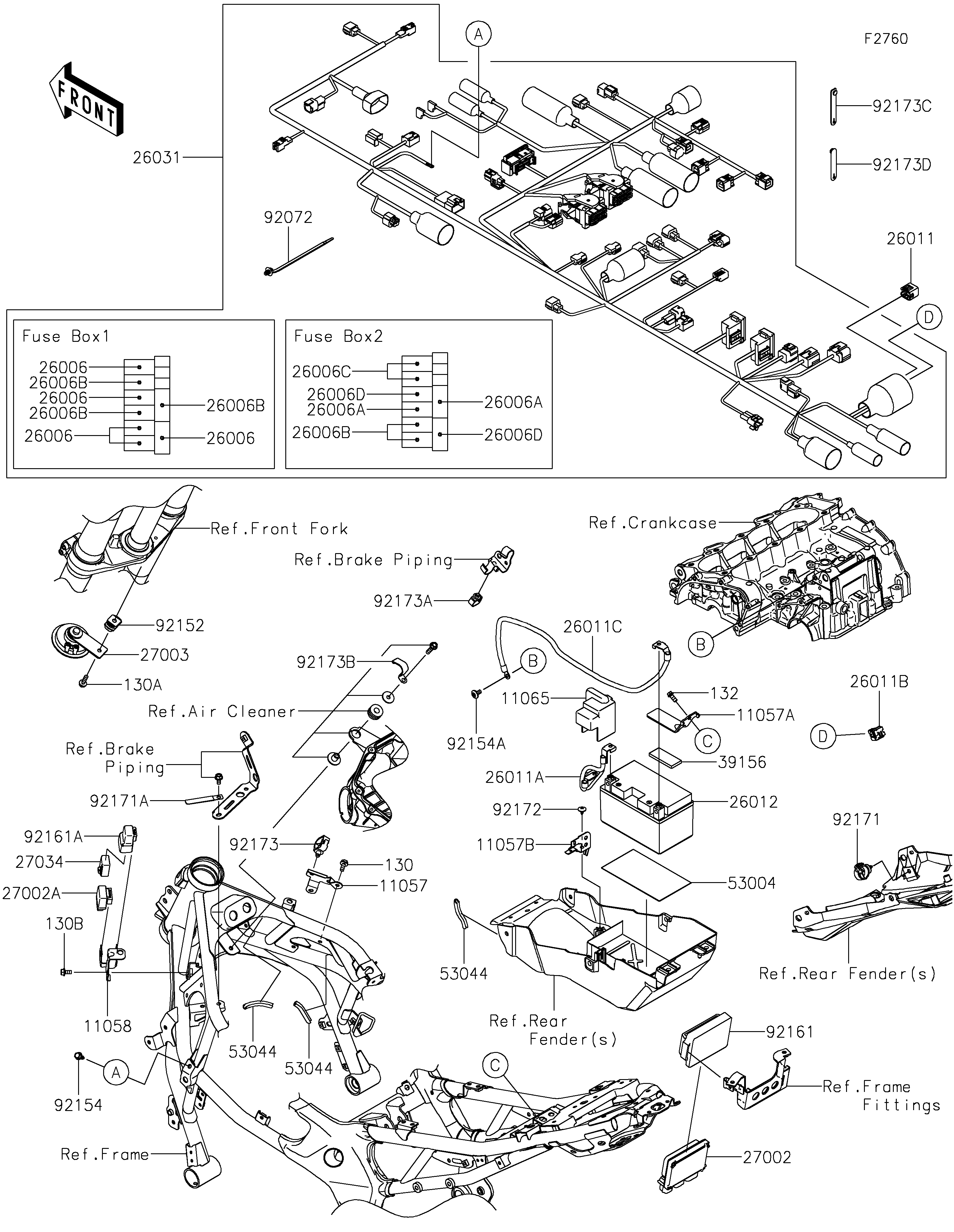
2025 NINJA® ZX™-4RR KRT EDITION ABS - Chassis Electrical Equipment
11057
11057
11057A
11057A
11057B
11057B
11058
11058
11065
11065
26006
26006
26006
26006
26006
26006
26006
26006
26006A
26006A
26006A
26006A
26006B
26006B
26006B
26006B
26006B
26006B
26006B
26006B
26006C
26006C
26006D
26006D
26006D
26006D
26011
26011
26011A
26011A
26011B
26011B
26011C
26011C
26012
26012
26031
26031
27002
27002
27002A
27002A
27003
27003
27034
27034
39156
39156
53004
53004
53044
53044
53044
53044
53044
53044
92072
92072
92152
92152
92154
92154
92154A
92154A
92161
92161
92161A
92161A
92171
92171
92171A
92171A
92172
92172
92173
92173
92173A
92173A
92173B
92173B
92173C
92173C
92173D
92173D
130
130
130A
130A
130B
130B
132
132
| ITEM NAME | REF # | PART NUMBER | QUANTITY | DESTINATION | REMARKS |
|---|---|---|---|---|---|
| BRACKET,FRAME,RH | 11057 | 11057-2877 | 1 | ||
| BRACKET,BATTERY MOUNT | 11057A | 11057-2926 | 1 | ||
| BRACKET,RR FENDER | 11057B | 11057-7041 | 1 | ||
| BRACKET,RELAY | 11058 | 11058-0349 | 1 | ||
| CAP,MAGNETIC SWITCH | 11065 | 11065-1352 | 1 | ||
| FUSE,MINI BLADE,15A,BLUE | 26006 | 26006-0001 | 5 | ||
| FUSE,MINI BLADE,5A,TAN | 26006A | 26006-1077 | 2 | ||
| FUSE,MINI BLADE,10A,RED | 26006B | 26006-1078 | 5 | ||
| FUSE,MINI BLADE,20A,YELLOW | 26006C | 26006-1079 | 2 | ||
| FUSE,MINI BLADE,30A,GREEN | 26006D | 26006-1080 | 2 | ||
| WIRE-LEAD,CONNECTOR COVER | 26011 | 26011-0275 | 1 | ||
| WIRE-LEAD,BATTERY(+) | 26011A | 26011-1896 | 1 | ||
| WIRE-LEAD,DIAG CONNECTOR | 26011B | 26011-1901 | 1 | ||
| WIRE-LEAD,BATTERY(-) | 26011C | 26011-2425 | 1 | ||
| BATTERY,YTZ10,12V 8.6AH | 26012 | 26012-1606 | 1 | ||
| HARNESS,MAIN | 26031 | 26031-4113 | 1 | ||
| RELAY-ASSY | 27002 | 27002-0061 | 1 | ||
| RELAY-ASSY,SIGNAL LAMP | 27002A | 27002-0068 | 1 | ||
| HORN | 27003 | 27003-0124 | 1 | ||
| RELAY | 27034 | 27034-0012 | 1 | ||
| PAD,56X25X5 | 39156 | 39156-2808 | 1 | ||
| MAT,BATTERY | 53004 | 53004-0560 | 1 | ||
| TRIM | 53044 | 53044-0565 | 3 | ||
| BAND,OS170-FT7(BLACK) | 92072 | 92072-1414 | AR | ||
| COLLAR | 92152 | 92152-2657 | 1 | ||
| BOLT,FLANGED,6X16 | 92154 | 92154-0551 | 1 | ||
| BOLT,SOCKET,6X12 | 92154A | 92154-2355 | 1 | ||
| DAMPER,RELAY BOX | 92161 | 92161-0203 | 1 | ||
| DAMPER | 92161A | 92161-2290 | 1 | ||
| CLAMP,CLIP,DIA=20 | 92171 | 92171-0068 | 1 | ||
| CLAMP,L=60 | 92171A | 92171-0652 | 1 | ||
| SCREW,TAPPING,6X12 | 92172 | 92172-0003 | 1 | ||
| CLAMP | 92173 | 92173-0861 | 1 | ||
| CLAMP,HOLDER CLIP | 92173A | 92173-0868 | 1 | ||
| CLAMP | 92173B | 92173-1549 | 1 | ||
| CLAMP | 92173C | 92173-2194 | 1 | ||
| CLAMP | 92173D | 92173-2199 | 2 | ||
| BOLT-FLANGED,6X14 | 130 | 130BA0614 | 2 | ||
| BOLT-FLANGED,6X20 | 130A | 130BA0620 | 1 | ||
| BOLT-FLANGED,6X12 | 130B | 130CA0612 | 1 | ||
| BOLT-FLANGED-SMALL,6X14 | 132 | 132BC0614 | 1 |
| BRACKET,FRAME,RH | |
| REF # | 11057 |
|---|---|
| PART NUMBER | |
| QUANTITY | 1 |
| DESTINATION | |
| REMARKS | |
| BRACKET,BATTERY MOUNT | |
| REF # | 11057A |
|---|---|
| PART NUMBER | |
| QUANTITY | 1 |
| DESTINATION | |
| REMARKS | |
| BRACKET,RR FENDER | |
| REF # | 11057B |
|---|---|
| PART NUMBER | |
| QUANTITY | 1 |
| DESTINATION | |
| REMARKS | |
| BRACKET,RELAY | |
| REF # | 11058 |
|---|---|
| PART NUMBER | |
| QUANTITY | 1 |
| DESTINATION | |
| REMARKS | |
| CAP,MAGNETIC SWITCH | |
| REF # | 11065 |
|---|---|
| PART NUMBER | |
| QUANTITY | 1 |
| DESTINATION | |
| REMARKS | |
| FUSE,MINI BLADE,15A,BLUE | |
| REF # | 26006 |
|---|---|
| PART NUMBER | |
| QUANTITY | 5 |
| DESTINATION | |
| REMARKS | |
| FUSE,MINI BLADE,5A,TAN | |
| REF # | 26006A |
|---|---|
| PART NUMBER | |
| QUANTITY | 2 |
| DESTINATION | |
| REMARKS | |
| FUSE,MINI BLADE,10A,RED | |
| REF # | 26006B |
|---|---|
| PART NUMBER | |
| QUANTITY | 5 |
| DESTINATION | |
| REMARKS | |
| FUSE,MINI BLADE,20A,YELLOW | |
| REF # | 26006C |
|---|---|
| PART NUMBER | |
| QUANTITY | 2 |
| DESTINATION | |
| REMARKS | |
| FUSE,MINI BLADE,30A,GREEN | |
| REF # | 26006D |
|---|---|
| PART NUMBER | |
| QUANTITY | 2 |
| DESTINATION | |
| REMARKS | |
| WIRE-LEAD,CONNECTOR COVER | |
| REF # | 26011 |
|---|---|
| PART NUMBER | |
| QUANTITY | 1 |
| DESTINATION | |
| REMARKS | |
| WIRE-LEAD,BATTERY(+) | |
| REF # | 26011A |
|---|---|
| PART NUMBER | |
| QUANTITY | 1 |
| DESTINATION | |
| REMARKS | |
| WIRE-LEAD,DIAG CONNECTOR | |
| REF # | 26011B |
|---|---|
| PART NUMBER | |
| QUANTITY | 1 |
| DESTINATION | |
| REMARKS | |
| WIRE-LEAD,BATTERY(-) | |
| REF # | 26011C |
|---|---|
| PART NUMBER | |
| QUANTITY | 1 |
| DESTINATION | |
| REMARKS | |
| BATTERY,YTZ10,12V 8.6AH | |
| REF # | 26012 |
|---|---|
| PART NUMBER | |
| QUANTITY | 1 |
| DESTINATION | |
| REMARKS | |
| HARNESS,MAIN | |
| REF # | 26031 |
|---|---|
| PART NUMBER | |
| QUANTITY | 1 |
| DESTINATION | |
| REMARKS | |
| RELAY-ASSY | |
| REF # | 27002 |
|---|---|
| PART NUMBER | |
| QUANTITY | 1 |
| DESTINATION | |
| REMARKS | |
| RELAY-ASSY,SIGNAL LAMP | |
| REF # | 27002A |
|---|---|
| PART NUMBER | |
| QUANTITY | 1 |
| DESTINATION | |
| REMARKS | |
| HORN | |
| REF # | 27003 |
|---|---|
| PART NUMBER | |
| QUANTITY | 1 |
| DESTINATION | |
| REMARKS | |
| RELAY | |
| REF # | 27034 |
|---|---|
| PART NUMBER | |
| QUANTITY | 1 |
| DESTINATION | |
| REMARKS | |
| PAD,56X25X5 | |
| REF # | 39156 |
|---|---|
| PART NUMBER | |
| QUANTITY | 1 |
| DESTINATION | |
| REMARKS | |
| MAT,BATTERY | |
| REF # | 53004 |
|---|---|
| PART NUMBER | |
| QUANTITY | 1 |
| DESTINATION | |
| REMARKS | |
| TRIM | |
| REF # | 53044 |
|---|---|
| PART NUMBER | |
| QUANTITY | 3 |
| DESTINATION | |
| REMARKS | |
| BAND,OS170-FT7(BLACK) | |
| REF # | 92072 |
|---|---|
| PART NUMBER | |
| QUANTITY | AR |
| DESTINATION | |
| REMARKS | |
| COLLAR | |
| REF # | 92152 |
|---|---|
| PART NUMBER | |
| QUANTITY | 1 |
| DESTINATION | |
| REMARKS | |
| BOLT,FLANGED,6X16 | |
| REF # | 92154 |
|---|---|
| PART NUMBER | |
| QUANTITY | 1 |
| DESTINATION | |
| REMARKS | |
| BOLT,SOCKET,6X12 | |
| REF # | 92154A |
|---|---|
| PART NUMBER | |
| QUANTITY | 1 |
| DESTINATION | |
| REMARKS | |
| DAMPER,RELAY BOX | |
| REF # | 92161 |
|---|---|
| PART NUMBER | |
| QUANTITY | 1 |
| DESTINATION | |
| REMARKS | |
| DAMPER | |
| REF # | 92161A |
|---|---|
| PART NUMBER | |
| QUANTITY | 1 |
| DESTINATION | |
| REMARKS | |
| CLAMP,CLIP,DIA=20 | |
| REF # | 92171 |
|---|---|
| PART NUMBER | |
| QUANTITY | 1 |
| DESTINATION | |
| REMARKS | |
| CLAMP,L=60 | |
| REF # | 92171A |
|---|---|
| PART NUMBER | |
| QUANTITY | 1 |
| DESTINATION | |
| REMARKS | |
| SCREW,TAPPING,6X12 | |
| REF # | 92172 |
|---|---|
| PART NUMBER | |
| QUANTITY | 1 |
| DESTINATION | |
| REMARKS | |
| CLAMP | |
| REF # | 92173 |
|---|---|
| PART NUMBER | |
| QUANTITY | 1 |
| DESTINATION | |
| REMARKS | |
| CLAMP,HOLDER CLIP | |
| REF # | 92173A |
|---|---|
| PART NUMBER | |
| QUANTITY | 1 |
| DESTINATION | |
| REMARKS | |
| CLAMP | |
| REF # | 92173B |
|---|---|
| PART NUMBER | |
| QUANTITY | 1 |
| DESTINATION | |
| REMARKS | |
| CLAMP | |
| REF # | 92173C |
|---|---|
| PART NUMBER | |
| QUANTITY | 1 |
| DESTINATION | |
| REMARKS | |
| CLAMP | |
| REF # | 92173D |
|---|---|
| PART NUMBER | |
| QUANTITY | 2 |
| DESTINATION | |
| REMARKS | |
| BOLT-FLANGED,6X14 | |
| REF # | 130 |
|---|---|
| PART NUMBER | |
| QUANTITY | 2 |
| DESTINATION | |
| REMARKS | |
| BOLT-FLANGED,6X20 | |
| REF # | 130A |
|---|---|
| PART NUMBER | |
| QUANTITY | 1 |
| DESTINATION | |
| REMARKS | |
| BOLT-FLANGED,6X12 | |
| REF # | 130B |
|---|---|
| PART NUMBER | |
| QUANTITY | 1 |
| DESTINATION | |
| REMARKS | |
| BOLT-FLANGED-SMALL,6X14 | |
| REF # | 132 |
|---|---|
| PART NUMBER | |
| QUANTITY | 1 |
| DESTINATION | |
| REMARKS | |