main content of page
Parts Diagrams
OWNER CENTER |
Welcome, Kawasaki owners. Access the information and tools you need to get the most out of your vehicle.
OWNER CENTER |
Welcome, Kawasaki owners. Access the information and tools you need to get the most out of your vehicle.
Parts Diagrams |
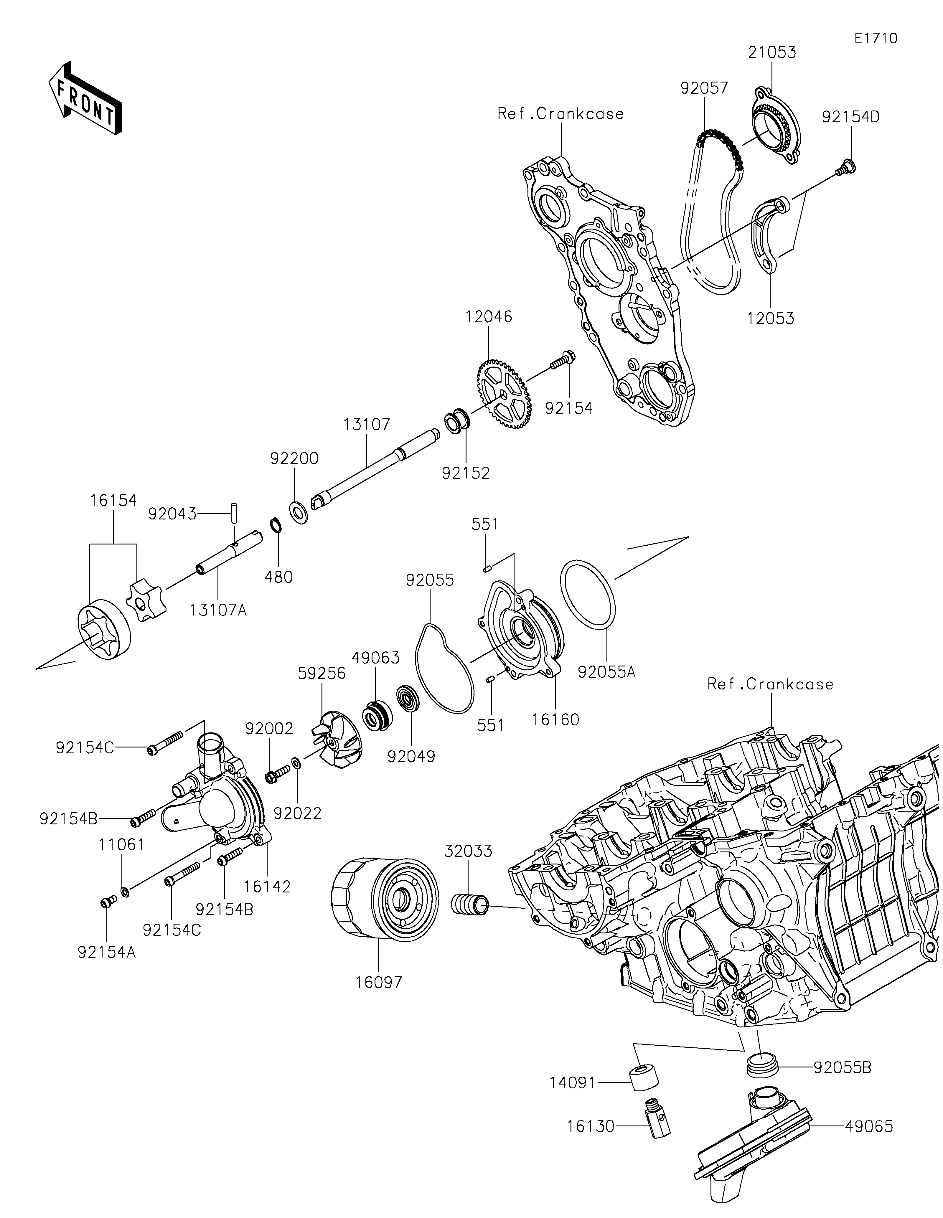
2026 NINJA H2® SX SE ABS - Oil Pump/Oil Filter
11061
12046
12053
13107
13107A
14091
16097
16130
16142
16154
16160
21053
32033
49063
49065
59256
92002
92022
92043
92049
92055
92055A
92055B
92057
92152
92154
92154A
92154B
92154B
92154C
92154C
92154D
92200
480
551
551
| ITEM NAME | REF # | PART NUMBER | QUANTITY | DESTINATION | REMARKS |
|---|---|---|---|---|---|
| GASKET | 11061 | 11061-0107 | 1 | ||
| SPROCKET,PUMP DRIVEN,39T | 12046 | 12046-0602 | 1 | ||
| GUIDE-CHAIN | 12053 | 12053-0302 | 1 | ||
| SHAFT,RH | 13107 | 13107-0809 | 1 | ||
| SHAFT,LH | 13107A | 13107-0810 | 1 | ||
| COVER,VALVE | 14091 | 14091-0497 | 1 | ||
| FILTER-ASSY-OIL | 16097 | 16097-0009 | 1 | ||
| VALVE-ASSY-RELIEF | 16130 | 16130-0005 | 1 | ||
| COVER-PUMP,WATER | 16142 | 16142-0733 | 1 | ||
| ROTOR-PUMP,OIL | 16154 | 16154-0723 | 1 | ||
| BODY,WATER PUMP | 16160 | 16160-0799 | 1 | ||
| SPROCKET-ASSY,PUMP DRIVE,27T | 21053 | 21053-0009 | 1 | ||
| PIPE,OIL FILTER | 32033 | 32033-1535 | 1 | ||
| SEAL-MECHANICAL | 49063 | 49063-1055 | 1 | ||
| FILTER-OIL | 49065 | 49065-0037 | 1 | ||
| IMPELLER | 59256 | 59256-0011 | 1 | ||
| BOLT,6X22 | 92002 | 92002-1154 | 1 | ||
| WASHER,6.1X12X1 | 92022 | 92022-077 | 1 | ||
| PIN,5X21.8 | 92043 | 92043-1518 | 1 | ||
| SEAL-OIL | 92049 | 92049-0778 | 1 | ||
| RING-O,WATER PUMP | 92055 | 92055-0208 | 1 | ||
| RING-O,68.2X2.4 | 92055A | 92055-1338 | 1 | ||
| RING-O,OIL FILTER | 92055B | 92055-1503 | 1 | ||
| CHAIN,92RH2005-76M | 92057 | 92057-0635 | 1 | ||
| COLLAR | 92152 | 92152-1935 | 1 | ||
| BOLT,FLANGED,6X22 | 92154 | 92154-0387 | 1 | ||
| BOLT,SOCKET,6X12 | 92154A | 92154-1453 | 1 | ||
| BOLT,SOCKET,6X25 | 92154B | 92154-1457 | 2 | ||
| BOLT,SOCKET,6X40 | 92154C | 92154-1459 | 2 | ||
| BOLT | 92154D | 92154-1651 | 2 | ||
| WASHER,13X24X2 | 92200 | 92200-0451 | 1 | ||
| CIRCLIP-TYPE-C,13MM | 480 | 480J1300 | 1 | ||
| PIN-DOWEL,4X8 | 551 | 551A0408 | 2 |
| GASKET | |
| REF # | 11061 |
|---|---|
| PART NUMBER | |
| QUANTITY | 1 |
| DESTINATION | |
| REMARKS | |
| SPROCKET,PUMP DRIVEN,39T | |
| REF # | 12046 |
|---|---|
| PART NUMBER | |
| QUANTITY | 1 |
| DESTINATION | |
| REMARKS | |
| GUIDE-CHAIN | |
| REF # | 12053 |
|---|---|
| PART NUMBER | |
| QUANTITY | 1 |
| DESTINATION | |
| REMARKS | |
| SHAFT,RH | |
| REF # | 13107 |
|---|---|
| PART NUMBER | |
| QUANTITY | 1 |
| DESTINATION | |
| REMARKS | |
| SHAFT,LH | |
| REF # | 13107A |
|---|---|
| PART NUMBER | |
| QUANTITY | 1 |
| DESTINATION | |
| REMARKS | |
| COVER,VALVE | |
| REF # | 14091 |
|---|---|
| PART NUMBER | |
| QUANTITY | 1 |
| DESTINATION | |
| REMARKS | |
| FILTER-ASSY-OIL | |
| REF # | 16097 |
|---|---|
| PART NUMBER | |
| QUANTITY | 1 |
| DESTINATION | |
| REMARKS | |
| VALVE-ASSY-RELIEF | |
| REF # | 16130 |
|---|---|
| PART NUMBER | |
| QUANTITY | 1 |
| DESTINATION | |
| REMARKS | |
| COVER-PUMP,WATER | |
| REF # | 16142 |
|---|---|
| PART NUMBER | |
| QUANTITY | 1 |
| DESTINATION | |
| REMARKS | |
| ROTOR-PUMP,OIL | |
| REF # | 16154 |
|---|---|
| PART NUMBER | |
| QUANTITY | 1 |
| DESTINATION | |
| REMARKS | |
| BODY,WATER PUMP | |
| REF # | 16160 |
|---|---|
| PART NUMBER | |
| QUANTITY | 1 |
| DESTINATION | |
| REMARKS | |
| SPROCKET-ASSY,PUMP DRIVE,27T | |
| REF # | 21053 |
|---|---|
| PART NUMBER | |
| QUANTITY | 1 |
| DESTINATION | |
| REMARKS | |
| PIPE,OIL FILTER | |
| REF # | 32033 |
|---|---|
| PART NUMBER | |
| QUANTITY | 1 |
| DESTINATION | |
| REMARKS | |
| SEAL-MECHANICAL | |
| REF # | 49063 |
|---|---|
| PART NUMBER | |
| QUANTITY | 1 |
| DESTINATION | |
| REMARKS | |
| FILTER-OIL | |
| REF # | 49065 |
|---|---|
| PART NUMBER | |
| QUANTITY | 1 |
| DESTINATION | |
| REMARKS | |
| IMPELLER | |
| REF # | 59256 |
|---|---|
| PART NUMBER | |
| QUANTITY | 1 |
| DESTINATION | |
| REMARKS | |
| BOLT,6X22 | |
| REF # | 92002 |
|---|---|
| PART NUMBER | |
| QUANTITY | 1 |
| DESTINATION | |
| REMARKS | |
| WASHER,6.1X12X1 | |
| REF # | 92022 |
|---|---|
| PART NUMBER | |
| QUANTITY | 1 |
| DESTINATION | |
| REMARKS | |
| PIN,5X21.8 | |
| REF # | 92043 |
|---|---|
| PART NUMBER | |
| QUANTITY | 1 |
| DESTINATION | |
| REMARKS | |
| SEAL-OIL | |
| REF # | 92049 |
|---|---|
| PART NUMBER | |
| QUANTITY | 1 |
| DESTINATION | |
| REMARKS | |
| RING-O,WATER PUMP | |
| REF # | 92055 |
|---|---|
| PART NUMBER | |
| QUANTITY | 1 |
| DESTINATION | |
| REMARKS | |
| RING-O,68.2X2.4 | |
| REF # | 92055A |
|---|---|
| PART NUMBER | |
| QUANTITY | 1 |
| DESTINATION | |
| REMARKS | |
| RING-O,OIL FILTER | |
| REF # | 92055B |
|---|---|
| PART NUMBER | |
| QUANTITY | 1 |
| DESTINATION | |
| REMARKS | |
| CHAIN,92RH2005-76M | |
| REF # | 92057 |
|---|---|
| PART NUMBER | |
| QUANTITY | 1 |
| DESTINATION | |
| REMARKS | |
| COLLAR | |
| REF # | 92152 |
|---|---|
| PART NUMBER | |
| QUANTITY | 1 |
| DESTINATION | |
| REMARKS | |
| BOLT,FLANGED,6X22 | |
| REF # | 92154 |
|---|---|
| PART NUMBER | |
| QUANTITY | 1 |
| DESTINATION | |
| REMARKS | |
| BOLT,SOCKET,6X12 | |
| REF # | 92154A |
|---|---|
| PART NUMBER | |
| QUANTITY | 1 |
| DESTINATION | |
| REMARKS | |
| BOLT,SOCKET,6X25 | |
| REF # | 92154B |
|---|---|
| PART NUMBER | |
| QUANTITY | 2 |
| DESTINATION | |
| REMARKS | |
| BOLT,SOCKET,6X40 | |
| REF # | 92154C |
|---|---|
| PART NUMBER | |
| QUANTITY | 2 |
| DESTINATION | |
| REMARKS | |
| BOLT | |
| REF # | 92154D |
|---|---|
| PART NUMBER | |
| QUANTITY | 2 |
| DESTINATION | |
| REMARKS | |
| WASHER,13X24X2 | |
| REF # | 92200 |
|---|---|
| PART NUMBER | |
| QUANTITY | 1 |
| DESTINATION | |
| REMARKS | |
| CIRCLIP-TYPE-C,13MM | |
| REF # | 480 |
|---|---|
| PART NUMBER | |
| QUANTITY | 1 |
| DESTINATION | |
| REMARKS | |
| PIN-DOWEL,4X8 | |
| REF # | 551 |
|---|---|
| PART NUMBER | |
| QUANTITY | 2 |
| DESTINATION | |
| REMARKS | |