main content of page
Parts Diagrams
OWNER CENTER |
Welcome, Kawasaki owners. Access the information and tools you need to get the most out of your vehicle.
OWNER CENTER |
Welcome, Kawasaki owners. Access the information and tools you need to get the most out of your vehicle.
Parts Diagrams |
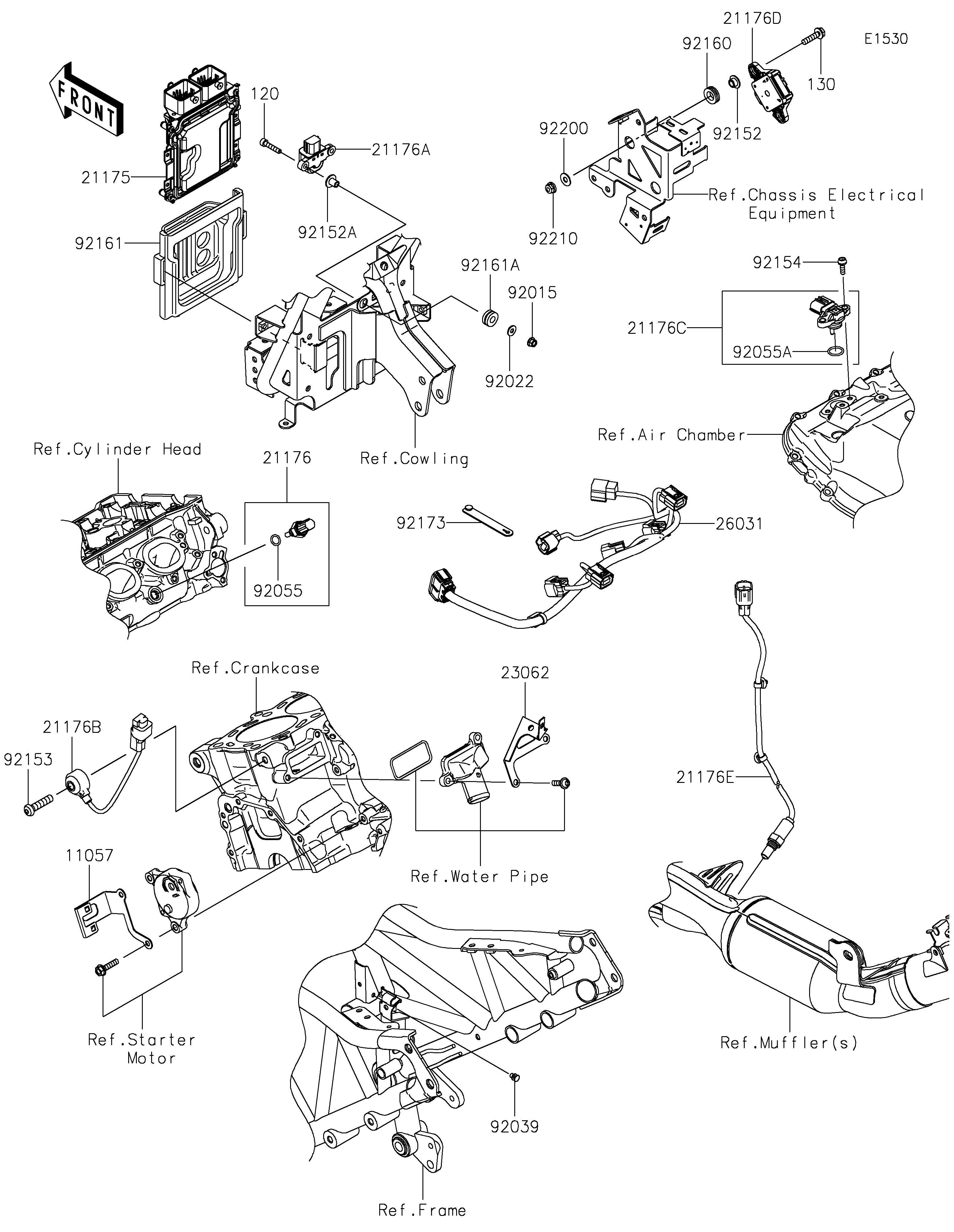
2026 NINJA H2® SX SE ABS - Fuel Injection
11057
21175
21176
21176A
21176B
21176C
21176D
21176E
23062
26031
92015
92022
92039
92055
92055A
92152
92152A
92153
92154
92160
92161
92161A
92173
92200
92210
120
130
| ITEM NAME | REF # | PART NUMBER | QUANTITY | DESTINATION | REMARKS |
|---|---|---|---|---|---|
| BRACKET,STARTER | 11057 | 11057-1655 | 1 | ||
| CONTROL UNIT-ELECTRONIC | 21175 | 21175-1721 | 1 | ||
| SENSOR,WATER TEMP | 21176 | 21176-0009 | 1 | ||
| SENSOR,VEHICLE-DOWN | 21176A | 21176-0026 | 1 | ||
| SENSOR,KNOCK | 21176B | 21176-0788 | 1 | ||
| SENSOR,INTAKE TEMP&PRESSURE | 21176C | 21176-0982 | 1 | ||
| SENSOR,GYRO | 21176D | 21176-1126 | 1 | ||
| SENSOR,OXYGEN,FRONT | 21176E | 21176-1132 | 1 | ||
| BRACKET-COMP,WATER PIPE | 23062 | 23062-1154 | 1 | ||
| HARNESS | 26031 | 26031-2963 | 1 | ||
| NUT,LOCK,FLANGED,5MM | 92015 | 92015-1752 | 2 | ||
| WASHER,5.2X13X1 | 92022 | 92022-1380 | 2 | ||
| RIVET,PLASTI | 92039 | 92039-0773 | 1 | ||
| RING-O,9.5X1.9 | 92055 | 92055-0016 | 1 | ||
| RING-O | 92055A | 92055-0842 | 1 | ||
| COLLAR | 92152 | 92152-2867 | 2 | ||
| COLLAR | 92152A | 92152-2962 | 2 | ||
| BOLT,SOCKET,8X35 | 92153 | 92153-0419 | 1 | ||
| BOLT,SOCKET,5X16 | 92154 | 92154-1449 | 2 | ||
| DAMPER | 92160 | 92160-1278 | 2 | ||
| DAMPER,ECU | 92161 | 92161-2400 | 1 | ||
| DAMPER | 92161A | 92161-2435 | 2 | ||
| CLAMP | 92173 | 92173-2194 | 1 | ||
| WASHER,6.5X16X1.0 | 92200 | 92200-3712 | 2 | ||
| NUT,LOCK,FLANGED,6MM | 92210 | 92210-0303 | 2 | ||
| BOLT-SOCKET,5X25 | 120 | 120R0525 | 2 | ||
| BOLT-FLANGED,6X25 | 130 | 130BA0625 | 2 |
| BRACKET,STARTER | |
| REF # | 11057 |
|---|---|
| PART NUMBER | |
| QUANTITY | 1 |
| DESTINATION | |
| REMARKS | |
| CONTROL UNIT-ELECTRONIC | |
| REF # | 21175 |
|---|---|
| PART NUMBER | |
| QUANTITY | 1 |
| DESTINATION | |
| REMARKS | |
| SENSOR,WATER TEMP | |
| REF # | 21176 |
|---|---|
| PART NUMBER | |
| QUANTITY | 1 |
| DESTINATION | |
| REMARKS | |
| SENSOR,VEHICLE-DOWN | |
| REF # | 21176A |
|---|---|
| PART NUMBER | |
| QUANTITY | 1 |
| DESTINATION | |
| REMARKS | |
| SENSOR,KNOCK | |
| REF # | 21176B |
|---|---|
| PART NUMBER | |
| QUANTITY | 1 |
| DESTINATION | |
| REMARKS | |
| SENSOR,INTAKE TEMP&PRESSURE | |
| REF # | 21176C |
|---|---|
| PART NUMBER | |
| QUANTITY | 1 |
| DESTINATION | |
| REMARKS | |
| SENSOR,GYRO | |
| REF # | 21176D |
|---|---|
| PART NUMBER | |
| QUANTITY | 1 |
| DESTINATION | |
| REMARKS | |
| SENSOR,OXYGEN,FRONT | |
| REF # | 21176E |
|---|---|
| PART NUMBER | |
| QUANTITY | 1 |
| DESTINATION | |
| REMARKS | |
| BRACKET-COMP,WATER PIPE | |
| REF # | 23062 |
|---|---|
| PART NUMBER | |
| QUANTITY | 1 |
| DESTINATION | |
| REMARKS | |
| HARNESS | |
| REF # | 26031 |
|---|---|
| PART NUMBER | |
| QUANTITY | 1 |
| DESTINATION | |
| REMARKS | |
| NUT,LOCK,FLANGED,5MM | |
| REF # | 92015 |
|---|---|
| PART NUMBER | |
| QUANTITY | 2 |
| DESTINATION | |
| REMARKS | |
| WASHER,5.2X13X1 | |
| REF # | 92022 |
|---|---|
| PART NUMBER | |
| QUANTITY | 2 |
| DESTINATION | |
| REMARKS | |
| RIVET,PLASTI | |
| REF # | 92039 |
|---|---|
| PART NUMBER | |
| QUANTITY | 1 |
| DESTINATION | |
| REMARKS | |
| RING-O,9.5X1.9 | |
| REF # | 92055 |
|---|---|
| PART NUMBER | |
| QUANTITY | 1 |
| DESTINATION | |
| REMARKS | |
| RING-O | |
| REF # | 92055A |
|---|---|
| PART NUMBER | |
| QUANTITY | 1 |
| DESTINATION | |
| REMARKS | |
| COLLAR | |
| REF # | 92152 |
|---|---|
| PART NUMBER | |
| QUANTITY | 2 |
| DESTINATION | |
| REMARKS | |
| COLLAR | |
| REF # | 92152A |
|---|---|
| PART NUMBER | |
| QUANTITY | 2 |
| DESTINATION | |
| REMARKS | |
| BOLT,SOCKET,8X35 | |
| REF # | 92153 |
|---|---|
| PART NUMBER | |
| QUANTITY | 1 |
| DESTINATION | |
| REMARKS | |
| BOLT,SOCKET,5X16 | |
| REF # | 92154 |
|---|---|
| PART NUMBER | |
| QUANTITY | 2 |
| DESTINATION | |
| REMARKS | |
| DAMPER | |
| REF # | 92160 |
|---|---|
| PART NUMBER | |
| QUANTITY | 2 |
| DESTINATION | |
| REMARKS | |
| DAMPER,ECU | |
| REF # | 92161 |
|---|---|
| PART NUMBER | |
| QUANTITY | 1 |
| DESTINATION | |
| REMARKS | |
| DAMPER | |
| REF # | 92161A |
|---|---|
| PART NUMBER | |
| QUANTITY | 2 |
| DESTINATION | |
| REMARKS | |
| CLAMP | |
| REF # | 92173 |
|---|---|
| PART NUMBER | |
| QUANTITY | 1 |
| DESTINATION | |
| REMARKS | |
| WASHER,6.5X16X1.0 | |
| REF # | 92200 |
|---|---|
| PART NUMBER | |
| QUANTITY | 2 |
| DESTINATION | |
| REMARKS | |
| NUT,LOCK,FLANGED,6MM | |
| REF # | 92210 |
|---|---|
| PART NUMBER | |
| QUANTITY | 2 |
| DESTINATION | |
| REMARKS | |
| BOLT-SOCKET,5X25 | |
| REF # | 120 |
|---|---|
| PART NUMBER | |
| QUANTITY | 2 |
| DESTINATION | |
| REMARKS | |
| BOLT-FLANGED,6X25 | |
| REF # | 130 |
|---|---|
| PART NUMBER | |
| QUANTITY | 2 |
| DESTINATION | |
| REMARKS | |