main content of page
Parts Diagrams
OWNER CENTER |
Welcome, Kawasaki owners. Access the information and tools you need to get the most out of your vehicle.
OWNER CENTER |
Welcome, Kawasaki owners. Access the information and tools you need to get the most out of your vehicle.
Parts Diagrams |
11065
11065
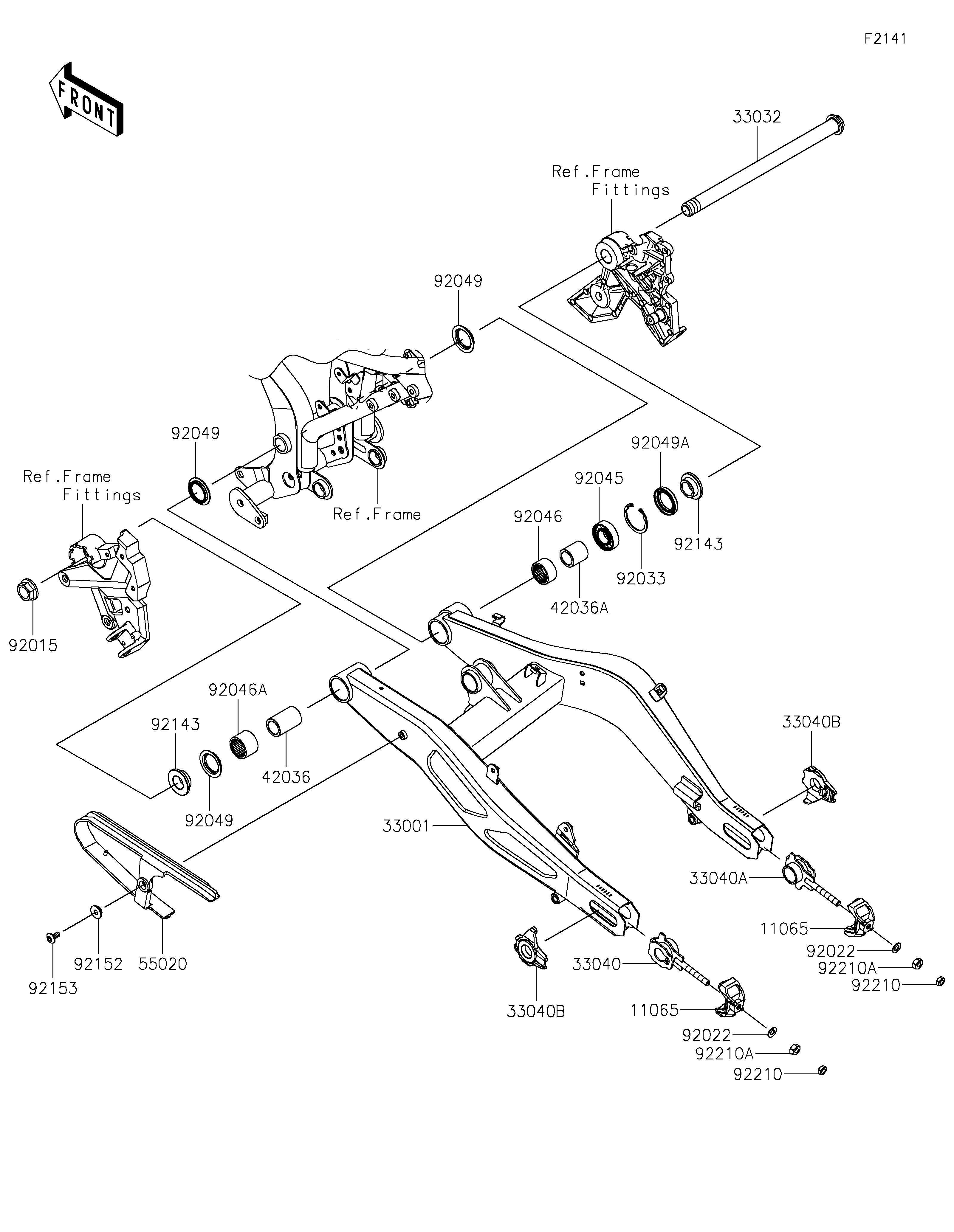
33001
33032
33040
33040A
33040B
33040B
42036
42036A
55020
92015
92022
92022
92033
92045
92046
92046A
92049
92049
92049
92049A
92143
92143
92152
92153
92210
92210
92210A
92210A
| ITEM NAME | REF # | PART NUMBER | QUANTITY | DESTINATION | REMARKS |
|---|---|---|---|---|---|
| CAP,F.S.BLACK | 11065 | 11065-0957-18R | 2 | ||
| ARM-COMP-SWING,F.S.BLACK | 33001 | 33001-0663-18R | 1 | ||
| SHAFT-SWING ARM,20X298 | 33032 | 33032-0050 | 1 | ||
| ADJUSTER-CHAIN,IN,LH | 33040 | 33040-0085 | 1 | ||
| ADJUSTER-CHAIN,IN,RH | 33040A | 33040-0086 | 1 | ||
| ADJUSTER-CHAIN,OUTER,F.S.BLACK | 33040B | 33040-0087-18R | 2 | ||
| SLEEVE,20.1X28X43.5 | 42036 | 42036-0785 | 1 | ||
| SLEEVE,20.1X28X29.5 | 42036A | 42036-0786 | 1 | ||
| GUARD,CHAIN | 55020 | 55020-2359 | 1 | ||
| NUT,FLANGED,20MM | 92015 | 92015-1724 | 1 | ||
| WASHER,8.5X16X1.2 | 92022 | 92022-1582 | 2 | ||
| RING-SNAP,42MM | 92033 | 92033-1041 | 1 | ||
| BEARING-BALL,6004UL11 | 92045 | 92045-0017 | 1 | ||
| BEARING-NEEDLE,7E-HVS 28X34X17 | 92046 | 92046-0008 | 1 | ||
| BEARING-NEEDLE,BM2824 | 92046A | 92046-1202 | 1 | ||
| SEAL-OIL | 92049 | 92049-0132 | 3 | ||
| SEAL-OIL | 92049A | 92049-0138 | 1 | ||
| COLLAR,SWING ARM,RH,L=12.5 | 92143 | 92143-1727 | 2 | ||
| COLLAR | 92152 | 92152-2786 | 1 | ||
| BOLT,SOCKET,6X14 | 92153 | 92153-1361 | 1 | ||
| NUT,8MM | 92210 | 92210-0116 | 2 | ||
| NUT,8MM | 92210A | 92210-0117 | 2 |
| CAP,F.S.BLACK | |
| REF # | 11065 |
|---|---|
| PART NUMBER | |
| QUANTITY | 2 |
| DESTINATION | |
| REMARKS | |
| ARM-COMP-SWING,F.S.BLACK | |
| REF # | 33001 |
|---|---|
| PART NUMBER | |
| QUANTITY | 1 |
| DESTINATION | |
| REMARKS | |
| SHAFT-SWING ARM,20X298 | |
| REF # | 33032 |
|---|---|
| PART NUMBER | |
| QUANTITY | 1 |
| DESTINATION | |
| REMARKS | |
| ADJUSTER-CHAIN,IN,LH | |
| REF # | 33040 |
|---|---|
| PART NUMBER | |
| QUANTITY | 1 |
| DESTINATION | |
| REMARKS | |
| ADJUSTER-CHAIN,IN,RH | |
| REF # | 33040A |
|---|---|
| PART NUMBER | |
| QUANTITY | 1 |
| DESTINATION | |
| REMARKS | |
| ADJUSTER-CHAIN,OUTER,F.S.BLACK | |
| REF # | 33040B |
|---|---|
| PART NUMBER | |
| QUANTITY | 2 |
| DESTINATION | |
| REMARKS | |
| SLEEVE,20.1X28X43.5 | |
| REF # | 42036 |
|---|---|
| PART NUMBER | |
| QUANTITY | 1 |
| DESTINATION | |
| REMARKS | |
| SLEEVE,20.1X28X29.5 | |
| REF # | 42036A |
|---|---|
| PART NUMBER | |
| QUANTITY | 1 |
| DESTINATION | |
| REMARKS | |
| GUARD,CHAIN | |
| REF # | 55020 |
|---|---|
| PART NUMBER | |
| QUANTITY | 1 |
| DESTINATION | |
| REMARKS | |
| NUT,FLANGED,20MM | |
| REF # | 92015 |
|---|---|
| PART NUMBER | |
| QUANTITY | 1 |
| DESTINATION | |
| REMARKS | |
| WASHER,8.5X16X1.2 | |
| REF # | 92022 |
|---|---|
| PART NUMBER | |
| QUANTITY | 2 |
| DESTINATION | |
| REMARKS | |
| RING-SNAP,42MM | |
| REF # | 92033 |
|---|---|
| PART NUMBER | |
| QUANTITY | 1 |
| DESTINATION | |
| REMARKS | |
| BEARING-BALL,6004UL11 | |
| REF # | 92045 |
|---|---|
| PART NUMBER | |
| QUANTITY | 1 |
| DESTINATION | |
| REMARKS | |
| BEARING-NEEDLE,7E-HVS 28X34X17 | |
| REF # | 92046 |
|---|---|
| PART NUMBER | |
| QUANTITY | 1 |
| DESTINATION | |
| REMARKS | |
| BEARING-NEEDLE,BM2824 | |
| REF # | 92046A |
|---|---|
| PART NUMBER | |
| QUANTITY | 1 |
| DESTINATION | |
| REMARKS | |
| SEAL-OIL | |
| REF # | 92049 |
|---|---|
| PART NUMBER | |
| QUANTITY | 3 |
| DESTINATION | |
| REMARKS | |
| SEAL-OIL | |
| REF # | 92049A |
|---|---|
| PART NUMBER | |
| QUANTITY | 1 |
| DESTINATION | |
| REMARKS | |
| COLLAR,SWING ARM,RH,L=12.5 | |
| REF # | 92143 |
|---|---|
| PART NUMBER | |
| QUANTITY | 2 |
| DESTINATION | |
| REMARKS | |
| COLLAR | |
| REF # | 92152 |
|---|---|
| PART NUMBER | |
| QUANTITY | 1 |
| DESTINATION | |
| REMARKS | |
| BOLT,SOCKET,6X14 | |
| REF # | 92153 |
|---|---|
| PART NUMBER | |
| QUANTITY | 1 |
| DESTINATION | |
| REMARKS | |
| NUT,8MM | |
| REF # | 92210 |
|---|---|
| PART NUMBER | |
| QUANTITY | 2 |
| DESTINATION | |
| REMARKS | |
| NUT,8MM | |
| REF # | 92210A |
|---|---|
| PART NUMBER | |
| QUANTITY | 2 |
| DESTINATION | |
| REMARKS | |