main content of page
Parts Diagrams
                        OWNER CENTER | 
                    
        Welcome, Kawasaki owners. Access the information and tools you need to get the most out of your vehicle.
                            OWNER CENTER | 
                        
Welcome, Kawasaki owners. Access the information and tools you need to get the most out of your vehicle.
                            Parts Diagrams | 
                        
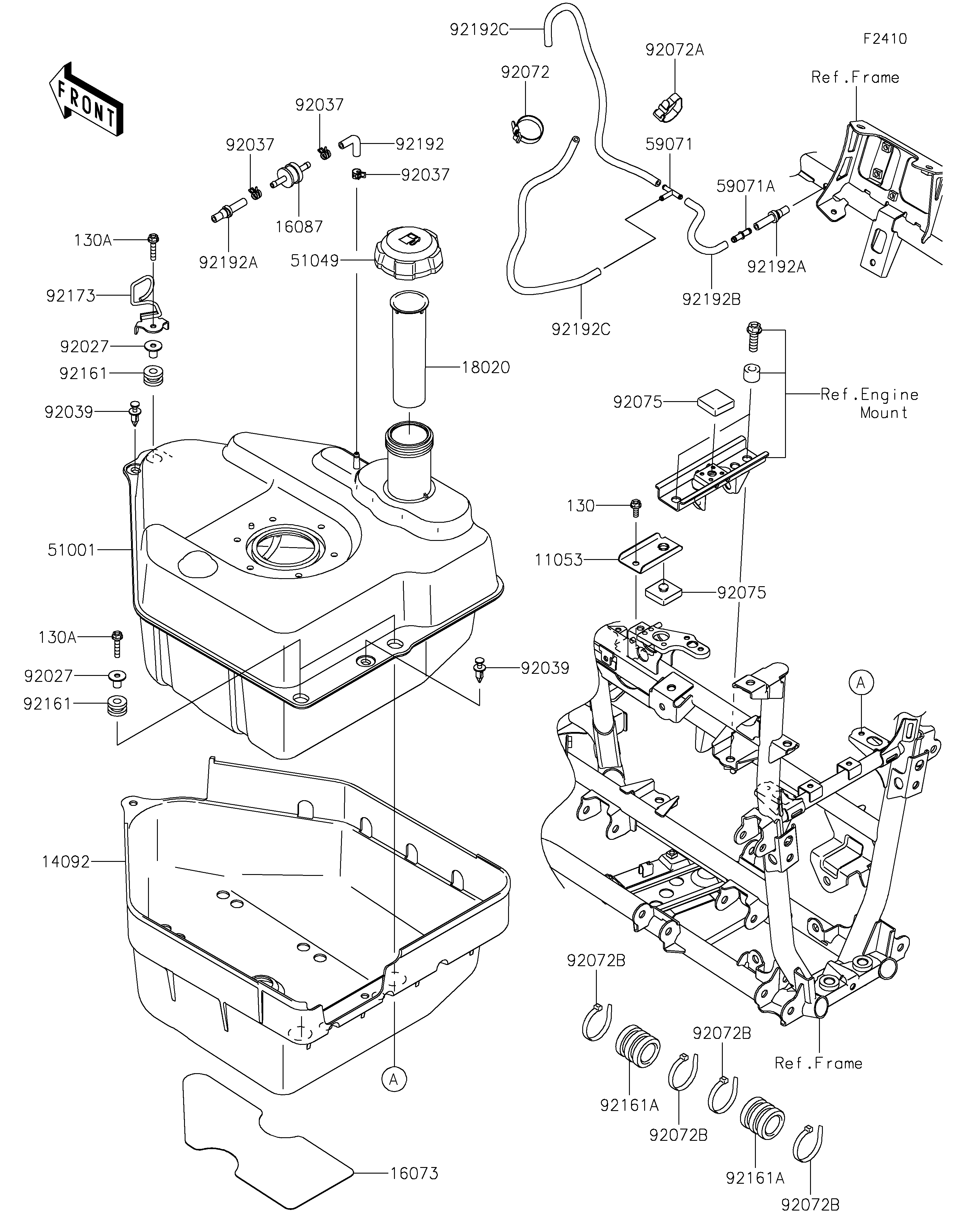
2026 BRUTE FORCE® 750 SE EPS - Fuel Tank
                                            11053
                                        
                                    
                                            14092
                                        
                                    
                                            16073
                                        
                                    
                                            16087
                                        
                                    
                                            18020
                                        
                                    
                                            51001
                                        
                                    
                                            51049
                                        
                                    
                                            59071
                                        
                                    
                                            59071A
                                        
                                    
                                            92027
                                        
                                    
                                            92027
                                        
                                    
                                            92037
                                        
                                    
                                            92037
                                        
                                    
                                            92037
                                        
                                    
                                            92039
                                        
                                    
                                            92039
                                        
                                    
                                            92072
                                        
                                    
                                            92072A
                                        
                                    
                                            92072B
                                        
                                    
                                            92072B
                                        
                                    
                                            92072B
                                        
                                    
                                            92072B
                                        
                                    
                                            92075
                                        
                                    
                                            92075
                                        
                                    
                                            92161
                                        
                                    
                                            92161
                                        
                                    
                                            92161A
                                        
                                    
                                            92161A
                                        
                                    
                                            92173
                                        
                                    
                                            92192
                                        
                                    
                                            92192A
                                        
                                    
                                            92192A
                                        
                                    
                                            92192B
                                        
                                    
                                            92192C
                                        
                                    
                                            92192C
                                        
                                    
                                            130
                                        
                                    
                                            130A
                                        
                                    
                                            130A
                                        
                                    | ITEM NAME | REF # | PART NUMBER | QUANTITY | DESTINATION | REMARKS | 
|---|---|---|---|---|---|
| BRACKET,FUEL TANK,TOP | 11053 | 11053-0936 | 1 | ||
| COVER,FUEL TANK,LWR | 14092 | 14092-0186 | 1 | ||
| INSULATOR,FUEL TANK COVER,LWR | 16073 | 16073-0925 | 1 | ||
| VALVE-CHECK | 16087 | 16087-0008 | 1 | ||
| BAFFLE,FUEL TANK | 18020 | 18020-0008 | 1 | ||
| TANK-COMP-FUEL | 51001 | 51001-0237 | 1 | ||
| CAP-TANK,FUEL | 51049 | 51049-0718 | 1 | ||
| JOINT | 59071 | 59071-3705 | 1 | ||
| JOINT | 59071A | 59071-3717 | 1 | ||
| COLLAR,L=16.1 | 92027 | 92027-1847 | 3 | ||
| CLAMP,TUBE | 92037 | 92037-1461 | 3 | ||
| RIVET | 92039 | 92039-0865 | 2 | ||
| BAND,L=149 | 92072 | 92072-031 | 1 | ||
| BAND,L=186 | 92072A | 92072-056 | 1 | ||
| BAND,L=188 | 92072B | 92072-1239 | 4 | ||
| DAMPER | 92075 | 92075-1882 | 2 | ||
| DAMPER | 92161 | 92161-0106 | 3 | ||
| DAMPER,FUEL TANK,RR | 92161A | 92161-1111 | 2 | ||
| CLAMP,FUEL TUBE | 92173 | 92173-0872 | 1 | ||
| TUBE,FUEL TANK-CHECK VALVE | 92192 | 92192-0067 | 1 | ||
| TUBE,FRAME PIPE-CHECK VALVE | 92192A | 92192-0068 | 2 | ||
| TUBE,5X10X80/22 | 92192B | 92192-0992 | 1 | ||
| TUBE,5X10X470 | 92192C | 92192-0993 | 2 | ||
| BOLT-FLANGED,6X16 | 130 | 130BA0616 | 1 | ||
| BOLT-FLANGED,6X30 | 130A | 130BA0630 | 3 | 
| BRACKET,FUEL TANK,TOP | |
| REF # | 11053 | 
|---|---|
| PART NUMBER | |
| QUANTITY | 1 | 
| DESTINATION | |
| REMARKS | |
| COVER,FUEL TANK,LWR | |
| REF # | 14092 | 
|---|---|
| PART NUMBER | |
| QUANTITY | 1 | 
| DESTINATION | |
| REMARKS | |
| INSULATOR,FUEL TANK COVER,LWR | |
| REF # | 16073 | 
|---|---|
| PART NUMBER | |
| QUANTITY | 1 | 
| DESTINATION | |
| REMARKS | |
| VALVE-CHECK | |
| REF # | 16087 | 
|---|---|
| PART NUMBER | |
| QUANTITY | 1 | 
| DESTINATION | |
| REMARKS | |
| BAFFLE,FUEL TANK | |
| REF # | 18020 | 
|---|---|
| PART NUMBER | |
| QUANTITY | 1 | 
| DESTINATION | |
| REMARKS | |
| TANK-COMP-FUEL | |
| REF # | 51001 | 
|---|---|
| PART NUMBER | |
| QUANTITY | 1 | 
| DESTINATION | |
| REMARKS | |
| CAP-TANK,FUEL | |
| REF # | 51049 | 
|---|---|
| PART NUMBER | |
| QUANTITY | 1 | 
| DESTINATION | |
| REMARKS | |
| JOINT | |
| REF # | 59071 | 
|---|---|
| PART NUMBER | |
| QUANTITY | 1 | 
| DESTINATION | |
| REMARKS | |
| JOINT | |
| REF # | 59071A | 
|---|---|
| PART NUMBER | |
| QUANTITY | 1 | 
| DESTINATION | |
| REMARKS | |
| COLLAR,L=16.1 | |
| REF # | 92027 | 
|---|---|
| PART NUMBER | |
| QUANTITY | 3 | 
| DESTINATION | |
| REMARKS | |
| CLAMP,TUBE | |
| REF # | 92037 | 
|---|---|
| PART NUMBER | |
| QUANTITY | 3 | 
| DESTINATION | |
| REMARKS | |
| RIVET | |
| REF # | 92039 | 
|---|---|
| PART NUMBER | |
| QUANTITY | 2 | 
| DESTINATION | |
| REMARKS | |
| BAND,L=149 | |
| REF # | 92072 | 
|---|---|
| PART NUMBER | |
| QUANTITY | 1 | 
| DESTINATION | |
| REMARKS | |
| BAND,L=186 | |
| REF # | 92072A | 
|---|---|
| PART NUMBER | |
| QUANTITY | 1 | 
| DESTINATION | |
| REMARKS | |
| BAND,L=188 | |
| REF # | 92072B | 
|---|---|
| PART NUMBER | |
| QUANTITY | 4 | 
| DESTINATION | |
| REMARKS | |
| DAMPER | |
| REF # | 92075 | 
|---|---|
| PART NUMBER | |
| QUANTITY | 2 | 
| DESTINATION | |
| REMARKS | |
| DAMPER | |
| REF # | 92161 | 
|---|---|
| PART NUMBER | |
| QUANTITY | 3 | 
| DESTINATION | |
| REMARKS | |
| DAMPER,FUEL TANK,RR | |
| REF # | 92161A | 
|---|---|
| PART NUMBER | |
| QUANTITY | 2 | 
| DESTINATION | |
| REMARKS | |
| CLAMP,FUEL TUBE | |
| REF # | 92173 | 
|---|---|
| PART NUMBER | |
| QUANTITY | 1 | 
| DESTINATION | |
| REMARKS | |
| TUBE,FUEL TANK-CHECK VALVE | |
| REF # | 92192 | 
|---|---|
| PART NUMBER | |
| QUANTITY | 1 | 
| DESTINATION | |
| REMARKS | |
| TUBE,FRAME PIPE-CHECK VALVE | |
| REF # | 92192A | 
|---|---|
| PART NUMBER | |
| QUANTITY | 2 | 
| DESTINATION | |
| REMARKS | |
| TUBE,5X10X80/22 | |
| REF # | 92192B | 
|---|---|
| PART NUMBER | |
| QUANTITY | 1 | 
| DESTINATION | |
| REMARKS | |
| TUBE,5X10X470 | |
| REF # | 92192C | 
|---|---|
| PART NUMBER | |
| QUANTITY | 2 | 
| DESTINATION | |
| REMARKS | |
| BOLT-FLANGED,6X16 | |
| REF # | 130 | 
|---|---|
| PART NUMBER | |
| QUANTITY | 1 | 
| DESTINATION | |
| REMARKS | |
| BOLT-FLANGED,6X30 | |
| REF # | 130A | 
|---|---|
| PART NUMBER | |
| QUANTITY | 3 | 
| DESTINATION | |
| REMARKS | |