main content of page
Parts Diagrams
                        OWNER CENTER | 
                    
        Welcome, Kawasaki owners. Access the information and tools you need to get the most out of your vehicle.
                            OWNER CENTER | 
                        
Welcome, Kawasaki owners. Access the information and tools you need to get the most out of your vehicle.
                            Parts Diagrams | 
                        
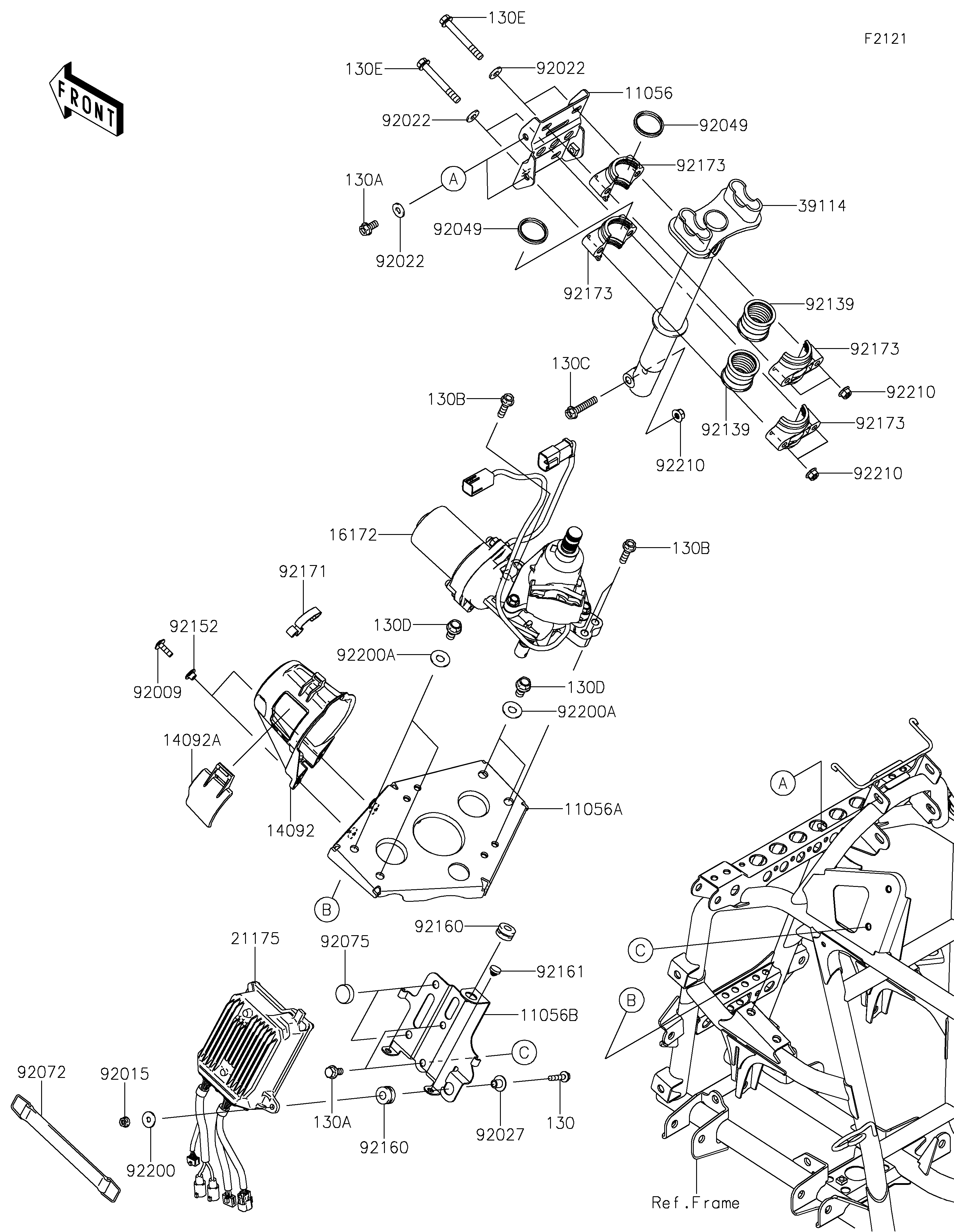
2026 BRUTE FORCE® 750 SE EPS - Steering Shaft
                                            11056
                                        
                                    
                                            11056A
                                        
                                    
                                            11056B
                                        
                                    
                                            14092
                                        
                                    
                                            14092A
                                        
                                    
                                            16172
                                        
                                    
                                            21175
                                        
                                    
                                            39114
                                        
                                    
                                            92009
                                        
                                    
                                            92015
                                        
                                    
                                            92022
                                        
                                    
                                            92022
                                        
                                    
                                            92022
                                        
                                    
                                            92027
                                        
                                    
                                            92049
                                        
                                    
                                            92049
                                        
                                    
                                            92072
                                        
                                    
                                            92075
                                        
                                    
                                            92139
                                        
                                    
                                            92139
                                        
                                    
                                            92152
                                        
                                    
                                            92160
                                        
                                    
                                            92160
                                        
                                    
                                            92161
                                        
                                    
                                            92171
                                        
                                    
                                            92173
                                        
                                    
                                            92173
                                        
                                    
                                            92173
                                        
                                    
                                            92173
                                        
                                    
                                            92200
                                        
                                    
                                            92200A
                                        
                                    
                                            92200A
                                        
                                    
                                            92210
                                        
                                    
                                            92210
                                        
                                    
                                            92210
                                        
                                    
                                            130
                                        
                                    
                                            130A
                                        
                                    
                                            130A
                                        
                                    
                                            130B
                                        
                                    
                                            130B
                                        
                                    
                                            130C
                                        
                                    
                                            130D
                                        
                                    
                                            130D
                                        
                                    
                                            130E
                                        
                                    
                                            130E
                                        
                                    | ITEM NAME | REF # | PART NUMBER | QUANTITY | DESTINATION | REMARKS | 
|---|---|---|---|---|---|
| BRACKET,STRG,UPP | 11056 | 11056-0284 | 1 | ||
| BRACKET,EPS BODY FIT | 11056A | 11056-0285 | 1 | ||
| BRACKET,EPS ECU | 11056B | 11056-0290 | 1 | ||
| COVER,EPS | 14092 | 14092-0260 | 1 | ||
| COVER,EPS,CAP | 14092A | 14092-0261 | 1 | ||
| ACTUATOR,EPS | 16172 | 16172-0049 | 1 | ||
| CONTROL UNIT-ELECTRONIC,EPS | 21175 | 21175-1927 | 1 | ||
| SHAFT-COMP-STRG | 39114 | 39114-0309 | 1 | ||
| SCREW,6X20 | 92009 | 92009-1289 | 2 | ||
| NUT,FLANGED,6MM | 92015 | 92015-1367 | 1 | ||
| WASHER,8.2X19X2 | 92022 | 92022-1533 | 8 | ||
| COLLAR,L=12 | 92027 | 92027-1062 | 1 | ||
| SEAL-OIL,SR31.8X37.5X3.8LR | 92049 | 92049-7501 | 2 | ||
| BAND,BATTERY | 92072 | 92072-3879 | 1 | ||
| DAMPER,9X24X14 | 92075 | 92075-281 | 2 | ||
| BUSHING,STRG SHAFT | 92139 | 92139-0763 | 2 | ||
| COLLAR,6.3X8.3X7.2 | 92152 | 92152-1865 | 2 | ||
| DAMPER | 92160 | 92160-1895 | 2 | ||
| DAMPER | 92161 | 92161-0586 | 2 | ||
| CLAMP | 92171 | 92171-0225 | 1 | ||
| CLAMP,STRG SHAFT | 92173 | 92173-0746 | 4 | ||
| WASHER,6.5X20X1.6 | 92200 | 92200-0283 | 1 | ||
| WASHER,10.5X25X1.6 | 92200A | 92200-1595 | 4 | ||
| NUT,FLANGED,LOCK,8MM | 92210 | 92210-0493 | 5 | ||
| BOLT-FLANGED,6X30 | 130 | 130BA0630 | 1 | ||
| BOLT-FLANGED,8X16 | 130A | 130BA0816 | 6 | ||
| BOLT-FLANGED,8X30 | 130B | 130BA0830 | 4 | ||
| BOLT-FLANGED,8X40 | 130C | 130BA0840 | 1 | ||
| BOLT-FLANGED,10X16 | 130D | 130BA1016 | 4 | ||
| BOLT-FLANGED,8X65 | 130E | 130CA0865 | 4 | 
| BRACKET,STRG,UPP | |
| REF # | 11056 | 
|---|---|
| PART NUMBER | |
| QUANTITY | 1 | 
| DESTINATION | |
| REMARKS | |
| BRACKET,EPS BODY FIT | |
| REF # | 11056A | 
|---|---|
| PART NUMBER | |
| QUANTITY | 1 | 
| DESTINATION | |
| REMARKS | |
| BRACKET,EPS ECU | |
| REF # | 11056B | 
|---|---|
| PART NUMBER | |
| QUANTITY | 1 | 
| DESTINATION | |
| REMARKS | |
| COVER,EPS | |
| REF # | 14092 | 
|---|---|
| PART NUMBER | |
| QUANTITY | 1 | 
| DESTINATION | |
| REMARKS | |
| COVER,EPS,CAP | |
| REF # | 14092A | 
|---|---|
| PART NUMBER | |
| QUANTITY | 1 | 
| DESTINATION | |
| REMARKS | |
| ACTUATOR,EPS | |
| REF # | 16172 | 
|---|---|
| PART NUMBER | |
| QUANTITY | 1 | 
| DESTINATION | |
| REMARKS | |
| CONTROL UNIT-ELECTRONIC,EPS | |
| REF # | 21175 | 
|---|---|
| PART NUMBER | |
| QUANTITY | 1 | 
| DESTINATION | |
| REMARKS | |
| SHAFT-COMP-STRG | |
| REF # | 39114 | 
|---|---|
| PART NUMBER | |
| QUANTITY | 1 | 
| DESTINATION | |
| REMARKS | |
| SCREW,6X20 | |
| REF # | 92009 | 
|---|---|
| PART NUMBER | |
| QUANTITY | 2 | 
| DESTINATION | |
| REMARKS | |
| NUT,FLANGED,6MM | |
| REF # | 92015 | 
|---|---|
| PART NUMBER | |
| QUANTITY | 1 | 
| DESTINATION | |
| REMARKS | |
| WASHER,8.2X19X2 | |
| REF # | 92022 | 
|---|---|
| PART NUMBER | |
| QUANTITY | 8 | 
| DESTINATION | |
| REMARKS | |
| COLLAR,L=12 | |
| REF # | 92027 | 
|---|---|
| PART NUMBER | |
| QUANTITY | 1 | 
| DESTINATION | |
| REMARKS | |
| SEAL-OIL,SR31.8X37.5X3.8LR | |
| REF # | 92049 | 
|---|---|
| PART NUMBER | |
| QUANTITY | 2 | 
| DESTINATION | |
| REMARKS | |
| BAND,BATTERY | |
| REF # | 92072 | 
|---|---|
| PART NUMBER | |
| QUANTITY | 1 | 
| DESTINATION | |
| REMARKS | |
| DAMPER,9X24X14 | |
| REF # | 92075 | 
|---|---|
| PART NUMBER | |
| QUANTITY | 2 | 
| DESTINATION | |
| REMARKS | |
| BUSHING,STRG SHAFT | |
| REF # | 92139 | 
|---|---|
| PART NUMBER | |
| QUANTITY | 2 | 
| DESTINATION | |
| REMARKS | |
| COLLAR,6.3X8.3X7.2 | |
| REF # | 92152 | 
|---|---|
| PART NUMBER | |
| QUANTITY | 2 | 
| DESTINATION | |
| REMARKS | |
| DAMPER | |
| REF # | 92160 | 
|---|---|
| PART NUMBER | |
| QUANTITY | 2 | 
| DESTINATION | |
| REMARKS | |
| DAMPER | |
| REF # | 92161 | 
|---|---|
| PART NUMBER | |
| QUANTITY | 2 | 
| DESTINATION | |
| REMARKS | |
| CLAMP | |
| REF # | 92171 | 
|---|---|
| PART NUMBER | |
| QUANTITY | 1 | 
| DESTINATION | |
| REMARKS | |
| CLAMP,STRG SHAFT | |
| REF # | 92173 | 
|---|---|
| PART NUMBER | |
| QUANTITY | 4 | 
| DESTINATION | |
| REMARKS | |
| WASHER,6.5X20X1.6 | |
| REF # | 92200 | 
|---|---|
| PART NUMBER | |
| QUANTITY | 1 | 
| DESTINATION | |
| REMARKS | |
| WASHER,10.5X25X1.6 | |
| REF # | 92200A | 
|---|---|
| PART NUMBER | |
| QUANTITY | 4 | 
| DESTINATION | |
| REMARKS | |
| NUT,FLANGED,LOCK,8MM | |
| REF # | 92210 | 
|---|---|
| PART NUMBER | |
| QUANTITY | 5 | 
| DESTINATION | |
| REMARKS | |
| BOLT-FLANGED,6X30 | |
| REF # | 130 | 
|---|---|
| PART NUMBER | |
| QUANTITY | 1 | 
| DESTINATION | |
| REMARKS | |
| BOLT-FLANGED,8X16 | |
| REF # | 130A | 
|---|---|
| PART NUMBER | |
| QUANTITY | 6 | 
| DESTINATION | |
| REMARKS | |
| BOLT-FLANGED,8X30 | |
| REF # | 130B | 
|---|---|
| PART NUMBER | |
| QUANTITY | 4 | 
| DESTINATION | |
| REMARKS | |
| BOLT-FLANGED,8X40 | |
| REF # | 130C | 
|---|---|
| PART NUMBER | |
| QUANTITY | 1 | 
| DESTINATION | |
| REMARKS | |
| BOLT-FLANGED,10X16 | |
| REF # | 130D | 
|---|---|
| PART NUMBER | |
| QUANTITY | 4 | 
| DESTINATION | |
| REMARKS | |
| BOLT-FLANGED,8X65 | |
| REF # | 130E | 
|---|---|
| PART NUMBER | |
| QUANTITY | 4 | 
| DESTINATION | |
| REMARKS | |