main content of page
Parts Diagrams
                        OWNER CENTER | 
                    
        Welcome, Kawasaki owners. Access the information and tools you need to get the most out of your vehicle.
                            OWNER CENTER | 
                        
Welcome, Kawasaki owners. Access the information and tools you need to get the most out of your vehicle.
                            Parts Diagrams | 
                        
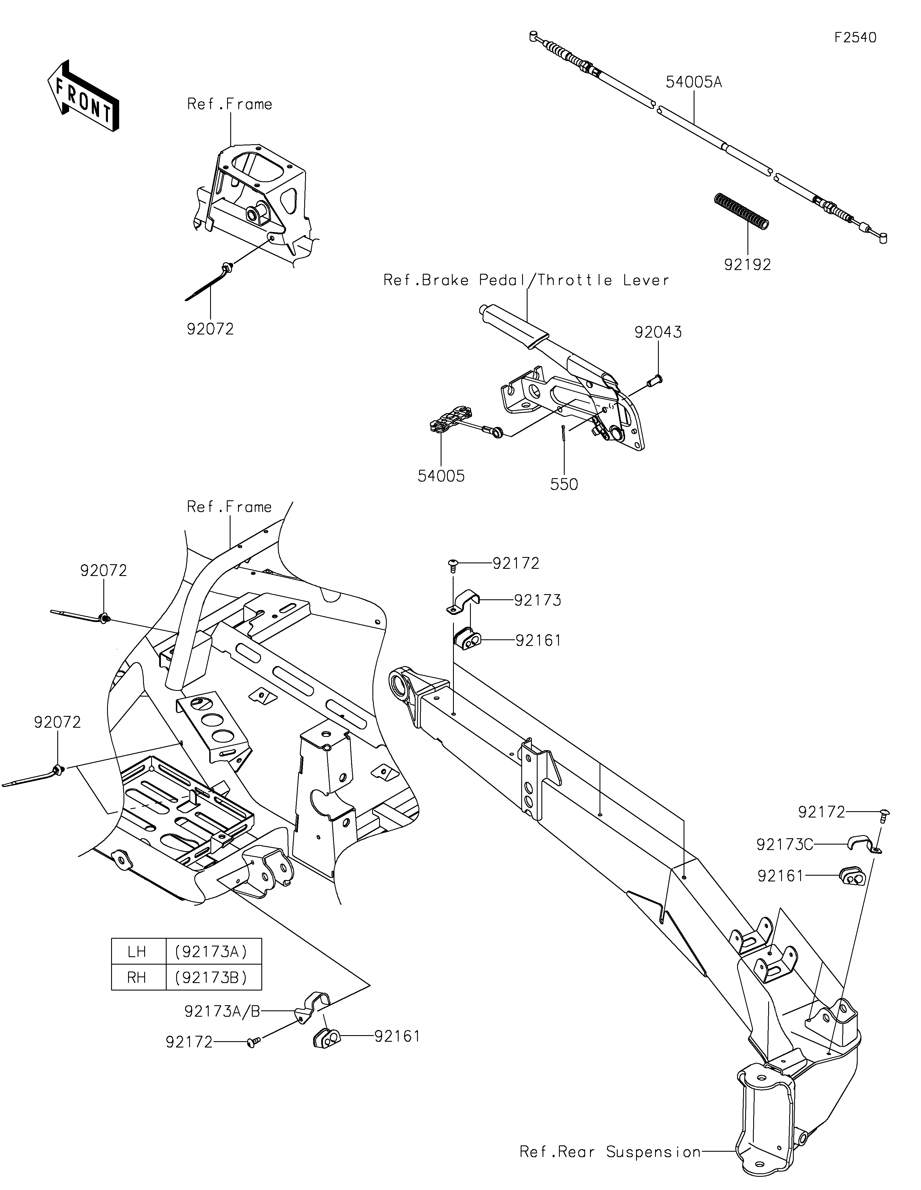
2026 Teryx KRX 1000 Blackout Edition - Cables
                                            54005
                                        
                                    
                                            54005A
                                        
                                    
                                            92043
                                        
                                    
                                            92072
                                        
                                    
                                            92072
                                        
                                    
                                            92072
                                        
                                    
                                            92161
                                        
                                    
                                            92161
                                        
                                    
                                            92161
                                        
                                    
                                            92172
                                        
                                    
                                            92172
                                        
                                    
                                            92172
                                        
                                    
                                            92173
                                        
                                    
                                            92173A
                                        
                                    
                                            92173B
                                        
                                    
                                            92173C
                                        
                                    
                                            92192
                                        
                                    
                                            550
                                        
                                    | ITEM NAME | REF # | PART NUMBER | QUANTITY | DESTINATION | REMARKS | 
|---|---|---|---|---|---|
| CABLE-BRAKE,PARKING BRAKE | 54005 | 54005-0312 | 1 | ||
| CABLE-BRAKE,PARKING BRAKE | 54005A | 54005-0323 | 2 | ||
| PIN | 92043 | 92043-1039 | 1 | ||
| BAND,OS170-FT7(BLACK) | 92072 | 92072-1414 | 8 | ||
| DAMPER | 92161 | 92161-2174 | 14 | ||
| SCREW,TAPPING,6X16 | 92172 | 92172-0739 | 14 | ||
| CLAMP | 92173 | 92173-1991 | 6 | ||
| CLAMP,LH | 92173A | 92173-1992 | 1 | ||
| CLAMP,RH | 92173B | 92173-1993 | 1 | ||
| CLAMP | 92173C | 92173-2097 | 6 | ||
| TUBE,CORRUGATED,L=100 | 92192 | 92192-3809 | 1 | ||
| PIN-COTTER,2.5X18 | 550 | 550AA2518 | 1 | 
| CABLE-BRAKE,PARKING BRAKE | |
| REF # | 54005 | 
|---|---|
| PART NUMBER | |
| QUANTITY | 1 | 
| DESTINATION | |
| REMARKS | |
| CABLE-BRAKE,PARKING BRAKE | |
| REF # | 54005A | 
|---|---|
| PART NUMBER | |
| QUANTITY | 2 | 
| DESTINATION | |
| REMARKS | |
| PIN | |
| REF # | 92043 | 
|---|---|
| PART NUMBER | |
| QUANTITY | 1 | 
| DESTINATION | |
| REMARKS | |
| BAND,OS170-FT7(BLACK) | |
| REF # | 92072 | 
|---|---|
| PART NUMBER | |
| QUANTITY | 8 | 
| DESTINATION | |
| REMARKS | |
| DAMPER | |
| REF # | 92161 | 
|---|---|
| PART NUMBER | |
| QUANTITY | 14 | 
| DESTINATION | |
| REMARKS | |
| SCREW,TAPPING,6X16 | |
| REF # | 92172 | 
|---|---|
| PART NUMBER | |
| QUANTITY | 14 | 
| DESTINATION | |
| REMARKS | |
| CLAMP | |
| REF # | 92173 | 
|---|---|
| PART NUMBER | |
| QUANTITY | 6 | 
| DESTINATION | |
| REMARKS | |
| CLAMP,LH | |
| REF # | 92173A | 
|---|---|
| PART NUMBER | |
| QUANTITY | 1 | 
| DESTINATION | |
| REMARKS | |
| CLAMP,RH | |
| REF # | 92173B | 
|---|---|
| PART NUMBER | |
| QUANTITY | 1 | 
| DESTINATION | |
| REMARKS | |
| CLAMP | |
| REF # | 92173C | 
|---|---|
| PART NUMBER | |
| QUANTITY | 6 | 
| DESTINATION | |
| REMARKS | |
| TUBE,CORRUGATED,L=100 | |
| REF # | 92192 | 
|---|---|
| PART NUMBER | |
| QUANTITY | 1 | 
| DESTINATION | |
| REMARKS | |
| PIN-COTTER,2.5X18 | |
| REF # | 550 | 
|---|---|
| PART NUMBER | |
| QUANTITY | 1 | 
| DESTINATION | |
| REMARKS | |