main content of page
Parts Diagrams
OWNER CENTER |
Welcome, Kawasaki owners. Access the information and tools you need to get the most out of your vehicle.
OWNER CENTER |
Welcome, Kawasaki owners. Access the information and tools you need to get the most out of your vehicle.
Parts Diagrams |
11009
11009
11012
11012
11056
11056
11056
11056
11061
11061
13107
13107
13280
13280
14037
14037
14092
14092
14092A
14092A
14092B
14092B
14092C
14092C
16142
16142
16160
16160
16160A
16160A
21008
21008
39061
39061
39062
39062
39062A
39062A
39062B
39062B
39062C
39062C
39062D
39062D
39062E
39062E
39192
39192
39192A
39192A
43078
43078
49054
49054
49063
49063
49085
49085
59256
59256
59502
59502
92002
92002
92022
92022
92022A
92022A
92022B
92022B
92022B
92022B
92022B
92022B
92022C
92022C
92037
92037
92037
92037
92037
92037
92037A
92037A
92037A
92037A
92055
92055
92071
92071
92072
92072
92072A
92072A
92072B
92072B
92072B
92072B
92143
92143
92143
92143
92152
92152
92152
92152
92154
92154
92154
92154
92154A
92154A
92154B
92154B
92161
92161
92161
92161
92161A
92161A
92161A
92161A
92171
92171
92171
92171
92171
92171
92171
92171
92171
92171
92171
92171
92171
92171
92171A
92171A
92171B
92171B
92210
92210
92210
92210
92210
92210
130
130
130A
130A
130A
130A
130A
130A
130A
130A
130B
130B
130B
130B
132
132
132
132
132A
132A
132B
132B
132B
132B
132C
132C
480
480
551
551
670
670
702
702
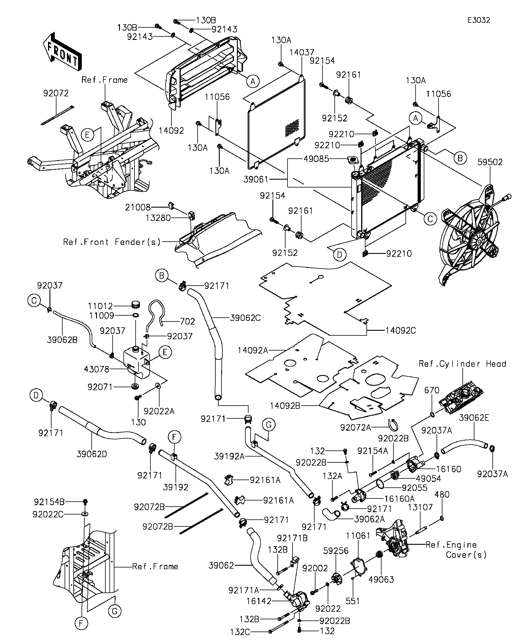
| ITEM NAME | REF # | PART NUMBER | QUANTITY | DESTINATION | REMARKS |
|---|---|---|---|---|---|
| GASKET,RESERVOIR TANK CAP | 11009 | 11009-1145 | 1 | ||
| CAP | 11012 | 11012-1084 | 1 | ||
| BRACKET | 11056 | 11056-0722 | 2 | ||
| GASKET,WATER PUMP COVER | 11061 | 11061-0731 | 1 | ||
| SHAFT,WATER PUMP | 13107 | 13107-0719 | 1 | ||
| HOLDER,BREAKER | 13280 | 13280-0082 | 1 | ||
| SCREEN | 14037 | 14037-0739 | 1 | ||
| COVER,RADIATOR,F.BLACK | 14092 | 14092-0086-6Z | 1 | ||
| COVER,HEAT GUARD,FR | 14092A | 14092-1060 | 1 | ||
| COVER,HEAT GUARD,RR | 14092B | 14092-1061 | 1 | ||
| COVER,CHAMBER | 14092C | 14092-1142 | 1 | ||
| COVER-PUMP,WATER | 16142 | 16142-0705 | 1 | ||
| BODY,THERMOSTAT,LWR | 16160 | 16160-0734 | 1 | ||
| BODY,THERMOSTAT,UPP | 16160A | 16160-0735 | 1 | ||
| BREAKER,RAD. FAN,20A | 21008 | 21008-0554 | 1 | ||
| RADIATOR-ASSY | 39061 | 39061-0568 | 1 | ||
| HOSE-COOLING,WATER PUMP IN | 39062 | 39062-0580 | 1 | ||
| HOSE-COOLING,THERMO OUT | 39062A | 39062-0581 | 1 | ||
| HOSE-COOLING,RESERVOIR-RAD. | 39062B | 39062-0582 | 1 | ||
| HOSE-COOLING,RADIATOR IN | 39062C | 39062-0619 | 1 | ||
| HOSE-COOLING,RADIATOR OUT | 39062D | 39062-0620 | 1 | ||
| HOSE-COOLING,RR HEAD-THERMO. | 39062E | 39062-0621 | 1 | ||
| PIPE-WATER,LH | 39192 | 39192-0569 | 1 | ||
| PIPE-WATER,RH | 39192A | 39192-0571 | 1 | ||
| RESERVOIR | 43078 | 43078-0070 | 1 | ||
| THERMOSTAT | 49054 | 49054-1055 | 1 | ||
| SEAL-MECHANICAL,WATER | 49063 | 49063-1055 | 1 | ||
| CAP-ASSY-PRESSURE | 49085 | 49085-0005 | 1 | ||
| IMPELLER | 59256 | 59256-0555 | 1 | ||
| FAN-ASSY | 59502 | 59502-0566 | 1 | ||
| BOLT,6X22 | 92002 | 92002-1154 | 1 | ||
| WASHER,6.1X12X1 | 92022 | 92022-077 | 1 | ||
| WASHER,PLAIN,6MM | 92022A | 92022-165 | 1 | ||
| WASHER,6.2X11X1 | 92022B | 92022-304 | 3 | ||
| WASHER,6.2X20X2 | 92022C | 92022-3714 | 2 | ||
| CLAMP,TUBE | 92037 | 92037-1461 | 3 | ||
| CLAMP,COOLING HOSE | 92037A | 92037-1589 | 2 | ||
| RING-O,44.7X2.4 | 92055 | 92055-1279 | 1 | ||
| GROMMET | 92071 | 92071-1115 | 1 | ||
| BAND,L=218 | 92072 | 92072-032 | 1 | ||
| BAND,L=250 | 92072A | 92072-1237 | 1 | ||
| BAND,L=368.3 | 92072B | 92072-3872 | 2 | ||
| COLLAR | 92143 | 92143-1087 | 4 | ||
| COLLAR | 92152 | 92152-1512 | 4 | ||
| BOLT,FLANGED,6X25 | 92154 | 92154-0498 | 4 | ||
| BOLT,SOCKET,6X25 | 92154A | 92154-1142 | 1 | ||
| BOLT,FLANGED,6X12 | 92154B | 92154-1195 | 2 | ||
| DAMPER | 92161 | 92161-1349 | 4 | ||
| DAMPER,PIPE WATER | 92161A | 92161-1513 | 2 | ||
| CLAMP,COOLING HOSE | 92171 | 92171-0060 | 7 | ||
| CLAMP | 92171A | 92171-0179 | 1 | ||
| CLAMP | 92171B | 92171-0926 | 1 | ||
| NUT | 92210 | 92210-0867 | 6 | ||
| BOLT-FLANGED,6X16 | 130 | 130BA0616 | 1 | ||
| BOLT-FLANGED,6X10 | 130A | 130BB0610 | 8 | ||
| BOLT-FLANGED,6X14 | 130B | 130BB0614 | 4 | ||
| BOLT-FLANGED-SMALL,6X12 | 132 | 132BA0612 | 2 | ||
| BOLT-FLANGED-SMALL,6X20 | 132A | 132BA0620 | 3 | ||
| BOLT-FLANGED-SMALL,6X40 | 132B | 132BA0640 | 3 | ||
| BOLT-FLANGED-SMALL,6X80 | 132C | 132BA0680 | 1 | ||
| CIRCLIP-TYPE-C,12MM | 480 | 480J1200 | 1 | ||
| PIN-DOWEL,4X8 | 551 | 551A0408 | 2 | ||
| O RING,20MM | 670 | 670B2020 | 1 | ||
| TUBE-RUBBER,5X8X380 | 702 | 702A05380 | 1 |
| GASKET,RESERVOIR TANK CAP | |
| REF # | 11009 |
|---|---|
| PART NUMBER | |
| QUANTITY | 1 |
| DESTINATION | |
| REMARKS | |
| CAP | |
| REF # | 11012 |
|---|---|
| PART NUMBER | |
| QUANTITY | 1 |
| DESTINATION | |
| REMARKS | |
| BRACKET | |
| REF # | 11056 |
|---|---|
| PART NUMBER | |
| QUANTITY | 2 |
| DESTINATION | |
| REMARKS | |
| GASKET,WATER PUMP COVER | |
| REF # | 11061 |
|---|---|
| PART NUMBER | |
| QUANTITY | 1 |
| DESTINATION | |
| REMARKS | |
| SHAFT,WATER PUMP | |
| REF # | 13107 |
|---|---|
| PART NUMBER | |
| QUANTITY | 1 |
| DESTINATION | |
| REMARKS | |
| HOLDER,BREAKER | |
| REF # | 13280 |
|---|---|
| PART NUMBER | |
| QUANTITY | 1 |
| DESTINATION | |
| REMARKS | |
| SCREEN | |
| REF # | 14037 |
|---|---|
| PART NUMBER | |
| QUANTITY | 1 |
| DESTINATION | |
| REMARKS | |
| COVER,RADIATOR,F.BLACK | |
| REF # | 14092 |
|---|---|
| PART NUMBER | |
| QUANTITY | 1 |
| DESTINATION | |
| REMARKS | |
| COVER,HEAT GUARD,FR | |
| REF # | 14092A |
|---|---|
| PART NUMBER | |
| QUANTITY | 1 |
| DESTINATION | |
| REMARKS | |
| COVER,HEAT GUARD,RR | |
| REF # | 14092B |
|---|---|
| PART NUMBER | |
| QUANTITY | 1 |
| DESTINATION | |
| REMARKS | |
| COVER,CHAMBER | |
| REF # | 14092C |
|---|---|
| PART NUMBER | |
| QUANTITY | 1 |
| DESTINATION | |
| REMARKS | |
| COVER-PUMP,WATER | |
| REF # | 16142 |
|---|---|
| PART NUMBER | |
| QUANTITY | 1 |
| DESTINATION | |
| REMARKS | |
| BODY,THERMOSTAT,LWR | |
| REF # | 16160 |
|---|---|
| PART NUMBER | |
| QUANTITY | 1 |
| DESTINATION | |
| REMARKS | |
| BODY,THERMOSTAT,UPP | |
| REF # | 16160A |
|---|---|
| PART NUMBER | |
| QUANTITY | 1 |
| DESTINATION | |
| REMARKS | |
| BREAKER,RAD. FAN,20A | |
| REF # | 21008 |
|---|---|
| PART NUMBER | |
| QUANTITY | 1 |
| DESTINATION | |
| REMARKS | |
| RADIATOR-ASSY | |
| REF # | 39061 |
|---|---|
| PART NUMBER | |
| QUANTITY | 1 |
| DESTINATION | |
| REMARKS | |
| HOSE-COOLING,WATER PUMP IN | |
| REF # | 39062 |
|---|---|
| PART NUMBER | |
| QUANTITY | 1 |
| DESTINATION | |
| REMARKS | |
| HOSE-COOLING,THERMO OUT | |
| REF # | 39062A |
|---|---|
| PART NUMBER | |
| QUANTITY | 1 |
| DESTINATION | |
| REMARKS | |
| HOSE-COOLING,RESERVOIR-RAD. | |
| REF # | 39062B |
|---|---|
| PART NUMBER | |
| QUANTITY | 1 |
| DESTINATION | |
| REMARKS | |
| HOSE-COOLING,RADIATOR IN | |
| REF # | 39062C |
|---|---|
| PART NUMBER | |
| QUANTITY | 1 |
| DESTINATION | |
| REMARKS | |
| HOSE-COOLING,RADIATOR OUT | |
| REF # | 39062D |
|---|---|
| PART NUMBER | |
| QUANTITY | 1 |
| DESTINATION | |
| REMARKS | |
| HOSE-COOLING,RR HEAD-THERMO. | |
| REF # | 39062E |
|---|---|
| PART NUMBER | |
| QUANTITY | 1 |
| DESTINATION | |
| REMARKS | |
| PIPE-WATER,LH | |
| REF # | 39192 |
|---|---|
| PART NUMBER | |
| QUANTITY | 1 |
| DESTINATION | |
| REMARKS | |
| PIPE-WATER,RH | |
| REF # | 39192A |
|---|---|
| PART NUMBER | |
| QUANTITY | 1 |
| DESTINATION | |
| REMARKS | |
| RESERVOIR | |
| REF # | 43078 |
|---|---|
| PART NUMBER | |
| QUANTITY | 1 |
| DESTINATION | |
| REMARKS | |
| THERMOSTAT | |
| REF # | 49054 |
|---|---|
| PART NUMBER | |
| QUANTITY | 1 |
| DESTINATION | |
| REMARKS | |
| SEAL-MECHANICAL,WATER | |
| REF # | 49063 |
|---|---|
| PART NUMBER | |
| QUANTITY | 1 |
| DESTINATION | |
| REMARKS | |
| CAP-ASSY-PRESSURE | |
| REF # | 49085 |
|---|---|
| PART NUMBER | |
| QUANTITY | 1 |
| DESTINATION | |
| REMARKS | |
| IMPELLER | |
| REF # | 59256 |
|---|---|
| PART NUMBER | |
| QUANTITY | 1 |
| DESTINATION | |
| REMARKS | |
| FAN-ASSY | |
| REF # | 59502 |
|---|---|
| PART NUMBER | |
| QUANTITY | 1 |
| DESTINATION | |
| REMARKS | |
| BOLT,6X22 | |
| REF # | 92002 |
|---|---|
| PART NUMBER | |
| QUANTITY | 1 |
| DESTINATION | |
| REMARKS | |
| WASHER,6.1X12X1 | |
| REF # | 92022 |
|---|---|
| PART NUMBER | |
| QUANTITY | 1 |
| DESTINATION | |
| REMARKS | |
| WASHER,PLAIN,6MM | |
| REF # | 92022A |
|---|---|
| PART NUMBER | |
| QUANTITY | 1 |
| DESTINATION | |
| REMARKS | |
| WASHER,6.2X11X1 | |
| REF # | 92022B |
|---|---|
| PART NUMBER | |
| QUANTITY | 3 |
| DESTINATION | |
| REMARKS | |
| WASHER,6.2X20X2 | |
| REF # | 92022C |
|---|---|
| PART NUMBER | |
| QUANTITY | 2 |
| DESTINATION | |
| REMARKS | |
| CLAMP,TUBE | |
| REF # | 92037 |
|---|---|
| PART NUMBER | |
| QUANTITY | 3 |
| DESTINATION | |
| REMARKS | |
| CLAMP,COOLING HOSE | |
| REF # | 92037A |
|---|---|
| PART NUMBER | |
| QUANTITY | 2 |
| DESTINATION | |
| REMARKS | |
| RING-O,44.7X2.4 | |
| REF # | 92055 |
|---|---|
| PART NUMBER | |
| QUANTITY | 1 |
| DESTINATION | |
| REMARKS | |
| GROMMET | |
| REF # | 92071 |
|---|---|
| PART NUMBER | |
| QUANTITY | 1 |
| DESTINATION | |
| REMARKS | |
| BAND,L=218 | |
| REF # | 92072 |
|---|---|
| PART NUMBER | |
| QUANTITY | 1 |
| DESTINATION | |
| REMARKS | |
| BAND,L=250 | |
| REF # | 92072A |
|---|---|
| PART NUMBER | |
| QUANTITY | 1 |
| DESTINATION | |
| REMARKS | |
| BAND,L=368.3 | |
| REF # | 92072B |
|---|---|
| PART NUMBER | |
| QUANTITY | 2 |
| DESTINATION | |
| REMARKS | |
| COLLAR | |
| REF # | 92143 |
|---|---|
| PART NUMBER | |
| QUANTITY | 4 |
| DESTINATION | |
| REMARKS | |
| COLLAR | |
| REF # | 92152 |
|---|---|
| PART NUMBER | |
| QUANTITY | 4 |
| DESTINATION | |
| REMARKS | |
| BOLT,FLANGED,6X25 | |
| REF # | 92154 |
|---|---|
| PART NUMBER | |
| QUANTITY | 4 |
| DESTINATION | |
| REMARKS | |
| BOLT,SOCKET,6X25 | |
| REF # | 92154A |
|---|---|
| PART NUMBER | |
| QUANTITY | 1 |
| DESTINATION | |
| REMARKS | |
| BOLT,FLANGED,6X12 | |
| REF # | 92154B |
|---|---|
| PART NUMBER | |
| QUANTITY | 2 |
| DESTINATION | |
| REMARKS | |
| DAMPER | |
| REF # | 92161 |
|---|---|
| PART NUMBER | |
| QUANTITY | 4 |
| DESTINATION | |
| REMARKS | |
| DAMPER,PIPE WATER | |
| REF # | 92161A |
|---|---|
| PART NUMBER | |
| QUANTITY | 2 |
| DESTINATION | |
| REMARKS | |
| CLAMP,COOLING HOSE | |
| REF # | 92171 |
|---|---|
| PART NUMBER | |
| QUANTITY | 7 |
| DESTINATION | |
| REMARKS | |
| CLAMP | |
| REF # | 92171A |
|---|---|
| PART NUMBER | |
| QUANTITY | 1 |
| DESTINATION | |
| REMARKS | |
| CLAMP | |
| REF # | 92171B |
|---|---|
| PART NUMBER | |
| QUANTITY | 1 |
| DESTINATION | |
| REMARKS | |
| NUT | |
| REF # | 92210 |
|---|---|
| PART NUMBER | |
| QUANTITY | 6 |
| DESTINATION | |
| REMARKS | |
| BOLT-FLANGED,6X16 | |
| REF # | 130 |
|---|---|
| PART NUMBER | |
| QUANTITY | 1 |
| DESTINATION | |
| REMARKS | |
| BOLT-FLANGED,6X10 | |
| REF # | 130A |
|---|---|
| PART NUMBER | |
| QUANTITY | 8 |
| DESTINATION | |
| REMARKS | |
| BOLT-FLANGED,6X14 | |
| REF # | 130B |
|---|---|
| PART NUMBER | |
| QUANTITY | 4 |
| DESTINATION | |
| REMARKS | |
| BOLT-FLANGED-SMALL,6X12 | |
| REF # | 132 |
|---|---|
| PART NUMBER | |
| QUANTITY | 2 |
| DESTINATION | |
| REMARKS | |
| BOLT-FLANGED-SMALL,6X20 | |
| REF # | 132A |
|---|---|
| PART NUMBER | |
| QUANTITY | 3 |
| DESTINATION | |
| REMARKS | |
| BOLT-FLANGED-SMALL,6X40 | |
| REF # | 132B |
|---|---|
| PART NUMBER | |
| QUANTITY | 3 |
| DESTINATION | |
| REMARKS | |
| BOLT-FLANGED-SMALL,6X80 | |
| REF # | 132C |
|---|---|
| PART NUMBER | |
| QUANTITY | 1 |
| DESTINATION | |
| REMARKS | |
| CIRCLIP-TYPE-C,12MM | |
| REF # | 480 |
|---|---|
| PART NUMBER | |
| QUANTITY | 1 |
| DESTINATION | |
| REMARKS | |
| PIN-DOWEL,4X8 | |
| REF # | 551 |
|---|---|
| PART NUMBER | |
| QUANTITY | 2 |
| DESTINATION | |
| REMARKS | |
| O RING,20MM | |
| REF # | 670 |
|---|---|
| PART NUMBER | |
| QUANTITY | 1 |
| DESTINATION | |
| REMARKS | |
| TUBE-RUBBER,5X8X380 | |
| REF # | 702 |
|---|---|
| PART NUMBER | |
| QUANTITY | 1 |
| DESTINATION | |
| REMARKS | |