Skip to main content

Parts Diagrams

customer service agent speaking with a customer

Welcome, Kawasaki owners. Access the information and tools you need to get the most out of your vehicle.

Welcome, Kawasaki owners. Access the information and tools you need to get the most out of your vehicle.

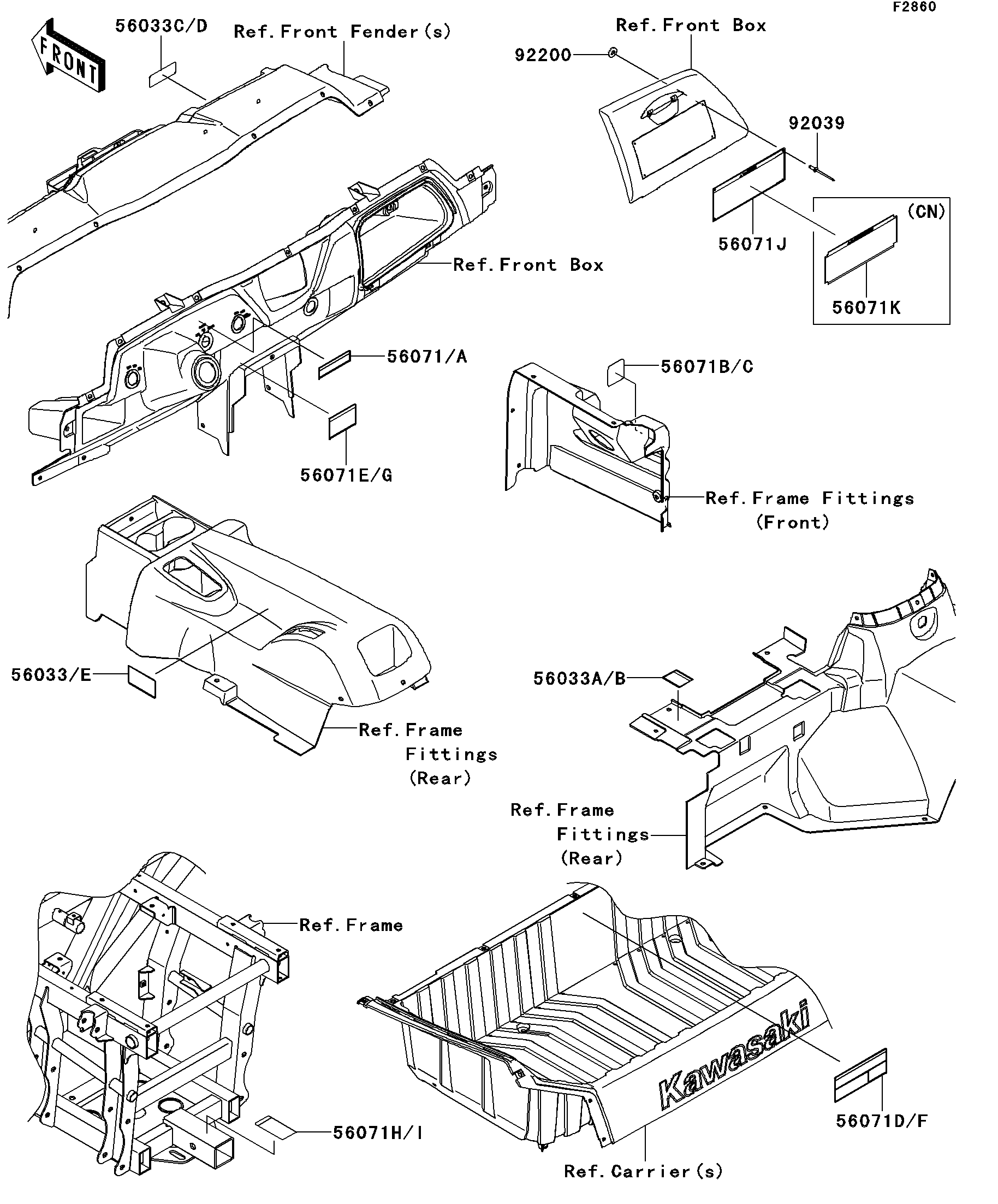
56033A
56033C
56033E
56071
56071B
56071D
56071E
56071H
56071J
92039
92200
Part Item Information
ITEM NAME REF # PART NUMBER QUANTITY DESTINATION REMARKS
LABEL-MANUAL,OIL MAINTENANCE 56033A 56033-0372 1
LABEL-MANUAL,AIR CLEANER 56033C 56033-0724 1
LABEL-MANUAL,DRIVE BELT 56033E 56033-0739 1
LABEL-WARNING,SHIFT CAUTION 56071 56071-0128 1
LABEL-WARNING,GASOLINE 56071B 56071-0292 1
LABEL-WARNING,CARGO CAPACITY 56071D 56071-0309 1
LABEL-WARNING,TIRE INFO. 56071E 56071-0310 1
LABEL-WARNING,TRAILER HITCH 56071H 56071-0333 1
LABEL-WARNING 56071J 56071-0378 1
RIVET,3.2X8 92039 92039-3763 4
WASHER,3.5X8X1 92200 92200-1251 4