main content of page
Parts Diagrams
                        OWNER CENTER | 
                    
        Welcome, Kawasaki owners. Access the information and tools you need to get the most out of your vehicle.
                            OWNER CENTER | 
                        
Welcome, Kawasaki owners. Access the information and tools you need to get the most out of your vehicle.
                            Parts Diagrams | 
                        
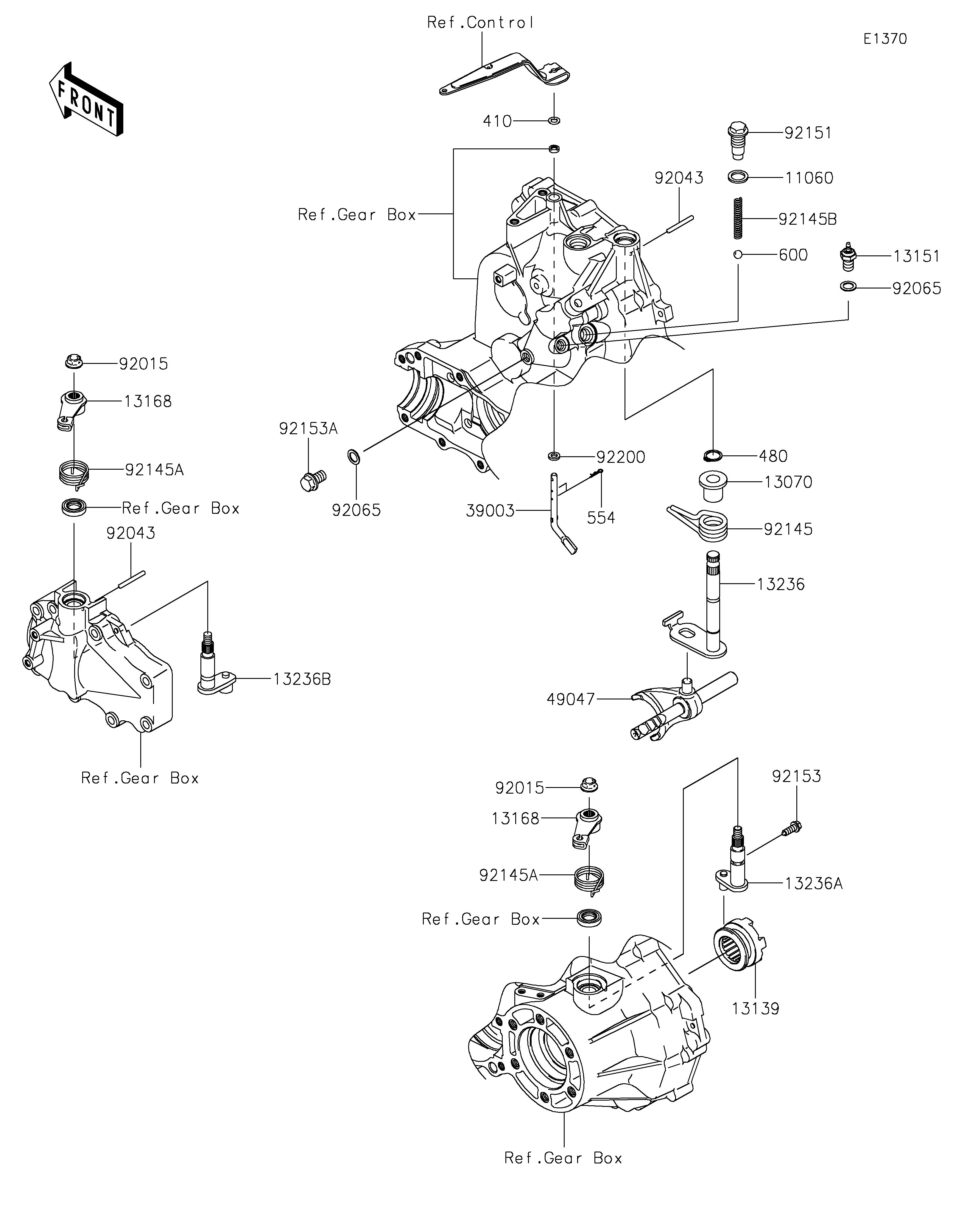
2026 MULE SX™ 4x4 - Gear Change Mechanism
                                            11060
                                        
                                    
                                            13070
                                        
                                    
                                            13139
                                        
                                    
                                            13151
                                        
                                    
                                            13168
                                        
                                    
                                            13168
                                        
                                    
                                            13236
                                        
                                    
                                            13236A
                                        
                                    
                                            13236B
                                        
                                    
                                            39003
                                        
                                    
                                            49047
                                        
                                    
                                            92015
                                        
                                    
                                            92015
                                        
                                    
                                            92043
                                        
                                    
                                            92043
                                        
                                    
                                            92065
                                        
                                    
                                            92065
                                        
                                    
                                            92145
                                        
                                    
                                            92145A
                                        
                                    
                                            92145A
                                        
                                    
                                            92145B
                                        
                                    
                                            92151
                                        
                                    
                                            92153
                                        
                                    
                                            92153A
                                        
                                    
                                            92200
                                        
                                    
                                            410
                                        
                                    
                                            480
                                        
                                    
                                            554
                                        
                                    
                                            600
                                        
                                    | ITEM NAME | REF # | PART NUMBER | QUANTITY | DESTINATION | REMARKS | 
|---|---|---|---|---|---|
| GASKET,14X20X2 | 11060 | 11060-1287 | 1 | ||
| GUIDE | 13070 | 13070-0030 | 1 | ||
| SHIFTER,DIFF LOCK | 13139 | 13139-0008 | 1 | ||
| SWITCH-COMP,NEUTRAL | 13151 | 13151-1080 | 1 | ||
| LEVER,DIFF LOCK | 13168 | 13168-1523 | 2 | ||
| LEVER-COMP,FR/RR | 13236 | 13236-0036 | 1 | ||
| LEVER-COMP,DIFF LOCK | 13236A | 13236-0037 | 1 | ||
| LEVER-COMP,2WD/4WD | 13236B | 13236-0168 | 1 | ||
| ARM-PIVOT,GOVERNOR | 39003 | 39003-1053 | 1 | ||
| ROD-SHIFT,FR/RR | 49047 | 49047-0013 | 1 | ||
| NUT,FLANGED,8MM | 92015 | 92015-1406 | 2 | ||
| PIN,4X34.8 | 92043 | 92043-1579 | 2 | ||
| GASKET,10.5X16X1 | 92065 | 92065-058 | 2 | ||
| SPRING | 92145 | 92145-0146 | 1 | ||
| SPRING | 92145A | 92145-0226 | 2 | ||
| SPRING,CHANGE POSITION | 92145B | 92145-1297 | 1 | ||
| BOLT,CHANGE POSITION | 92151 | 92151-1687 | 1 | ||
| BOLT,6X16.6 | 92153 | 92153-0591 | 1 | ||
| BOLT,10X16 | 92153A | 92153-0621 | 1 | ||
| WASHER,6.5X11.5X2.0 | 92200 | 92200-2029 | 1 | ||
| WASHER-PLAIN-SMALL | 410 | 410AA0600 | 1 | ||
| CIRCLIP-TYPE-C,13MM | 480 | 480J1300 | 1 | ||
| PIN-SNAP,1.2X21.2 | 554 | 554DA0600 | 2 | ||
| BALL-STEEL,5/16 | 600 | 600A1000 | 1 | 
| GASKET,14X20X2 | |
| REF # | 11060 | 
|---|---|
| PART NUMBER | |
| QUANTITY | 1 | 
| DESTINATION | |
| REMARKS | |
| GUIDE | |
| REF # | 13070 | 
|---|---|
| PART NUMBER | |
| QUANTITY | 1 | 
| DESTINATION | |
| REMARKS | |
| SHIFTER,DIFF LOCK | |
| REF # | 13139 | 
|---|---|
| PART NUMBER | |
| QUANTITY | 1 | 
| DESTINATION | |
| REMARKS | |
| SWITCH-COMP,NEUTRAL | |
| REF # | 13151 | 
|---|---|
| PART NUMBER | |
| QUANTITY | 1 | 
| DESTINATION | |
| REMARKS | |
| LEVER,DIFF LOCK | |
| REF # | 13168 | 
|---|---|
| PART NUMBER | |
| QUANTITY | 2 | 
| DESTINATION | |
| REMARKS | |
| LEVER-COMP,FR/RR | |
| REF # | 13236 | 
|---|---|
| PART NUMBER | |
| QUANTITY | 1 | 
| DESTINATION | |
| REMARKS | |
| LEVER-COMP,DIFF LOCK | |
| REF # | 13236A | 
|---|---|
| PART NUMBER | |
| QUANTITY | 1 | 
| DESTINATION | |
| REMARKS | |
| LEVER-COMP,2WD/4WD | |
| REF # | 13236B | 
|---|---|
| PART NUMBER | |
| QUANTITY | 1 | 
| DESTINATION | |
| REMARKS | |
| ARM-PIVOT,GOVERNOR | |
| REF # | 39003 | 
|---|---|
| PART NUMBER | |
| QUANTITY | 1 | 
| DESTINATION | |
| REMARKS | |
| ROD-SHIFT,FR/RR | |
| REF # | 49047 | 
|---|---|
| PART NUMBER | |
| QUANTITY | 1 | 
| DESTINATION | |
| REMARKS | |
| NUT,FLANGED,8MM | |
| REF # | 92015 | 
|---|---|
| PART NUMBER | |
| QUANTITY | 2 | 
| DESTINATION | |
| REMARKS | |
| PIN,4X34.8 | |
| REF # | 92043 | 
|---|---|
| PART NUMBER | |
| QUANTITY | 2 | 
| DESTINATION | |
| REMARKS | |
| GASKET,10.5X16X1 | |
| REF # | 92065 | 
|---|---|
| PART NUMBER | |
| QUANTITY | 2 | 
| DESTINATION | |
| REMARKS | |
| SPRING | |
| REF # | 92145 | 
|---|---|
| PART NUMBER | |
| QUANTITY | 1 | 
| DESTINATION | |
| REMARKS | |
| SPRING | |
| REF # | 92145A | 
|---|---|
| PART NUMBER | |
| QUANTITY | 2 | 
| DESTINATION | |
| REMARKS | |
| SPRING,CHANGE POSITION | |
| REF # | 92145B | 
|---|---|
| PART NUMBER | |
| QUANTITY | 1 | 
| DESTINATION | |
| REMARKS | |
| BOLT,CHANGE POSITION | |
| REF # | 92151 | 
|---|---|
| PART NUMBER | |
| QUANTITY | 1 | 
| DESTINATION | |
| REMARKS | |
| BOLT,6X16.6 | |
| REF # | 92153 | 
|---|---|
| PART NUMBER | |
| QUANTITY | 1 | 
| DESTINATION | |
| REMARKS | |
| BOLT,10X16 | |
| REF # | 92153A | 
|---|---|
| PART NUMBER | |
| QUANTITY | 1 | 
| DESTINATION | |
| REMARKS | |
| WASHER,6.5X11.5X2.0 | |
| REF # | 92200 | 
|---|---|
| PART NUMBER | |
| QUANTITY | 1 | 
| DESTINATION | |
| REMARKS | |
| WASHER-PLAIN-SMALL | |
| REF # | 410 | 
|---|---|
| PART NUMBER | |
| QUANTITY | 1 | 
| DESTINATION | |
| REMARKS | |
| CIRCLIP-TYPE-C,13MM | |
| REF # | 480 | 
|---|---|
| PART NUMBER | |
| QUANTITY | 1 | 
| DESTINATION | |
| REMARKS | |
| PIN-SNAP,1.2X21.2 | |
| REF # | 554 | 
|---|---|
| PART NUMBER | |
| QUANTITY | 2 | 
| DESTINATION | |
| REMARKS | |
| BALL-STEEL,5/16 | |
| REF # | 600 | 
|---|---|
| PART NUMBER | |
| QUANTITY | 1 | 
| DESTINATION | |
| REMARKS | |