main content of page
Parts Diagrams
                        OWNER CENTER | 
                    
        Welcome, Kawasaki owners. Access the information and tools you need to get the most out of your vehicle.
                            OWNER CENTER | 
                        
Welcome, Kawasaki owners. Access the information and tools you need to get the most out of your vehicle.
                            Parts Diagrams | 
                        
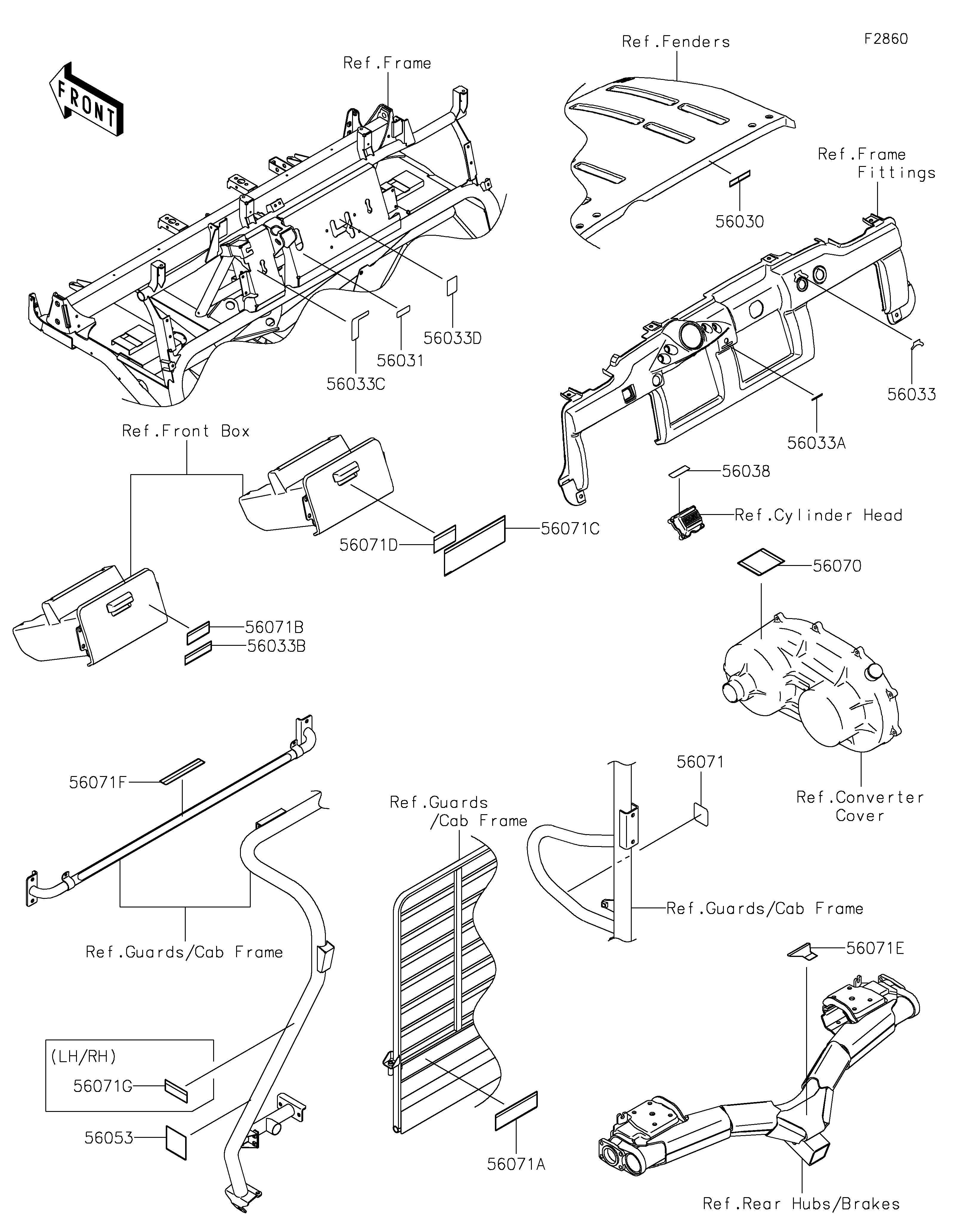
                                            56030
                                        
                                    
                                            56031
                                        
                                    
                                            56033
                                        
                                    
                                            56033A
                                        
                                    
                                            56033B
                                        
                                    
                                            56033C
                                        
                                    
                                            56033D
                                        
                                    
                                            56038
                                        
                                    
                                            56053
                                        
                                    
                                            56070
                                        
                                    
                                            56071
                                        
                                    
                                            56071A
                                        
                                    
                                            56071B
                                        
                                    
                                            56071C
                                        
                                    
                                            56071D
                                        
                                    
                                            56071E
                                        
                                    
                                            56071F
                                        
                                    
                                            56071G
                                        
                                    | ITEM NAME | REF # | PART NUMBER | QUANTITY | DESTINATION | REMARKS | 
|---|---|---|---|---|---|
| LABEL,OPERATING HOOD | 56030 | 56030-1563 | 1 | ||
| LABEL-MANUAL,BRAKE FLUID LEVEL | 56031 | 56031-1818 | 1 | ||
| LABEL-MANUAL,IGNITION | 56033 | 56033-0212 | 1 | ||
| LABEL-MANUAL,POWER STEERING | 56033A | 56033-0213 | 1 | ||
| LABEL-MANUAL,SHIFT NOTICE | 56033B | 56033-0822 | 1 | ||
| LABEL-MANUAL,DIFF MODE | 56033C | 56033-1183 | 1 | ||
| LABEL-MANUAL,SHIFT | 56033D | 56033-1205 | 1 | ||
| LABEL-BRAND | 56038 | 56038-2782 | 1 | ||
| LABEL-SPECIFICATION,TIRE | 56053 | 56053-1631 | 1 | ||
| LABEL-WARNING,HOT SURFACES | 56070 | 56070-0051 | 1 | ||
| LABEL-WARNING,GASOLINE | 56071 | 56071-0588 | 1 | ||
| LABEL-WARNING,CARGO BED,4P | 56071A | 56071-0637 | 1 | ||
| LABEL-WARNING,CARGO BED | 56071B | 56071-0638 | 1 | ||
| LABEL-WARNING,GENERAL | 56071C | 56071-0645 | 1 | ||
| LABEL-WARNING,HOOD CAUTION | 56071D | 56071-0894 | 1 | ||
| LABEL-WARNING,TRAILER HITCH | 56071E | 56071-0895 | 1 | ||
| LABEL-WARNING,REAR SEAT | 56071F | 56071-0899 | 1 | ||
| LABEL-WARNING,HAND CLEARANCE | 56071G | 56071-0901 | 2 | 
| LABEL,OPERATING HOOD | |
| REF # | 56030 | 
|---|---|
| PART NUMBER | |
| QUANTITY | 1 | 
| DESTINATION | |
| REMARKS | |
| LABEL-MANUAL,BRAKE FLUID LEVEL | |
| REF # | 56031 | 
|---|---|
| PART NUMBER | |
| QUANTITY | 1 | 
| DESTINATION | |
| REMARKS | |
| LABEL-MANUAL,IGNITION | |
| REF # | 56033 | 
|---|---|
| PART NUMBER | |
| QUANTITY | 1 | 
| DESTINATION | |
| REMARKS | |
| LABEL-MANUAL,POWER STEERING | |
| REF # | 56033A | 
|---|---|
| PART NUMBER | |
| QUANTITY | 1 | 
| DESTINATION | |
| REMARKS | |
| LABEL-MANUAL,SHIFT NOTICE | |
| REF # | 56033B | 
|---|---|
| PART NUMBER | |
| QUANTITY | 1 | 
| DESTINATION | |
| REMARKS | |
| LABEL-MANUAL,DIFF MODE | |
| REF # | 56033C | 
|---|---|
| PART NUMBER | |
| QUANTITY | 1 | 
| DESTINATION | |
| REMARKS | |
| LABEL-MANUAL,SHIFT | |
| REF # | 56033D | 
|---|---|
| PART NUMBER | |
| QUANTITY | 1 | 
| DESTINATION | |
| REMARKS | |
| LABEL-BRAND | |
| REF # | 56038 | 
|---|---|
| PART NUMBER | |
| QUANTITY | 1 | 
| DESTINATION | |
| REMARKS | |
| LABEL-SPECIFICATION,TIRE | |
| REF # | 56053 | 
|---|---|
| PART NUMBER | |
| QUANTITY | 1 | 
| DESTINATION | |
| REMARKS | |
| LABEL-WARNING,HOT SURFACES | |
| REF # | 56070 | 
|---|---|
| PART NUMBER | |
| QUANTITY | 1 | 
| DESTINATION | |
| REMARKS | |
| LABEL-WARNING,GASOLINE | |
| REF # | 56071 | 
|---|---|
| PART NUMBER | |
| QUANTITY | 1 | 
| DESTINATION | |
| REMARKS | |
| LABEL-WARNING,CARGO BED,4P | |
| REF # | 56071A | 
|---|---|
| PART NUMBER | |
| QUANTITY | 1 | 
| DESTINATION | |
| REMARKS | |
| LABEL-WARNING,CARGO BED | |
| REF # | 56071B | 
|---|---|
| PART NUMBER | |
| QUANTITY | 1 | 
| DESTINATION | |
| REMARKS | |
| LABEL-WARNING,GENERAL | |
| REF # | 56071C | 
|---|---|
| PART NUMBER | |
| QUANTITY | 1 | 
| DESTINATION | |
| REMARKS | |
| LABEL-WARNING,HOOD CAUTION | |
| REF # | 56071D | 
|---|---|
| PART NUMBER | |
| QUANTITY | 1 | 
| DESTINATION | |
| REMARKS | |
| LABEL-WARNING,TRAILER HITCH | |
| REF # | 56071E | 
|---|---|
| PART NUMBER | |
| QUANTITY | 1 | 
| DESTINATION | |
| REMARKS | |
| LABEL-WARNING,REAR SEAT | |
| REF # | 56071F | 
|---|---|
| PART NUMBER | |
| QUANTITY | 1 | 
| DESTINATION | |
| REMARKS | |
| LABEL-WARNING,HAND CLEARANCE | |
| REF # | 56071G | 
|---|---|
| PART NUMBER | |
| QUANTITY | 2 | 
| DESTINATION | |
| REMARKS | |