Skip to main content

Parts Diagrams

customer service agent speaking with a customer

Welcome, Kawasaki owners. Access the information and tools you need to get the most out of your vehicle.

Welcome, Kawasaki owners. Access the information and tools you need to get the most out of your vehicle.

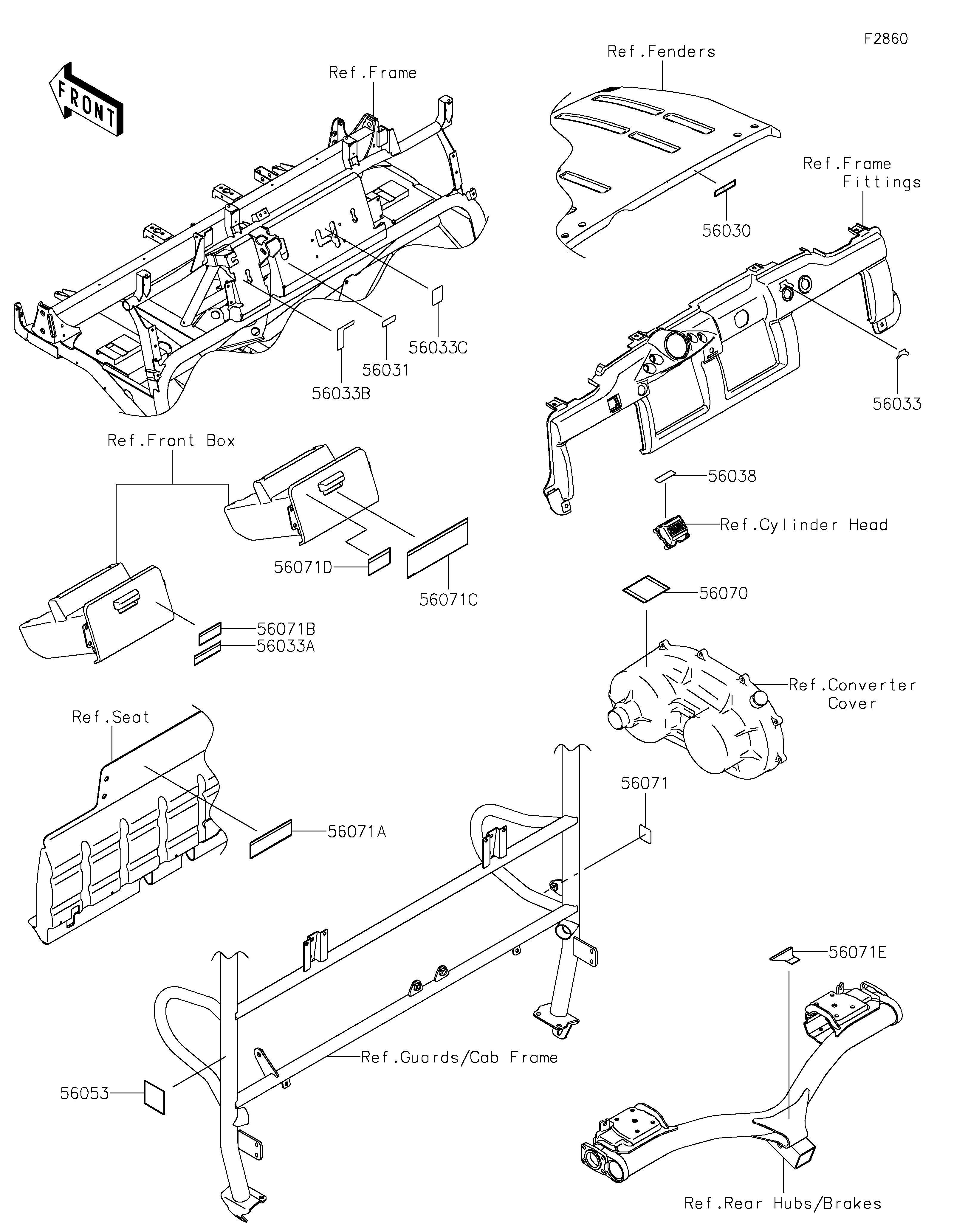
56030
56031
56033
56033A
56033B
56033C
56038
56053
56070
56071
56071A
56071B
56071C
56071D
56071E
Part Item Information
ITEM NAME REF # PART NUMBER QUANTITY DESTINATION REMARKS
LABEL,OPERATING HOOD 56030 56030-1563 1
LABEL-MANUAL,BRAKE FLUID LEVEL 56031 56031-1818 1
LABEL-MANUAL,IGNITION 56033 56033-0212 1
LABEL-MANUAL,SHIFT NOTICE 56033A 56033-0822 1
LABEL-MANUAL,DIFF MODE 56033B 56033-1183 1
LABEL-MANUAL,SHIFT 56033C 56033-1205 1
LABEL-BRAND 56038 56038-2782 1
LABEL-SPECIFICATION,TIRE 56053 56053-1623 1
LABEL-WARNING,HOT SURFACES 56070 56070-0051 1
LABEL-WARNING,GASOLINE 56071 56071-0588 1
LABEL-WARNING,CARGO BED,2P 56071A 56071-0636 1
LABEL-WARNING,CARGO BED 56071B 56071-0638 1
LABEL-WARNING,GENERAL 56071C 56071-0644 1
LABEL-WARNING,HOOD CAUTION 56071D 56071-0894 1
LABEL-WARNING,TRAILER HITCH 56071E 56071-0895 1