main content of page
Parts Diagrams
OWNER CENTER |

Welcome, Kawasaki owners. Access the information and tools you need to get the most out of your vehicle.
OWNER CENTER |
Welcome, Kawasaki owners. Access the information and tools you need to get the most out of your vehicle.
Parts Diagrams |
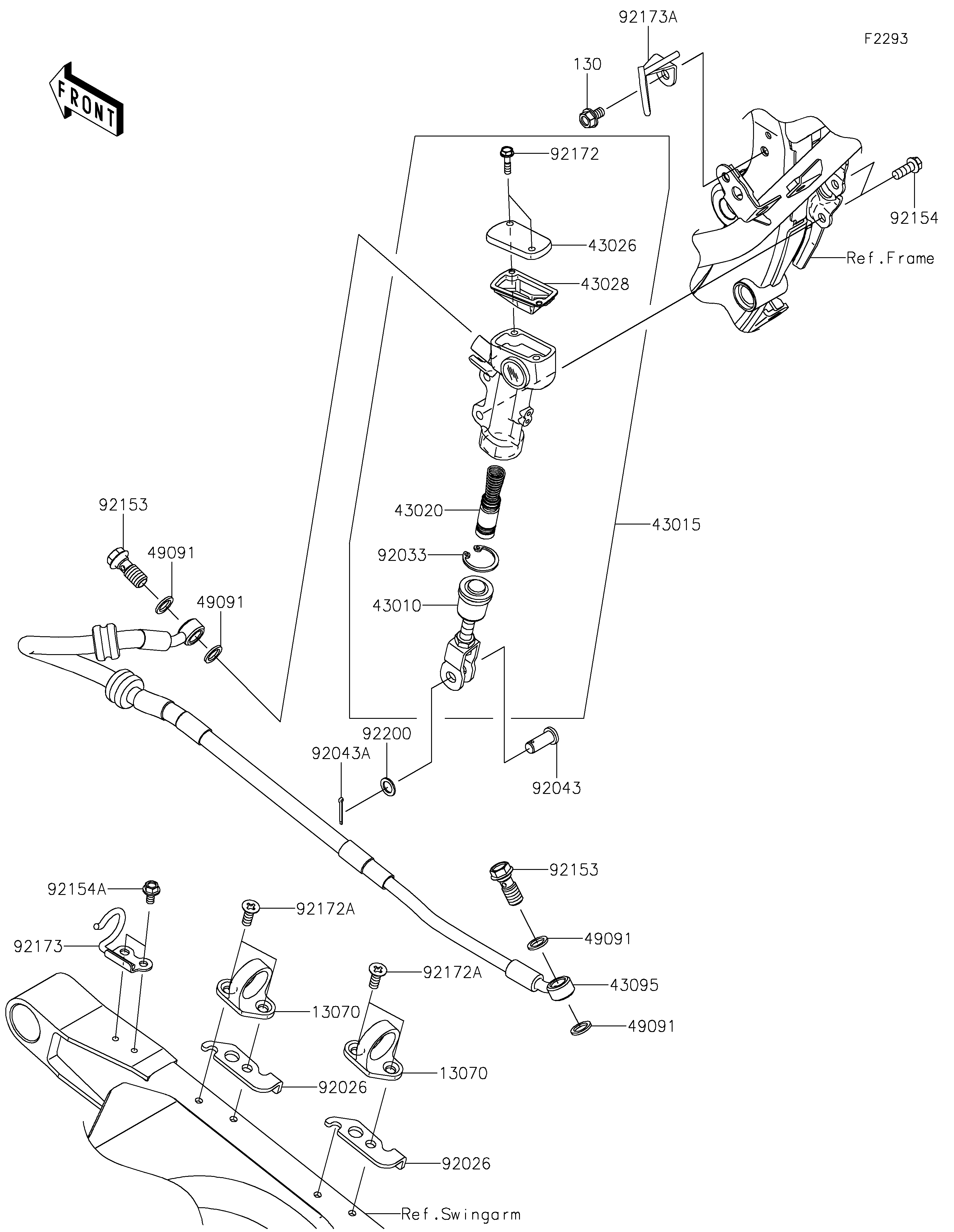
2026 KLX®230R S - Rear Master Cylinder
13070
13070
43010
43015
43020
43026
43028
43095
49091
49091
49091
49091
92026
92026
92033
92043
92043A
92153
92153
92154
92154A
92172
92172A
92172A
92173
92173A
92200
130
ITEM NAME | REF # | PART NUMBER | QUANTITY | DESTINATION | REMARKS |
---|---|---|---|---|---|
GUIDE,HOSE | 13070 | 13070-1144 | 2 | ||
ROD-ASSY-BRAKE | 43010 | 43010-0025 | 1 | ||
CYLINDER-ASSY-MASTER,RR | 43015 | 43015-0724 | 1 | ||
PISTON-COMP-BRAKE | 43020 | 43020-1094 | 1 | ||
CAP-BRAKE | 43026 | 43026-0023 | 1 | ||
DIAPHRAGM | 43028 | 43028-1092 | 1 | ||
HOSE-BRAKE,RR CALIPER-RR M/C | 43095 | 43095-2079 | 1 | ||
WASHER-SEAL,10.1X14.5X1.5 | 49091 | 49091-0001 | 4 | ||
SPACER | 92026 | 92026-0879 | 2 | ||
RING-SNAP,20.9X24.6X1.2 | 92033 | 92033-0079 | 1 | ||
PIN | 92043 | 92043-0004 | 1 | ||
PIN,COTTER,2.0X15 | 92043A | 92043-0766 | 1 | ||
BOLT,OIL,L=23 | 92153 | 92153-0029 | 2 | ||
BOLT,FLANGED,6X16 | 92154 | 92154-0460 | 2 | ||
BOLT,FLANGED,5X10 | 92154A | 92154-7278 | 2 | ||
SCREW | 92172 | 92172-1064 | 2 | ||
SCREW,6X16 | 92172A | 92172-1198 | 4 | ||
CLAMP,BRAKE HOSE,SWING ARM | 92173 | 92173-1976 | 1 | ||
CLAMP,BRAKE HOSE,SWING ARM | 92173A | 92173-1978 | 1 | ||
WASHER,8.5X13X1 | 92200 | 92200-1980 | 1 | ||
BOLT-FLANGED,6X10 | 130 | 130BA0610 | 1 |
GUIDE,HOSE | |
REF # | 13070 |
---|---|
PART NUMBER | |
QUANTITY | 2 |
DESTINATION | |
REMARKS |
ROD-ASSY-BRAKE | |
REF # | 43010 |
---|---|
PART NUMBER | |
QUANTITY | 1 |
DESTINATION | |
REMARKS |
CYLINDER-ASSY-MASTER,RR | |
REF # | 43015 |
---|---|
PART NUMBER | |
QUANTITY | 1 |
DESTINATION | |
REMARKS |
PISTON-COMP-BRAKE | |
REF # | 43020 |
---|---|
PART NUMBER | |
QUANTITY | 1 |
DESTINATION | |
REMARKS |
CAP-BRAKE | |
REF # | 43026 |
---|---|
PART NUMBER | |
QUANTITY | 1 |
DESTINATION | |
REMARKS |
DIAPHRAGM | |
REF # | 43028 |
---|---|
PART NUMBER | |
QUANTITY | 1 |
DESTINATION | |
REMARKS |
HOSE-BRAKE,RR CALIPER-RR M/C | |
REF # | 43095 |
---|---|
PART NUMBER | |
QUANTITY | 1 |
DESTINATION | |
REMARKS |
WASHER-SEAL,10.1X14.5X1.5 | |
REF # | 49091 |
---|---|
PART NUMBER | |
QUANTITY | 4 |
DESTINATION | |
REMARKS |
SPACER | |
REF # | 92026 |
---|---|
PART NUMBER | |
QUANTITY | 2 |
DESTINATION | |
REMARKS |
RING-SNAP,20.9X24.6X1.2 | |
REF # | 92033 |
---|---|
PART NUMBER | |
QUANTITY | 1 |
DESTINATION | |
REMARKS |
PIN | |
REF # | 92043 |
---|---|
PART NUMBER | |
QUANTITY | 1 |
DESTINATION | |
REMARKS |
PIN,COTTER,2.0X15 | |
REF # | 92043A |
---|---|
PART NUMBER | |
QUANTITY | 1 |
DESTINATION | |
REMARKS |
BOLT,OIL,L=23 | |
REF # | 92153 |
---|---|
PART NUMBER | |
QUANTITY | 2 |
DESTINATION | |
REMARKS |
BOLT,FLANGED,6X16 | |
REF # | 92154 |
---|---|
PART NUMBER | |
QUANTITY | 2 |
DESTINATION | |
REMARKS |
BOLT,FLANGED,5X10 | |
REF # | 92154A |
---|---|
PART NUMBER | |
QUANTITY | 2 |
DESTINATION | |
REMARKS |
SCREW | |
REF # | 92172 |
---|---|
PART NUMBER | |
QUANTITY | 2 |
DESTINATION | |
REMARKS |
SCREW,6X16 | |
REF # | 92172A |
---|---|
PART NUMBER | |
QUANTITY | 4 |
DESTINATION | |
REMARKS |
CLAMP,BRAKE HOSE,SWING ARM | |
REF # | 92173 |
---|---|
PART NUMBER | |
QUANTITY | 1 |
DESTINATION | |
REMARKS |
CLAMP,BRAKE HOSE,SWING ARM | |
REF # | 92173A |
---|---|
PART NUMBER | |
QUANTITY | 1 |
DESTINATION | |
REMARKS |
WASHER,8.5X13X1 | |
REF # | 92200 |
---|---|
PART NUMBER | |
QUANTITY | 1 |
DESTINATION | |
REMARKS |
BOLT-FLANGED,6X10 | |
REF # | 130 |
---|---|
PART NUMBER | |
QUANTITY | 1 |
DESTINATION | |
REMARKS |