main content of page
Parts Diagrams
OWNER CENTER |

Welcome, Kawasaki owners. Access the information and tools you need to get the most out of your vehicle.
OWNER CENTER |
Welcome, Kawasaki owners. Access the information and tools you need to get the most out of your vehicle.
Parts Diagrams |
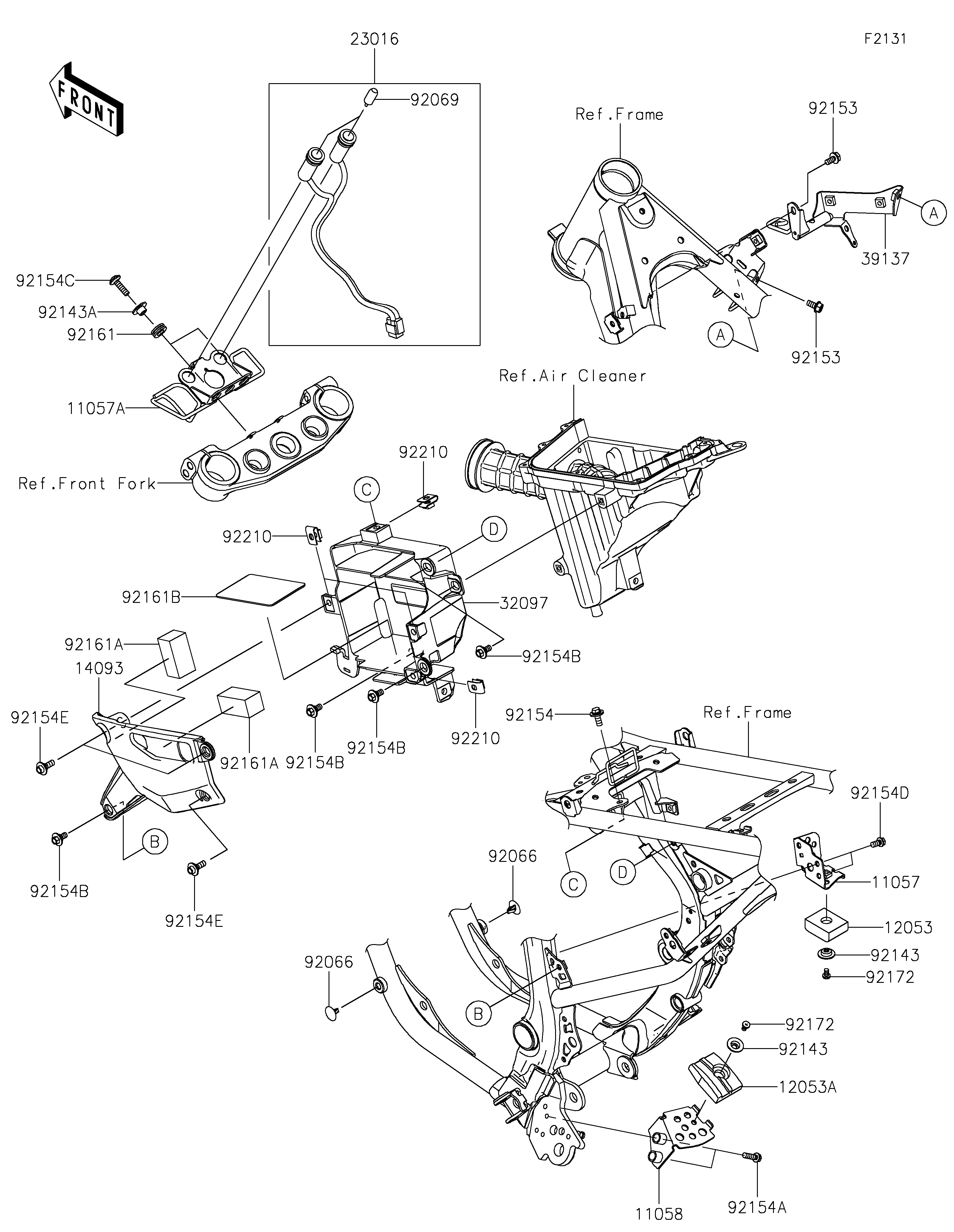
11057
11057A
11058
12053
12053A
14093
23016
32097
39137
92066
92066
92069
92143
92143
92143A
92153
92153
92154
92154A
92154B
92154B
92154B
92154B
92154C
92154D
92154E
92154E
92161
92161A
92161A
92161B
92172
92172
92210
92210
92210
ITEM NAME | REF # | PART NUMBER | QUANTITY | DESTINATION | REMARKS |
---|---|---|---|---|---|
BRACKET,UPP | 11057 | 11057-2067 | 1 | ||
BRACKET,INDICATOR | 11057A | 11057-2082 | 1 | ||
BRACKET,LWR | 11058 | 11058-0854 | 1 | ||
GUIDE-CHAIN,UPP | 12053 | 12053-0270 | 1 | ||
GUIDE-CHAIN,LWR | 12053A | 12053-0271 | 1 | ||
COVER,BATTERY CASE | 14093 | 14093-1562 | 1 | ||
LAMP-ASSY,INDICATOR | 23016 | 23016-0626 | 1 | ||
CASE-BATTERY | 32097 | 32097-0571 | 1 | ||
STAY-COMP,REGULATOR | 39137 | 39137-0763 | 1 | ||
PLUG | 92066 | 92066-0934 | 2 | ||
BULB,12V 3.4W,T10 | 92069 | 92069-1007 | 2 | ||
COLLAR | 92143 | 92143-1676 | 2 | ||
COLLAR | 92143A | 92143-1833 | 2 | ||
BOLT,FLANGED,6X12 | 92153 | 92153-1283 | 2 | ||
BOLT,FLANGED-SMALL,6X16 | 92154 | 92154-1183 | 1 | ||
BOLT,FLANGED,6X20 | 92154A | 92154-2757 | 2 | ||
BOLT,FLANGED,6X13 | 92154B | 92154-4411 | 5 | ||
BOLT,SOCKET,6X22 | 92154C | 92154-7272 | 2 | ||
BOLT,FLANGED,6X12 | 92154D | 92154-7279 | 2 | ||
BOLT,FLANGED,6X14 | 92154E | 92154-7286 | 3 | ||
DAMPER,10X18X6.5 | 92161 | 92161-2091 | 2 | ||
DAMPER,49X23X25 | 92161A | 92161-2603 | 2 | ||
DAMPER,BATTERY CASE | 92161B | 92161-2604 | 1 | ||
SCREW,5X8 | 92172 | 92172-1540 | 2 | ||
NUT,6MM | 92210 | 92210-0218 | 4 |
BRACKET,UPP | |
REF # | 11057 |
---|---|
PART NUMBER | |
QUANTITY | 1 |
DESTINATION | |
REMARKS |
BRACKET,INDICATOR | |
REF # | 11057A |
---|---|
PART NUMBER | |
QUANTITY | 1 |
DESTINATION | |
REMARKS |
BRACKET,LWR | |
REF # | 11058 |
---|---|
PART NUMBER | |
QUANTITY | 1 |
DESTINATION | |
REMARKS |
GUIDE-CHAIN,UPP | |
REF # | 12053 |
---|---|
PART NUMBER | |
QUANTITY | 1 |
DESTINATION | |
REMARKS |
GUIDE-CHAIN,LWR | |
REF # | 12053A |
---|---|
PART NUMBER | |
QUANTITY | 1 |
DESTINATION | |
REMARKS |
COVER,BATTERY CASE | |
REF # | 14093 |
---|---|
PART NUMBER | |
QUANTITY | 1 |
DESTINATION | |
REMARKS |
LAMP-ASSY,INDICATOR | |
REF # | 23016 |
---|---|
PART NUMBER | |
QUANTITY | 1 |
DESTINATION | |
REMARKS |
CASE-BATTERY | |
REF # | 32097 |
---|---|
PART NUMBER | |
QUANTITY | 1 |
DESTINATION | |
REMARKS |
STAY-COMP,REGULATOR | |
REF # | 39137 |
---|---|
PART NUMBER | |
QUANTITY | 1 |
DESTINATION | |
REMARKS |
PLUG | |
REF # | 92066 |
---|---|
PART NUMBER | |
QUANTITY | 2 |
DESTINATION | |
REMARKS |
BULB,12V 3.4W,T10 | |
REF # | 92069 |
---|---|
PART NUMBER | |
QUANTITY | 2 |
DESTINATION | |
REMARKS |
COLLAR | |
REF # | 92143 |
---|---|
PART NUMBER | |
QUANTITY | 2 |
DESTINATION | |
REMARKS |
COLLAR | |
REF # | 92143A |
---|---|
PART NUMBER | |
QUANTITY | 2 |
DESTINATION | |
REMARKS |
BOLT,FLANGED,6X12 | |
REF # | 92153 |
---|---|
PART NUMBER | |
QUANTITY | 2 |
DESTINATION | |
REMARKS |
BOLT,FLANGED-SMALL,6X16 | |
REF # | 92154 |
---|---|
PART NUMBER | |
QUANTITY | 1 |
DESTINATION | |
REMARKS |
BOLT,FLANGED,6X20 | |
REF # | 92154A |
---|---|
PART NUMBER | |
QUANTITY | 2 |
DESTINATION | |
REMARKS |
BOLT,FLANGED,6X13 | |
REF # | 92154B |
---|---|
PART NUMBER | |
QUANTITY | 5 |
DESTINATION | |
REMARKS |
BOLT,SOCKET,6X22 | |
REF # | 92154C |
---|---|
PART NUMBER | |
QUANTITY | 2 |
DESTINATION | |
REMARKS |
BOLT,FLANGED,6X12 | |
REF # | 92154D |
---|---|
PART NUMBER | |
QUANTITY | 2 |
DESTINATION | |
REMARKS |
BOLT,FLANGED,6X14 | |
REF # | 92154E |
---|---|
PART NUMBER | |
QUANTITY | 3 |
DESTINATION | |
REMARKS |
DAMPER,10X18X6.5 | |
REF # | 92161 |
---|---|
PART NUMBER | |
QUANTITY | 2 |
DESTINATION | |
REMARKS |
DAMPER,49X23X25 | |
REF # | 92161A |
---|---|
PART NUMBER | |
QUANTITY | 2 |
DESTINATION | |
REMARKS |
DAMPER,BATTERY CASE | |
REF # | 92161B |
---|---|
PART NUMBER | |
QUANTITY | 1 |
DESTINATION | |
REMARKS |
SCREW,5X8 | |
REF # | 92172 |
---|---|
PART NUMBER | |
QUANTITY | 2 |
DESTINATION | |
REMARKS |
NUT,6MM | |
REF # | 92210 |
---|---|
PART NUMBER | |
QUANTITY | 4 |
DESTINATION | |
REMARKS |