main content of page
Parts Diagrams
OWNER CENTER |

Welcome, Kawasaki owners. Access the information and tools you need to get the most out of your vehicle.
OWNER CENTER |
Welcome, Kawasaki owners. Access the information and tools you need to get the most out of your vehicle.
Parts Diagrams |
13193
13216
14092
16073
21039
21040
21040
21040
21040
21163
26006
26006A
26011
27010
39076
59051
92015
92015A
92048
92055
92055
92055A
92055B
92071
92153
92153A
92154
92172
92200
92200A
92200A
92200A
92200A
120
120A
120A
461
461
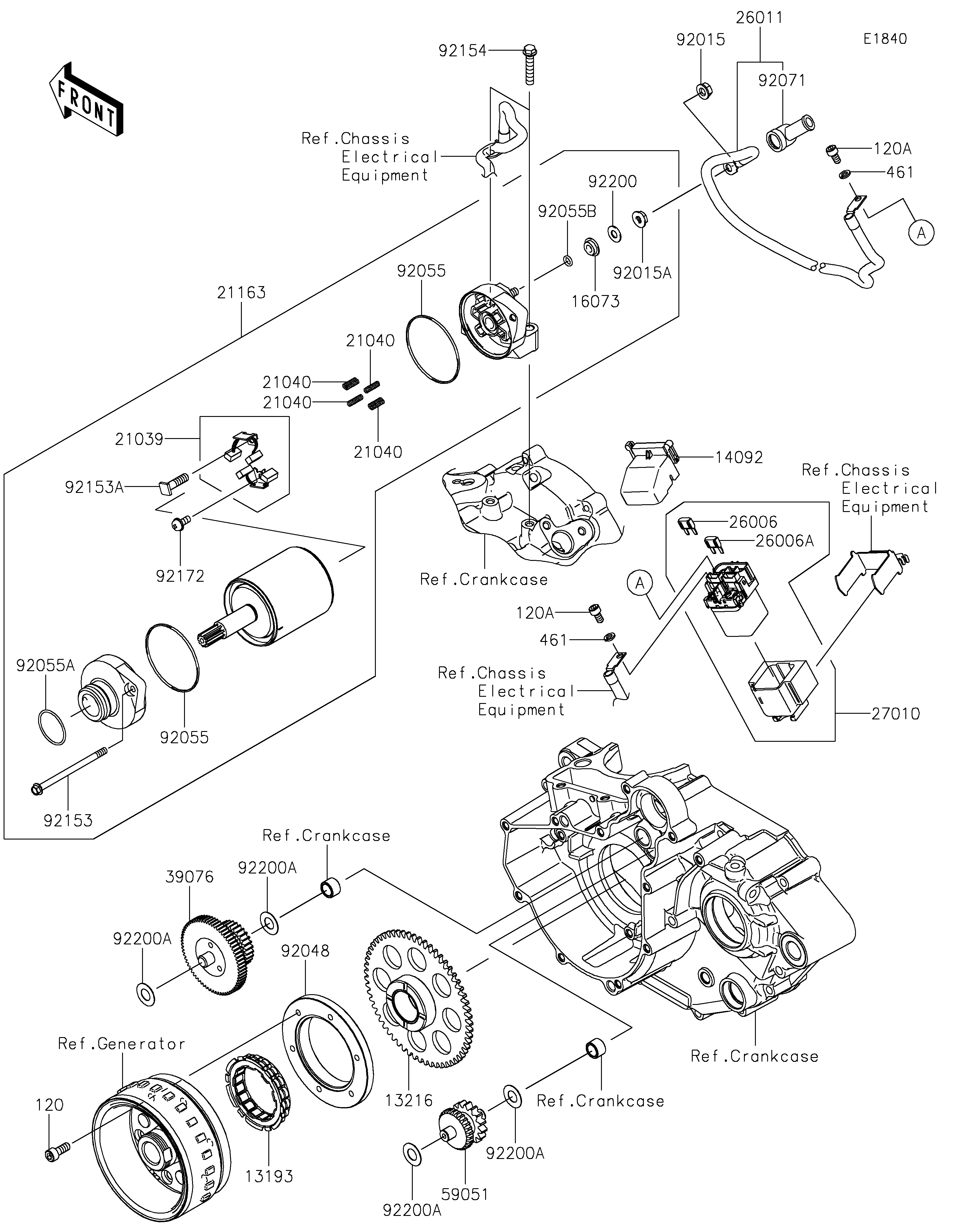
ITEM NAME | REF # | PART NUMBER | QUANTITY | DESTINATION | REMARKS |
---|---|---|---|---|---|
CLUTCH-ASSY-ONEWAY | 13193 | 13193-0014 | 1 | ||
GEAR-COMP,ONEWAY CLUTCH | 13216 | 13216-0900 | 1 | ||
COVER | 14092 | 14092-0109 | 1 | ||
INSULATOR | 16073 | 16073-0053 | 1 | ||
BRUSH,CARBON | 21039 | 21039-0004 | 1 | ||
SPRING-BRUSH | 21040 | 21040-0003 | 4 | ||
STARTER-ELECTRIC | 21163 | 21163-0783 | 1 | ||
FUSE,MINI BLADE,15A,BLUE | 26006 | 26006-0001 | 1 | ||
FUSE,MINI BLADE,30A,GREEN | 26006A | 26006-1080 | 1 | ||
WIRE-LEAD,STARTER | 26011 | 26011-2500 | 1 | ||
SWITCH | 27010 | 27010-0773 | 1 | ||
LIMITER,STARTER IDLE GEAR | 39076 | 39076-0562 | 1 | ||
GEAR-SPUR,IDLER | 59051 | 59051-0824 | 1 | ||
NUT,FLANGED,6MM | 92015 | 92015-1367 | 1 | ||
NUT,STARTER MOTOR | 92015A | 92015-1476 | 1 | ||
RACE,ONEWAY CLUTCH | 92048 | 92048-0030 | 1 | ||
RING-O | 92055 | 92055-0136 | 2 | ||
RING-O | 92055A | 92055-1276 | 1 | ||
RING-O,4.5X2.0 | 92055B | 92055-1370 | 1 | ||
GROMMET | 92071 | 92071-0782 | 1 | ||
BOLT | 92153 | 92153-1850 | 2 | ||
BOLT | 92153A | 92153-1866 | 1 | ||
BOLT,FLANGED,6X30 | 92154 | 92154-1773 | 2 | ||
SCREW | 92172 | 92172-0334 | 1 | ||
WASHER | 92200 | 92200-0386 | 1 | ||
WASHER,10.2X20X0.5 | 92200A | 92200-1976 | 4 | ||
BOLT-SOCKET,6X16 | 120 | 120CA0616 | 6 | ||
BOLT-SOCKET,5X10 | 120A | 120CB0510 | 2 | ||
WASHER-SPRING,5MM | 461 | 461DA0500 | 2 |
CLUTCH-ASSY-ONEWAY | |
REF # | 13193 |
---|---|
PART NUMBER | |
QUANTITY | 1 |
DESTINATION | |
REMARKS |
GEAR-COMP,ONEWAY CLUTCH | |
REF # | 13216 |
---|---|
PART NUMBER | |
QUANTITY | 1 |
DESTINATION | |
REMARKS |
COVER | |
REF # | 14092 |
---|---|
PART NUMBER | |
QUANTITY | 1 |
DESTINATION | |
REMARKS |
INSULATOR | |
REF # | 16073 |
---|---|
PART NUMBER | |
QUANTITY | 1 |
DESTINATION | |
REMARKS |
BRUSH,CARBON | |
REF # | 21039 |
---|---|
PART NUMBER | |
QUANTITY | 1 |
DESTINATION | |
REMARKS |
SPRING-BRUSH | |
REF # | 21040 |
---|---|
PART NUMBER | |
QUANTITY | 4 |
DESTINATION | |
REMARKS |
STARTER-ELECTRIC | |
REF # | 21163 |
---|---|
PART NUMBER | |
QUANTITY | 1 |
DESTINATION | |
REMARKS |
FUSE,MINI BLADE,15A,BLUE | |
REF # | 26006 |
---|---|
PART NUMBER | |
QUANTITY | 1 |
DESTINATION | |
REMARKS |
FUSE,MINI BLADE,30A,GREEN | |
REF # | 26006A |
---|---|
PART NUMBER | |
QUANTITY | 1 |
DESTINATION | |
REMARKS |
WIRE-LEAD,STARTER | |
REF # | 26011 |
---|---|
PART NUMBER | |
QUANTITY | 1 |
DESTINATION | |
REMARKS |
SWITCH | |
REF # | 27010 |
---|---|
PART NUMBER | |
QUANTITY | 1 |
DESTINATION | |
REMARKS |
LIMITER,STARTER IDLE GEAR | |
REF # | 39076 |
---|---|
PART NUMBER | |
QUANTITY | 1 |
DESTINATION | |
REMARKS |
GEAR-SPUR,IDLER | |
REF # | 59051 |
---|---|
PART NUMBER | |
QUANTITY | 1 |
DESTINATION | |
REMARKS |
NUT,FLANGED,6MM | |
REF # | 92015 |
---|---|
PART NUMBER | |
QUANTITY | 1 |
DESTINATION | |
REMARKS |
NUT,STARTER MOTOR | |
REF # | 92015A |
---|---|
PART NUMBER | |
QUANTITY | 1 |
DESTINATION | |
REMARKS |
RACE,ONEWAY CLUTCH | |
REF # | 92048 |
---|---|
PART NUMBER | |
QUANTITY | 1 |
DESTINATION | |
REMARKS |
RING-O | |
REF # | 92055 |
---|---|
PART NUMBER | |
QUANTITY | 2 |
DESTINATION | |
REMARKS |
RING-O | |
REF # | 92055A |
---|---|
PART NUMBER | |
QUANTITY | 1 |
DESTINATION | |
REMARKS |
RING-O,4.5X2.0 | |
REF # | 92055B |
---|---|
PART NUMBER | |
QUANTITY | 1 |
DESTINATION | |
REMARKS |
GROMMET | |
REF # | 92071 |
---|---|
PART NUMBER | |
QUANTITY | 1 |
DESTINATION | |
REMARKS |
BOLT | |
REF # | 92153 |
---|---|
PART NUMBER | |
QUANTITY | 2 |
DESTINATION | |
REMARKS |
BOLT | |
REF # | 92153A |
---|---|
PART NUMBER | |
QUANTITY | 1 |
DESTINATION | |
REMARKS |
BOLT,FLANGED,6X30 | |
REF # | 92154 |
---|---|
PART NUMBER | |
QUANTITY | 2 |
DESTINATION | |
REMARKS |
SCREW | |
REF # | 92172 |
---|---|
PART NUMBER | |
QUANTITY | 1 |
DESTINATION | |
REMARKS |
WASHER | |
REF # | 92200 |
---|---|
PART NUMBER | |
QUANTITY | 1 |
DESTINATION | |
REMARKS |
WASHER,10.2X20X0.5 | |
REF # | 92200A |
---|---|
PART NUMBER | |
QUANTITY | 4 |
DESTINATION | |
REMARKS |
BOLT-SOCKET,6X16 | |
REF # | 120 |
---|---|
PART NUMBER | |
QUANTITY | 6 |
DESTINATION | |
REMARKS |
BOLT-SOCKET,5X10 | |
REF # | 120A |
---|---|
PART NUMBER | |
QUANTITY | 2 |
DESTINATION | |
REMARKS |
WASHER-SPRING,5MM | |
REF # | 461 |
---|---|
PART NUMBER | |
QUANTITY | 2 |
DESTINATION | |
REMARKS |