main content of page
Parts Diagrams
OWNER CENTER |

Welcome, Kawasaki owners. Access the information and tools you need to get the most out of your vehicle.
OWNER CENTER |
Welcome, Kawasaki owners. Access the information and tools you need to get the most out of your vehicle.
Parts Diagrams |
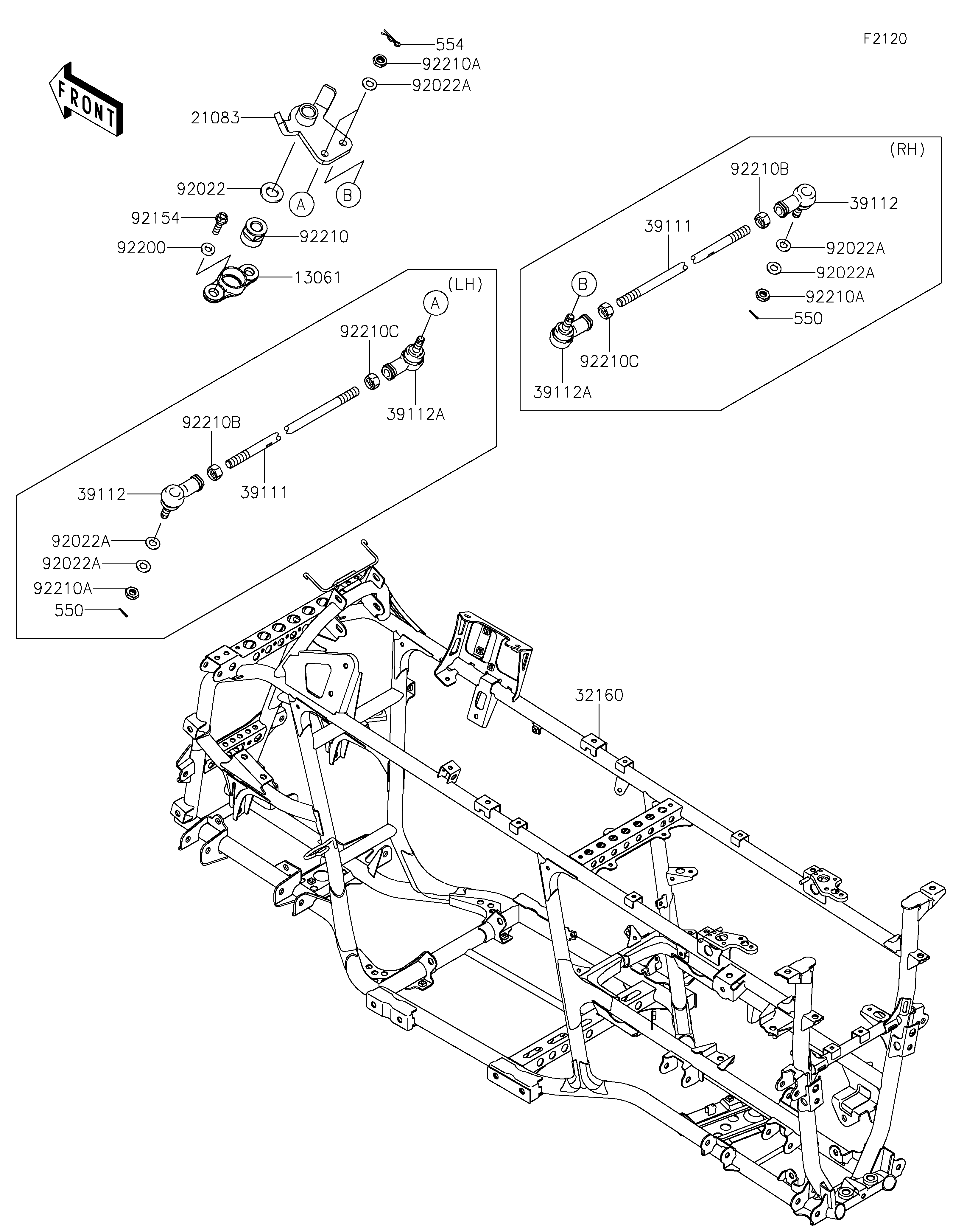
13061
21083
32160
39111
39111
39112
39112
39112A
39112A
92022
92022A
92022A
92022A
92022A
92022A
92154
92200
92210
92210A
92210A
92210A
92210B
92210B
92210C
92210C
550
550
554
ITEM NAME | REF # | PART NUMBER | QUANTITY | DESTINATION | REMARKS |
---|---|---|---|---|---|
BOSS,EPS STOPPER | 13061 | 13061-0611 | 1 | ||
ARM,PITMAN | 21083 | 21083-0053 | 1 | ||
FRAME-COMP | 32160 | 32160-0712 | 1 | ||
ROD-TIE | 39111 | 39111-0023 | 2 | ||
RODEND-TIE,RIGHT HANDED | 39112 | 39112-0009 | 2 | ||
RODEND-TIE,LEFT HANDED | 39112A | 39112-0010 | 2 | ||
WASHER,16X32X3.2 | 92022 | 92022-1701 | 1 | ||
WASHER,10.2X20X1.5 | 92022A | 92022-3742 | 6 | ||
BOLT,FLANGED,8X30 | 92154 | 92154-0850 | 2 | ||
WASHER,8.2X20.0X2.5 | 92200 | 92200-0205 | 2 | ||
NUT,16MM | 92210 | 92210-0751 | 1 | ||
NUT,LOCK,10MM | 92210A | 92210-1184 | 4 | ||
NUT,RIGHT HANDED | 92210B | 92210-1385 | 2 | ||
NUT,LEFT HANDED | 92210C | 92210-1386 | 2 | ||
PIN-COTTER,2.0X15 | 550 | 550AA2015 | 2 | ||
PIN-SNAP,10MM | 554 | 554DA1000 | 2 |
BOSS,EPS STOPPER | |
REF # | 13061 |
---|---|
PART NUMBER | |
QUANTITY | 1 |
DESTINATION | |
REMARKS |
ARM,PITMAN | |
REF # | 21083 |
---|---|
PART NUMBER | |
QUANTITY | 1 |
DESTINATION | |
REMARKS |
FRAME-COMP | |
REF # | 32160 |
---|---|
PART NUMBER | |
QUANTITY | 1 |
DESTINATION | |
REMARKS |
ROD-TIE | |
REF # | 39111 |
---|---|
PART NUMBER | |
QUANTITY | 2 |
DESTINATION | |
REMARKS |
RODEND-TIE,RIGHT HANDED | |
REF # | 39112 |
---|---|
PART NUMBER | |
QUANTITY | 2 |
DESTINATION | |
REMARKS |
RODEND-TIE,LEFT HANDED | |
REF # | 39112A |
---|---|
PART NUMBER | |
QUANTITY | 2 |
DESTINATION | |
REMARKS |
WASHER,16X32X3.2 | |
REF # | 92022 |
---|---|
PART NUMBER | |
QUANTITY | 1 |
DESTINATION | |
REMARKS |
WASHER,10.2X20X1.5 | |
REF # | 92022A |
---|---|
PART NUMBER | |
QUANTITY | 6 |
DESTINATION | |
REMARKS |
BOLT,FLANGED,8X30 | |
REF # | 92154 |
---|---|
PART NUMBER | |
QUANTITY | 2 |
DESTINATION | |
REMARKS |
WASHER,8.2X20.0X2.5 | |
REF # | 92200 |
---|---|
PART NUMBER | |
QUANTITY | 2 |
DESTINATION | |
REMARKS |
NUT,16MM | |
REF # | 92210 |
---|---|
PART NUMBER | |
QUANTITY | 1 |
DESTINATION | |
REMARKS |
NUT,LOCK,10MM | |
REF # | 92210A |
---|---|
PART NUMBER | |
QUANTITY | 4 |
DESTINATION | |
REMARKS |
NUT,RIGHT HANDED | |
REF # | 92210B |
---|---|
PART NUMBER | |
QUANTITY | 2 |
DESTINATION | |
REMARKS |
NUT,LEFT HANDED | |
REF # | 92210C |
---|---|
PART NUMBER | |
QUANTITY | 2 |
DESTINATION | |
REMARKS |
PIN-COTTER,2.0X15 | |
REF # | 550 |
---|---|
PART NUMBER | |
QUANTITY | 2 |
DESTINATION | |
REMARKS |
PIN-SNAP,10MM | |
REF # | 554 |
---|---|
PART NUMBER | |
QUANTITY | 2 |
DESTINATION | |
REMARKS |