Skip to main content

Parts Diagrams

customer service agent speaking with a customer

Welcome, Kawasaki owners. Access the information and tools you need to get the most out of your vehicle.

Welcome, Kawasaki owners. Access the information and tools you need to get the most out of your vehicle.

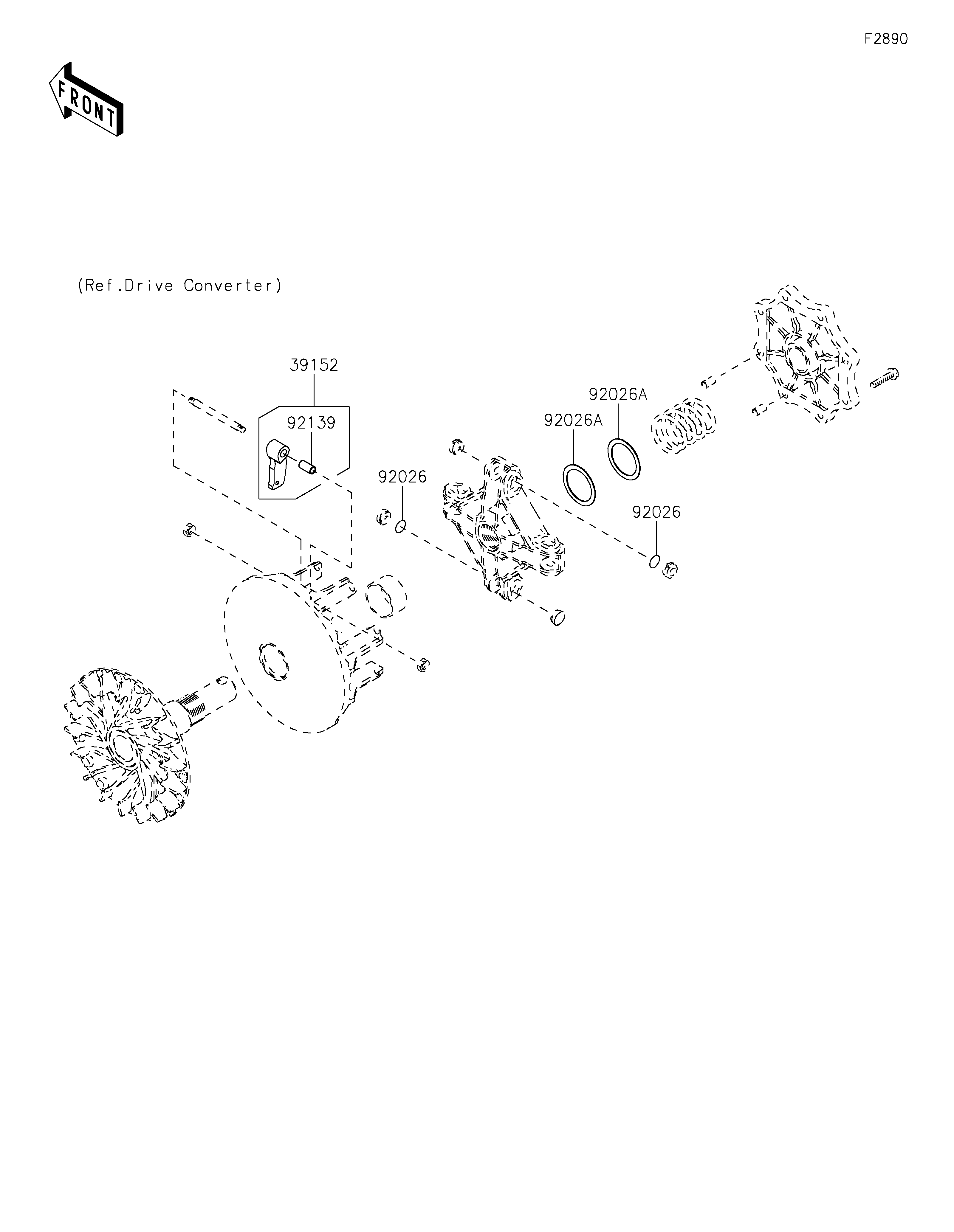
39152
92026
92026
92026A
92026A
92139
Part Item Information
ITEM NAME REF # PART NUMBER QUANTITY DESTINATION REMARKS
WEIGHT-RAMP 39152 39152-0091 4 (OPTION)
SPACER,T=0.1 92026 92026-0038 2 (OPTION)
SPACER,39X49.5X1.0 92026A 92026-1603 2
BUSHING 92139 92139-0215 4 (OPTION)