main content of page
Parts Diagrams
OWNER CENTER |
Welcome, Kawasaki owners. Access the information and tools you need to get the most out of your vehicle.
OWNER CENTER |
Welcome, Kawasaki owners. Access the information and tools you need to get the most out of your vehicle.
Parts Diagrams |
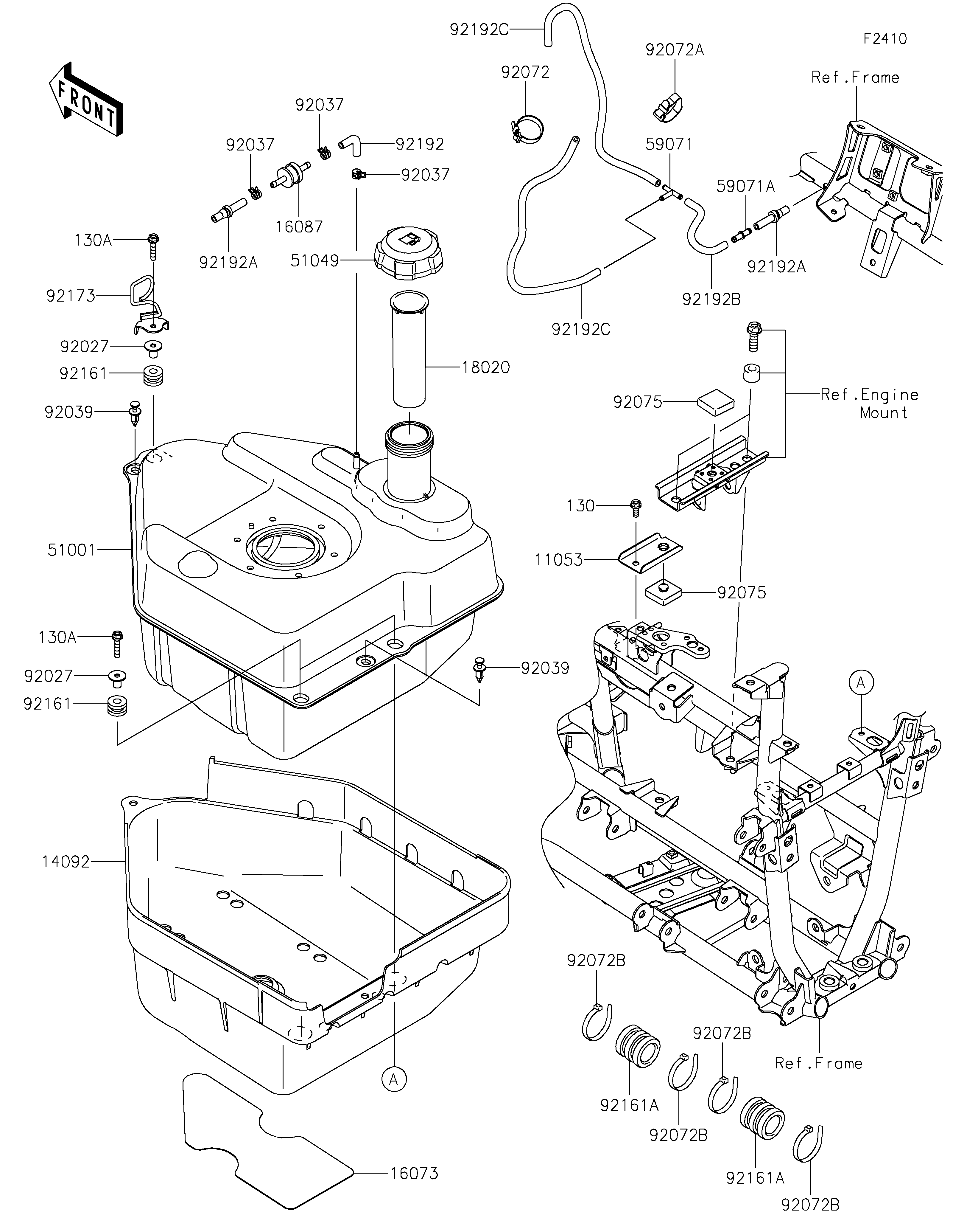
11053
14092
16073
16087
18020
51001
51049
59071
59071A
92027
92027
92037
92037
92037
92039
92039
92072
92072A
92072B
92072B
92072B
92072B
92075
92075
92161
92161
92161A
92161A
92173
92192
92192A
92192A
92192B
92192C
92192C
130
130A
130A
| ITEM NAME | REF # | PART NUMBER | QUANTITY | DESTINATION | REMARKS |
|---|---|---|---|---|---|
| BRACKET,FUEL TANK,TOP | 11053 | 11053-0936 | 1 | ||
| COVER,FUEL TANK,LWR | 14092 | 14092-0186 | 1 | ||
| INSULATOR,FUEL TANK COVER,LWR | 16073 | 16073-0925 | 1 | ||
| VALVE-CHECK | 16087 | 16087-0008 | 1 | ||
| BAFFLE,FUEL TANK | 18020 | 18020-0008 | 1 | ||
| TANK-COMP-FUEL | 51001 | 51001-0237 | 1 | ||
| CAP-TANK,FUEL | 51049 | 51049-0718 | 1 | ||
| JOINT | 59071 | 59071-3705 | 1 | ||
| JOINT | 59071A | 59071-3717 | 1 | ||
| COLLAR,L=16.1 | 92027 | 92027-1847 | 3 | ||
| CLAMP,TUBE | 92037 | 92037-1461 | 3 | ||
| RIVET | 92039 | 92039-0776 | 2 | ||
| BAND,L=149 | 92072 | 92072-031 | 1 | ||
| BAND,L=186 | 92072A | 92072-056 | 1 | ||
| BAND,L=188 | 92072B | 92072-1239 | 4 | ||
| DAMPER | 92075 | 92075-1882 | 2 | ||
| DAMPER | 92161 | 92161-0106 | 3 | ||
| DAMPER,FUEL TANK,RR | 92161A | 92161-1111 | 2 | ||
| CLAMP,FUEL TUBE | 92173 | 92173-0872 | 1 | ||
| TUBE,FUEL TANK-CHECK VALVE | 92192 | 92192-0067 | 1 | ||
| TUBE,FRAME PIPE-CHECK VALVE | 92192A | 92192-0068 | 2 | ||
| TUBE,5X10X80/22 | 92192B | 92192-0992 | 1 | ||
| TUBE,5X10X470 | 92192C | 92192-0993 | 2 | ||
| BOLT-FLANGED,6X16 | 130 | 130BA0616 | 1 | ||
| BOLT-FLANGED,6X30 | 130A | 130BA0630 | 3 |
| BRACKET,FUEL TANK,TOP | |
| REF # | 11053 |
|---|---|
| PART NUMBER | |
| QUANTITY | 1 |
| DESTINATION | |
| REMARKS | |
| COVER,FUEL TANK,LWR | |
| REF # | 14092 |
|---|---|
| PART NUMBER | |
| QUANTITY | 1 |
| DESTINATION | |
| REMARKS | |
| INSULATOR,FUEL TANK COVER,LWR | |
| REF # | 16073 |
|---|---|
| PART NUMBER | |
| QUANTITY | 1 |
| DESTINATION | |
| REMARKS | |
| VALVE-CHECK | |
| REF # | 16087 |
|---|---|
| PART NUMBER | |
| QUANTITY | 1 |
| DESTINATION | |
| REMARKS | |
| BAFFLE,FUEL TANK | |
| REF # | 18020 |
|---|---|
| PART NUMBER | |
| QUANTITY | 1 |
| DESTINATION | |
| REMARKS | |
| TANK-COMP-FUEL | |
| REF # | 51001 |
|---|---|
| PART NUMBER | |
| QUANTITY | 1 |
| DESTINATION | |
| REMARKS | |
| CAP-TANK,FUEL | |
| REF # | 51049 |
|---|---|
| PART NUMBER | |
| QUANTITY | 1 |
| DESTINATION | |
| REMARKS | |
| JOINT | |
| REF # | 59071 |
|---|---|
| PART NUMBER | |
| QUANTITY | 1 |
| DESTINATION | |
| REMARKS | |
| JOINT | |
| REF # | 59071A |
|---|---|
| PART NUMBER | |
| QUANTITY | 1 |
| DESTINATION | |
| REMARKS | |
| COLLAR,L=16.1 | |
| REF # | 92027 |
|---|---|
| PART NUMBER | |
| QUANTITY | 3 |
| DESTINATION | |
| REMARKS | |
| CLAMP,TUBE | |
| REF # | 92037 |
|---|---|
| PART NUMBER | |
| QUANTITY | 3 |
| DESTINATION | |
| REMARKS | |
| RIVET | |
| REF # | 92039 |
|---|---|
| PART NUMBER | |
| QUANTITY | 2 |
| DESTINATION | |
| REMARKS | |
| BAND,L=149 | |
| REF # | 92072 |
|---|---|
| PART NUMBER | |
| QUANTITY | 1 |
| DESTINATION | |
| REMARKS | |
| BAND,L=186 | |
| REF # | 92072A |
|---|---|
| PART NUMBER | |
| QUANTITY | 1 |
| DESTINATION | |
| REMARKS | |
| BAND,L=188 | |
| REF # | 92072B |
|---|---|
| PART NUMBER | |
| QUANTITY | 4 |
| DESTINATION | |
| REMARKS | |
| DAMPER | |
| REF # | 92075 |
|---|---|
| PART NUMBER | |
| QUANTITY | 2 |
| DESTINATION | |
| REMARKS | |
| DAMPER | |
| REF # | 92161 |
|---|---|
| PART NUMBER | |
| QUANTITY | 3 |
| DESTINATION | |
| REMARKS | |
| DAMPER,FUEL TANK,RR | |
| REF # | 92161A |
|---|---|
| PART NUMBER | |
| QUANTITY | 2 |
| DESTINATION | |
| REMARKS | |
| CLAMP,FUEL TUBE | |
| REF # | 92173 |
|---|---|
| PART NUMBER | |
| QUANTITY | 1 |
| DESTINATION | |
| REMARKS | |
| TUBE,FUEL TANK-CHECK VALVE | |
| REF # | 92192 |
|---|---|
| PART NUMBER | |
| QUANTITY | 1 |
| DESTINATION | |
| REMARKS | |
| TUBE,FRAME PIPE-CHECK VALVE | |
| REF # | 92192A |
|---|---|
| PART NUMBER | |
| QUANTITY | 2 |
| DESTINATION | |
| REMARKS | |
| TUBE,5X10X80/22 | |
| REF # | 92192B |
|---|---|
| PART NUMBER | |
| QUANTITY | 1 |
| DESTINATION | |
| REMARKS | |
| TUBE,5X10X470 | |
| REF # | 92192C |
|---|---|
| PART NUMBER | |
| QUANTITY | 2 |
| DESTINATION | |
| REMARKS | |
| BOLT-FLANGED,6X16 | |
| REF # | 130 |
|---|---|
| PART NUMBER | |
| QUANTITY | 1 |
| DESTINATION | |
| REMARKS | |
| BOLT-FLANGED,6X30 | |
| REF # | 130A |
|---|---|
| PART NUMBER | |
| QUANTITY | 3 |
| DESTINATION | |
| REMARKS | |