Skip to main content

Parts Diagrams

customer service agent speaking with a customer

Welcome, Kawasaki owners. Access the information and tools you need to get the most out of your vehicle.

Welcome, Kawasaki owners. Access the information and tools you need to get the most out of your vehicle.

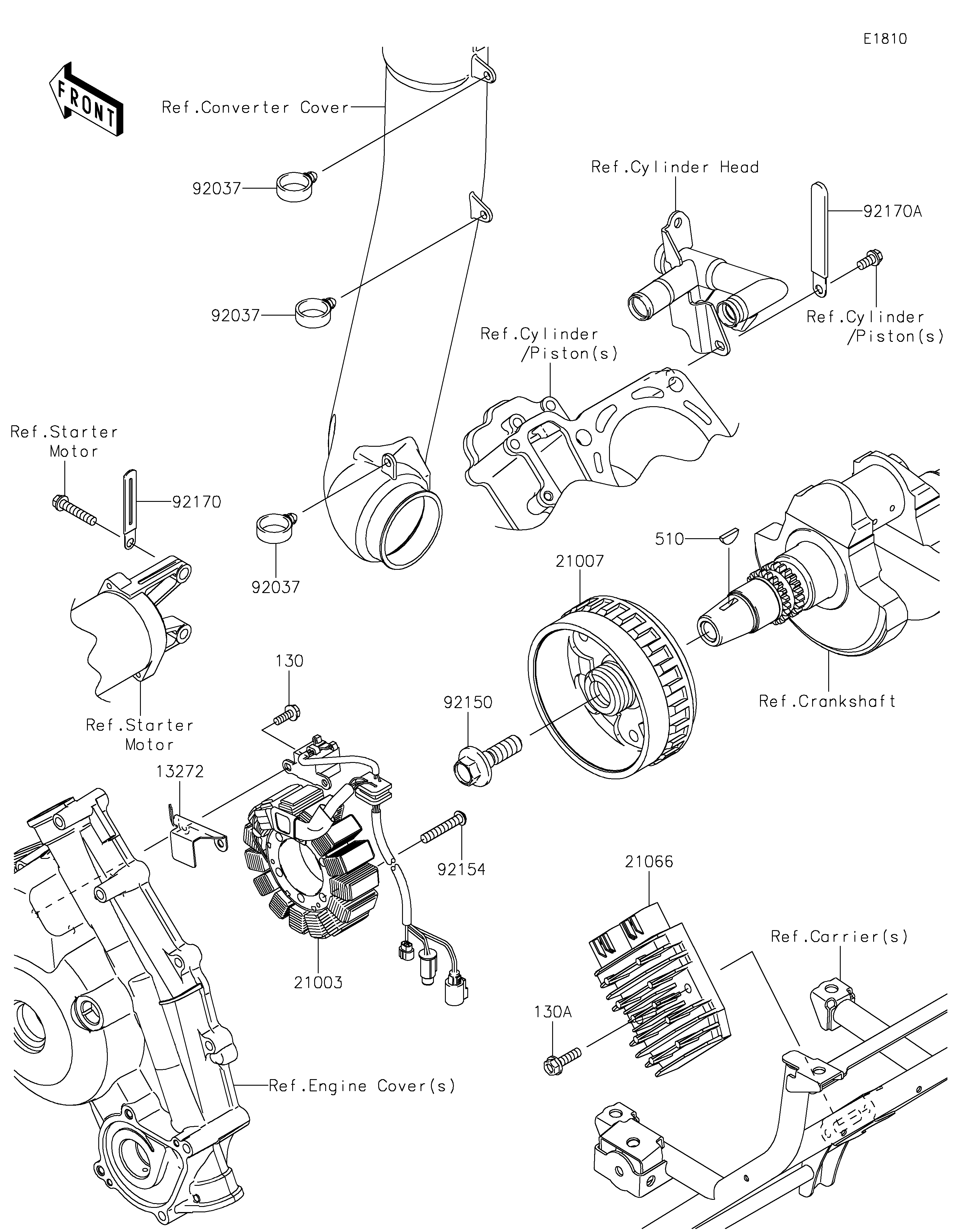
13272
21003
21007
21066
92037
92037
92037
92150
92154
92170
92170A
130
130A
510
Part Item Information
ITEM NAME REF # PART NUMBER QUANTITY DESTINATION REMARKS
PLATE 13272 13272-1222 1
STATOR 21003 21003-0167 1
ROTOR 21007 21007-0633 1
REGULATOR-VOLTAGE 21066 21066-0771 1
CLAMP,HOSE 92037 92037-1827 3
BOLT,12X40 92150 92150-1717 1
BOLT,TORX,6X35 92154 92154-1007 4
CLAMP 92170 92170-1514 1
CLAMP 92170A 92170-1925 1
BOLT-FLANGED,5X14 130 130BA0514 2
BOLT-FLANGED,6X22 130A 130BA0622 2
KEY-WOODRUFF 510 510A4200 1