main content of page
Parts Diagrams
OWNER CENTER |

Welcome, Kawasaki owners. Access the information and tools you need to get the most out of your vehicle.
OWNER CENTER |
Welcome, Kawasaki owners. Access the information and tools you need to get the most out of your vehicle.
Parts Diagrams |
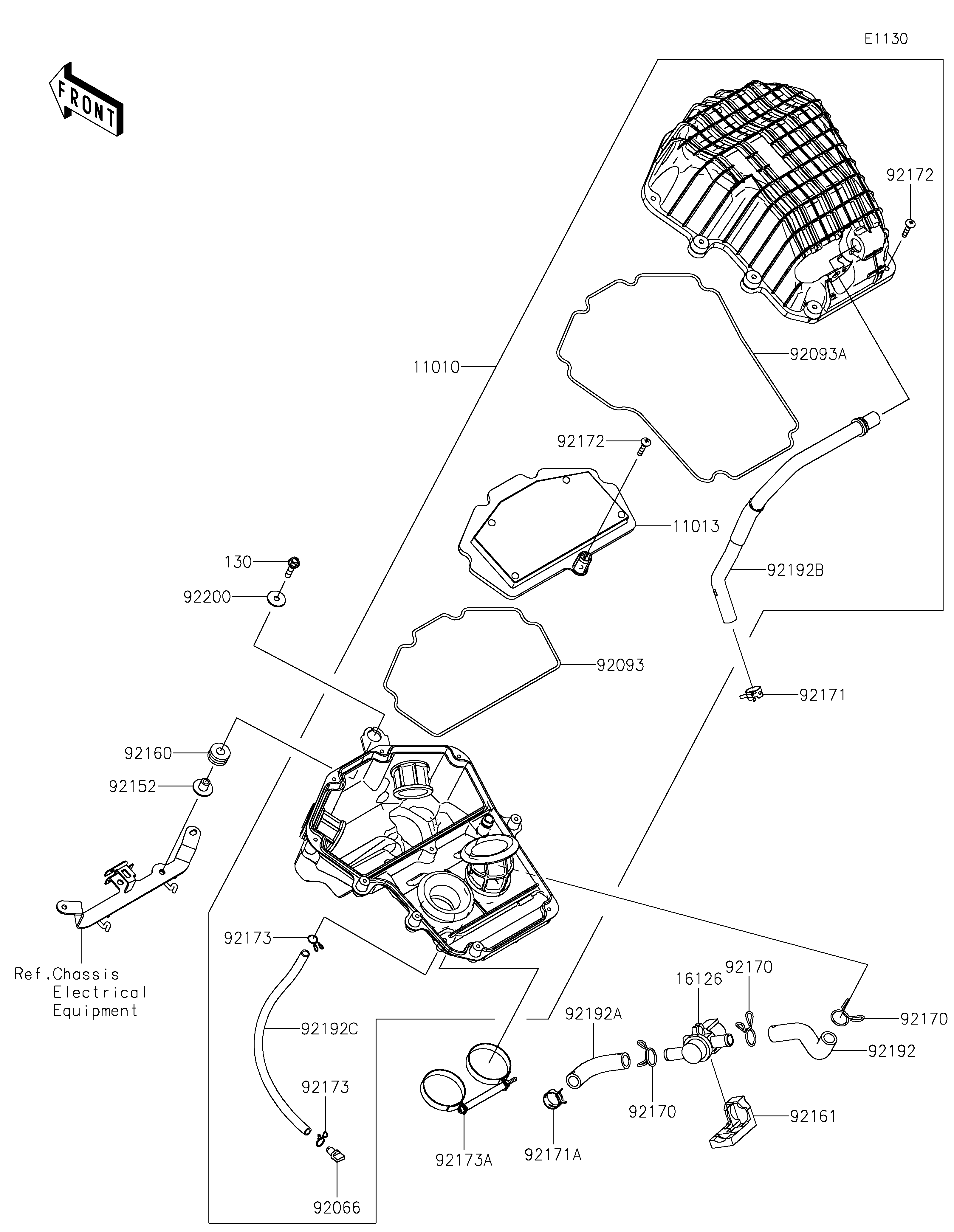
2024 NINJA® 7 HYBRID ABS - Air Cleaner
11010
11013
16126
92066
92093
92093A
92152
92160
92161
92170
92170
92170
92171
92171A
92172
92172
92173
92173
92173A
92192
92192A
92192B
92192C
92200
130
ITEM NAME | REF # | PART NUMBER | QUANTITY | DESTINATION | REMARKS |
---|---|---|---|---|---|
FILTER-ASSY-AIR | 11010 | 11010-1816 | 1 | ||
ELEMENT-AIR FILTER | 11013 | 11013-0767 | 1 | ||
VALVE,AIR CUT | 16126 | 16126-0744 | 1 | ||
PLUG,DRAIN | 92066 | 92066-0782 | 1 | ||
SEAL,ELEMENT | 92093 | 92093-0707 | 1 | ||
SEAL,CASE | 92093A | 92093-0771 | 1 | ||
COLLAR,6.5X10.5X13.1 | 92152 | 92152-0547 | 1 | ||
DAMPER | 92160 | 92160-1162 | 1 | ||
DAMPER | 92161 | 92161-1933 | 1 | ||
CLAMP | 92170 | 92170-1017 | 3 | ||
CLAMP | 92171 | 92171-0533 | 1 | ||
CLAMP,18.8MM | 92171A | 92171-2056 | 1 | ||
SCREW,5X25 | 92172 | 92172-0891 | 10 | ||
CLAMP,10MM | 92173 | 92173-2400 | 2 | ||
CLAMP,DUCT | 92173A | 92173-2574 | 1 | ||
TUBE,AIR CUT VALVE-AIR CLEANER | 92192 | 92192-1811 | 1 | ||
TUBE,AIR CUT VALVE-HEAD CAP | 92192A | 92192-1812 | 1 | ||
TUBE,BREATHER | 92192B | 92192-2613 | 1 | ||
TUBE,DRAIN CLEAN | 92192C | 92192-2814 | 1 | ||
WASHER,6.5X22X1.6 | 92200 | 92200-1087 | 1 | ||
BOLT-FLANGED,6X25 | 130 | 130BB0625 | 1 |
FILTER-ASSY-AIR | |
REF # | 11010 |
---|---|
PART NUMBER | |
QUANTITY | 1 |
DESTINATION | |
REMARKS |
ELEMENT-AIR FILTER | |
REF # | 11013 |
---|---|
PART NUMBER | |
QUANTITY | 1 |
DESTINATION | |
REMARKS |
VALVE,AIR CUT | |
REF # | 16126 |
---|---|
PART NUMBER | |
QUANTITY | 1 |
DESTINATION | |
REMARKS |
PLUG,DRAIN | |
REF # | 92066 |
---|---|
PART NUMBER | |
QUANTITY | 1 |
DESTINATION | |
REMARKS |
SEAL,ELEMENT | |
REF # | 92093 |
---|---|
PART NUMBER | |
QUANTITY | 1 |
DESTINATION | |
REMARKS |
SEAL,CASE | |
REF # | 92093A |
---|---|
PART NUMBER | |
QUANTITY | 1 |
DESTINATION | |
REMARKS |
COLLAR,6.5X10.5X13.1 | |
REF # | 92152 |
---|---|
PART NUMBER | |
QUANTITY | 1 |
DESTINATION | |
REMARKS |
DAMPER | |
REF # | 92160 |
---|---|
PART NUMBER | |
QUANTITY | 1 |
DESTINATION | |
REMARKS |
DAMPER | |
REF # | 92161 |
---|---|
PART NUMBER | |
QUANTITY | 1 |
DESTINATION | |
REMARKS |
CLAMP | |
REF # | 92170 |
---|---|
PART NUMBER | |
QUANTITY | 3 |
DESTINATION | |
REMARKS |
CLAMP | |
REF # | 92171 |
---|---|
PART NUMBER | |
QUANTITY | 1 |
DESTINATION | |
REMARKS |
CLAMP,18.8MM | |
REF # | 92171A |
---|---|
PART NUMBER | |
QUANTITY | 1 |
DESTINATION | |
REMARKS |
SCREW,5X25 | |
REF # | 92172 |
---|---|
PART NUMBER | |
QUANTITY | 10 |
DESTINATION | |
REMARKS |
CLAMP,10MM | |
REF # | 92173 |
---|---|
PART NUMBER | |
QUANTITY | 2 |
DESTINATION | |
REMARKS |
CLAMP,DUCT | |
REF # | 92173A |
---|---|
PART NUMBER | |
QUANTITY | 1 |
DESTINATION | |
REMARKS |
TUBE,AIR CUT VALVE-AIR CLEANER | |
REF # | 92192 |
---|---|
PART NUMBER | |
QUANTITY | 1 |
DESTINATION | |
REMARKS |
TUBE,AIR CUT VALVE-HEAD CAP | |
REF # | 92192A |
---|---|
PART NUMBER | |
QUANTITY | 1 |
DESTINATION | |
REMARKS |
TUBE,BREATHER | |
REF # | 92192B |
---|---|
PART NUMBER | |
QUANTITY | 1 |
DESTINATION | |
REMARKS |
TUBE,DRAIN CLEAN | |
REF # | 92192C |
---|---|
PART NUMBER | |
QUANTITY | 1 |
DESTINATION | |
REMARKS |
WASHER,6.5X22X1.6 | |
REF # | 92200 |
---|---|
PART NUMBER | |
QUANTITY | 1 |
DESTINATION | |
REMARKS |
BOLT-FLANGED,6X25 | |
REF # | 130 |
---|---|
PART NUMBER | |
QUANTITY | 1 |
DESTINATION | |
REMARKS |