Skip to main content

Parts Diagrams

customer service agent speaking with a customer

Welcome, Kawasaki owners. Access the information and tools you need to get the most out of your vehicle.

Welcome, Kawasaki owners. Access the information and tools you need to get the most out of your vehicle.

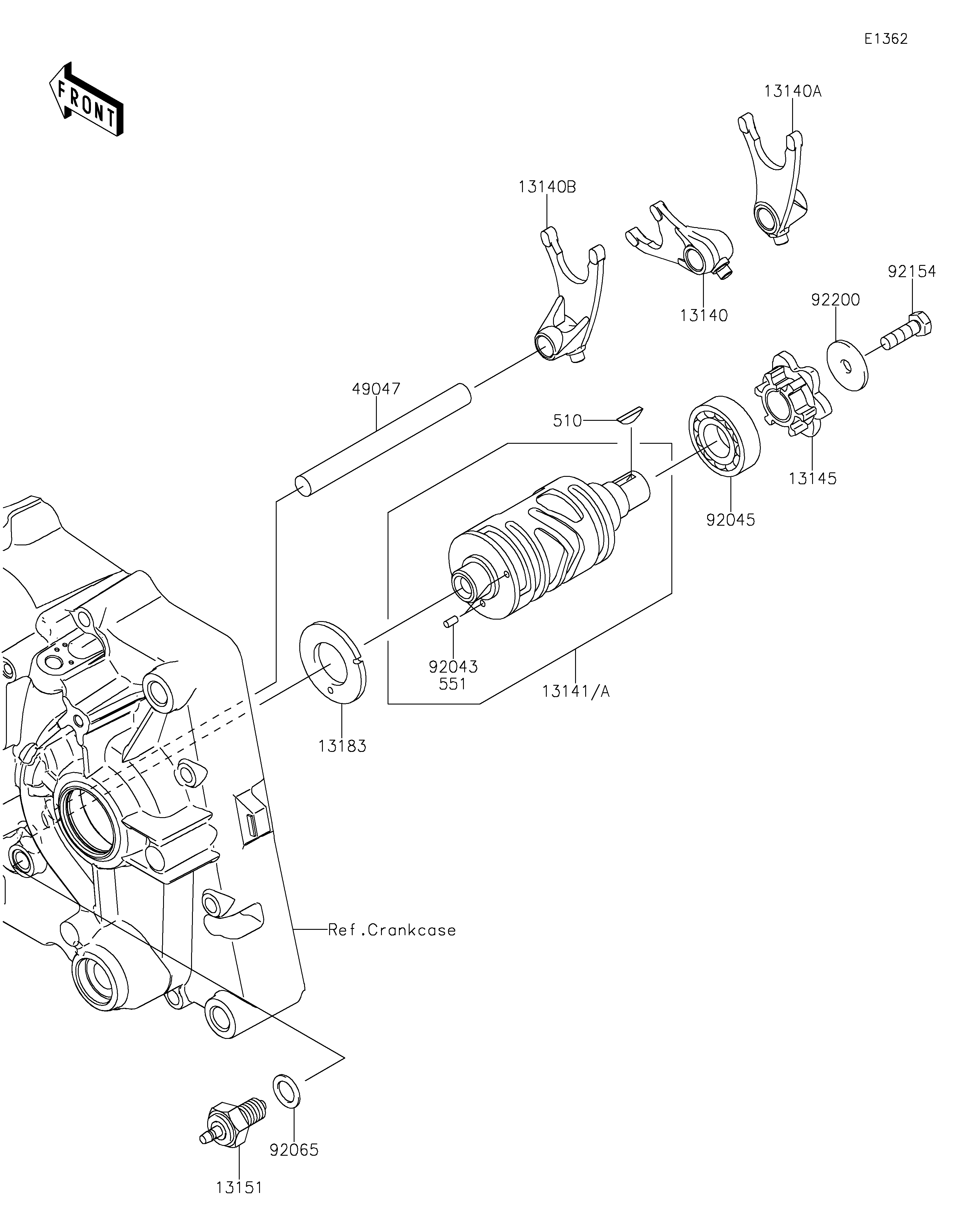
2026 KLX®140R - Gear Change Drum/Shift Fork(s)

13140
13140A
13140B
13141
13141A
13145
13151
13183
49047
92043
92045
92065
92154
92200
510
551
Part Item Information
ITEM NAME REF # PART NUMBER QUANTITY DESTINATION REMARKS
FORK-SHIFT,INPUT 13140 13140-0698 1
FORK-SHIFT,OUTPUT RH 13140A 13140-0699 1
FORK-SHIFT,OUTPUT LH 13140B 13140-0700 1
DRUM-CHANGE 13141 13141-0572 1
DRUM-CHANGE 13141A 13141-0620 1
CAM-CHANGE DRUM 13145 13145-1084 1
SWITCH-COMP,NEUTRAL 13151 13151-1099 1
PLATE,CHANGE 13183 13183-1066 1
ROD-SHIFT 49047 49047-0639 1
PIN-DOWEL,3X6 92043 92043-1829 2
BEARING-BALL,17X35X10 92045 92045-0126 1
GASKET,10.5X16X1 92065 92065-058 1
BOLT,UPSET,6X20 92154 92154-1166 1
WASHER,6.5X24X2 92200 92200-0838 1
KEY-WOODRUFF 510 510A3200 1
PIN-DOWEL,3X6 551 551A0306 2