main content of page
Parts Diagrams
OWNER CENTER |
Welcome, Kawasaki owners. Access the information and tools you need to get the most out of your vehicle.
OWNER CENTER |
Welcome, Kawasaki owners. Access the information and tools you need to get the most out of your vehicle.
Parts Diagrams |
14091
14091A
16171
16171A
21177
39129
49103
49113
49113A
92001
92002
92009
92022
92028
92028
92028
92039
92039
92144
92145
92145A
92152
92152
130
130
130A
130B
130C
220
311
411
411
411A
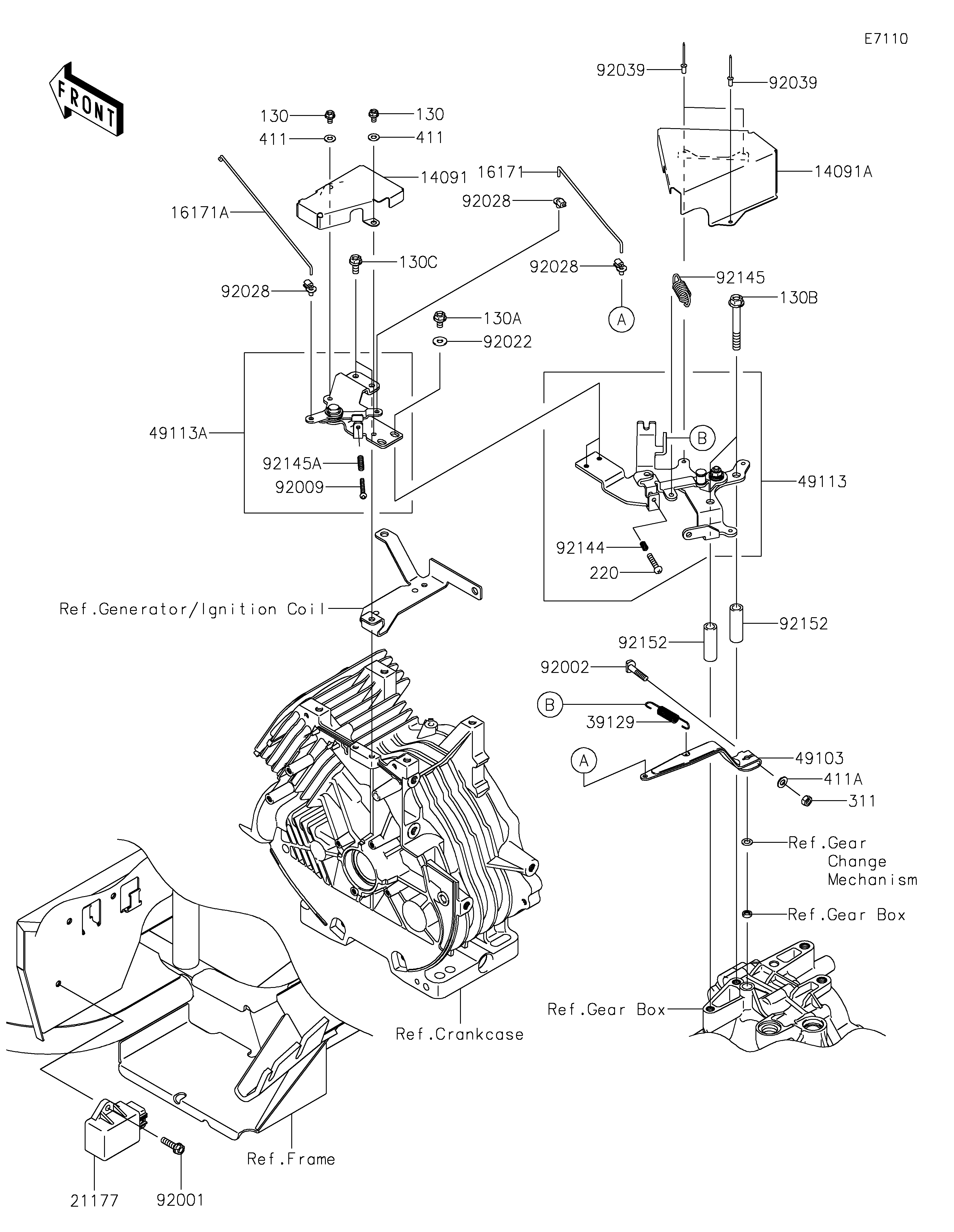
| ITEM NAME | REF # | PART NUMBER | QUANTITY | DESTINATION | REMARKS |
|---|---|---|---|---|---|
| COVER,FR | 14091 | 14091-0401 | 1 | ||
| COVER,RR | 14091A | 14091-0402 | 1 | ||
| LINK | 16171 | 16171-0007 | 1 | ||
| LINK,GOVERNOR | 16171A | 16171-0046 | 1 | ||
| CONTROLLER | 21177 | 21177-0003 | 1 | ||
| SPRING-GOVERNOR | 39129 | 39129-0006 | 1 | ||
| ARM-GOVERNOR | 49103 | 49103-1055 | 1 | ||
| PANEL-COMP-CONTROL | 49113 | 49113-0006 | 1 | ||
| PANEL-COMP-CONTROL | 49113A | 49113-0046 | 1 | ||
| BOLT,FLANGED,6X22 | 92001 | 92001-1352 | 1 | ||
| BOLT,6X28 | 92002 | 92002-2269 | 1 | ||
| SCREW,4X30 | 92009 | 92009-7002 | 1 | ||
| WASHER,6.2X15X1.2 | 92022 | 92022-2373 | 2 | ||
| BUSHING,GOVERNOR | 92028 | 92028-2156 | 3 | ||
| RIVET,BLIND,4.0X9.2 | 92039 | 92039-1163 | 3 | ||
| SPRING | 92144 | 92144-2266 | 1 | ||
| SPRING,RETURN | 92145 | 92145-0301 | 1 | ||
| SPRING | 92145A | 92145-7005 | 1 | ||
| COLLAR,9.1X13.95X42 | 92152 | 92152-7501 | 2 | ||
| BOLT-FLANGED,5X8 | 130 | 130BA0508 | 2 | ||
| BOLT-FLANGED,6X10 | 130A | 130BA0610 | 2 | ||
| BOLT-FLANGED,8X60 | 130B | 130BA0860 | 2 | ||
| BOLT-FLANGED,6X14 | 130C | 130BB0614 | 2 | ||
| SCREW-PAN-CROS,5X22 | 220 | 220AA0522 | 1 | ||
| NUT-HEX,6MM | 311 | 311AA0600 | 1 | ||
| WASHER-PLAIN,5MM | 411 | 411AA0500 | 2 | ||
| WASHER-PLAIN,6MM | 411A | 411AA0600 | 1 |
| COVER,FR | |
| REF # | 14091 |
|---|---|
| PART NUMBER | |
| QUANTITY | 1 |
| DESTINATION | |
| REMARKS | |
| COVER,RR | |
| REF # | 14091A |
|---|---|
| PART NUMBER | |
| QUANTITY | 1 |
| DESTINATION | |
| REMARKS | |
| LINK | |
| REF # | 16171 |
|---|---|
| PART NUMBER | |
| QUANTITY | 1 |
| DESTINATION | |
| REMARKS | |
| LINK,GOVERNOR | |
| REF # | 16171A |
|---|---|
| PART NUMBER | |
| QUANTITY | 1 |
| DESTINATION | |
| REMARKS | |
| CONTROLLER | |
| REF # | 21177 |
|---|---|
| PART NUMBER | |
| QUANTITY | 1 |
| DESTINATION | |
| REMARKS | |
| SPRING-GOVERNOR | |
| REF # | 39129 |
|---|---|
| PART NUMBER | |
| QUANTITY | 1 |
| DESTINATION | |
| REMARKS | |
| ARM-GOVERNOR | |
| REF # | 49103 |
|---|---|
| PART NUMBER | |
| QUANTITY | 1 |
| DESTINATION | |
| REMARKS | |
| PANEL-COMP-CONTROL | |
| REF # | 49113 |
|---|---|
| PART NUMBER | |
| QUANTITY | 1 |
| DESTINATION | |
| REMARKS | |
| PANEL-COMP-CONTROL | |
| REF # | 49113A |
|---|---|
| PART NUMBER | |
| QUANTITY | 1 |
| DESTINATION | |
| REMARKS | |
| BOLT,FLANGED,6X22 | |
| REF # | 92001 |
|---|---|
| PART NUMBER | |
| QUANTITY | 1 |
| DESTINATION | |
| REMARKS | |
| BOLT,6X28 | |
| REF # | 92002 |
|---|---|
| PART NUMBER | |
| QUANTITY | 1 |
| DESTINATION | |
| REMARKS | |
| SCREW,4X30 | |
| REF # | 92009 |
|---|---|
| PART NUMBER | |
| QUANTITY | 1 |
| DESTINATION | |
| REMARKS | |
| WASHER,6.2X15X1.2 | |
| REF # | 92022 |
|---|---|
| PART NUMBER | |
| QUANTITY | 2 |
| DESTINATION | |
| REMARKS | |
| BUSHING,GOVERNOR | |
| REF # | 92028 |
|---|---|
| PART NUMBER | |
| QUANTITY | 3 |
| DESTINATION | |
| REMARKS | |
| RIVET,BLIND,4.0X9.2 | |
| REF # | 92039 |
|---|---|
| PART NUMBER | |
| QUANTITY | 3 |
| DESTINATION | |
| REMARKS | |
| SPRING | |
| REF # | 92144 |
|---|---|
| PART NUMBER | |
| QUANTITY | 1 |
| DESTINATION | |
| REMARKS | |
| SPRING,RETURN | |
| REF # | 92145 |
|---|---|
| PART NUMBER | |
| QUANTITY | 1 |
| DESTINATION | |
| REMARKS | |
| SPRING | |
| REF # | 92145A |
|---|---|
| PART NUMBER | |
| QUANTITY | 1 |
| DESTINATION | |
| REMARKS | |
| COLLAR,9.1X13.95X42 | |
| REF # | 92152 |
|---|---|
| PART NUMBER | |
| QUANTITY | 2 |
| DESTINATION | |
| REMARKS | |
| BOLT-FLANGED,5X8 | |
| REF # | 130 |
|---|---|
| PART NUMBER | |
| QUANTITY | 2 |
| DESTINATION | |
| REMARKS | |
| BOLT-FLANGED,6X10 | |
| REF # | 130A |
|---|---|
| PART NUMBER | |
| QUANTITY | 2 |
| DESTINATION | |
| REMARKS | |
| BOLT-FLANGED,8X60 | |
| REF # | 130B |
|---|---|
| PART NUMBER | |
| QUANTITY | 2 |
| DESTINATION | |
| REMARKS | |
| BOLT-FLANGED,6X14 | |
| REF # | 130C |
|---|---|
| PART NUMBER | |
| QUANTITY | 2 |
| DESTINATION | |
| REMARKS | |
| SCREW-PAN-CROS,5X22 | |
| REF # | 220 |
|---|---|
| PART NUMBER | |
| QUANTITY | 1 |
| DESTINATION | |
| REMARKS | |
| NUT-HEX,6MM | |
| REF # | 311 |
|---|---|
| PART NUMBER | |
| QUANTITY | 1 |
| DESTINATION | |
| REMARKS | |
| WASHER-PLAIN,5MM | |
| REF # | 411 |
|---|---|
| PART NUMBER | |
| QUANTITY | 2 |
| DESTINATION | |
| REMARKS | |
| WASHER-PLAIN,6MM | |
| REF # | 411A |
|---|---|
| PART NUMBER | |
| QUANTITY | 1 |
| DESTINATION | |
| REMARKS | |