main content of page
Parts Diagrams
OWNER CENTER |

Welcome, Kawasaki owners. Access the information and tools you need to get the most out of your vehicle.
OWNER CENTER |
Welcome, Kawasaki owners. Access the information and tools you need to get the most out of your vehicle.
Parts Diagrams |
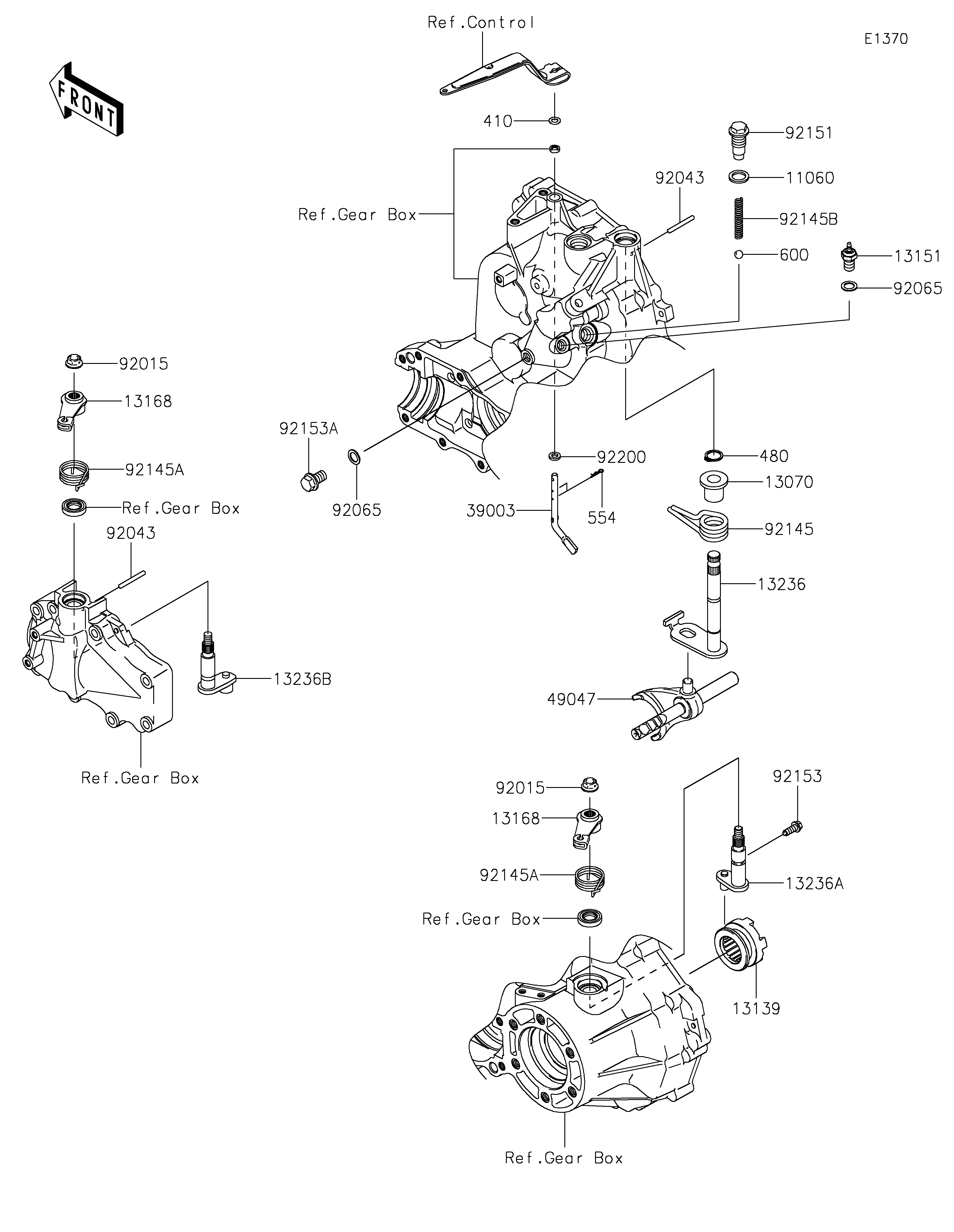
2021 MULE SX™ 4x4 XC CAMO FI - Gear Change Mechanism
11060
13070
13139
13151
13168
13168
13236
13236A
13236B
39003
49047
92015
92015
92043
92043
92065
92065
92145
92145A
92145A
92145B
92151
92153
92153A
92200
410
480
554
600
ITEM NAME | REF # | PART NUMBER | QUANTITY | DESTINATION | REMARKS |
---|---|---|---|---|---|
GASKET,14X20X2 | 11060 | 11060-1287 | 1 | ||
GUIDE | 13070 | 13070-0030 | 1 | ||
SHIFTER,DIFF LOCK | 13139 | 13139-0008 | 1 | ||
SWITCH-COMP,NEUTRAL | 13151 | 13151-1080 | 1 | ||
LEVER,DIFF LOCK | 13168 | 13168-1523 | 2 | ||
LEVER-COMP,FR/RR | 13236 | 13236-0036 | 1 | ||
LEVER-COMP,DIFF LOCK | 13236A | 13236-0037 | 1 | ||
LEVER-COMP,2WD/4WD | 13236B | 13236-0168 | 1 | ||
ARM-PIVOT,GOVERNOR | 39003 | 39003-1053 | 1 | ||
ROD-SHIFT,FR/RR | 49047 | 49047-0013 | 1 | ||
NUT,FLANGED,8MM | 92015 | 92015-1406 | 2 | ||
PIN,4X34.8 | 92043 | 92043-1579 | 2 | ||
GASKET,10.5X16X1 | 92065 | 92065-058 | 2 | ||
SPRING | 92145 | 92145-0146 | 1 | ||
SPRING | 92145A | 92145-0226 | 2 | ||
SPRING,CHANGE POSITION | 92145B | 92145-1297 | 1 | ||
BOLT,CHANGE POSITION | 92151 | 92151-1687 | 1 | ||
BOLT,6X16.6 | 92153 | 92153-0591 | 1 | ||
BOLT,10X16 | 92153A | 92153-0621 | 1 | ||
WASHER,6.5X11.5X2.0 | 92200 | 92200-2029 | 1 | ||
WASHER-PLAIN-SMALL | 410 | 410AA0600 | 1 | ||
CIRCLIP-TYPE-C,13MM | 480 | 480J1300 | 1 | ||
PIN-SNAP,1.2X21.2 | 554 | 554DA0600 | 2 | ||
BALL-STEEL,5/16 | 600 | 600A1000 | 1 |
GASKET,14X20X2 | |
REF # | 11060 |
---|---|
PART NUMBER | |
QUANTITY | 1 |
DESTINATION | |
REMARKS |
GUIDE | |
REF # | 13070 |
---|---|
PART NUMBER | |
QUANTITY | 1 |
DESTINATION | |
REMARKS |
SHIFTER,DIFF LOCK | |
REF # | 13139 |
---|---|
PART NUMBER | |
QUANTITY | 1 |
DESTINATION | |
REMARKS |
SWITCH-COMP,NEUTRAL | |
REF # | 13151 |
---|---|
PART NUMBER | |
QUANTITY | 1 |
DESTINATION | |
REMARKS |
LEVER,DIFF LOCK | |
REF # | 13168 |
---|---|
PART NUMBER | |
QUANTITY | 2 |
DESTINATION | |
REMARKS |
LEVER-COMP,FR/RR | |
REF # | 13236 |
---|---|
PART NUMBER | |
QUANTITY | 1 |
DESTINATION | |
REMARKS |
LEVER-COMP,DIFF LOCK | |
REF # | 13236A |
---|---|
PART NUMBER | |
QUANTITY | 1 |
DESTINATION | |
REMARKS |
LEVER-COMP,2WD/4WD | |
REF # | 13236B |
---|---|
PART NUMBER | |
QUANTITY | 1 |
DESTINATION | |
REMARKS |
ARM-PIVOT,GOVERNOR | |
REF # | 39003 |
---|---|
PART NUMBER | |
QUANTITY | 1 |
DESTINATION | |
REMARKS |
ROD-SHIFT,FR/RR | |
REF # | 49047 |
---|---|
PART NUMBER | |
QUANTITY | 1 |
DESTINATION | |
REMARKS |
NUT,FLANGED,8MM | |
REF # | 92015 |
---|---|
PART NUMBER | |
QUANTITY | 2 |
DESTINATION | |
REMARKS |
PIN,4X34.8 | |
REF # | 92043 |
---|---|
PART NUMBER | |
QUANTITY | 2 |
DESTINATION | |
REMARKS |
GASKET,10.5X16X1 | |
REF # | 92065 |
---|---|
PART NUMBER | |
QUANTITY | 2 |
DESTINATION | |
REMARKS |
SPRING | |
REF # | 92145 |
---|---|
PART NUMBER | |
QUANTITY | 1 |
DESTINATION | |
REMARKS |
SPRING | |
REF # | 92145A |
---|---|
PART NUMBER | |
QUANTITY | 2 |
DESTINATION | |
REMARKS |
SPRING,CHANGE POSITION | |
REF # | 92145B |
---|---|
PART NUMBER | |
QUANTITY | 1 |
DESTINATION | |
REMARKS |
BOLT,CHANGE POSITION | |
REF # | 92151 |
---|---|
PART NUMBER | |
QUANTITY | 1 |
DESTINATION | |
REMARKS |
BOLT,6X16.6 | |
REF # | 92153 |
---|---|
PART NUMBER | |
QUANTITY | 1 |
DESTINATION | |
REMARKS |
BOLT,10X16 | |
REF # | 92153A |
---|---|
PART NUMBER | |
QUANTITY | 1 |
DESTINATION | |
REMARKS |
WASHER,6.5X11.5X2.0 | |
REF # | 92200 |
---|---|
PART NUMBER | |
QUANTITY | 1 |
DESTINATION | |
REMARKS |
WASHER-PLAIN-SMALL | |
REF # | 410 |
---|---|
PART NUMBER | |
QUANTITY | 1 |
DESTINATION | |
REMARKS |
CIRCLIP-TYPE-C,13MM | |
REF # | 480 |
---|---|
PART NUMBER | |
QUANTITY | 1 |
DESTINATION | |
REMARKS |
PIN-SNAP,1.2X21.2 | |
REF # | 554 |
---|---|
PART NUMBER | |
QUANTITY | 2 |
DESTINATION | |
REMARKS |
BALL-STEEL,5/16 | |
REF # | 600 |
---|---|
PART NUMBER | |
QUANTITY | 1 |
DESTINATION | |
REMARKS |