Skip to main content

Parts Diagrams

customer service agent speaking with a customer

Welcome, Kawasaki owners. Access the information and tools you need to get the most out of your vehicle.

Welcome, Kawasaki owners. Access the information and tools you need to get the most out of your vehicle.

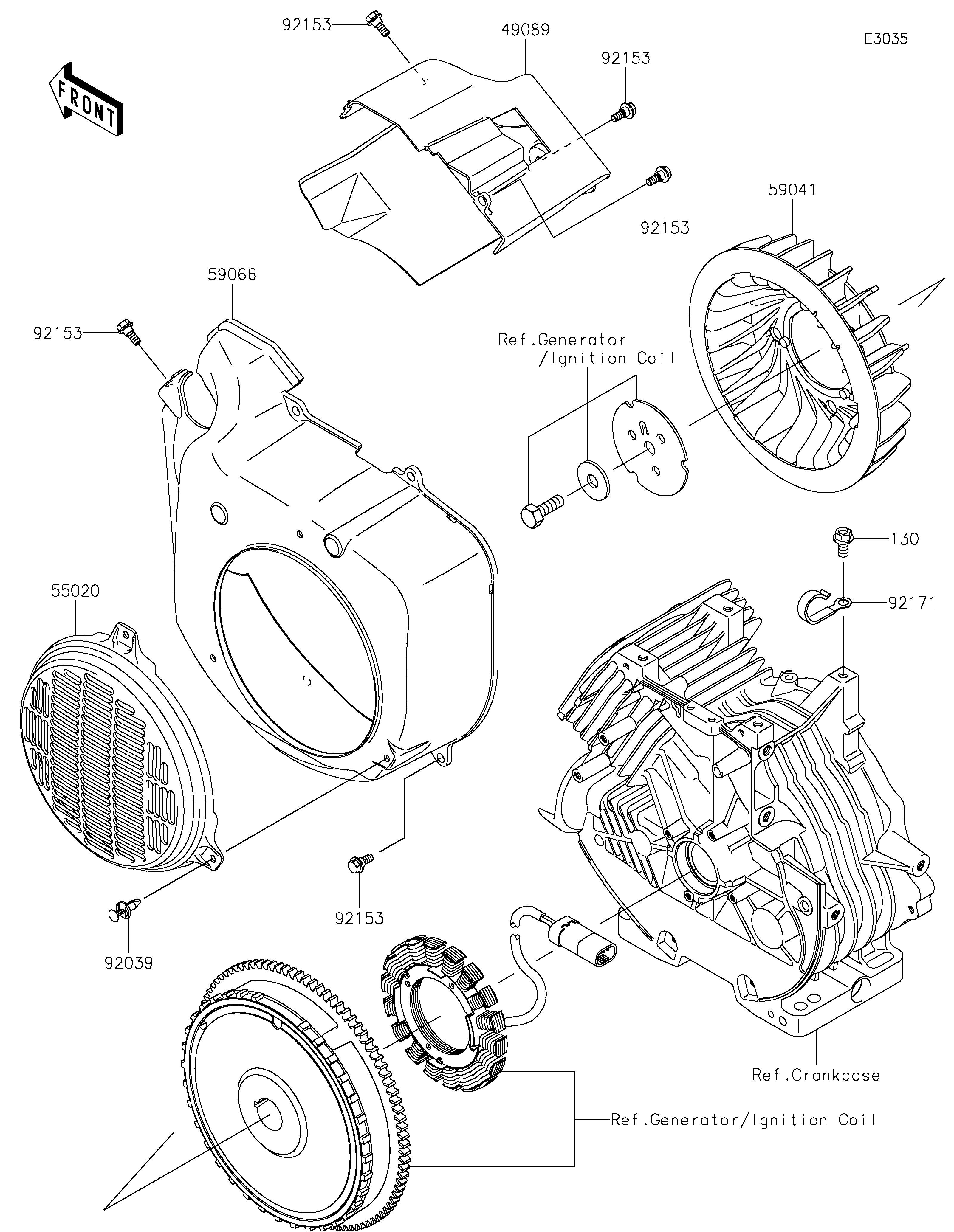
49089
55020
59041
59066
92039
92153
92153
92153
92153
92153
92171
130
Part Item Information
ITEM NAME REF # PART NUMBER QUANTITY DESTINATION REMARKS
SHROUD-ENGINE 49089 49089-7089 1
GUARD 55020 55020-2267 1
FAN 59041 59041-0019 1
HOUSING-FAN 59066 59066-7059 1
RIVET,GUARD 92039 92039-0751 3
BOLT,FLANGED,6X16 92153 92153-7007 8
CLAMP 92171 92171-7005 1
BOLT-FLANGED,8X16 130 130AA0816 1