Skip to main content

Parts Diagrams

customer service agent speaking with a customer

Welcome, Kawasaki owners. Access the information and tools you need to get the most out of your vehicle.

Welcome, Kawasaki owners. Access the information and tools you need to get the most out of your vehicle.

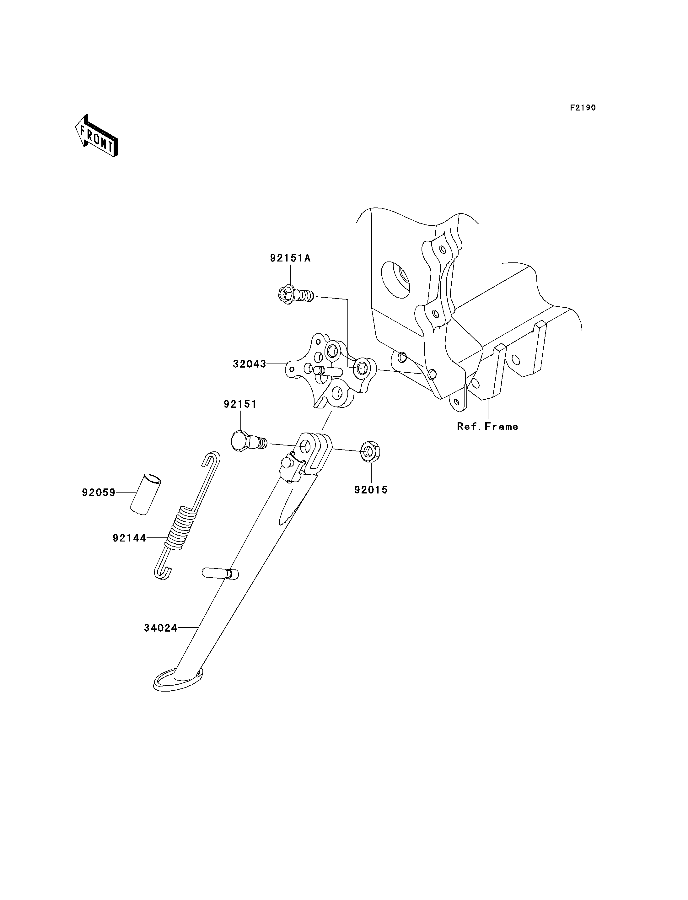
32043
34024
92015
92059
92144
92151
92151A
Part Item Information
ITEM NAME REF # PART NUMBER QUANTITY DESTINATION REMARKS
BRACKET-STAND 32043 32043-1484 1
STAND-SIDE 34024 34024-0001 1
NUT,LOCK,10MM,BLACK 92015 92015-1188 1
TUBE,14X17X50 92059 92059-1961 1
SPRING,SIDE STAND 92144 92144-1818 1
BOLT,SIDE STAND 92151 92151-1797 1
BOLT,FLANGED,10X25 92151A 92151-1802 2