main content of page
Parts Diagrams
OWNER CENTER |
Welcome, Kawasaki owners. Access the information and tools you need to get the most out of your vehicle.
OWNER CENTER |
Welcome, Kawasaki owners. Access the information and tools you need to get the most out of your vehicle.
Parts Diagrams |
11056
11057
13227
13227A
32190
32190A
39110
92015
92015
92015A
92015A
92152
92152A
92154
92154A
92154B
92154C
92161
92161
92161A
92161A
92161B
92161C
92200
92200A
92200B
92200C
92200C
92210
92210
130
130A
130B
130B
130B
130C
130C
411
411
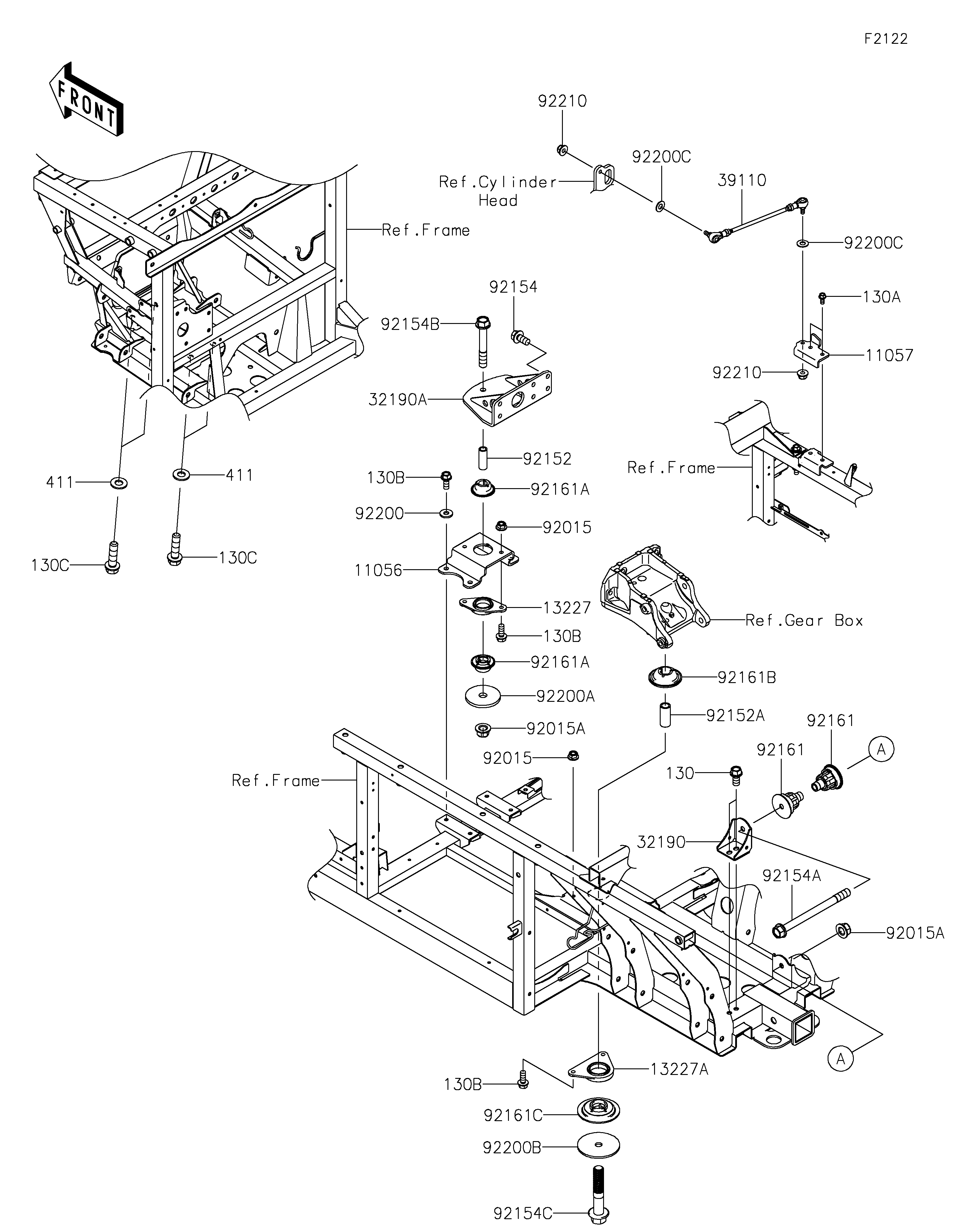
| ITEM NAME | REF # | PART NUMBER | QUANTITY | DESTINATION | REMARKS |
|---|---|---|---|---|---|
| BRACKET | 11056 | 11056-7475 | 1 | ||
| BRACKET,TORQUE ROD | 11057 | 11057-2696 | 1 | ||
| HOUSING | 13227 | 13227-0031 | 1 | ||
| HOUSING | 13227A | 13227-0032 | 1 | ||
| BRACKET-ENGINE | 32190 | 32190-0662 | 1 | ||
| BRACKET-ENGINE,FR | 32190A | 32190-0701 | 1 | ||
| ROD-ASSY-TIE | 39110 | 39110-0050 | 1 | ||
| NUT,LOCK,FLANGED,8MM | 92015 | 92015-1397 | 4 | ||
| NUT,LOCK,FLANGED,12MM | 92015A | 92015-1433 | 2 | ||
| COLLAR,13X19.1X54 | 92152 | 92152-1802 | 1 | ||
| COLLAR,17X23.8X54.5 | 92152A | 92152-2127 | 1 | ||
| BOLT,FLANGED,10X20 | 92154 | 92154-1321 | 6 | ||
| BOLT,FLANGED,12X150 | 92154A | 92154-1322 | 1 | ||
| BOLT,FLANGED,12X80 | 92154B | 92154-1419 | 1 | ||
| BOLT,FLANGED,16X86 | 92154C | 92154-1763 | 1 | ||
| DAMPER | 92161 | 92161-1616 | 2 | ||
| DAMPER | 92161A | 92161-1617 | 2 | ||
| DAMPER | 92161B | 92161-1618 | 1 | ||
| DAMPER | 92161C | 92161-1619 | 1 | ||
| WASHER,8.2X20.0X2.5 | 92200 | 92200-0205 | 4 | ||
| WASHER,12.5X55X4.76 | 92200A | 92200-0913 | 1 | ||
| WASHER,16.5X100X4.76 | 92200B | 92200-1747 | 1 | ||
| WASHER,8.5X18X1 | 92200C | 92200-2284 | 2 | ||
| NUT,FLANGED,LOCK,8MM | 92210 | 92210-0493 | 2 | ||
| BOLT-FLANGED,10X20 | 130 | 130BA1020 | 2 | ||
| BOLT-FLANGED,8X18 | 130A | 130CA0818 | 2 | ||
| BOLT-FLANGED,8X20 | 130B | 130CA0820 | 8 | ||
| BOLT-FLANGED,12X35 | 130C | 130CA1235 | 4 | ||
| WASHER-PLAIN,12MM | 411 | 411AA1200 | 4 |
| BRACKET | |
| REF # | 11056 |
|---|---|
| PART NUMBER | |
| QUANTITY | 1 |
| DESTINATION | |
| REMARKS | |
| BRACKET,TORQUE ROD | |
| REF # | 11057 |
|---|---|
| PART NUMBER | |
| QUANTITY | 1 |
| DESTINATION | |
| REMARKS | |
| HOUSING | |
| REF # | 13227 |
|---|---|
| PART NUMBER | |
| QUANTITY | 1 |
| DESTINATION | |
| REMARKS | |
| HOUSING | |
| REF # | 13227A |
|---|---|
| PART NUMBER | |
| QUANTITY | 1 |
| DESTINATION | |
| REMARKS | |
| BRACKET-ENGINE | |
| REF # | 32190 |
|---|---|
| PART NUMBER | |
| QUANTITY | 1 |
| DESTINATION | |
| REMARKS | |
| BRACKET-ENGINE,FR | |
| REF # | 32190A |
|---|---|
| PART NUMBER | |
| QUANTITY | 1 |
| DESTINATION | |
| REMARKS | |
| ROD-ASSY-TIE | |
| REF # | 39110 |
|---|---|
| PART NUMBER | |
| QUANTITY | 1 |
| DESTINATION | |
| REMARKS | |
| NUT,LOCK,FLANGED,8MM | |
| REF # | 92015 |
|---|---|
| PART NUMBER | |
| QUANTITY | 4 |
| DESTINATION | |
| REMARKS | |
| NUT,LOCK,FLANGED,12MM | |
| REF # | 92015A |
|---|---|
| PART NUMBER | |
| QUANTITY | 2 |
| DESTINATION | |
| REMARKS | |
| COLLAR,13X19.1X54 | |
| REF # | 92152 |
|---|---|
| PART NUMBER | |
| QUANTITY | 1 |
| DESTINATION | |
| REMARKS | |
| COLLAR,17X23.8X54.5 | |
| REF # | 92152A |
|---|---|
| PART NUMBER | |
| QUANTITY | 1 |
| DESTINATION | |
| REMARKS | |
| BOLT,FLANGED,10X20 | |
| REF # | 92154 |
|---|---|
| PART NUMBER | |
| QUANTITY | 6 |
| DESTINATION | |
| REMARKS | |
| BOLT,FLANGED,12X150 | |
| REF # | 92154A |
|---|---|
| PART NUMBER | |
| QUANTITY | 1 |
| DESTINATION | |
| REMARKS | |
| BOLT,FLANGED,12X80 | |
| REF # | 92154B |
|---|---|
| PART NUMBER | |
| QUANTITY | 1 |
| DESTINATION | |
| REMARKS | |
| BOLT,FLANGED,16X86 | |
| REF # | 92154C |
|---|---|
| PART NUMBER | |
| QUANTITY | 1 |
| DESTINATION | |
| REMARKS | |
| DAMPER | |
| REF # | 92161 |
|---|---|
| PART NUMBER | |
| QUANTITY | 2 |
| DESTINATION | |
| REMARKS | |
| DAMPER | |
| REF # | 92161A |
|---|---|
| PART NUMBER | |
| QUANTITY | 2 |
| DESTINATION | |
| REMARKS | |
| DAMPER | |
| REF # | 92161B |
|---|---|
| PART NUMBER | |
| QUANTITY | 1 |
| DESTINATION | |
| REMARKS | |
| DAMPER | |
| REF # | 92161C |
|---|---|
| PART NUMBER | |
| QUANTITY | 1 |
| DESTINATION | |
| REMARKS | |
| WASHER,8.2X20.0X2.5 | |
| REF # | 92200 |
|---|---|
| PART NUMBER | |
| QUANTITY | 4 |
| DESTINATION | |
| REMARKS | |
| WASHER,12.5X55X4.76 | |
| REF # | 92200A |
|---|---|
| PART NUMBER | |
| QUANTITY | 1 |
| DESTINATION | |
| REMARKS | |
| WASHER,16.5X100X4.76 | |
| REF # | 92200B |
|---|---|
| PART NUMBER | |
| QUANTITY | 1 |
| DESTINATION | |
| REMARKS | |
| WASHER,8.5X18X1 | |
| REF # | 92200C |
|---|---|
| PART NUMBER | |
| QUANTITY | 2 |
| DESTINATION | |
| REMARKS | |
| NUT,FLANGED,LOCK,8MM | |
| REF # | 92210 |
|---|---|
| PART NUMBER | |
| QUANTITY | 2 |
| DESTINATION | |
| REMARKS | |
| BOLT-FLANGED,10X20 | |
| REF # | 130 |
|---|---|
| PART NUMBER | |
| QUANTITY | 2 |
| DESTINATION | |
| REMARKS | |
| BOLT-FLANGED,8X18 | |
| REF # | 130A |
|---|---|
| PART NUMBER | |
| QUANTITY | 2 |
| DESTINATION | |
| REMARKS | |
| BOLT-FLANGED,8X20 | |
| REF # | 130B |
|---|---|
| PART NUMBER | |
| QUANTITY | 8 |
| DESTINATION | |
| REMARKS | |
| BOLT-FLANGED,12X35 | |
| REF # | 130C |
|---|---|
| PART NUMBER | |
| QUANTITY | 4 |
| DESTINATION | |
| REMARKS | |
| WASHER-PLAIN,12MM | |
| REF # | 411 |
|---|---|
| PART NUMBER | |
| QUANTITY | 4 |
| DESTINATION | |
| REMARKS | |