main content of page
Parts Diagrams
OWNER CENTER |
Welcome, Kawasaki owners. Access the information and tools you need to get the most out of your vehicle.
OWNER CENTER |
Welcome, Kawasaki owners. Access the information and tools you need to get the most out of your vehicle.
Parts Diagrams |
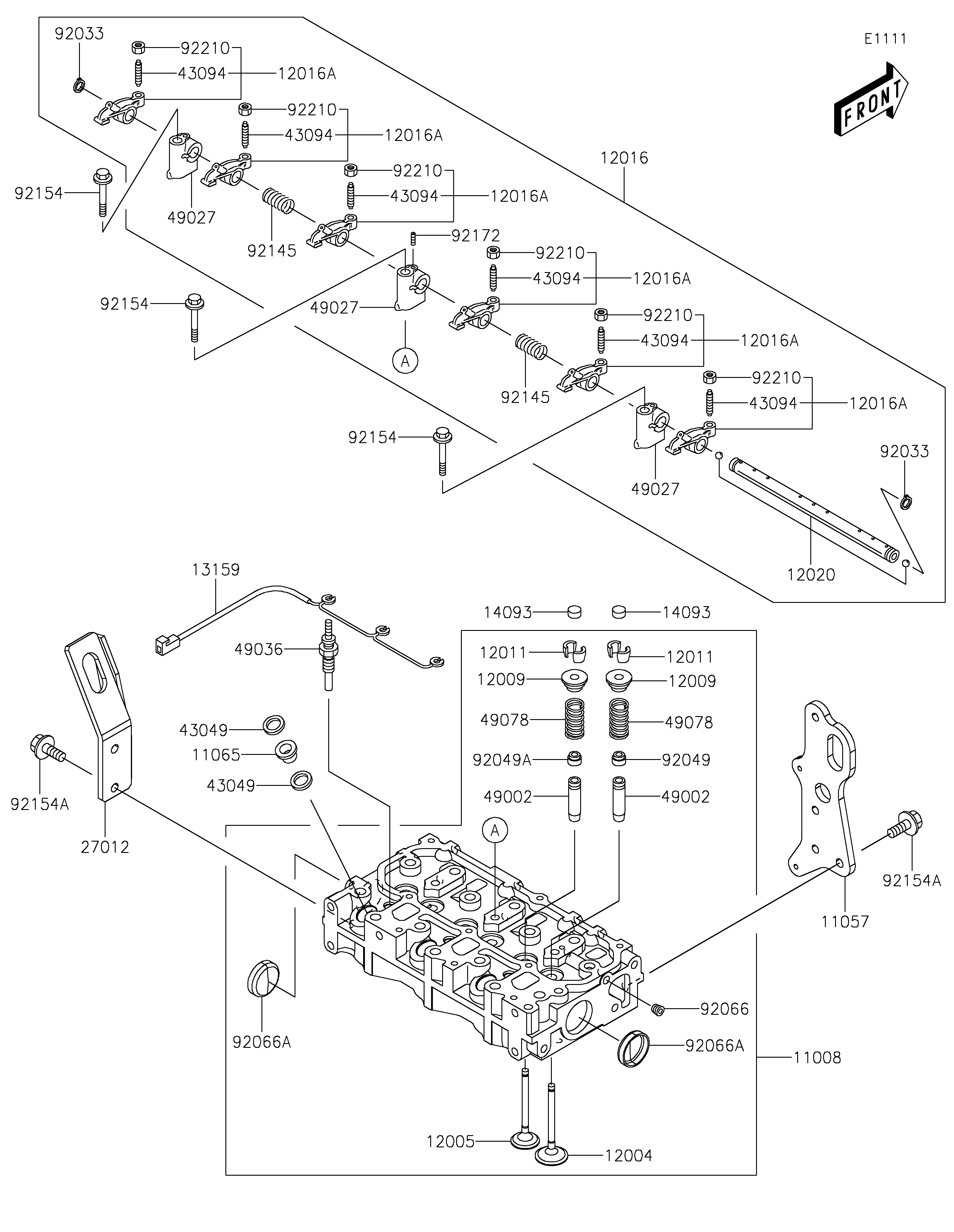
11008
11057
11065
12004
12005
12009
12009
12011
12011
12016
12016A
12016A
12016A
12016A
12016A
12016A
12020
13159
14093
14093
27012
43049
43049
43094
43094
43094
43094
43094
43094
49002
49002
49027
49027
49027
49036
49078
49078
92033
92033
92049
92049A
92066
92066A
92066A
92145
92145
92154
92154
92154
92154A
92154A
92172
92210
92210
92210
92210
92210
92210
| ITEM NAME | REF # | PART NUMBER | QUANTITY | DESTINATION | REMARKS |
|---|---|---|---|---|---|
| HEAD-COMP-CYLINDER | 11008 | 11008-1531 | 1 | ||
| BRACKET,FRAME | 11057 | 11057-1247 | 1 | ||
| CAP,NOZZLE | 11065 | 11065-0942 | 3 | ||
| VALVE-INTAKE | 12004 | 12004-0739 | 3 | ||
| VALVE-EXHAUST | 12005 | 12005-0759 | 3 | ||
| RETAINER-VALVE SPRING | 12009 | 12009-0029 | 6 | ||
| COLLET | 12011 | 12011-0004 | 12 | ||
| ARM-ROCKER | 12016 | 12016-0044 | 1 | ||
| ARM-ROCKER | 12016A | 12016-0045 | 6 | ||
| SHAFT-ROCKER | 12020 | 12020-0018 | 1 | ||
| CONNECTOR,PLUG-GLOW | 13159 | 13159-0019 | 1 | ||
| COVER,VALVE | 14093 | 14093-0440 | 6 | ||
| HOOK | 27012 | 27012-0819 | 1 | ||
| PACKING,NOZZLE | 43049 | 43049-0037 | 6 | ||
| ADJUSTER,VALVE | 43094 | 43094-0006 | 6 | ||
| GUIDE-VALVE | 49002 | 49002-0032 | 6 | ||
| HOLDER-ROCKER | 49027 | 49027-0001 | 3 | ||
| PLUG-GLOW | 49036 | 49036-0002 | 3 | ||
| SPRING-ENGINE VALVE | 49078 | 49078-0731 | 6 | ||
| RING-SNAP | 92033 | 92033-0773 | 2 | ||
| SEAL-OIL,INTAKE | 92049 | 92049-0789 | 3 | ||
| SEAL-OIL,EXHAUST | 92049A | 92049-0790 | 3 | ||
| PLUG | 92066 | 92066-0847 | 1 | ||
| PLUG | 92066A | 92066-0852 | 2 | ||
| SPRING | 92145 | 92145-1711 | 2 | ||
| BOLT,FLANGED,8X40 | 92154 | 92154-1987 | 3 | ||
| BOLT,FLANGED,8X16 | 92154A | 92154-2071 | 5 | ||
| SCREW,5X16 | 92172 | 92172-0984 | 1 | ||
| NUT,8MM | 92210 | 92210-1468 | 6 |
| HEAD-COMP-CYLINDER | |
| REF # | 11008 |
|---|---|
| PART NUMBER | |
| QUANTITY | 1 |
| DESTINATION | |
| REMARKS | |
| BRACKET,FRAME | |
| REF # | 11057 |
|---|---|
| PART NUMBER | |
| QUANTITY | 1 |
| DESTINATION | |
| REMARKS | |
| CAP,NOZZLE | |
| REF # | 11065 |
|---|---|
| PART NUMBER | |
| QUANTITY | 3 |
| DESTINATION | |
| REMARKS | |
| VALVE-INTAKE | |
| REF # | 12004 |
|---|---|
| PART NUMBER | |
| QUANTITY | 3 |
| DESTINATION | |
| REMARKS | |
| VALVE-EXHAUST | |
| REF # | 12005 |
|---|---|
| PART NUMBER | |
| QUANTITY | 3 |
| DESTINATION | |
| REMARKS | |
| RETAINER-VALVE SPRING | |
| REF # | 12009 |
|---|---|
| PART NUMBER | |
| QUANTITY | 6 |
| DESTINATION | |
| REMARKS | |
| COLLET | |
| REF # | 12011 |
|---|---|
| PART NUMBER | |
| QUANTITY | 12 |
| DESTINATION | |
| REMARKS | |
| ARM-ROCKER | |
| REF # | 12016 |
|---|---|
| PART NUMBER | |
| QUANTITY | 1 |
| DESTINATION | |
| REMARKS | |
| ARM-ROCKER | |
| REF # | 12016A |
|---|---|
| PART NUMBER | |
| QUANTITY | 6 |
| DESTINATION | |
| REMARKS | |
| SHAFT-ROCKER | |
| REF # | 12020 |
|---|---|
| PART NUMBER | |
| QUANTITY | 1 |
| DESTINATION | |
| REMARKS | |
| CONNECTOR,PLUG-GLOW | |
| REF # | 13159 |
|---|---|
| PART NUMBER | |
| QUANTITY | 1 |
| DESTINATION | |
| REMARKS | |
| COVER,VALVE | |
| REF # | 14093 |
|---|---|
| PART NUMBER | |
| QUANTITY | 6 |
| DESTINATION | |
| REMARKS | |
| HOOK | |
| REF # | 27012 |
|---|---|
| PART NUMBER | |
| QUANTITY | 1 |
| DESTINATION | |
| REMARKS | |
| PACKING,NOZZLE | |
| REF # | 43049 |
|---|---|
| PART NUMBER | |
| QUANTITY | 6 |
| DESTINATION | |
| REMARKS | |
| ADJUSTER,VALVE | |
| REF # | 43094 |
|---|---|
| PART NUMBER | |
| QUANTITY | 6 |
| DESTINATION | |
| REMARKS | |
| GUIDE-VALVE | |
| REF # | 49002 |
|---|---|
| PART NUMBER | |
| QUANTITY | 6 |
| DESTINATION | |
| REMARKS | |
| HOLDER-ROCKER | |
| REF # | 49027 |
|---|---|
| PART NUMBER | |
| QUANTITY | 3 |
| DESTINATION | |
| REMARKS | |
| PLUG-GLOW | |
| REF # | 49036 |
|---|---|
| PART NUMBER | |
| QUANTITY | 3 |
| DESTINATION | |
| REMARKS | |
| SPRING-ENGINE VALVE | |
| REF # | 49078 |
|---|---|
| PART NUMBER | |
| QUANTITY | 6 |
| DESTINATION | |
| REMARKS | |
| RING-SNAP | |
| REF # | 92033 |
|---|---|
| PART NUMBER | |
| QUANTITY | 2 |
| DESTINATION | |
| REMARKS | |
| SEAL-OIL,INTAKE | |
| REF # | 92049 |
|---|---|
| PART NUMBER | |
| QUANTITY | 3 |
| DESTINATION | |
| REMARKS | |
| SEAL-OIL,EXHAUST | |
| REF # | 92049A |
|---|---|
| PART NUMBER | |
| QUANTITY | 3 |
| DESTINATION | |
| REMARKS | |
| PLUG | |
| REF # | 92066 |
|---|---|
| PART NUMBER | |
| QUANTITY | 1 |
| DESTINATION | |
| REMARKS | |
| PLUG | |
| REF # | 92066A |
|---|---|
| PART NUMBER | |
| QUANTITY | 2 |
| DESTINATION | |
| REMARKS | |
| SPRING | |
| REF # | 92145 |
|---|---|
| PART NUMBER | |
| QUANTITY | 2 |
| DESTINATION | |
| REMARKS | |
| BOLT,FLANGED,8X40 | |
| REF # | 92154 |
|---|---|
| PART NUMBER | |
| QUANTITY | 3 |
| DESTINATION | |
| REMARKS | |
| BOLT,FLANGED,8X16 | |
| REF # | 92154A |
|---|---|
| PART NUMBER | |
| QUANTITY | 5 |
| DESTINATION | |
| REMARKS | |
| SCREW,5X16 | |
| REF # | 92172 |
|---|---|
| PART NUMBER | |
| QUANTITY | 1 |
| DESTINATION | |
| REMARKS | |
| NUT,8MM | |
| REF # | 92210 |
|---|---|
| PART NUMBER | |
| QUANTITY | 6 |
| DESTINATION | |
| REMARKS | |