Skip to main content

Parts Diagrams

customer service agent speaking with a customer

Welcome, Kawasaki owners. Access the information and tools you need to get the most out of your vehicle.

Welcome, Kawasaki owners. Access the information and tools you need to get the most out of your vehicle.

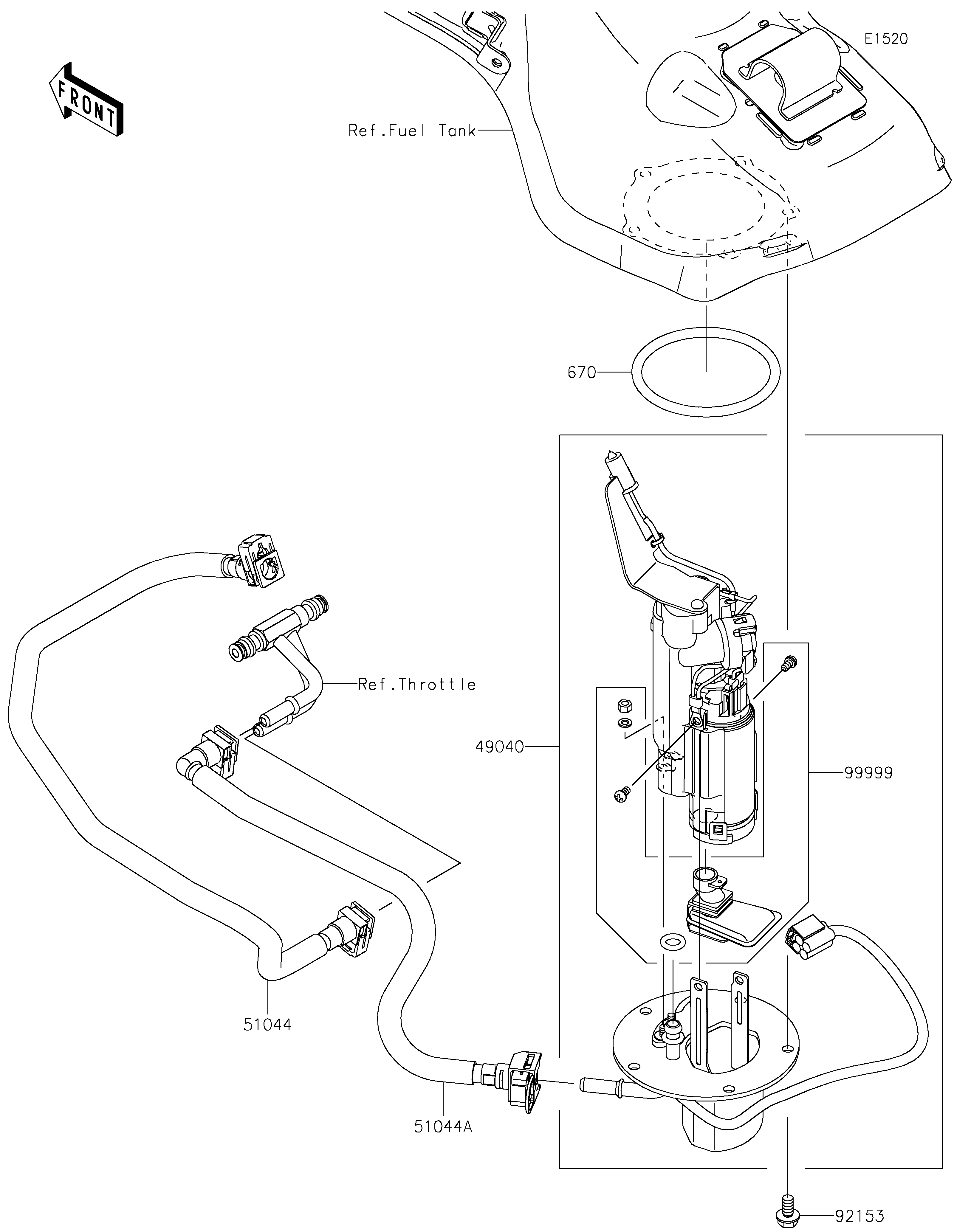
49040
51044
51044A
92153
99999
670
Part Item Information
ITEM NAME REF # PART NUMBER QUANTITY DESTINATION REMARKS
PUMP-FUEL 49040 49040-0821 1
TUBE-ASSY 51044 51044-0860 1
TUBE-ASSY 51044A 51044-0861 1
BOLT,FLANGED,6X12 92153 92153-1283 5
KIT,FUEL FILTER 99999 99999-0520 1
O RING 670 670E5075 1