main content of page
Parts Diagrams
OWNER CENTER |

Welcome, Kawasaki owners. Access the information and tools you need to get the most out of your vehicle.
OWNER CENTER |
Welcome, Kawasaki owners. Access the information and tools you need to get the most out of your vehicle.
Parts Diagrams |
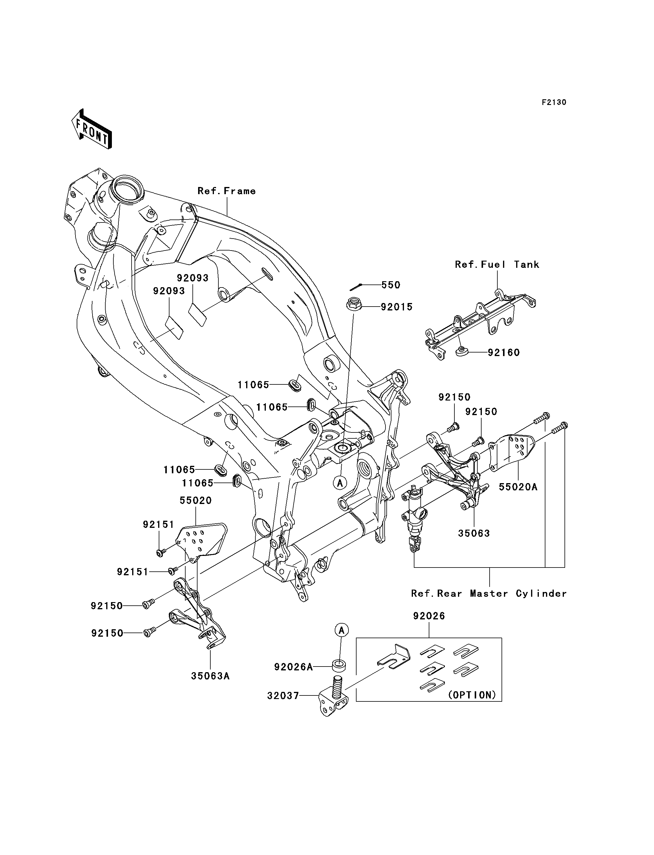
2005 Ninja® ZX™-6RR - Frame Fittings(Front)
550
11065
11065
11065
11065
32037
35063
35063A
55020
55020A
92015
92026
92026A
92093
92093
92150
92150
92150
92150
92151
92151
92160
ITEM NAME | REF # | PART NUMBER | QUANTITY | DESTINATION | REMARKS |
---|---|---|---|---|---|
PIN-COTTER,3X25 | 550 | 550S3025 | 1 | ||
CAP | 11065 | 11065-0095 | 4 | ||
BRACKET-SHOCKABSORBER | 32037 | 32037-0045 | 1 | ||
STAY,FR,RH | 35063 | 35063-0143 | 1 | ||
STAY,FR,LH | 35063A | 35063-0160 | 1 | ||
GUARD,FRONT STEP,LH | 55020 | 55020-0134 | 1 | ||
GUARD,FRONT STEP,RH | 55020A | 55020-0135 | 1 | ||
NUT,FLANGED,16MM | 92015 | 92015-1881 | 1 | ||
SPACER,SET | 92026 | 92026-0057 | 1 | (OPTION) | |
SPACER,16.5X26X11 | 92026A | 92026-0079 | 1 | ||
SEAL | 92093 | 92093-0034 | 2 | ||
BOLT,SOCKET,8X20 | 92150 | 92150-1839 | 4 | ||
BOLT,SOCKET,6X14 | 92151 | 92151-1654 | 2 | ||
DAMPER | 92160 | 92160-1396 | 1 |
PIN-COTTER,3X25 | |
REF # | 550 |
---|---|
PART NUMBER | |
QUANTITY | 1 |
DESTINATION | |
REMARKS |
CAP | |
REF # | 11065 |
---|---|
PART NUMBER | |
QUANTITY | 4 |
DESTINATION | |
REMARKS |
BRACKET-SHOCKABSORBER | |
REF # | 32037 |
---|---|
PART NUMBER | |
QUANTITY | 1 |
DESTINATION | |
REMARKS |
STAY,FR,RH | |
REF # | 35063 |
---|---|
PART NUMBER | |
QUANTITY | 1 |
DESTINATION | |
REMARKS |
STAY,FR,LH | |
REF # | 35063A |
---|---|
PART NUMBER | |
QUANTITY | 1 |
DESTINATION | |
REMARKS |
GUARD,FRONT STEP,LH | |
REF # | 55020 |
---|---|
PART NUMBER | |
QUANTITY | 1 |
DESTINATION | |
REMARKS |
GUARD,FRONT STEP,RH | |
REF # | 55020A |
---|---|
PART NUMBER | |
QUANTITY | 1 |
DESTINATION | |
REMARKS |
NUT,FLANGED,16MM | |
REF # | 92015 |
---|---|
PART NUMBER | |
QUANTITY | 1 |
DESTINATION | |
REMARKS |
SPACER,SET | |
REF # | 92026 |
---|---|
PART NUMBER | |
QUANTITY | 1 |
DESTINATION | |
REMARKS | (OPTION) |
SPACER,16.5X26X11 | |
REF # | 92026A |
---|---|
PART NUMBER | |
QUANTITY | 1 |
DESTINATION | |
REMARKS |
SEAL | |
REF # | 92093 |
---|---|
PART NUMBER | |
QUANTITY | 2 |
DESTINATION | |
REMARKS |
BOLT,SOCKET,8X20 | |
REF # | 92150 |
---|---|
PART NUMBER | |
QUANTITY | 4 |
DESTINATION | |
REMARKS |
BOLT,SOCKET,6X14 | |
REF # | 92151 |
---|---|
PART NUMBER | |
QUANTITY | 2 |
DESTINATION | |
REMARKS |
DAMPER | |
REF # | 92160 |
---|---|
PART NUMBER | |
QUANTITY | 1 |
DESTINATION | |
REMARKS |