main content of page
Parts Diagrams
OWNER CENTER |

Welcome, Kawasaki owners. Access the information and tools you need to get the most out of your vehicle.
OWNER CENTER |
Welcome, Kawasaki owners. Access the information and tools you need to get the most out of your vehicle.
Parts Diagrams |
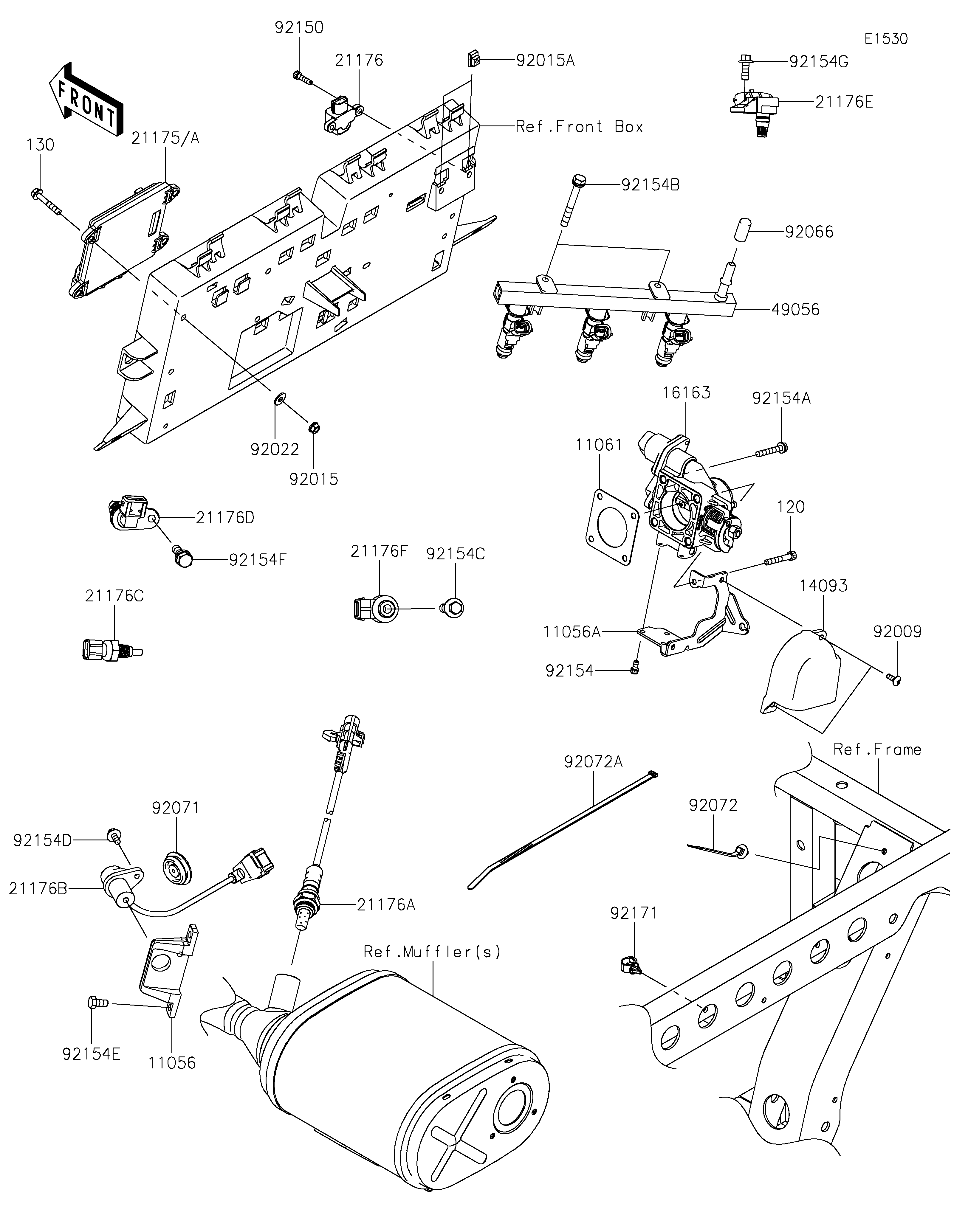
2025 Mule PRO-FX 820 EPS - Fuel Injection
11056
11056A
11061
14093
16163
21175
21175A
21176
21176A
21176B
21176C
21176D
21176E
21176F
49056
92009
92015
92015A
92022
92066
92071
92072
92072A
92150
92154
92154A
92154B
92154C
92154D
92154E
92154F
92154G
92171
120
130
ITEM NAME | REF # | PART NUMBER | QUANTITY | DESTINATION | REMARKS |
---|---|---|---|---|---|
BRACKET,CRANKSHAFT POSITION | 11056 | 11056-2680 | 1 | ||
BRACKET,THROTTLE CABLE | 11056A | 11056-7495 | 1 | ||
GASKET,THROTTLE | 11061 | 11061-0954 | 1 | ||
COVER,THROTTLE | 14093 | 14093-0043 | 1 | ||
THROTTLE-ASSY | 16163 | 16163-0816 | 1 | ||
CONTROL UNIT-ELECTRONIC,DFI | 21175 | 21175-1167 | 1 | CA | |
CONTROL UNIT-ELECTRONIC,DFI | 21175A | 21175-1180 | 1 | US | |
SENSOR,VEHICLE-DOWN | 21176 | 21176-0026 | 1 | ||
SENSOR,OXYGEN | 21176A | 21176-0773 | 1 | ||
SENSOR,CRANKSHAFT POSITION | 21176B | 21176-0795 | 1 | ||
SENSOR,WATER TEMP | 21176C | 21176-0796 | 1 | ||
SENSOR,CAMSHAFT POSITION | 21176D | 21176-0797 | 1 | ||
SENSOR,AIR INTAKE TEMP | 21176E | 21176-0798 | 1 | ||
SENSOR,EXPLOSION | 21176F | 21176-0799 | 1 | ||
PIPE-INJECTION | 49056 | 49056-0038 | 1 | ||
SCREW,5X14,WHITE | 92009 | 92009-1366 | 2 | ||
NUT,FLANGED,6MM | 92015 | 92015-1367 | 4 | ||
NUT,5MM | 92015A | 92015-1627 | 2 | ||
WASHER | 92022 | 92022-2247 | 4 | ||
PLUG | 92066 | 92066-0810 | 1 | ||
GROMMET | 92071 | 92071-0730 | 1 | ||
BAND,OS170-FT7(BLACK) | 92072 | 92072-1414 | 1 | ||
BAND,L=292.1 | 92072A | 92072-3509 | 3 | ||
BOLT,SOCKET,5X20 | 92150 | 92150-1019 | 2 | ||
BOLT,SOCKET,5X10 | 92154 | 92154-1396 | 3 | ||
BOLT,6X38 | 92154A | 92154-1589 | 3 | ||
BOLT,6X50 | 92154B | 92154-1591 | 2 | ||
BOLT,FLANGED,8X30 | 92154C | 92154-1592 | 1 | ||
BOLT,FLANGED,6X12 | 92154D | 92154-1593 | 1 | ||
BOLT,6X12 | 92154E | 92154-1594 | 2 | ||
BOLT,8X16 | 92154F | 92154-1595 | 1 | ||
BOLT,FLANGED,6X16 | 92154G | 92154-1596 | 1 | ||
CLAMP,13MM DIA. | 92171 | 92171-1415 | 1 | ||
BOLT-SOCKET,6X40 | 120 | 120CA0640 | 1 | ||
BOLT-FLANGED,6X35 | 130 | 130BA0635 | 4 |
BRACKET,CRANKSHAFT POSITION | |
REF # | 11056 |
---|---|
PART NUMBER | |
QUANTITY | 1 |
DESTINATION | |
REMARKS |
BRACKET,THROTTLE CABLE | |
REF # | 11056A |
---|---|
PART NUMBER | |
QUANTITY | 1 |
DESTINATION | |
REMARKS |
GASKET,THROTTLE | |
REF # | 11061 |
---|---|
PART NUMBER | |
QUANTITY | 1 |
DESTINATION | |
REMARKS |
COVER,THROTTLE | |
REF # | 14093 |
---|---|
PART NUMBER | |
QUANTITY | 1 |
DESTINATION | |
REMARKS |
THROTTLE-ASSY | |
REF # | 16163 |
---|---|
PART NUMBER | |
QUANTITY | 1 |
DESTINATION | |
REMARKS |
CONTROL UNIT-ELECTRONIC,DFI | |
REF # | 21175 |
---|---|
PART NUMBER | |
QUANTITY | 1 |
DESTINATION | CA |
REMARKS |
CONTROL UNIT-ELECTRONIC,DFI | |
REF # | 21175A |
---|---|
PART NUMBER | |
QUANTITY | 1 |
DESTINATION | US |
REMARKS |
SENSOR,VEHICLE-DOWN | |
REF # | 21176 |
---|---|
PART NUMBER | |
QUANTITY | 1 |
DESTINATION | |
REMARKS |
SENSOR,OXYGEN | |
REF # | 21176A |
---|---|
PART NUMBER | |
QUANTITY | 1 |
DESTINATION | |
REMARKS |
SENSOR,CRANKSHAFT POSITION | |
REF # | 21176B |
---|---|
PART NUMBER | |
QUANTITY | 1 |
DESTINATION | |
REMARKS |
SENSOR,WATER TEMP | |
REF # | 21176C |
---|---|
PART NUMBER | |
QUANTITY | 1 |
DESTINATION | |
REMARKS |
SENSOR,CAMSHAFT POSITION | |
REF # | 21176D |
---|---|
PART NUMBER | |
QUANTITY | 1 |
DESTINATION | |
REMARKS |
SENSOR,AIR INTAKE TEMP | |
REF # | 21176E |
---|---|
PART NUMBER | |
QUANTITY | 1 |
DESTINATION | |
REMARKS |
SENSOR,EXPLOSION | |
REF # | 21176F |
---|---|
PART NUMBER | |
QUANTITY | 1 |
DESTINATION | |
REMARKS |
PIPE-INJECTION | |
REF # | 49056 |
---|---|
PART NUMBER | |
QUANTITY | 1 |
DESTINATION | |
REMARKS |
SCREW,5X14,WHITE | |
REF # | 92009 |
---|---|
PART NUMBER | |
QUANTITY | 2 |
DESTINATION | |
REMARKS |
NUT,FLANGED,6MM | |
REF # | 92015 |
---|---|
PART NUMBER | |
QUANTITY | 4 |
DESTINATION | |
REMARKS |
NUT,5MM | |
REF # | 92015A |
---|---|
PART NUMBER | |
QUANTITY | 2 |
DESTINATION | |
REMARKS |
WASHER | |
REF # | 92022 |
---|---|
PART NUMBER | |
QUANTITY | 4 |
DESTINATION | |
REMARKS |
PLUG | |
REF # | 92066 |
---|---|
PART NUMBER | |
QUANTITY | 1 |
DESTINATION | |
REMARKS |
GROMMET | |
REF # | 92071 |
---|---|
PART NUMBER | |
QUANTITY | 1 |
DESTINATION | |
REMARKS |
BAND,OS170-FT7(BLACK) | |
REF # | 92072 |
---|---|
PART NUMBER | |
QUANTITY | 1 |
DESTINATION | |
REMARKS |
BAND,L=292.1 | |
REF # | 92072A |
---|---|
PART NUMBER | |
QUANTITY | 3 |
DESTINATION | |
REMARKS |
BOLT,SOCKET,5X20 | |
REF # | 92150 |
---|---|
PART NUMBER | |
QUANTITY | 2 |
DESTINATION | |
REMARKS |
BOLT,SOCKET,5X10 | |
REF # | 92154 |
---|---|
PART NUMBER | |
QUANTITY | 3 |
DESTINATION | |
REMARKS |
BOLT,6X38 | |
REF # | 92154A |
---|---|
PART NUMBER | |
QUANTITY | 3 |
DESTINATION | |
REMARKS |
BOLT,6X50 | |
REF # | 92154B |
---|---|
PART NUMBER | |
QUANTITY | 2 |
DESTINATION | |
REMARKS |
BOLT,FLANGED,8X30 | |
REF # | 92154C |
---|---|
PART NUMBER | |
QUANTITY | 1 |
DESTINATION | |
REMARKS |
BOLT,FLANGED,6X12 | |
REF # | 92154D |
---|---|
PART NUMBER | |
QUANTITY | 1 |
DESTINATION | |
REMARKS |
BOLT,6X12 | |
REF # | 92154E |
---|---|
PART NUMBER | |
QUANTITY | 2 |
DESTINATION | |
REMARKS |
BOLT,8X16 | |
REF # | 92154F |
---|---|
PART NUMBER | |
QUANTITY | 1 |
DESTINATION | |
REMARKS |
BOLT,FLANGED,6X16 | |
REF # | 92154G |
---|---|
PART NUMBER | |
QUANTITY | 1 |
DESTINATION | |
REMARKS |
CLAMP,13MM DIA. | |
REF # | 92171 |
---|---|
PART NUMBER | |
QUANTITY | 1 |
DESTINATION | |
REMARKS |
BOLT-SOCKET,6X40 | |
REF # | 120 |
---|---|
PART NUMBER | |
QUANTITY | 1 |
DESTINATION | |
REMARKS |
BOLT-FLANGED,6X35 | |
REF # | 130 |
---|---|
PART NUMBER | |
QUANTITY | 4 |
DESTINATION | |
REMARKS |