main content of page
Parts Diagrams
OWNER CENTER |
Welcome, Kawasaki owners. Access the information and tools you need to get the most out of your vehicle.
OWNER CENTER |
Welcome, Kawasaki owners. Access the information and tools you need to get the most out of your vehicle.
Parts Diagrams |
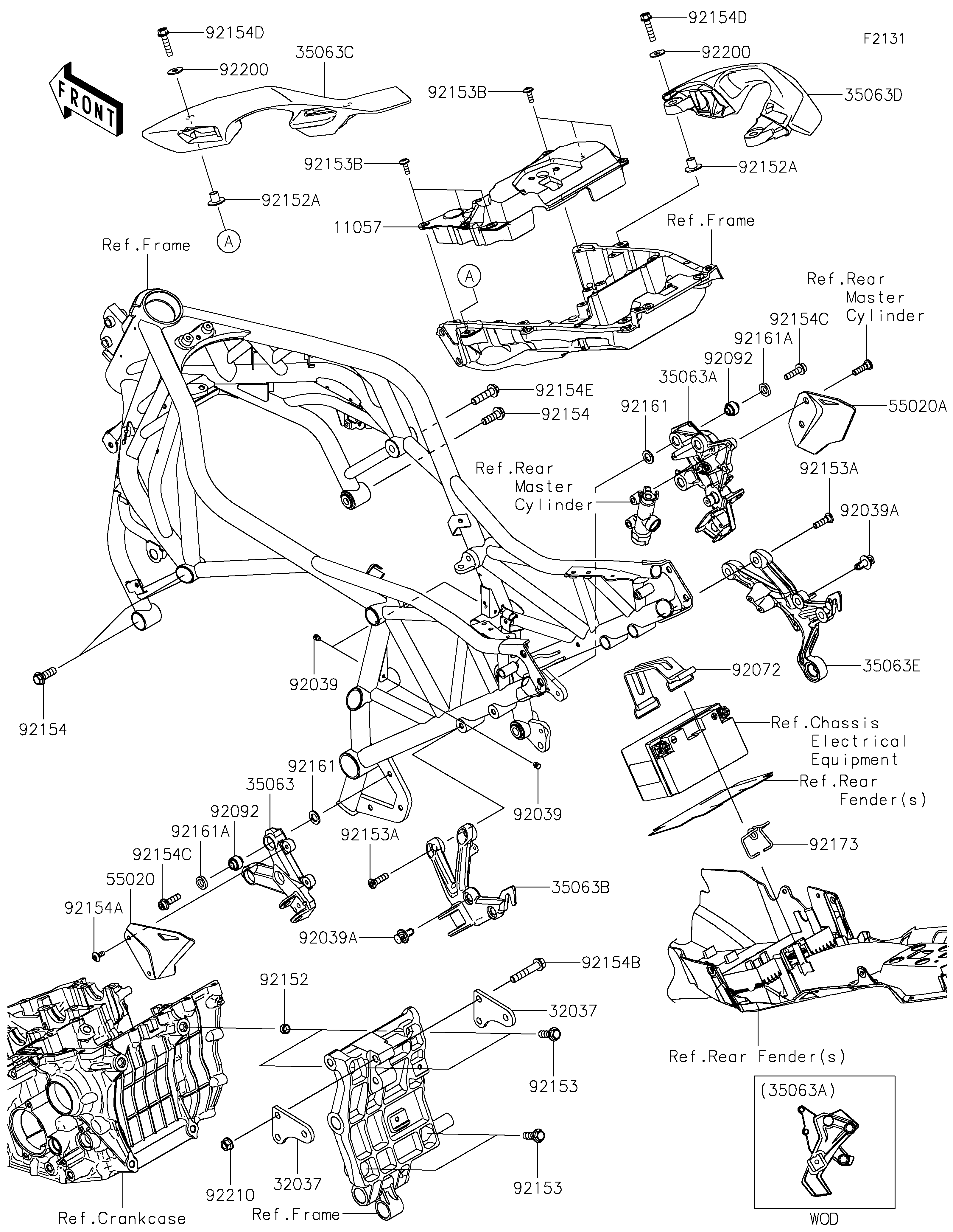
2025 NINJA H2® SX SE ABS - Frame Fittings
11057
32037
32037
35063
35063A
35063B
35063C
35063D
35063E
55020
55020A
92039
92039
92039A
92039A
92072
92092
92092
92152
92152A
92152A
92153
92153
92153A
92153A
92153B
92153B
92154
92154
92154A
92154B
92154C
92154C
92154D
92154D
92154E
92161
92161
92161A
92161A
92173
92200
92200
92210
| ITEM NAME | REF # | PART NUMBER | QUANTITY | DESTINATION | REMARKS |
|---|---|---|---|---|---|
| BRACKET,RR FRAME,UPP | 11057 | 11057-7231 | 1 | ||
| BRACKET-SHOCKABSORBER | 32037 | 32037-0454 | 2 | ||
| STAY,STEP,LH,FR,M.F.S.BLACK | 35063 | 35063-1418-46R | 1 | ||
| STAY,STEP,RH,FR,M.F.S.BLACK | 35063A | 35063-1419-46R | 1 | ||
| STAY,STEP,LH,RR,M.F.S.BLACK | 35063B | 35063-1420-46R | 1 | ||
| STAY,GRIP,LH | 35063C | 35063-1474 | 1 | ||
| STAY,GRIP,RH | 35063D | 35063-1475 | 1 | ||
| STAY,STEP,RH,RR,M.F.S.BLACK | 35063E | 35063-1557-46R | 1 | ||
| GUARD,FOOT,LH | 55020 | 55020-2201 | 1 | ||
| GUARD,FOOT,RH | 55020A | 55020-2202 | 1 | ||
| RIVET,PLASTI | 92039 | 92039-0773 | 3 | ||
| RIVET | 92039A | 92039-0789 | 4 | ||
| BAND,L=150 | 92072 | 92072-1338 | 1 | ||
| BUSHING-RUBBER,8.4X20X18 | 92092 | 92092-0039 | 6 | ||
| COLLAR,DOWEL PIN | 92152 | 92152-0679 | 2 | ||
| COLLAR,9.05X12.6X15.3 | 92152A | 92152-2958 | 4 | ||
| BOLT,FLANGED,10X30 | 92153 | 92153-0801 | 4 | ||
| BOLT,SOCKET,8X30 | 92153A | 92153-1624 | 4 | ||
| BOLT,SOCKET,6X18 | 92153B | 92153-1675 | 6 | ||
| BOLT,FLANGED,10X30 | 92154 | 92154-0543 | 3 | ||
| BOLT,SOCKET,6X14 | 92154A | 92154-0745 | 2 | ||
| BOLT,FLANGED,10X54 | 92154B | 92154-0903 | 3 | ||
| BOLT,SOCKET,8X30 | 92154C | 92154-2912 | 6 | ||
| BOLT,FLANGED,8X35 | 92154D | 92154-2915 | 4 | ||
| BOLT,FLANGED,10X40 | 92154E | 92154-2924 | 1 | ||
| DAMPER,12.5X21X2 | 92161 | 92161-0943 | 6 | ||
| DAMPER,12.5X20X4 | 92161A | 92161-0944 | 6 | ||
| CLAMP | 92173 | 92173-2093 | 1 | ||
| WASHER,8.5X23X1.6 | 92200 | 92200-1936 | 4 | ||
| NUT,LOCK,FLANGED,10MM | 92210 | 92210-1139 | 3 |
| BRACKET,RR FRAME,UPP | |
| REF # | 11057 |
|---|---|
| PART NUMBER | |
| QUANTITY | 1 |
| DESTINATION | |
| REMARKS | |
| BRACKET-SHOCKABSORBER | |
| REF # | 32037 |
|---|---|
| PART NUMBER | |
| QUANTITY | 2 |
| DESTINATION | |
| REMARKS | |
| STAY,STEP,LH,FR,M.F.S.BLACK | |
| REF # | 35063 |
|---|---|
| PART NUMBER | |
| QUANTITY | 1 |
| DESTINATION | |
| REMARKS | |
| STAY,STEP,RH,FR,M.F.S.BLACK | |
| REF # | 35063A |
|---|---|
| PART NUMBER | |
| QUANTITY | 1 |
| DESTINATION | |
| REMARKS | |
| STAY,STEP,LH,RR,M.F.S.BLACK | |
| REF # | 35063B |
|---|---|
| PART NUMBER | |
| QUANTITY | 1 |
| DESTINATION | |
| REMARKS | |
| STAY,GRIP,LH | |
| REF # | 35063C |
|---|---|
| PART NUMBER | |
| QUANTITY | 1 |
| DESTINATION | |
| REMARKS | |
| STAY,GRIP,RH | |
| REF # | 35063D |
|---|---|
| PART NUMBER | |
| QUANTITY | 1 |
| DESTINATION | |
| REMARKS | |
| STAY,STEP,RH,RR,M.F.S.BLACK | |
| REF # | 35063E |
|---|---|
| PART NUMBER | |
| QUANTITY | 1 |
| DESTINATION | |
| REMARKS | |
| GUARD,FOOT,LH | |
| REF # | 55020 |
|---|---|
| PART NUMBER | |
| QUANTITY | 1 |
| DESTINATION | |
| REMARKS | |
| GUARD,FOOT,RH | |
| REF # | 55020A |
|---|---|
| PART NUMBER | |
| QUANTITY | 1 |
| DESTINATION | |
| REMARKS | |
| RIVET,PLASTI | |
| REF # | 92039 |
|---|---|
| PART NUMBER | |
| QUANTITY | 3 |
| DESTINATION | |
| REMARKS | |
| RIVET | |
| REF # | 92039A |
|---|---|
| PART NUMBER | |
| QUANTITY | 4 |
| DESTINATION | |
| REMARKS | |
| BAND,L=150 | |
| REF # | 92072 |
|---|---|
| PART NUMBER | |
| QUANTITY | 1 |
| DESTINATION | |
| REMARKS | |
| BUSHING-RUBBER,8.4X20X18 | |
| REF # | 92092 |
|---|---|
| PART NUMBER | |
| QUANTITY | 6 |
| DESTINATION | |
| REMARKS | |
| COLLAR,DOWEL PIN | |
| REF # | 92152 |
|---|---|
| PART NUMBER | |
| QUANTITY | 2 |
| DESTINATION | |
| REMARKS | |
| COLLAR,9.05X12.6X15.3 | |
| REF # | 92152A |
|---|---|
| PART NUMBER | |
| QUANTITY | 4 |
| DESTINATION | |
| REMARKS | |
| BOLT,FLANGED,10X30 | |
| REF # | 92153 |
|---|---|
| PART NUMBER | |
| QUANTITY | 4 |
| DESTINATION | |
| REMARKS | |
| BOLT,SOCKET,8X30 | |
| REF # | 92153A |
|---|---|
| PART NUMBER | |
| QUANTITY | 4 |
| DESTINATION | |
| REMARKS | |
| BOLT,SOCKET,6X18 | |
| REF # | 92153B |
|---|---|
| PART NUMBER | |
| QUANTITY | 6 |
| DESTINATION | |
| REMARKS | |
| BOLT,FLANGED,10X30 | |
| REF # | 92154 |
|---|---|
| PART NUMBER | |
| QUANTITY | 3 |
| DESTINATION | |
| REMARKS | |
| BOLT,SOCKET,6X14 | |
| REF # | 92154A |
|---|---|
| PART NUMBER | |
| QUANTITY | 2 |
| DESTINATION | |
| REMARKS | |
| BOLT,FLANGED,10X54 | |
| REF # | 92154B |
|---|---|
| PART NUMBER | |
| QUANTITY | 3 |
| DESTINATION | |
| REMARKS | |
| BOLT,SOCKET,8X30 | |
| REF # | 92154C |
|---|---|
| PART NUMBER | |
| QUANTITY | 6 |
| DESTINATION | |
| REMARKS | |
| BOLT,FLANGED,8X35 | |
| REF # | 92154D |
|---|---|
| PART NUMBER | |
| QUANTITY | 4 |
| DESTINATION | |
| REMARKS | |
| BOLT,FLANGED,10X40 | |
| REF # | 92154E |
|---|---|
| PART NUMBER | |
| QUANTITY | 1 |
| DESTINATION | |
| REMARKS | |
| DAMPER,12.5X21X2 | |
| REF # | 92161 |
|---|---|
| PART NUMBER | |
| QUANTITY | 6 |
| DESTINATION | |
| REMARKS | |
| DAMPER,12.5X20X4 | |
| REF # | 92161A |
|---|---|
| PART NUMBER | |
| QUANTITY | 6 |
| DESTINATION | |
| REMARKS | |
| CLAMP | |
| REF # | 92173 |
|---|---|
| PART NUMBER | |
| QUANTITY | 1 |
| DESTINATION | |
| REMARKS | |
| WASHER,8.5X23X1.6 | |
| REF # | 92200 |
|---|---|
| PART NUMBER | |
| QUANTITY | 4 |
| DESTINATION | |
| REMARKS | |
| NUT,LOCK,FLANGED,10MM | |
| REF # | 92210 |
|---|---|
| PART NUMBER | |
| QUANTITY | 3 |
| DESTINATION | |
| REMARKS | |