Skip to main content

Parts Diagrams

customer service agent speaking with a customer

Welcome, Kawasaki owners. Access the information and tools you need to get the most out of your vehicle.

Welcome, Kawasaki owners. Access the information and tools you need to get the most out of your vehicle.

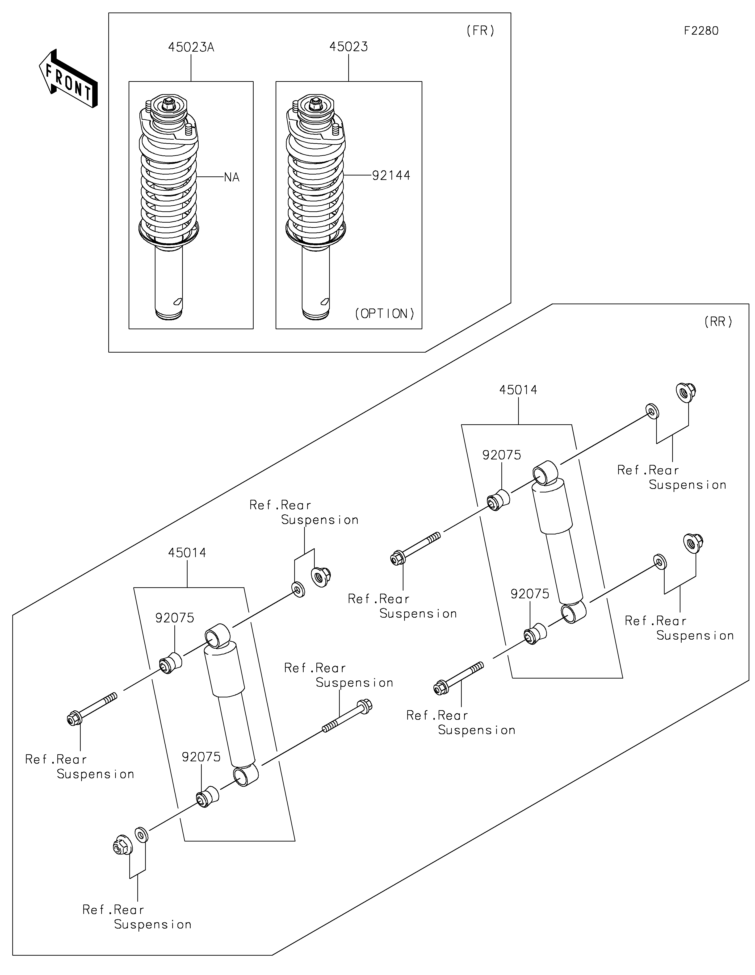
45014
45014
45023
45023A
92075
92075
92075
92075
92144
Part Item Information
ITEM NAME REF # PART NUMBER QUANTITY DESTINATION REMARKS
SHOCKABSORBER,RR 45014 45014-1435 2
STRUT,FR,K=3.13 45023 45023-1006 2 (OPTION)
STRUT,FR,K=1.95 45023A 45023-7503 2
DAMPER,SHOCKABSORBER 92075 92075-1784 4
SPRING,STRUT,K=30.7N/MM 92144 92144-1919 2 (OPTION)