Skip to main content

Parts Diagrams

customer service agent speaking with a customer

Welcome, Kawasaki owners. Access the information and tools you need to get the most out of your vehicle.

Welcome, Kawasaki owners. Access the information and tools you need to get the most out of your vehicle.

Part Item Information
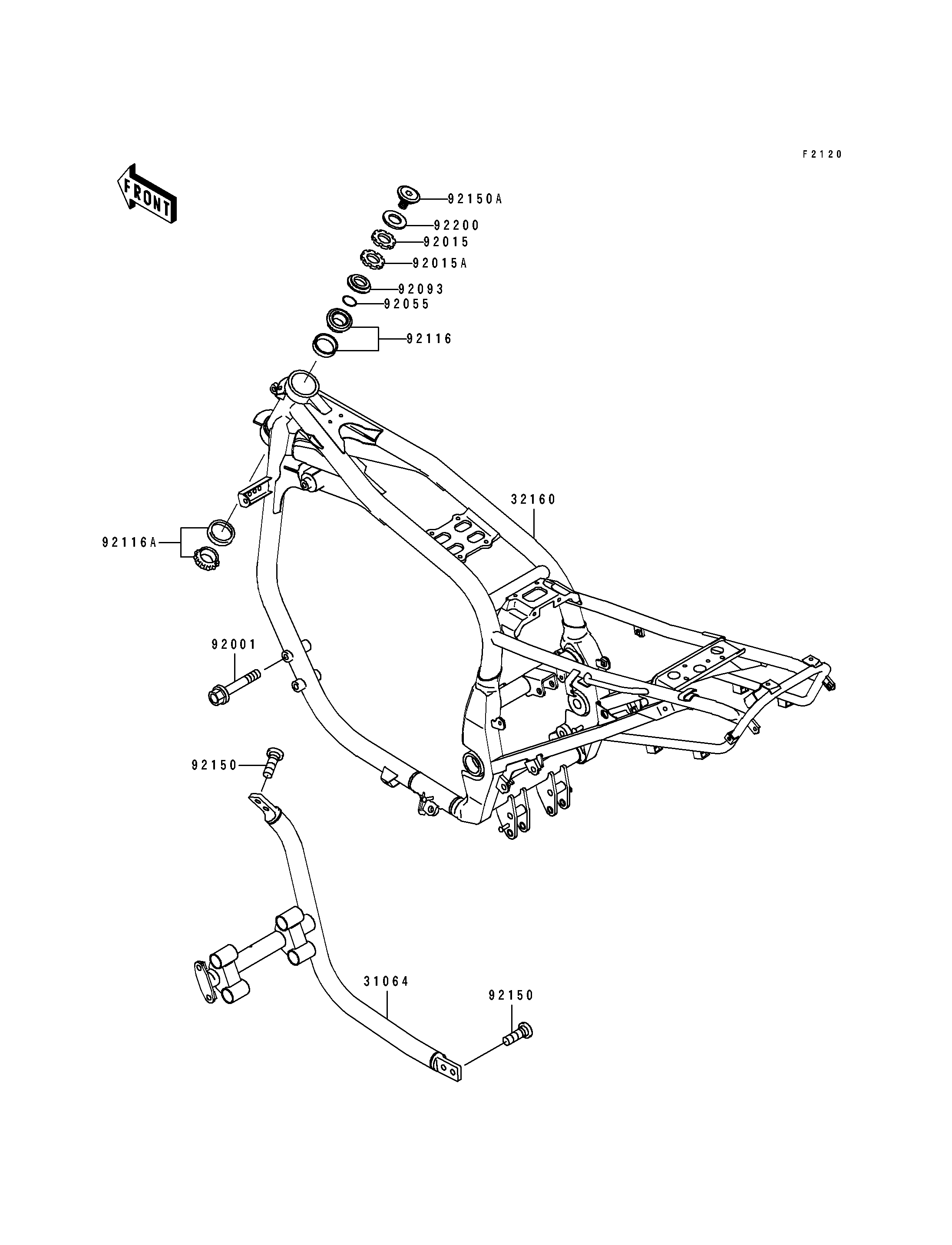
ITEM NAME REF # PART NUMBER QUANTITY DESTINATION REMARKS
PIPE-COMP,DOWNTUBE,RH 31064 31064-1169 1
FRAME-COMP 32160 32160-1407 1
BOLT,10X75 92001 92001-4021 2
NUT,28MM,T=6 92015 92015-1417 1
NUT,STEERING STEM,28MM 92015A 92015-1976 1
RING-O 92055 92055-1470 1
SEAL,MN036N1-A 92093 92093-1383 1
BEARING-ROLLER,HR320/28XJE 92116 92116-1067 1
BEARING-ROLLER,HI-CAP32006JRRS 92116A 92116-1069 1
BOLT,SOCKET,10X30 92150 92150-1690 4
BOLT,STEERING,16X24 92150A 92150-1883 1
WASHER,16X41X4.5 92200 92200-1273 1