main content of page
Parts Diagrams
OWNER CENTER |

Welcome, Kawasaki owners. Access the information and tools you need to get the most out of your vehicle.
OWNER CENTER |
Welcome, Kawasaki owners. Access the information and tools you need to get the most out of your vehicle.
Parts Diagrams |
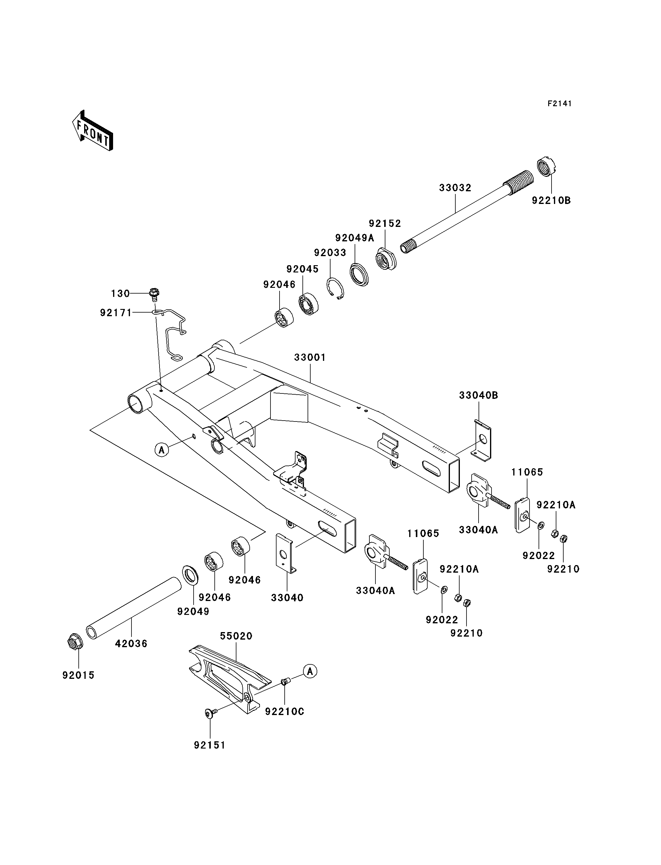
130
11065
11065
33001
33032
33040
33040A
33040A
33040B
42036
55020
92015
92022
92022
92033
92045
92046
92046
92046
92049
92049A
92151
92152
92171
92210
92210
92210A
92210A
92210B
92210C
ITEM NAME | REF # | PART NUMBER | QUANTITY | DESTINATION | REMARKS |
---|---|---|---|---|---|
BOLT-FLANGED,6X12 | 130 | 130L0612 | 1 | ||
CAP,CHAIN ADJUSTER | 11065 | 11065-0055 | 2 | ||
ARM-COMP-SWING | 33001 | 33001-0051 | 1 | ||
SHAFT-SWING ARM | 33032 | 33032-0005 | 1 | ||
ADJUSTER-CHAIN,OUTER,LH | 33040 | 33040-0009 | 1 | ||
ADJUSTER-CHAIN,INNER | 33040A | 33040-0012 | 2 | ||
ADJUSTER-CHAIN,OUTER | 33040B | 33040-1143 | 1 | ||
SLEEVE,SWING ARM,L=237 | 42036 | 42036-1264 | 1 | ||
GUARD,CHAIN | 55020 | 55020-0061 | 1 | ||
NUT,FLANGED,20MM | 92015 | 92015-1724 | 1 | ||
WASHER,8.5X16X1.2 | 92022 | 92022-1582 | 2 | ||
RING-SNAP,42MM | 92033 | 92033-1041 | 1 | ||
BEARING-BALL,6004UL11 | 92045 | 92045-0017 | 1 | ||
BEARING-NEEDLE,7E-HVS 28X34X17 | 92046 | 92046-0008 | 3 | ||
SEAL-OIL | 92049 | 92049-1181 | 1 | ||
SEAL-OIL,MHA 35 42 5.7F | 92049A | 92049-1380 | 1 | ||
BOLT,SOCKET,6X18 | 92151 | 92151-1149 | 1 | ||
COLLAR,SWING ARM PIVOT,RH | 92152 | 92152-0136 | 1 | ||
CLAMP | 92171 | 92171-0141 | 1 | ||
NUT,8MM | 92210 | 92210-0116 | 2 | ||
NUT,8MM | 92210A | 92210-0117 | 2 | ||
NUT,M28X1.0 | 92210B | 92210-1347 | 1 | ||
NUT,POP,6MM,L=15 | 92210C | 92210-1397 | 1 |
BOLT-FLANGED,6X12 | |
REF # | 130 |
---|---|
PART NUMBER | |
QUANTITY | 1 |
DESTINATION | |
REMARKS |
CAP,CHAIN ADJUSTER | |
REF # | 11065 |
---|---|
PART NUMBER | |
QUANTITY | 2 |
DESTINATION | |
REMARKS |
ARM-COMP-SWING | |
REF # | 33001 |
---|---|
PART NUMBER | |
QUANTITY | 1 |
DESTINATION | |
REMARKS |
SHAFT-SWING ARM | |
REF # | 33032 |
---|---|
PART NUMBER | |
QUANTITY | 1 |
DESTINATION | |
REMARKS |
ADJUSTER-CHAIN,OUTER,LH | |
REF # | 33040 |
---|---|
PART NUMBER | |
QUANTITY | 1 |
DESTINATION | |
REMARKS |
ADJUSTER-CHAIN,INNER | |
REF # | 33040A |
---|---|
PART NUMBER | |
QUANTITY | 2 |
DESTINATION | |
REMARKS |
ADJUSTER-CHAIN,OUTER | |
REF # | 33040B |
---|---|
PART NUMBER | |
QUANTITY | 1 |
DESTINATION | |
REMARKS |
SLEEVE,SWING ARM,L=237 | |
REF # | 42036 |
---|---|
PART NUMBER | |
QUANTITY | 1 |
DESTINATION | |
REMARKS |
GUARD,CHAIN | |
REF # | 55020 |
---|---|
PART NUMBER | |
QUANTITY | 1 |
DESTINATION | |
REMARKS |
NUT,FLANGED,20MM | |
REF # | 92015 |
---|---|
PART NUMBER | |
QUANTITY | 1 |
DESTINATION | |
REMARKS |
WASHER,8.5X16X1.2 | |
REF # | 92022 |
---|---|
PART NUMBER | |
QUANTITY | 2 |
DESTINATION | |
REMARKS |
RING-SNAP,42MM | |
REF # | 92033 |
---|---|
PART NUMBER | |
QUANTITY | 1 |
DESTINATION | |
REMARKS |
BEARING-BALL,6004UL11 | |
REF # | 92045 |
---|---|
PART NUMBER | |
QUANTITY | 1 |
DESTINATION | |
REMARKS |
BEARING-NEEDLE,7E-HVS 28X34X17 | |
REF # | 92046 |
---|---|
PART NUMBER | |
QUANTITY | 3 |
DESTINATION | |
REMARKS |
SEAL-OIL | |
REF # | 92049 |
---|---|
PART NUMBER | |
QUANTITY | 1 |
DESTINATION | |
REMARKS |
SEAL-OIL,MHA 35 42 5.7F | |
REF # | 92049A |
---|---|
PART NUMBER | |
QUANTITY | 1 |
DESTINATION | |
REMARKS |
BOLT,SOCKET,6X18 | |
REF # | 92151 |
---|---|
PART NUMBER | |
QUANTITY | 1 |
DESTINATION | |
REMARKS |
COLLAR,SWING ARM PIVOT,RH | |
REF # | 92152 |
---|---|
PART NUMBER | |
QUANTITY | 1 |
DESTINATION | |
REMARKS |
CLAMP | |
REF # | 92171 |
---|---|
PART NUMBER | |
QUANTITY | 1 |
DESTINATION | |
REMARKS |
NUT,8MM | |
REF # | 92210 |
---|---|
PART NUMBER | |
QUANTITY | 2 |
DESTINATION | |
REMARKS |
NUT,8MM | |
REF # | 92210A |
---|---|
PART NUMBER | |
QUANTITY | 2 |
DESTINATION | |
REMARKS |
NUT,M28X1.0 | |
REF # | 92210B |
---|---|
PART NUMBER | |
QUANTITY | 1 |
DESTINATION | |
REMARKS |
NUT,POP,6MM,L=15 | |
REF # | 92210C |
---|---|
PART NUMBER | |
QUANTITY | 1 |
DESTINATION | |
REMARKS |