main content of page
Parts Diagrams
OWNER CENTER |

Welcome, Kawasaki owners. Access the information and tools you need to get the most out of your vehicle.
OWNER CENTER |
Welcome, Kawasaki owners. Access the information and tools you need to get the most out of your vehicle.
Parts Diagrams |
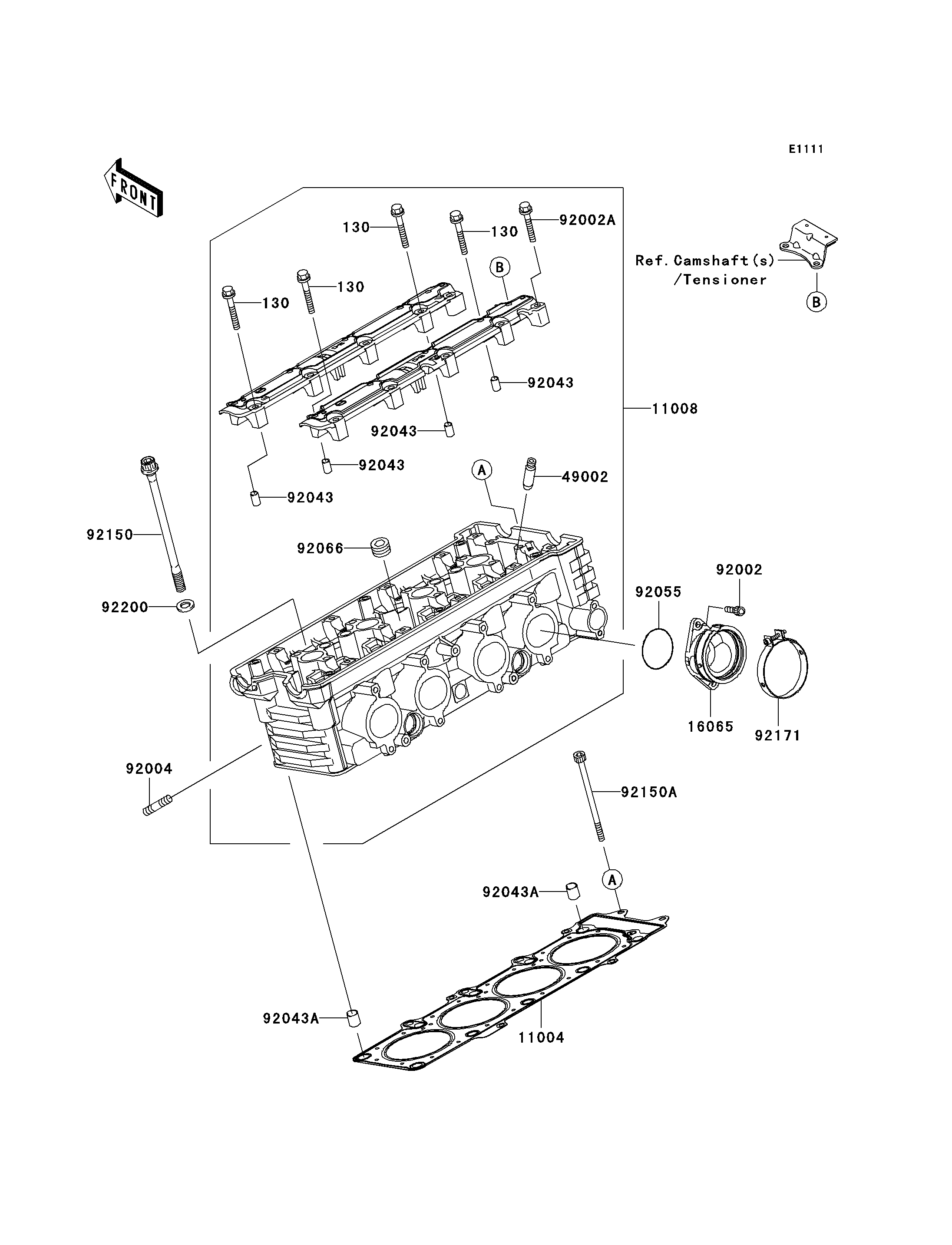
130
130
130
130
11004
11008
16065
49002
92002
92002A
92004
92043
92043
92043
92043
92043A
92043A
92055
92066
92150
92150A
92171
92200
ITEM NAME | REF # | PART NUMBER | QUANTITY | DESTINATION | REMARKS |
---|---|---|---|---|---|
BOLT-FLANGED,6X45 | 130 | 130P0645 | 4 | ||
GASKET-HEAD | 11004 | 11004-0006 | 1 | ||
HEAD-COMP-CYLINDER | 11008 | 11008-0013 | 1 | ||
HOLDER-THROTTLE | 16065 | 16065-0008 | 4 | ||
GUIDE-VALVE | 49002 | 49002-1152 | AR | ||
BOLT,6X16 | 92002 | 92002-1143 | 8 | ||
BOLT,6X40 | 92002A | 92002-1756 | 16 | ||
STUD,8X22 | 92004 | 92004-1249 | 8 | ||
PIN,6.2X8X14 | 92043 | 92043-1263 | 4 | ||
PIN,10.1X12X14 | 92043A | 92043-4009 | 2 | ||
RING-O,43.7X1.9 | 92055 | 92055-1401 | 4 | ||
PLUG,PT1/2X12.5 | 92066 | 92066-0002 | 5 | ||
BOLT,10X165 | 92150 | 92150-1368 | 10 | ||
BOLT,SOCKET,6X110 | 92150A | 92150-1755 | 2 | ||
CLAMP | 92171 | 92171-1552 | 4 | ||
WASHER,10.5X19X2.3 | 92200 | 92200-1042 | 10 |
BOLT-FLANGED,6X45 | |
REF # | 130 |
---|---|
PART NUMBER | |
QUANTITY | 4 |
DESTINATION | |
REMARKS |
GASKET-HEAD | |
REF # | 11004 |
---|---|
PART NUMBER | |
QUANTITY | 1 |
DESTINATION | |
REMARKS |
HEAD-COMP-CYLINDER | |
REF # | 11008 |
---|---|
PART NUMBER | |
QUANTITY | 1 |
DESTINATION | |
REMARKS |
HOLDER-THROTTLE | |
REF # | 16065 |
---|---|
PART NUMBER | |
QUANTITY | 4 |
DESTINATION | |
REMARKS |
GUIDE-VALVE | |
REF # | 49002 |
---|---|
PART NUMBER | |
QUANTITY | AR |
DESTINATION | |
REMARKS |
BOLT,6X16 | |
REF # | 92002 |
---|---|
PART NUMBER | |
QUANTITY | 8 |
DESTINATION | |
REMARKS |
BOLT,6X40 | |
REF # | 92002A |
---|---|
PART NUMBER | |
QUANTITY | 16 |
DESTINATION | |
REMARKS |
STUD,8X22 | |
REF # | 92004 |
---|---|
PART NUMBER | |
QUANTITY | 8 |
DESTINATION | |
REMARKS |
PIN,6.2X8X14 | |
REF # | 92043 |
---|---|
PART NUMBER | |
QUANTITY | 4 |
DESTINATION | |
REMARKS |
PIN,10.1X12X14 | |
REF # | 92043A |
---|---|
PART NUMBER | |
QUANTITY | 2 |
DESTINATION | |
REMARKS |
RING-O,43.7X1.9 | |
REF # | 92055 |
---|---|
PART NUMBER | |
QUANTITY | 4 |
DESTINATION | |
REMARKS |
PLUG,PT1/2X12.5 | |
REF # | 92066 |
---|---|
PART NUMBER | |
QUANTITY | 5 |
DESTINATION | |
REMARKS |
BOLT,10X165 | |
REF # | 92150 |
---|---|
PART NUMBER | |
QUANTITY | 10 |
DESTINATION | |
REMARKS |
BOLT,SOCKET,6X110 | |
REF # | 92150A |
---|---|
PART NUMBER | |
QUANTITY | 2 |
DESTINATION | |
REMARKS |
CLAMP | |
REF # | 92171 |
---|---|
PART NUMBER | |
QUANTITY | 4 |
DESTINATION | |
REMARKS |
WASHER,10.5X19X2.3 | |
REF # | 92200 |
---|---|
PART NUMBER | |
QUANTITY | 10 |
DESTINATION | |
REMARKS |